| PMIC | 6 | Active | The LTC3220/LTC3220-1 are highly integrated multi-display LED drivers. These parts contain a high efficiency, low noise charge pump to provide power to up to eighteen universal LED current sources. The LTC3220/LTC3220-1 require only five small ceramic capacitors to form a complete LED power supply and current controller.The LED currents are set by an internal precision current reference. Independent dimming, on/off, blinking and gradation control for all universal current sources is achieved via the I2C serial interface. 6-bit linear DACs are available to adjust brightness levels independently for each universal LED current source.The LTC3220/LTC3220-1 charge pump optimizes efficiency based on the voltage across the LED current sources. The part powers up in 1x mode and will automatically switch to boost mode whenever any enabled LED current source begins to enter dropout. The first dropout switches the parts into 1.5x mode and a subsequent dropout switches the LTC3220/LTC3220-1 into 2x mode. The parts reset to 1x mode whenever a data bit is updated via the I2C port.ApplicationsVideo Phones with QVGA+ DisplaysKeypad LightingGeneral/Miscellaneous Lighting |
LTC3221Micropower, Regulated Charge Pump in 2 x 2 DFN | Power Management (PMIC) | 2 | Active | The LTC3221 family are micropower charge pump DC/DC converters that produce a regulated output at up to 60mA. The input voltage range is 1.8V to 5.5V. Extremely low operating current (8μA typical at no load) and low external parts count (one flying capacitor and two small bypass capacitors at VINand VOUT) make them ideally suited for small, battery-powered applications.The LTC3221 family includes fi xed 5V and 3.3V output versions plus an adjustable version. All parts operate as Burst Mode®switched capacitor voltage doublers to achieve ultralow quiescent current. The chips use a controlled current to supply the output and will survive a continuous short-circuit from VOUTto GND. The FB pin of the adjustable LTC3221 can be used to program the desired output voltage.The LTC3221 family is available in a low profile (0.75mm) 2mm × 2mm 6-pin DFN package.ApplicationsLow Power 2 AA Cell to 3.3V SupplyMemory Backup SuppliesTire Pressure SensorsGeneral Purpose Low Power Li-Ion to 5V SupplyRF TransmittersGlucose Meters |
LTC32262-Cell Supercapacitor Charger with Backup PowerPath Controller | PMIC | 2 | Active | The LTC3226 is a 2-cell series supercapacitor charger with a backup PowerPath controller. It includes a charge pump supercapacitor charger with programmable output voltage, a low dropout regulator, and a power-fail comparator for switching between normal and backup modes.The constant input current supercapacitor charger is designed to charge two supercapacitors in series to a resistor-programmable output voltage from a 2.5V to 5.3V input supply. The charger input current limit is programmable by an external resistor at up to 315mA.The internal backup LDO is powered from the supercapacitors and provides up to 2A peak output current with an adjustable output voltage. When the input supply falls below the power-fail threshold, the LTC3226 automatically enters a backup state in which the supercapacitors power the output through the LDO. The input supply power-fail voltage level is programmed by an external resistor divider.Low input noise, low quiescent current and a compact footprint make the LTC3226 ideally suited for small, batterypowered applications. Internal current limit and thermal shutdown circuitry allow the device to survive a continuous short-circuit from the PROG or CPO pins to ground.ApplicationsSmart Power MetersBattery-Powered Industrial/Medical Equipment3.3V Solid-State DrivesIndustrial AlarmsData Backup SuppliesBattery Hold-Up Supplies |
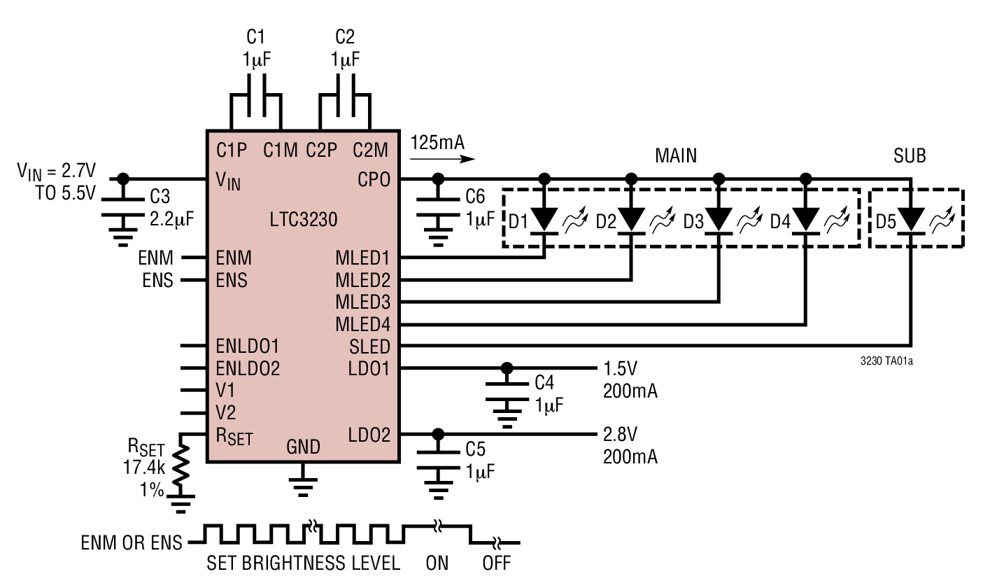
LTC32305-LED Main/Sub Display Driver with Dual LDO | Power Management (PMIC) | 2 | Active | The LTC3230 is a low noise charge pump DC/DC converter designed to drive 4 Main LEDs and 1 Sub LED, plus two 200mA linear regulators to provide additional system power. The LTC3230 charge pump requires only four small ceramic capacitors and one current set resistor to form a complete LED power supply and current controller.Built-in soft-start circuitry prevents excessive inrush cur- rent during start-up and mode changes. High switching frequency enables the use of small external capacitors. Main and Sub full-scale current settings are programmed by a single external resistor.Charge pump efficiency is optimized based on the voltage across the LED current sources. The part powers up in 1x mode and automatically switches to the next higher mode, 1.5x and subsequently 2x, whenever any LED current source approaches dropout.Two 200mA linear regulators have independent enable and output voltage select pins. Each regulator can be set to one of three pre-selected output voltages with tri-level input pins. The regulators may be enabled independently of the charge pump.The LTC3230 is available in a low profile (0.75mm) 3mm x 3mm 20-lead QFN package.ApplicationsMulti-LED Driver and Dual LDO Supplies for Cell Phone, PDA, Digital Camera and PND Applications |
LTC32403.3V/2.5V Step-Up/Step-Down Charge Pump DC/DC Converter | Power Management (PMIC) | 1 | Active | The LTC3240-3.3/LTC3240-2.5 are step-up/step-down charge pump DC/DC converters that produce a fixed regulated output voltage of 3.3V or 2.5V over a wide input voltage range (1.8V to 5.5V).With input voltages greater than the regulated output voltage the LTC3240 operates as a low dropout regulator. Once the input voltage drops within 100mV of the regulated output voltage the part automatically switches to step-up mode. In step-up mode the LTC3240 operates as a constant frequency (1.2MHz) doubling charge pump.The LTC3240-3.3/LTC3240-2.5 feature low no load operating current (65µA typical) and ultralow operating current in shutdown (<1µA). Built-in soft-start circuitry prevents excessive inrush current during start-up. Thermal shutdown and current-limit circuitry allow the parts to survive a continuous short-circuit from VOUTto GND.The LTC3240-3.3/LTC3240-2.5 require only three tiny external ceramic capacitors for an ultrasmall application footprint. The LTC3240-3.3/LTC3240-2.5 are available in a 6-pin (2mm × 2mm) DFN package.Applications2 AA to 2.5V2-3 AA/Li-Ion to 3.3VLow Power Supplies for Cameras, I/O Supplies, Audio, PC Cards, Misc. Logic, etc., in a Wide Variety of Handheld Products |
LTC3245Wide VINRange, Low Noise, 250mA Buck-Boost Charge Pump | Power Management (PMIC) | 4 | Active | The LTC3245 is a switched capacitor buck-boost DC/DC converter that produces a regulated output (3.3V, 5V or adjustable) from a 2.7V to 38V input. The device uses switched capacitor fractional conversion to maintain regulation over a wide range of input voltage. Internal circuitry automatically selects the conversion ratio to optimize efficiency as input voltage and load conditions vary. No inductors are required.The unique constant frequency architecture provides a lower noise output than conventional charge pump regulators. To optimize efficiency at the expense of slightly higher output ripple, the device has pin selectable Burst Mode operation.Low operating current (20μA with no load, 4μA in shutdown) and low external parts count (three small ceramic capacitors) make the LTC3245 ideally suited for low power, space constrained automotive/industrial applications. The device is short-circuit and overtemperature protected, and is available in thermally enhanced 12-pin MSOP and low profile 3mm × 4mm 12-pin DFN packages.APPLICATIONSAutomotive ECU/CAN Transceiver SuppliesIndustrial Housekeeping SuppliesLow Power 12V to 5V Conversion |
LTC3246Wide VINRange Buck-Boost Charge Pump with Watchdog Timer | Power Management (PMIC) | 4 | Active | The LTC3246 is a switched capacitor buck-boost DC/DC converter with integrated watchdog timer. The device produces a regulated output (3.3V, 5V or adjustable) from a 2.7V to 38V input. Switched capacitor fractional conversion is used to maintain regulation over a wide range of input voltage. Internal circuitry automatically selects the conversion ratio to optimize efficiency as input voltage and load conditions vary. No inductors are required.The LTC3246’s reset time and watchdog timeout may be set without external components, or adjusted using external capacitors. A windowed watchdog function is used for high reliability applications. The reset input can be used for additional supply monitoring or be configured as a pushbutton reset.Low operating current (20μA without load, 1.5μA in shutdown) and low external parts count make the LTC3246 ideally suited for low power, space constrained automotive/ industrial applications. The device is short-circuit and overtemperature protected and is available in a thermally enhanced 16-pin MSOP package.ApplicationsAutomotive ECU/CAN Transceiver SuppliesIndustrial/Telecom Housekeeping SuppliesLow Power 12V to 5V Conversion |
LTC3251500mA High Efficiency, Low Noise, Inductorless Step-Down DC/DC Converters | Power Management (PMIC) | 2 | Active | The LTC3251/LTC3251-1.2/LTC3251-1.5 are 2-phase charge pump step-down DC/DC converters that produce a regulated output from a 2.7V to 5.5V input. The parts use switched capacitor fractional conversion to achieve twice the typical efficiency of a linear regulator. No inductors are required. VOUTis resistor programmable from 0.9V to 1.6V or fixed at 1.2V or 1.5V, with up to 500mA of load current available.A unique 2-phase spread spectrum architecture provides a very low noise regulated output as well as low noise at the input. The parts have four operating modes: Continuous Spread Spectrum, Spread Spectrum with Burst Mode operation, Super Burst™mode operation and shutdown.Low operating current (35µA in Burst Mode operation, 10µA in Super Burst mode operation) and low external parts count make the LTC3251/LTC3251-1.2/LTC3251-1.5 ideally suited for space-constrained battery-powered applications. The parts are short-circuit and over-temperature protected, and are available in a thermally enhanced 10-pin MSOP package.ApplicationsHandheld DevicesCellular PhonesPortable Electronic EquipmentDSP Power Supplies |
| Integrated Circuits (ICs) | 3 | Active | |
LTC3255Wide VINRange Fault Protected 50mA Step-Down Charge Pump | PMIC | 9 | Active | The LTC3255 is a switched-capacitor step-down DC/DC converter that produces a regulated output (2.4V to 12.5V adjustable) from a 4V to 48V input. In applications where the input voltage exceeds twice the output voltage, 2:1 capacitive charge pumping extends output current capability beyond input supply current limits. At no load, Burst Mode®operation cuts VINquiescent current to 16μA.With its integrated VINshunt regulator, the LTC3255 excels in 4mA to 20mA current loop applications. The device enables current multiplication; a 4mA input current can power a 7.4mA load continuously. Alternatively, the LTC3255 serves as a higher efficiency replacement for linear regulators and provides a space-saving inductorfree alternative to buck DC/DC converters.The LTC3255 withstands reverse-polarity input supplies and output short-circuits without damage. Safety features including current limit and overtemperature protection further enhance robustness. The LTC3255 is available in thermally enhanced 10-lead MSOP and low profile 3mm × 3mm 10-lead DFN packages.ApplicationsIndustrial Control, Factory Automation, Sensors, and SCADA SystemsHousekeeping Power SuppliesCurrent-Boosting Voltage Regulators for 4mA to 20mA Current Loops |