A
Analog Devices
| Series | Category | # Parts | Status | Description |
|---|---|---|---|---|
| Part | Spec A | Spec B | Spec C | Spec D | Description |
|---|---|---|---|---|---|
| Series | Category | # Parts | Status | Description |
|---|---|---|---|---|
| Part | Spec A | Spec B | Spec C | Spec D | Description |
|---|---|---|---|---|---|
| Part | Category | Description |
|---|---|---|
Analog Devices ADM6713RAKSZ-REELObsolete | Integrated Circuits (ICs) | IC SUPERVISOR 1 CHANNEL SC70-4 |
Analog Devices | RF and Wireless | RF AMP SINGLE GENERAL PURPOSE RF AMPLIFIER 20GHZ 3.6V 22-PIN DIE TRAY |
Analog Devices | Integrated Circuits (ICs) | LOW NOISE, SWITCHED CAPACITOR REGULATED VOLTAGE INVERTERS |
Analog Devices | Integrated Circuits (ICs) | QUAD 16-BIT/12-BIT ±10V VOUTSOFTSPAN DACS WITH 10PPM/°C MAX REFERENCE |
Analog Devices | Integrated Circuits (ICs) | SERIAL 14-BIT, 3.5MSPS SAMPLING ADC WITH BIPOLAR INPUTS |
Analog Devices | Integrated Circuits (ICs) | ISOSPI ISOLATED COMMUNICATIONS INTERFACE |
Analog Devices | Integrated Circuits (ICs) | 4.5A, 500KHZ STEP-DOWN SWITCHING REGULATOR |
Analog Devices | Integrated Circuits (ICs) | 300 MA, LOW QUIESCENT CURRENT, ADJUSTABLE OUTPUT, CMOS LINEAR REGULATOR |
Analog Devices AD767KNObsolete | Integrated Circuits (ICs) | IC DAC 12BIT V-OUT 24DIP |
Analog Devices | Integrated Circuits (ICs) | QUAD 12-/10-/8-BIT RAIL-TO-RAIL DACS WITH 10PPM/°C REFERENCE |
| Series | Category | # Parts | Status | Description |
|---|---|---|---|---|
LTC2916Voltage Supervisor with 9 Selectable Thresholds and Manual Reset Input | Integrated Circuits (ICs) | 6 | Active | The LTC2915/LTC2916 are low voltage single-supply monitors with selectable thresholds. The parts operate from 1.5V to 5.5V and consume a quiescent current of only 30µA.Two three-state inputs select one of nine internally programmed thresholds without the need for external resistors. For the LTC2915, an additional three-state input determines the tolerance (–5%, –10%, –15%). The tolerance for the LTC2916 is fixed at –5%. Threshold accuracy is guaranteed at ±1.5% over the entire operating temperature range. Glitch filtering ensures reliable reset operation without false triggering.The reset timeout may be set to 200ms or adjusted using an external capacitor. A separate manual reset input on the LTC2916 allows a simple push button interface.Operation to 125°C makes the LTC2915 and LTC2916 suitable for automotive applications.ApplicationsHandheld DevicesCell Phone Base StationsAutomotive Control SystemsNetwork ServersOptical Networking Systems |
LTC2917Voltage Supervisor with 27 Selectable Thresholds and Watchdog Timer | Power Management (PMIC) | 12 | Active | The LTC2917-A/LTC2917-B and LTC2918-A/LTC2918-B are low voltage single-supply monitors with selectable thresholds and an adjustable watchdog timer. The parts operate from 1.5V to 5.5V and consume a quiescent current of only 30µA.Two three state inputs select one of nine internally programmed thresholds without the need for external resistors. For the LTC2917, an additional three state input determines the tolerance (–5%, –10%, –15%). The tolerance for the LTC2918 is fixed at –5%. Threshold accuracy is guaranteed at ±1.5% over the entire operating temperature range. Glitch filtering ensures reliable reset operation without false triggering.The reset timeout and the watchdog timeout may be set with no external components, or adjusted using an external capacitor. A windowed watchdog feature is available for high-reliability applications (B1 versions). A separate manual reset input on the LTC2918-A/LTC2918-B allows a simple push button interface.Operation to 125°C makes the LTC2917-A/LTC2917-B and LTC2918-A/LTC2918-B suitable for automotive applications.ApplicationsHandheld DevicesCell Phone Base StationsAutomotive Control SystemsNetwork ServersOptical Networking Systems |
LTC2918Voltage Supervisor with 27 Selectable Thresholds and Watchdog Timer | PMIC | 9 | Active | The LTC2917-A/LTC2917-B and LTC2918-A/LTC2918-B are low voltage single-supply monitors with selectable thresholds and an adjustable watchdog timer. The parts operate from 1.5V to 5.5V and consume a quiescent current of only 30µA.Two three state inputs select one of nine internally programmed thresholds without the need for external resistors. For the LTC2917, an additional three state input determines the tolerance (–5%, –10%, –15%). The tolerance for the LTC2918 is fixed at –5%. Threshold accuracy is guaranteed at ±1.5% over the entire operating temperature range. Glitch filtering ensures reliable reset operation without false triggering.The reset timeout and the watchdog timeout may be set with no external components, or adjusted using an external capacitor. A windowed watchdog feature is available for high-reliability applications (B1 versions). A separate manual reset input on the LTC2918-A/LTC2918-B allows a simple push button interface.Operation to 125°C makes the LTC2917-A/LTC2917-B and LTC2918-A/LTC2918-B suitable for automotive ap- plications.ApplicationsHandheld DevicesCell Phone Base StationsAutomotive Control SystemsNetwork ServersOptical Networking Systems |
LTC2919Precision Triple/Dual Input UV, OV and Negative Voltage Monitor | PMIC | 20 | Active | The LTC2919 is a triple/dual input monitor intended for a variety of system monitoring applications. Polarity selection and a buffered reference output allow the LTC2919 to monitor positive and negative supplies for undervoltage (UV) and overvoltage (OV) conditions.The two adjustable inputs have a nominal 0.5V threshold, featuring tight 1.5% threshold accuracy over the entire operating temperature range. Glitch filtering ensures outputs operate reliably without false triggering. An accurate threshold at the VCCpin provides a third input supply monitor for a 2.5V, 3.3V or 5V supply.Two independent output pins indicate the status of each adjustable input. A third common output provides a configurable reset timeout that may be set by an accurate internal 200ms timer, programmed with an external capacitor, or disabled for a fast response. A three-state input pin sets the input polarity of each adjustable input without requiring any external components.The LTC2919 provides a highly versatile, precise, space-conscious, micropower solution for supply monitoring.ApplicationsDesktop and Notebook ComputersNetwork ServersCore, I/O MonitorAutomotive |
LTC2920Single/Dual Power Supply Margining Controller | PMIC | 7 | Active | The LTC2920 allows power supplies and power supply module output voltages to be precisely adjusted both up and down for automated PCB testing. The power supply output voltage is changed by sourcing or sinking current into the feedback node or voltage adjust pin of the power supply. This allows a system to test the correct operation of electrical components at the upper and/or lower power supply voltage limits specified for a given design (Power Supply "Margining").The LTC2920 uses a single resistor to set the voltage margining current. The margining current is adjustable over a 400:1 range. Precision margin currents can be supplied to within 0.6V of ground or VCC.The LTC2920-1 is a single margining controller. The LTC2920-2 has two independently controllable margining channels. Each channel has its own control pin and current setting resistor. The LTC2920-2 can be used to symmetrically margin two power supplies, or asymmetrically margin a single power supply.Both the LTC2920-1 and LTC2920-2 feature a trimmed onboard voltage reference. Typical power supply margining accuracy is better than 0.4%.ApplicationsAutomated PCB Production TestingAutomated Preventative Maintenance TestingDC/DC Converter Module Margining |
LTC2921Power Supply Tracker with Input Monitors | PMIC | 3 | Active | The LTC2921 and LTC2922 monitor up to five supplies and force them to track on power-up in multiple supply systems. Using external N-channel pass transistors, the supplies can be ramped up at an adjustable rate. Automatic remote sense switching allows the DC/DC converters to compensate for series voltage drops in the wiring. An incorrect level on one or more of the supplies triggers disconnect of all supplies. Tight 1% accuracy and glitch immunity on the low 0.5V monitoring level ensure no false error disconnects.The LTC2921 and LTC2922 each feature an adjustable electronic circuit breaker to protect the VCCsupply against short circuits. Capacitance at the TIMER pin programs the delays in the monitoring sequence.The LTC2921 includes three remote sense switches in a 16-pin narrow SSOP package, while the LTC2922 includes five remote sense switches in a 20-pin TSSOP package. Both parts are available for VCCsupply voltages of 5V, 3.3V, and 2.5V.ApplicationsDesktop ComputersPlug-In CardsTelecom InfrastructureSupply SequencingInstruments |
LTC2922Power Supply Tracker with Input Monitors | Power Management (PMIC) | 4 | Active | The LTC2921 and LTC2922 monitor up to five supplies and force them to track on power-up in multiple supply systems. Using external N-channel pass transistors, the supplies can be ramped up at an adjustable rate. Automatic remote sense switching allows the DC/DC converters to compensate for series voltage drops in the wiring. An incorrect level on one or more of the supplies triggers disconnect of all supplies. Tight 1% accuracy and glitch immunity on the low 0.5V monitoring level ensure no false error disconnects.The LTC2921 and LTC2922 each feature an adjustable electronic circuit breaker to protect the VCCsupply against short circuits. Capacitance at the TIMER pin programs the delays in the monitoring sequence.The LTC2921 includes three remote sense switches in a 16-pin narrow SSOP package, while the LTC2922 includes five remote sense switches in a 20-pin TSSOP package. Both parts are available for VCCsupply voltages of 5V, 3.3V, and 2.5V.ApplicationsDesktop ComputersPlug-In CardsTelecom InfrastructureSupply SequencingInstruments |
LTC2923Power Supply Tracking Controller | PMIC | 3 | Active | The LTC2923 provides a simple solution to power supply tracking and sequencing requirements. By selecting a few resistors, the supplies can be configured to ramp-up and ramp-down together or with voltage offsets, time delays or different ramp rates.By introducing currents into the feedback nodes of two independent switching regulators, the LTC2923 causes their outputs to track without inserting any pass element losses. Because the currents are controlled in an openloop manner, the LTC2923 does not affect the transient response or stability of the supplies. Furthermore, it presents a high impedance when power-up is complete, effectively removing it from the DC/DC circuit.For systems that require a third supply, one supply can be controlled with a series FET. This optional series FET can also control a supply that does not allow direct access to its feedback resistors (e.g., a power module) or a supply whose output cannot be forced to ground (e.g., a 3-terminal linear regulator). When the FET is used, an electronic circuit breaker provides protection from short-circuit conditions.ApplicationsVCOREand VI/OSupply TrackingMicroprocessor, DSP and FPGA SuppliesServersCommunication Systems |
LTC2924Quad Power Supply Sequencer | PMIC | 3 | Active | The LTC2924 is a power supply sequencer designed for use with external N-channel MOSFETs or power supplies with shutdown pins. Four power supplies can be fully sequenced by a single LTC2924 and up to five supplies can be sequenced to a sixth master supply. The LTC2924 requires a minimum of external components, using only two feedback resistors per sequenced power supply and a single resistor to set hysteresis.An internally regulated charge pump provides gate drive voltages for external logic and sub-logic-level MOSFETs. Adding a single capacitor enables an adjustable time delay between power supplies during both Power On and Power Off sequencing. A second capacitor can be added to enable a power good timer for detecting the failure of any power supply to turn on within the selected time. Errors in power supply sequencing and the control input are detected and reported at theFAULToutput. The LTC2924 features precision input comparators which can provide 1% accuracy in monitoring power supply voltages.Multiple LTC2924s may be easily cascaded to sequence a virtually unlimited number of power supplies.ApplicationsSequenced Power Supplies for ASICs with Multiple I/O and Core VoltagesLatch-Up Prevention in Systems with Multiple Power Supplies |
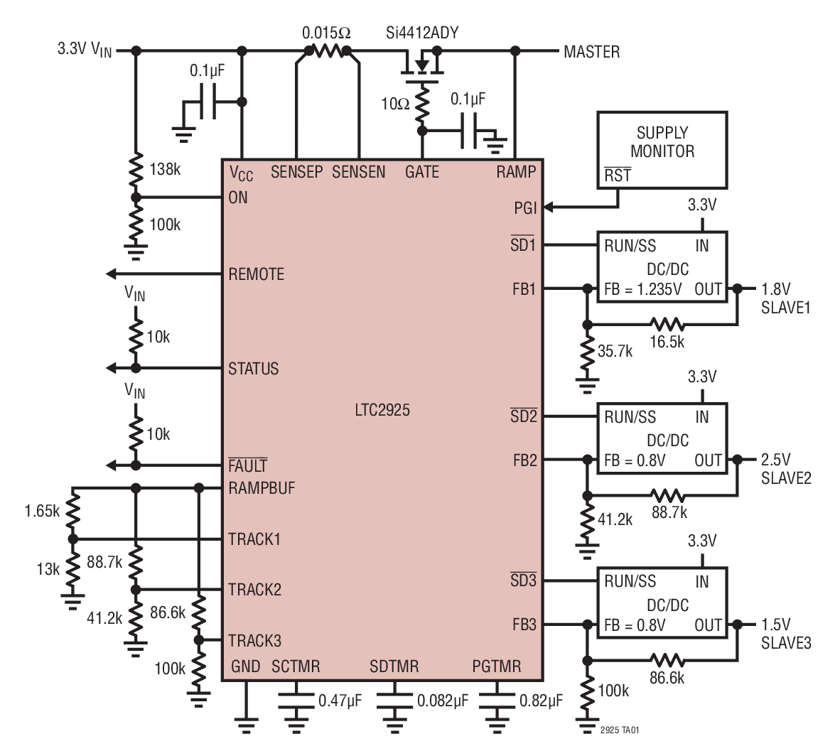
LTC2925Multiple Power Supply Tracking Controller with Power Good Timeout | PMIC | 5 | Active | The LTC2925 provides a simple solution to power supply tracking and sequencing requirements. By selecting a few resistors, the supplies can be configured to ramp-up and ramp-down together or with voltage offsets, time delays or different ramp rates.The LTC2925 controls the outputs of three independent supplies without inserting any pass element losses. For systems that require a fourth supply, or when a supply does not allow direct access to its feedback resistors, one supply can be controlled with a series FET. When the FET is used, an internal remote sense switch compensates for the voltage drop across the FET and current sense resistor, and an electronic circuit breaker provides protection from short-circuit conditions.The LTC2925 also includes a power good timeout feature that turns off the supplies if an external supply monitor fails to indicate that the supplies have entered regulation within an adjustable time-out period.ApplicationsVCOREand VI/OSupply TrackingMicroprocessor, DSP and FPGA SuppliesServersCommunication Systems |