A
Analog Devices
| Series | Category | # Parts | Status | Description |
|---|---|---|---|---|
| Part | Spec A | Spec B | Spec C | Spec D | Description |
|---|---|---|---|---|---|
| Series | Category | # Parts | Status | Description |
|---|---|---|---|---|
| Part | Spec A | Spec B | Spec C | Spec D | Description |
|---|---|---|---|---|---|
| Part | Category | Description |
|---|---|---|
Analog Devices ADM6713RAKSZ-REELObsolete | Integrated Circuits (ICs) | IC SUPERVISOR 1 CHANNEL SC70-4 |
Analog Devices | RF and Wireless | RF AMP SINGLE GENERAL PURPOSE RF AMPLIFIER 20GHZ 3.6V 22-PIN DIE TRAY |
Analog Devices | Integrated Circuits (ICs) | LOW NOISE, SWITCHED CAPACITOR REGULATED VOLTAGE INVERTERS |
Analog Devices | Integrated Circuits (ICs) | QUAD 16-BIT/12-BIT ±10V VOUTSOFTSPAN DACS WITH 10PPM/°C MAX REFERENCE |
Analog Devices | Integrated Circuits (ICs) | SERIAL 14-BIT, 3.5MSPS SAMPLING ADC WITH BIPOLAR INPUTS |
Analog Devices | Integrated Circuits (ICs) | ISOSPI ISOLATED COMMUNICATIONS INTERFACE |
Analog Devices | Integrated Circuits (ICs) | 4.5A, 500KHZ STEP-DOWN SWITCHING REGULATOR |
Analog Devices | Integrated Circuits (ICs) | 300 MA, LOW QUIESCENT CURRENT, ADJUSTABLE OUTPUT, CMOS LINEAR REGULATOR |
Analog Devices AD767KNObsolete | Integrated Circuits (ICs) | IC DAC 12BIT V-OUT 24DIP |
Analog Devices | Integrated Circuits (ICs) | QUAD 12-/10-/8-BIT RAIL-TO-RAIL DACS WITH 10PPM/°C REFERENCE |
| Series | Category | # Parts | Status | Description |
|---|---|---|---|---|
LTC248424-Bit ΔΣ ADC with Easy Drive Input Current Cancellation | Data Acquisition | 3 | Active | The LTC2484 combines a 24-bit No Latency ΔΣ™analog-to-digital converter with patented Easy Drive™technology. The patented sampling scheme eliminates dynamic input current errors and the shortcomings of on-chip buffering through automatic cancellation of differential input current. This allows large external source impedances and input signals with rail-to-rail input range to be directly digitized while maintaining exceptional DC accuracy.The LTC2484 includes an on-chip oscillator. The LTC2484 can be configured to reject line frequencies. 50Hz, 60Hz or simultaneous 50Hz/60Hz line frequency rejection can be selected as well as a 2× speed-up mode.The LTC2484 allows a wide common mode input range (0V to VCC) independent of the reference voltage. The reference can be as low as 100mV or can be tied directly to VCC. The LTC2484 includes an on-chip trimmed oscillator, eliminating the need for external crystals or oscillators. Absolute accuracy and low drift are automatically maintained through continuous, transparent, offset and full-scale calibration.ApplicationsDirect Sensor DigitizerWeight ScalesDirect Temperature MeasurementStrain Gauge TransducersInstrumentationIndustrial Process ControlDVMs and Meters |
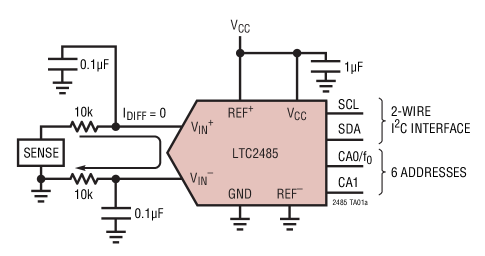
LTC248524-Bit ΔΣ ADC with Easy Drive Input Current Cancellation and I2C Interface | Data Acquisition | 1 | Active | The LTC2485 combines a 24-bit plus sign No Latency ΔΣ™analog-to-digital converter with patented Easy Drive technology and I2C digital interface. The patented sampling scheme eliminates dynamic input current errors and the shortcomings of on-chip buffering through automatic cancellation of differential input current. This allows large external source impedances and input signals, with rail-to-rail input range to be directly digitized while maintaining exceptional DC accuracy.The LTC2485 includes an on-chip oscillator. The LTC2485 can be configured through an I2C interface to reject line frequencies. 50Hz, 60Hz or simultaneous 50Hz/60Hz line frequency rejection can be selected as well as a 2x speed-up mode.The LTC2485 allows a wide common mode input range (0V to VCC) independent of the reference voltage. The reference can be as low as 100mV or can be tied directly to VCC. The LTC2485 includes an on-chip trimmed oscillator eliminating the need for external crystals or oscillators. Absolute accuracy and low drift are automatically maintained through continuous, transparent, offset and full-scale calibration.ApplicationsDirect Sensor DigitizerWeight ScalesDirect Temperature MeasurementStrain Gauge TransducersInstrumentationIndustrial Process ControlDVMs and Meters |
LTC248616-Bit 2-/4-Channel ∆Σ ADC with PGA and Easy Drive Input Current Cancellation | Data Acquisition | 2 | Active | The LTC2486 is a 4-channel (2-channel differential), 16-bit, No Latency ΔΣ™ADC with Easy Drive™technology. The patented sampling scheme eliminates dynamic input current errors and the shortcomings of on-chip buffering through automatic cancellation of differential input current. This allows large external source impedances and rail-to-rail input signals to be directly digitized while maintaining exceptional DC accuracy.The LTC2486 includes programmable gain, a high accuracy temperature sensor, and an integrated oscillator. This device can be configured to measure an external signal (from combinations of 4 analog input channels operating in single ended or differential modes) or its internal temperature sensor. It can be programmed to reject line frequencies of 50Hz, 60Hz, or simultaneous 50Hz/60Hz, provide a programmable gain from 1 to 256 in 8 steps, and configured to double its output rate. The integrated temperature sensor offers 1/2°C resolution and 2°C absolute accuracy.The LTC2486 allows a wide common mode input range (0V to VCC), independent of the reference voltage. Any combination of single-ended or differential inputs can be selected and the first conversion after a new channel selection is valid.ApplicationsDirect Sensor DigitizerDirect Temperature MeasurementInstrumentationIndustrial Process Control |
LTC248716-Bit 2-/4-Channel ∆Σ ADC with PGA, Easy Drive and I2C Interface | Data Acquisition | 2 | Active | The LTC2487 is a 4-channel (2 differential), 16-bit, No Latency ΔΣ™ADC with Easy Drive technology and a 2-wire, I2C interface. The patented sampling scheme eliminates dynamic input current errors and the shortcomings of on-chip buffering through automatic cancellation of differential input current. This allows large external source impedances and rail-to-rail input signals to be directly digitized while maintaining exceptional DC accuracy.The LTC2487 includes programmable gain, a high accuracy temperature sensor and an integrated oscillator. This device can be configured to measure an external signal (from combinations of 4 analog input channels operating in single ended or differential modes) or its internal temperature sensor. The integrated temperature sensor offers 1/2°C resolution and 2°C absolute accuracy. The LTC2487 can be configured to provide a programmable gain from 1 to 256 in 8 steps.The LTC2487 allows a wide common mode input range (0V to VCC), independent of the reference voltage. Any combination of single-ended or differential inputs can be selected and the first conversion, after a new channel is selected, is valid. Access to the multiplexer output enables optional external amplifiers to be shared between all analog inputs and auto calibration continuously removes their associated offset and drift.ApplicationsDirect Sensor DigitizerDirect Temperature MeasurementInstrumentationIndustrial Process Control |
LTC248816-Bit 2-/4-Channel ΔΣ ADC with Easy Drive Input Current Cancellation | Data Acquisition | 4 | Active | The LTC2488 is a 4-channel (2-channel differential), 16-bit, No Latency ΔΣ™ADC with Easy Drive™technology. The patented sampling scheme eliminates dynamic input current errors and the shortcomings of on-chip buffering through automatic cancellation of differential input current. This allows large external source impedances and rail-to-rail input signals to be directly digitized while maintaining exceptional DC accuracy.The LTC2488 includes an integrated oscillator. This device can be configured to measure an external signal from combinations of 4 analog input channels operating in single ended or differential modes. It automatically rejects line frequencies of 50Hz and 60Hz simultaneously.The LTC2488 allows a wide common mode, input range (0V to VCC), independent of the reference voltage. Any combination of single-ended or differential inputs can be selected and the first conversion after a new channel selection is valid.ApplicationsDirect Sensor DigitizerDirect Temperature MeasurementInstrumentationIndustrial Process Control |
LTC248916-Bit 2-/4-Channel ∆Σ ADC with Easy Drive Input Current Cancellation and I2C Interface | Analog to Digital Converters (ADC) | 2 | Active | The LTC2489 is a 4-channel (2-channel differential), 16-bit, No Latency ΔΣ™ADC with Easy Drive technology and a 2-wire, I2C interface. The patented sampling scheme eliminates dynamic input current errors and the shortcomings of on-chip buffering through automatic cancellation of differential input current. This allows large external source impedances and rail-to-rail input signals to be directly digitized while maintaining exceptional DC accuracy.The LTC2489 includes an integrated oscillator. This device can be configured to measure an external signal from combinations of 4 analog input channels operating in single ended or differential modes. It automatically rejects line frequencies of 50Hz and 60Hz simultaneously.The LTC2489 allows a wide, common mode input range (0V to VCC), independent of the reference voltage. Any combination of single-ended or differential inputs can be selected and the first conversion, after a new channel is selected, is valid. Access to the multiplexer output enables optional external amplifiers to be shared between all analog inputs and auto calibration continuously removes their associated offset and drift.ApplicationsDirect Sensor DigitizerDirect Temperature MeasurementInstrumentationIndustrial Process Control |
LTC249224-Bit 2-/4-Channel ΔΣ ADC with Easy Drive Input Current Cancellation | Data Acquisition | 1 | Active | The LTC2492 is a 4-channel (2-channel differential), 24-bit, No Latency ΔΣ™ADC with Easy Drive technology. The patented sampling scheme eliminates dynamic input current errors and the shortcomings of on-chip buffering through automatic cancellation of differential input current. This allows large external source impedances and rail-to-rail input signals to be directly digitized while maintaining exceptional DC accuracy.The LTC2492 includes a high accuracy temperature sensor and an integrated oscillator. This device can be configured to measure an external signal (from combinations of 4 analog input channels operating in single-ended or differential modes) or its internal temperature sensor. It can be programmed to reject line frequencies of 50Hz, 60Hz, or simultaneous 50Hz/60Hz and configured to double its output rate. The integrated temperature sensor offers 1/30th°C resolution and 2°C absolute accuracy.The LTC2492 allows a wide common mode input range (0V to VCC), independent of the reference voltage. Any combination of single-ended or differential inputs can be selected and the first conversion after a new channel selection is valid.ApplicationsDirect Sensor DigitizerDirect Temperature MeasurementInstrumentationIndustrial Process Control |
LTC249324-Bit 2-/4-Channel ∆Σ ADC with Easy Drive Input Current Cancellation and I2C Interface | Integrated Circuits (ICs) | 1 | Active | The LTC2493 is a 4-channel (2-channel differential), 24-bit, No Latency ΔΣ™ADC with Easy Drive technology and a 2-wire, I2C interface. The patented sampling scheme eliminates dynamic input current errors and the shortcomings of on-chip buffering through automatic cancellation of differential input current. This allows large external source impedances and rail-to-rail input signals to be directly digitized while maintaining exceptional DC accuracy.The LTC2493 includes a high accuracy temperature sensor and an integrated oscillator. This device can be configured to measure an external signal (from combinations of 4 analog input channels operating in single- ended or differential modes) or its internal temperature sensor. The integrated temperature sensor offers 1/30th°C resolution and 2°C absolute accuracy.The LTC2493 allows a wide common mode input range (0V to VCC), independent of the reference voltage. Any combination of single-ended or differential inputs can be selected and the first conversion, after a new channel is selected, is valid. Access to the multiplexer output enables optional external amplifiers to be shared between all analog inputs and auto-calibration continuously removes their associated offset and drift.ApplicationsDirect Sensor DigitizerDirect Temperature MeasurementInstrumentationIndustrial Process Control |
LTC249416-Bit 8-/16-Channel ΔΣ ADC with PGA and Easy Drive Input Current Cancellation | Data Acquisition | 3 | Active | The LTC2494 is a 16-channel (8-differential), 16-bit, No Latency ΔΣ™ADC with Easy Drive technology. The patented sampling scheme eliminates dynamic input current errors and the shortcomings of on-chip buffering through automatic cancellation of differential input current. This allows large external source impedances, and rail-to-rail input signals to be directly digitized while maintaining exceptional DC accuracy.The LTC2494 includes programmable gain, a high accuracy temperature sensor and an integrated oscillator. This device can be configured to measure an external signal (from combinations of 16 analog input channels operating in single-ended or differential modes) or its internal temperature sensor. The integrated temperature sensor offers 1/2°C resolution and 2°C absolute accuracy. The LTC2494 can be configured to provide a programmable gain from 1 to 256 in 8 steps.The LTC2494 allows a wide common mode input range (0V to VCC), independent of the reference voltage. Any combination of single-ended or differential inputs can be selected and the first conversion, after a new channel is selected, is valid.ApplicationsDirect Sensor DigitizerDirect Temperature MeasurementInstrumentationIndustrial Process Control |
LTC249516-Bit 8-/16-Channel ΔΣ ADC with PGA, Easy Drive and I2C Interface | Data Acquisition | 2 | Active | The LTC2495 is a 16-channel (eight differential), 16-bit, No Latency ΔΣ™ADC with Easy Drive technology and a 2-wire, I2C interface. The patented sampling scheme eliminates dynamic input current errors and the shortcomings of on-chip buffering through automatic cancellation of differential input current. This allows large external source impedances and rail-to-rail input signals to be directly digitized while maintaining exceptional DC accuracy.The LTC2495 includes programmable gain, a high accuracy temperature sensor, and an integrated oscillator. This device can be configured to measure an external signal (from combinations of 16 analog input channels operating in single- ended or differential modes) or its internal temperature sensor. The integrated temperature sensor offers 1/2°C resolution and 2°C absolute accuracy. The LTC2495 can be configured to provide a programmable gain from 1 to 256 in 8 steps.The LTC2495 allows a wide common mode input range (0V to VCC), independent of the reference voltage. Any combination of single-ended or differential inputs can be selected and the first conversion, after a new channel is selected, is valid. Access to the multiplexer output enables optional external amplifiers to be shared between all analog inputs and auto calibration continuously removes their associated offset and drift.ApplicationsDirect Sensor DigitizerDirect Temperature MeasurementInstrumentationIndustrial Process Control |