A
Analog Devices
| Series | Category | # Parts | Status | Description |
|---|---|---|---|---|
| Part | Spec A | Spec B | Spec C | Spec D | Description |
|---|---|---|---|---|---|
| Series | Category | # Parts | Status | Description |
|---|---|---|---|---|
| Part | Spec A | Spec B | Spec C | Spec D | Description |
|---|---|---|---|---|---|
| Part | Category | Description |
|---|---|---|
Analog Devices ADM6713RAKSZ-REELObsolete | Integrated Circuits (ICs) | IC SUPERVISOR 1 CHANNEL SC70-4 |
Analog Devices | RF and Wireless | RF AMP SINGLE GENERAL PURPOSE RF AMPLIFIER 20GHZ 3.6V 22-PIN DIE TRAY |
Analog Devices | Integrated Circuits (ICs) | LOW NOISE, SWITCHED CAPACITOR REGULATED VOLTAGE INVERTERS |
Analog Devices | Integrated Circuits (ICs) | QUAD 16-BIT/12-BIT ±10V VOUTSOFTSPAN DACS WITH 10PPM/°C MAX REFERENCE |
Analog Devices | Integrated Circuits (ICs) | SERIAL 14-BIT, 3.5MSPS SAMPLING ADC WITH BIPOLAR INPUTS |
Analog Devices | Integrated Circuits (ICs) | ISOSPI ISOLATED COMMUNICATIONS INTERFACE |
Analog Devices | Integrated Circuits (ICs) | 4.5A, 500KHZ STEP-DOWN SWITCHING REGULATOR |
Analog Devices | Integrated Circuits (ICs) | 300 MA, LOW QUIESCENT CURRENT, ADJUSTABLE OUTPUT, CMOS LINEAR REGULATOR |
Analog Devices AD767KNObsolete | Integrated Circuits (ICs) | IC DAC 12BIT V-OUT 24DIP |
Analog Devices | Integrated Circuits (ICs) | QUAD 12-/10-/8-BIT RAIL-TO-RAIL DACS WITH 10PPM/°C REFERENCE |
| Series | Category | # Parts | Status | Description |
|---|---|---|---|---|
LTC2462Ultra-Tiny, 16-Bit ΔΣ ADCs with 10ppm/°C Max Precision Reference | Integrated Circuits (ICs) | 3 | Active | The LTC2460/LTC2462 are ultra tiny, 16-Bit analog-to-digital converters with an integrated precision reference. They use a single 2.7V to 5.5V supply and communicate through an SPI Interface. The LTC2460 is single-ended with a 0V to VREFinput range and the LTC2462 is differential with a ±VREFinput range. Both ADC’s include a 1.25V integrated reference with 2ppm/°C drift performance and 0.1% initial accuracy. The converters are available in a 12-pin DFN 3mm × 3mm package or an MSOP-12 package. They include an integrated oscillator and perform conversions with no latency for multiplexed applications. The LTC2460/LTC2462 include a proprietary input sampling scheme that reduces the average input current several orders of magnitude when compared to conventional delta sigma converters.Following a single conversion, the LTC2460/LTC2462 automatically power down the converter and can also be configured to power down the reference. When both the ADC and reference are powered down, the supply current is reduced to 200nA.The LTC2460/LTC2462 can sample at 60 conversions per second, and due to the very large oversampling ratio, have extremely relaxed antialiasing requirements. Both include continuous internal offset and full-scale calibration algorithms which are transparent to the user, ensuring accuracy over time and the operating temperature range.ApplicationsSystem MonitoringEnvironmental MonitoringDirect Temperature MeasurementsInstrumentationIndustrial Process ControlData AcquisitionEmbedded ADC Upgrades |
LTC2463Differential Ultra-Tiny, 16-Bit I2C ΔΣ ADCs with 10ppm/°C Max Precision Reference | Analog to Digital Converters (ADC) | 3 | Active | The LTC2461/LTC2463 are ultra tiny, 16-Bit analog to digital converters with an integrated precision reference. They use a single 2.7V to 5.5V supply and communicate through an I2C Interface. The LTC2461 is single-ended with a 0V to 1.25V input range and the LTC2463 is differential with a 1.25V input range. Both ADCs include a 1.25V integrated reference with 2ppm/°C drift performance and 0.1% initial accuracy. The converters are available in a 12-pin 3mm × 3mm DFN package or an MSOP-12 package. They include an integrated oscillator and perform conversions with no latency for multiplexed applications. The LTC2461/LTC2463 include a proprietary input sampling scheme that reduces the average input current several orders of magnitude when compared to conventional delta sigma converters.Following a single conversion, the LTC2461/LTC2463 automatically power down the converter and can also be configured to power down the reference. When both the ADC and reference are powered down, the supply current is reduced to 200nA.The LTC2461/LTC2463 can sample at 60 conversions per second and, due to the very large oversampling ratio, have extremely relaxed antialiasing requirements. Both include continuous internal offset and fullscale calibration algorithms which are transparent to the user, ensuring accuracy over time and the operating temperature range.ApplicationsSystem MonitoringEnvironmental MonitoringDirect Temperature MeasurementsInstrumentationData AcquisitionEmbedded ADC Upgrades |
LTC2470Selectable 208sps/833sps, 16-Bit ΔΣ ADCs with 10ppm/°C Max Precision Reference | Data Acquisition | 4 | Active | The LTC2470/LTC2472 are small, 16-bit analog-to-digital converters with an integrated precision reference and a selectable 208sps or 833sps output rate. They use a single 2.7V to 5.5V supply and communicate through a SPI Interface. The LTC2470 is single-ended with a 0V to VREFinput range and the LTC2472 is differential with a ±VREFinput range. Both ADC’s include a 1.25V integrated reference with 2ppm/°C drift performance and 0.1% initial accuracy. The converters are available in a 12-pin DFN 3mm × 3mm package or an MSOP-12 package. They include an integrated oscillator and perform conversions with no latency for multiplexed applications. The LTC2470/ LTC2472 include a proprietary input sampling scheme that reduces the average input current several orders of magnitude when compared to conventional delta sigma converters.Following a single conversion, the LTC2470/LTC2472 automatically power down the converter and can also be configured to power down the reference. When both the ADC and reference are powered down, the supply current is reduced to 200nA.The LTC2470/LTC2472 include a user selectable 208sps or 833sps output rate and due to a large oversampling ratio (8,192 at 208sps and 2,048 at 833sps) have relaxed anti-aliasing requirements.ApplicationsSystem MonitoringEnvironmental MonitoringDirect Temperature MeasurementsInstrumentationIndustrial Process ControlData AcquisitionEmbedded ADC Upgrades |
LTC2471Selectable 208sps/833sps, 16-Bit I2C ΔΣ ADCs with 10ppm/°C Max Precision Reference | Analog to Digital Converters (ADC) | 1 | Active | The LTC2471/LTC2473 are small, 16-bit analog-to-digital converters with an integrated precision reference and a selectable 208sps or 833sps output rate. They use a single 2.7V to 5.5V supply and communicate through an I2C Interface. The LTC2471 is single-ended with a 0V to VREFinput range and the LTC2473 is differential with a ±VREFinput range. Both ADCs include a 1.25V integrated reference with 2ppm/°C drift performance and 0.1% initial accuracy. The converters are available in a 12-pin DFN 3mm × 3mm package or an MSOP-12 package. They include an integrated oscillator and perform conversions with no latency for multiplexed applications. The LTC2471/LTC2473 include a proprietary input sampling scheme that reduces the average input current several orders of magnitude when compared to conventional delta sigma converters.Following a single conversion, the LTC2471/LTC2473 automatically power down the converter and can also be configured to power down the reference. When both the ADC and reference are powered down, the supply current is reduced to 200nA.The LTC2471/LTC2473 include a user selectable 208sps or 833sps output rate and due to a large oversampling ratio (8,192 at 208sps and 2,048 at 833sps) have relaxed anti-aliasing requirements.ApplicationsSystem MonitoringEnvironmental MonitoringDirect Temperature MeasurementsInstrumentationIndustrial Process ControlData AcquisitionEmbedded ADC Upgrades |
LTC2472Selectable 208sps/833sps, 16-Bit ΔΣ ADCs with 10ppm/°C Max Precision Reference | Analog to Digital Converters (ADC) | 3 | Active | The LTC2470/LTC2472 are small, 16-bit analog-to-digital converters with an integrated precision reference and a selectable 208sps or 833sps output rate. They use a single 2.7V to 5.5V supply and communicate through a SPI Interface. The LTC2470 is single-ended with a 0V to VREFinput range and the LTC2472 is differential with a ±VREFinput range. Both ADC’s include a 1.25V integrated reference with 2ppm/°C drift performance and 0.1% initial accuracy. The converters are available in a 12-pin DFN 3mm × 3mm package or an MSOP-12 package. They include an integrated oscillator and perform conversions with no latency for multiplexed applications. The LTC2470/ LTC2472 include a proprietary input sampling scheme that reduces the average input current several orders of magnitude when compared to conventional delta sigma converters.Following a single conversion, the LTC2470/LTC2472 automatically power down the converter and can also be configured to power down the reference. When both the ADC and reference are powered down, the supply current is reduced to 200nA.The LTC2470/LTC2472 include a user selectable 208sps or 833sps output rate and due to a large oversampling ratio (8,192 at 208sps and 2,048 at 833sps) have relaxed anti-aliasing requirements.ApplicationsSystem MonitoringEnvironmental MonitoringDirect Temperature MeasurementsInstrumentationIndustrial Process ControlData AcquisitionEmbedded ADC Upgrades |
LTC2473Selectable 208sps/833sps, 16-Bit I2C ΔΣ ADCs with 10ppm/°C Max Precision Reference | Integrated Circuits (ICs) | 4 | Active | The LTC2471/LTC2473 are small, 16-bit analog-to-digital converters with an integrated precision reference and a selectable 208sps or 833sps output rate. They use a single 2.7V to 5.5V supply and communicate through an I2C Interface. The LTC2471 is single-ended with a 0V to VREFinput range and the LTC2473 is differential with a ±VREFinput range. Both ADCs include a 1.25V integrated reference with 2ppm/°C drift performance and 0.1% initial accuracy. The converters are available in a 12-pin DFN 3mm × 3mm package or an MSOP-12 package. They include an integrated oscillator and perform conversions with no latency for multiplexed applications. The LTC2471/LTC2473 include a proprietary input sampling scheme that reduces the average input current several orders of magnitude when compared to conventional delta sigma converters.Following a single conversion, the LTC2471/LTC2473 automatically power down the converter and can also be configured to power down the reference. When both the ADC and reference are powered down, the supply current is reduced to 200nA.The LTC2471/LTC2473 include a user selectable 208sps or 833sps output rate and due to a large oversampling ratio (8,192 at 208sps and 2,048 at 833sps) have relaxed anti-aliasing requirements.ApplicationsSystem MonitoringEnvironmental MonitoringDirect Temperature MeasurementsInstrumentationIndustrial Process ControlData AcquisitionEmbedded ADC Upgrades |
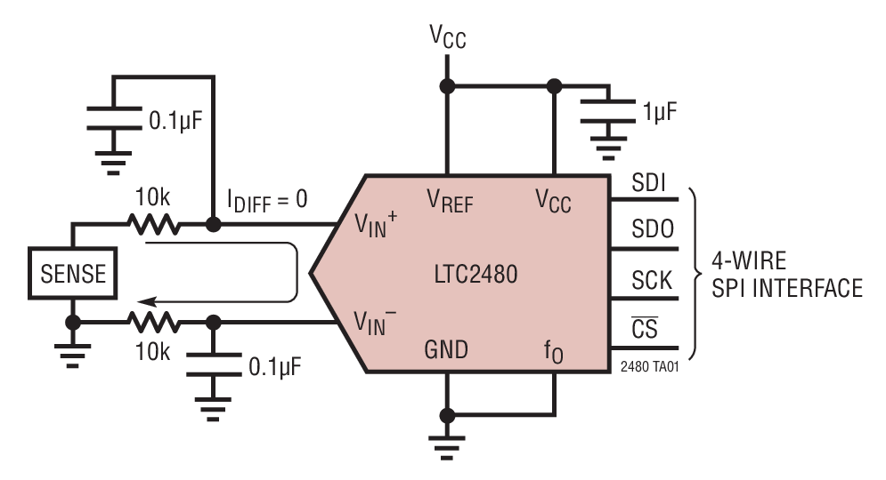
LTC248016-Bit ΔΣ ADC with Easy Drive Input Current Cancellation | Data Acquisition | 2 | Active | The LTC2480 combines a 16-bit plus sign No Latency ΔΣ™analog-to-digital converter with patented Easy Drive™technology. The patented sampling scheme eliminates dynamic input current errors and the shortcomings of onchip buffering through automatic cancellation of differential input current. This allows large external source impedances and input signals, with rail-to-rail input range to be directly digitized while maintaining exceptional DC accuracy.The LTC2480 includes on-chip programmable gain and an oscillator. The LTC2480 can be configured to provide a programmable gain from 1 to 256 in 8 steps, measure an external signal or internal temperature sensor and reject line frequencies. 50Hz, 60Hz or simultaneous 50Hz/60Hz line frequency rejection can be selected as well as a 2x speed-up mode.The LTC2480 allows a wide common mode input range (0V to VCC) independent of the reference voltage. The reference can be as low as 100mV or can be tied directly to VCC. The LTC2480 includes an on-chip trimmed oscillator eliminating the need for external crystals or oscillators. Absolute accuracy and low drift are automatically maintained through continuous, transparent, offset and full-scale calibration.ApplicationsDirect Sensor DigitizerWeight ScalesDirect Temperature MeasurementStrain Gauge TransducersInstrumentationIndustrial Process ControlDVMs and Meters |
LTC248116-Bit ∆Σ ADC with Easy Drive Input Current Cancellation and I²C Interface | Analog to Digital Converters (ADC) | 2 | Active | The LTC2481 combines a 16-bit plus sign No Latency ΔΣ™analog-to-digital converter with patented Easy Drive technology and I2C digital interface. The patented sampling scheme eliminates dynamic input current errors and the shortcomings of on-chip buffering through automatic cancellation of differential input current. This allows large external source impedances and input signals, with rail-torail input range to be directly digitized while maintaining exceptional DC accuracy.The LTC2481 includes on-chip programmable gain and an oscillator. The LTC2481 can be configured through an I2C interface to provide a programmable gain from 1 to 256 in 8 steps, to digitize an external signal or internal temperature sensor, reject line frequencies (50Hz, 60Hz or simultaneous 50Hz/60Hz) as well as a 2x speed-up mode.The LTC2481 allows a wide common mode input range (0V to VCC) independent of the reference voltage. The reference can be as low as 100mV or can be tied directly to VCC. The LTC2481 includes an on-chip trimmed oscillator eliminating the need for external crystals or oscillators. Absolute accuracy and low drift are automatically maintained through continuous, transparent, offset and full-scale calibration.ApplicationsDirect Sensor DigitizerWeight ScalesDirect Temperature MeasurementStrain Gauge TransducersInstrumentationIndustrial Process ControlDVMs and Meters |
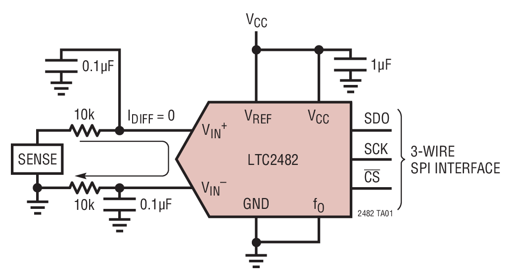
LTC248216-Bit ΔΣ ADC with Easy Drive Input Current Cancellation | Data Acquisition | 3 | Active | The LTC2482 combines a 16-bit plus sign No Latency ΔΣ™analog-to-digital converter with patented Easy Drive technology. The patented sampling scheme eliminates dynamic input current errors and the shortcomings of on-chip buffering through automatic cancellation of differential input current. This allows large external source impedances and input signals with rail-to-rail input range to be directly digitized while maintaining exceptional DC accuracy.The LTC2482 allows a wide common mode input range (0V to VCC) independent of the reference voltage. The reference can be as low as 100mV or can be tied directly to VCC. The noise level is 600nV RMS independent of VREF. This allows direct digitization of low level signals with 16-bit accuracy. The LTC2482 includes an on-chip trimmed oscillator, eliminating the need for external crystals or oscillators and provides 87dB rejection of 50Hz and 60Hz line frequency noise. Absolute accuracy and low drift are automatically maintained through continuous, transparent, offset and full-scale calibration.ApplicationsDirect Sensor DigitizerWeight ScalesDirect Temperature MeasurementStrain Gauge TransducersInstrumentationIndustrial Process ControlDVMs and Meters |
LTC248316-Bit ΔΣ ADC with Easy Drive Input Current Cancellation and I2C Interface | Data Acquisition | 1 | Active | The LTC2483 combines a 16-bit plus sign No Latency ΔΣ™analog-to-digital converter with patented Easy Drive technology and I2C digital interface. The patented sampling scheme eliminates dynamic input current errors and the shortcomings of on-chip buffering through automatic cancellation of differential input current. This allows large external source impedances and input signals, with rail-torail input range to be directly digitized while maintaining exceptional DC accuracy.The LTC2483 allows a wide common mode input range (0V to VCC) independent of the reference voltage. The reference can be as low as 100mV or can be tied directly to VCC. The noise level is 600nVRMSindependent of VREF. This allows direct digitization of low level signals with 16‑bit accuracy. The LTC2483 includes an on-chip trimmed oscillator, eliminating the need for external crystals or oscillators and provides 87dB rejection of 50Hz and 60Hz line frequency noise. Absolute accuracy and low drift are automatically maintained through continuous, transparent, offset and full-scale calibration.ApplicationDirect Sensor DigitizerWeight ScalesDirect Temperature MeasurementStrain Gauge TransducersInstrumentationIndustrial Process ControlDVMs and Meters |