A
Analog Devices
| Series | Category | # Parts | Status | Description |
|---|---|---|---|---|
| Part | Spec A | Spec B | Spec C | Spec D | Description |
|---|---|---|---|---|---|
| Series | Category | # Parts | Status | Description |
|---|---|---|---|---|
| Part | Spec A | Spec B | Spec C | Spec D | Description |
|---|---|---|---|---|---|
| Part | Category | Description |
|---|---|---|
Analog Devices ADM6713RAKSZ-REELObsolete | Integrated Circuits (ICs) | IC SUPERVISOR 1 CHANNEL SC70-4 |
Analog Devices | RF and Wireless | RF AMP SINGLE GENERAL PURPOSE RF AMPLIFIER 20GHZ 3.6V 22-PIN DIE TRAY |
Analog Devices | Integrated Circuits (ICs) | LOW NOISE, SWITCHED CAPACITOR REGULATED VOLTAGE INVERTERS |
Analog Devices | Integrated Circuits (ICs) | QUAD 16-BIT/12-BIT ±10V VOUTSOFTSPAN DACS WITH 10PPM/°C MAX REFERENCE |
Analog Devices | Integrated Circuits (ICs) | SERIAL 14-BIT, 3.5MSPS SAMPLING ADC WITH BIPOLAR INPUTS |
Analog Devices | Integrated Circuits (ICs) | ISOSPI ISOLATED COMMUNICATIONS INTERFACE |
Analog Devices | Integrated Circuits (ICs) | 4.5A, 500KHZ STEP-DOWN SWITCHING REGULATOR |
Analog Devices | Integrated Circuits (ICs) | 300 MA, LOW QUIESCENT CURRENT, ADJUSTABLE OUTPUT, CMOS LINEAR REGULATOR |
Analog Devices AD767KNObsolete | Integrated Circuits (ICs) | IC DAC 12BIT V-OUT 24DIP |
Analog Devices | Integrated Circuits (ICs) | QUAD 12-/10-/8-BIT RAIL-TO-RAIL DACS WITH 10PPM/°C REFERENCE |
| Series | Category | # Parts | Status | Description |
|---|---|---|---|---|
LTC2604Quad 16-Bit Rail-to-Rail DACs in 16-Lead SSOP | Data Acquisition | 4 | Active | The LTC2604/LTC2614/LTC2624 are quad 16-,14- and 12-bit 2.5V to 5.5V rail-to-rail voltage output DACs in 16-lead narrow SSOP packages. These parts have separate reference inputs for each DAC. They have built-in high performance output buffers and are guaranteed monotonic.These parts establish advanced performance standards for output drive, crosstalk and load regulation in single supply, voltage output multiples.The parts use a simple SPI/MICROWIRE compatible 3-wire serial interface which can be operated at clock rates up to 50MHz. Daisy-chain capability and a hardwareCLRfunction are included.The LTC2604/LTC2614/LTC2624 incorporate a poweron reset circuit. During power-up, the voltage outputs rise less than 10mV above zero scale; and after power-up, they stay at zero scale until a valid write and update take place. The power-on reset circuit resets the LTC2604-1/ LTC2614-1/LTC2624-1 to midscale. The voltage outputs stay at midscale until a valid write and update take place.ApplicationsMobile CommunicationsProcess Control and Industrial AutomationInstrumentationAutomatic Test Equipment |
LTC2605Octal I2C 16-Bit Rail-to-Rail DACs in 16-Lead SSOP | Data Acquisition | 4 | Active | The LTC2605/LTC2615/LTC2625 are octal 16-, 14- and 12-bit, 2.7V to 5.5V rail-to-rail voltage-output DACs in 16-lead narrow SSOP packages. They have built-in high performance output buffers and are guaranteed monotonic.These parts establish new board-density benchmarks for 16- and 14-bit DACs and advance performance standards for output drive, crosstalk and load regulation in single-supply, voltage-output multiples.The parts use the 2-wire I2C compatible serial interface. The LTC2605/LTC2615/LTC2625 operate in both the standard mode (maximum clock rate of 100kHz) and the fast mode (maximum clock rate of 400kHz).The LTC2605/LTC2615/LTC2625 incorporate a power-on reset circuit. During power-up, the voltage outputs rise less than 10mV above zero-scale; and after power-up, they stay at zero-scale until a valid write and update take place. The power-on reset circuit resets the LTC2605-1/LTC2615-1/LTC2625-1 to mid-scale. The voltage output stays at mid-scale until a valid write and update takes place.ApplicationsMobile CommunicationsProcess Control and Industrial AutomationInstrumentationAutomatic Test Equipment |
LTC260616-Bit Rail-to-Rail DACs with I2C Interface | Data Acquisition | 5 | Active | The LTC2606/LTC2616/LTC2626 are single 16-, 14- and 12-bit, 2.7V-to-5.5V rail-to-rail voltage output DACs in a 10-lead DFN package. They have built-in high performance output buffers and are guaranteed monotonic.These parts establish new board-density benchmarks for 16- and 14-bit DACs and advance performance standards for output drive and load regulation in single-supply, voltage-output DACs.The parts use a 2-wire, I2C compatible serial interface. The LTC2606/LTC2616/LTC2626 operate in both the standard mode (clock rate of 100kHz) and the fast mode (clock rate of 400kHz). An asynchronous DAC update pin (LDAC) is also included.The LTC2606/LTC2616/LTC2626 incorporate a power-on reset circuit. During power-up, the voltage outputs rise less than 10mV above zero scale; and after power-up, they stay at zero scale until a valid write and update take place. The power-on reset circuit resets the LTC2606-1/LTC2616-1/LTC2626-1 to midscale. The voltage outputs stay at midscale until a valid write and update take place.ApplicationsMobile CommunicationsProcess Control and Industrial AutomationInstrumentationAutomatic Test Equipment |
LTC260716-Bit Dual Rail-to-Rail DACs with I²C Interface | Integrated Circuits (ICs) | 4 | Active | The LTC2607/LTC2617/LTC2627 are dual 16-, 14- and 12-bit, 2.7V to 5.5V rail-to-rail voltage output DACs in a 12-lead DFN package. They have built-in high performance output buffers and are guaranteed monotonic.These parts establish new board-density benchmarks for 16- and 14-bit DACs and advance performance standards for output drive and load regulation in single-supply, voltage-output DACs.The parts use a 2-wire, I2C compatible serial interface. The LTC2607/LTC2617/LTC2627 operate in both the standard mode (clock rate of 100kHz) and the fast mode (clock rate of 400kHz). An asynchronous DAC update pin (LDAC) is also included.The LTC2607/LTC2617/LTC2627 incorporate a power-on reset circuit. During power-up, the voltage outputs rise less than 10mV above zero scale; and after power-up, they stay at zero scale until a valid write and update take place. The power-on reset circuit resets the LTC2607-1/LTC2617-1/ LTC2627-1 to mid-scale. The voltage outputs stay at midscale until a valid write and update takes place.ApplicationsMobile CommunicationsProcess Control and Industrial AutomationInstrumentationAutomatic Test Equipment |
LTC2609Quad 16-/14-/12-Bit Rail-to-Rail DACs with I2C Interface | Digital to Analog Converters (DAC) | 4 | Active | The LTC2609/LTC2619/LTC2629 are quad 16-, 14- and 12- bit, 2.7V to 5.5V rail-to-rail voltage output DACs in a 16‑lead SSOP package. They have built-in high performance output buffers and are guaranteed monotonic.These parts establish new board-density benchmarks for 16- and 14-bit DACs and advance performance standards for output drive and load regulation in single-supply, voltage- output DACs.The parts use a 2-wire, I2C compatible serial interface. The LTC2609/LTC2619/LTC2629 operate in both the standard mode (clock rate of 100kHz) and the fast mode (clock rate of 400kHz).The LTC2609/LTC2619/LTC2629 incorporate a power-on reset circuit. During power-up, the voltage outputs rise less than 10mV above zero-scale; after power-up, they stay at zero-scale until a valid write and update take place. The power-on reset circuit resets the LTC2609-1/LTC2619‑1/ LTC2629-1 to mid-scale. The voltage outputs stay at midscale until a valid write and update take place.ApplicationsMobile CommunicationsProcess Control and Industrial AutomationAutomatic Test Equipment and Instrumentation |
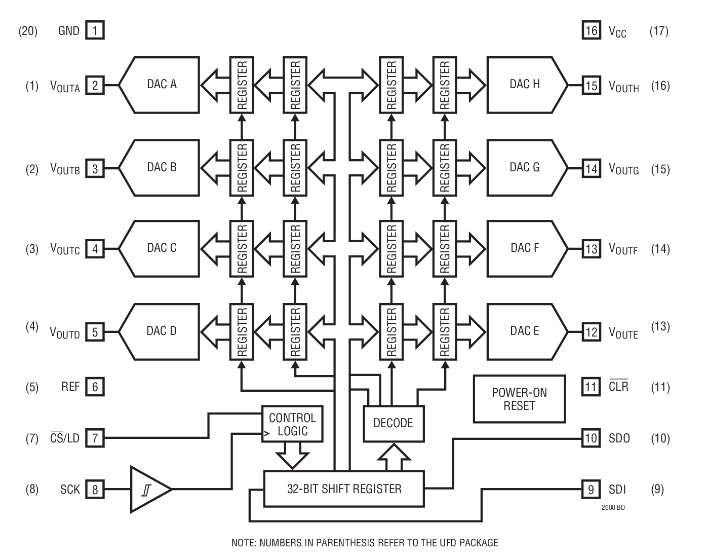
LTC2610Octal 14-Bit Rail-to-Rail DACs in 16-Lead SSOP | Digital to Analog Converters (DAC) | 4 | Active | The LTC2600/LTC2610/LTC2620 are octal 16-, 14- and 12-bit, 2.5V-to-5.5V rail-to-rail voltage-output DACs in 16-lead narrow SSOP and 20-lead 4mm × 5mm QFN packages. They have built-in high performance output buffers and are guaranteed monotonic.These parts establish new board-density benchmarks for 16- and 14-bit DACs and advance performance standards for output drive, crosstalk and load regulation in single-supply, voltage-output multiples.The parts use a simple SPI/MICROWIRE compatible 3-wire serial interface which can be operated at clock rates up to 50MHz. Daisy-chain capability and a hardware CLR function are included.The LTC2600/LTC2610/LTC2620 incorporate a power-on reset circuit. During power-up, the voltage outputs rise less than 10mV above zero-scale; and after power-up, they stay at zero-scale until a valid write and update take place.ApplicationsMobile CommunicationsProcess Control and Industrial AutomationInstrumentationAutomatic Test Equipment |
LTC261114-Bit Rail-to-Rail DACs in 10-Lead DFN | Digital to Analog Converters (DAC) | 2 | Active | The LTC2601/LTC2611/LTC2621 are single 16-, 14- and 12-bit, 2.5V-to-5.5V rail-to-rail voltage output DACs in a 10-lead DFN package. They have built-in high performance output buffers and are guaranteed monotonic.These parts establish new board-density benchmarks for 16- and 14-bit DACs and advance performance standards for output drive and load regulation in single-supply, voltage-output DACs.The parts use a simple SPI/MICROWIRE compatible 3-wire serial interface which can be operated at clock rates up to 50MHz. Daisy-chain capability, hardwareCLRand asynchronous DAC update (LDAC) pins are included.The LTC2601/LTC2611/LTC2621 incorporate a power-on reset circuit. During power-up, the voltage outputs rise less than 10mV above zero scale until a valid write and update take place. The power-on reset circuit resets the LTC2601-1/LTC2611-1/LTC2621-1 to midscale. The voltage outputs stay at midscale until a valid write and update take place.ApplicationsMobile CommunicationsProcess Control and Industrial AutomationInstrumentationAutomatic Test Equipment |
LTC2612Dual 14-Bit Rail-to-Rail DACs in 8-Lead MSOP | Data Acquisition | 4 | Active | The LTC2602/LTC2612/LTC2622 are dual 16-,14- and 12-bit, 2.5V-to-5.5V rail-to-rail voltage-output DACs, in a tiny 8-lead MSOP package. They have built-in high performance output buffers and are guaranteed monotonic.These parts establish advanced performance standards for output drive, crosstalk and load regulation in single-supply, voltage output multiples.The parts use a simple SPI/MICROWIRE™compatible 3-wire serial interface which can be operated at clock rates up to 50MHz.The LTC2602/LTC2612/LTC2622 incorporate a power-on reset circuit. During power-up, the voltage outputs rise less than 10mV above zero scale, and after power-up, they stay at zero scale until a valid write and update take place.ApplicationsMobile CommunicationsProcess Control and Industrial AutomationInstrumentationAutomatic Test Equipment |
LTC2614Quad 14-Bit Rail-to-Rail DACs in 16-Lead SSOP | Digital to Analog Converters (DAC) | 2 | Active | The LTC2604/LTC2614/LTC2624 are quad 16-,14- and 12-bit 2.5V to 5.5V rail-to-rail voltage output DACs in 16-lead narrow SSOP packages. These parts have separate reference inputs for each DAC. They have built-in high performance output buffers and are guaranteed monotonic.These parts establish advanced performance standards for output drive, crosstalk and load regulation in single supply, voltage output multiples.The parts use a simple SPI/MICROWIRE compatible 3-wire serial interface which can be operated at clock rates up to 50MHz. Daisy-chain capability and a hardwareCLRfunction are included.The LTC2604/LTC2614/LTC2624 incorporate a poweron reset circuit. During power-up, the voltage outputs rise less than 10mV above zero scale; and after power-up, they stay at zero scale until a valid write and update take place. The power-on reset circuit resets the LTC2604-1/ LTC2614-1/LTC2624-1 to midscale. The voltage outputs stay at midscale until a valid write and update take place.ApplicationsMobile CommunicationsProcess Control and Industrial AutomationInstrumentationAutomatic Test Equipment |
LTC2615Octal 14-Bit Rail-to-Rail DACs in 16-Lead SSOP | Digital to Analog Converters (DAC) | 4 | Active | The LTC2605/LTC2615/LTC2625 are octal 16-, 14- and 12-bit, 2.7V to 5.5V rail-to-rail voltage-output DACs in 16-lead narrow SSOP packages. They have built-in high performance output buffers and are guaranteed monotonic.These parts establish new board-density benchmarks for 16- and 14-bit DACs and advance performance standards for output drive, crosstalk and load regulation in single-supply, voltage-output multiples.The parts use the 2-wire I2C compatible serial interface. The LTC2605/LTC2615/LTC2625 operate in both the standard mode (maximum clock rate of 100kHz) and the fast mode (maximum clock rate of 400kHz).The LTC2605/LTC2615/LTC2625 incorporate a power-on reset circuit. During power-up, the voltage outputs rise less than 10mV above zero-scale; and after power-up, they stay at zero-scale until a valid write and update take place. The power-on reset circuit resets the LTC2605-1/LTC2615-1/LTC2625-1 to mid-scale. The voltage output stays at mid-scale until a valid write and update takes place.ApplicationsMobile CommunicationsProcess Control and Industrial AutomationInstrumentationAutomatic Test Equipment |