A
Analog Devices
| Series | Category | # Parts | Status | Description |
|---|---|---|---|---|
| Part | Spec A | Spec B | Spec C | Spec D | Description |
|---|---|---|---|---|---|
| Series | Category | # Parts | Status | Description |
|---|---|---|---|---|
| Part | Spec A | Spec B | Spec C | Spec D | Description |
|---|---|---|---|---|---|
| Part | Category | Description |
|---|---|---|
Analog Devices ADM6713RAKSZ-REELObsolete | Integrated Circuits (ICs) | IC SUPERVISOR 1 CHANNEL SC70-4 |
Analog Devices | RF and Wireless | RF AMP SINGLE GENERAL PURPOSE RF AMPLIFIER 20GHZ 3.6V 22-PIN DIE TRAY |
Analog Devices | Integrated Circuits (ICs) | LOW NOISE, SWITCHED CAPACITOR REGULATED VOLTAGE INVERTERS |
Analog Devices | Integrated Circuits (ICs) | QUAD 16-BIT/12-BIT ±10V VOUTSOFTSPAN DACS WITH 10PPM/°C MAX REFERENCE |
Analog Devices | Integrated Circuits (ICs) | SERIAL 14-BIT, 3.5MSPS SAMPLING ADC WITH BIPOLAR INPUTS |
Analog Devices | Integrated Circuits (ICs) | ISOSPI ISOLATED COMMUNICATIONS INTERFACE |
Analog Devices | Integrated Circuits (ICs) | 4.5A, 500KHZ STEP-DOWN SWITCHING REGULATOR |
Analog Devices | Integrated Circuits (ICs) | 300 MA, LOW QUIESCENT CURRENT, ADJUSTABLE OUTPUT, CMOS LINEAR REGULATOR |
Analog Devices AD767KNObsolete | Integrated Circuits (ICs) | IC DAC 12BIT V-OUT 24DIP |
Analog Devices | Integrated Circuits (ICs) | QUAD 12-/10-/8-BIT RAIL-TO-RAIL DACS WITH 10PPM/°C REFERENCE |
| Series | Category | # Parts | Status | Description |
|---|---|---|---|---|
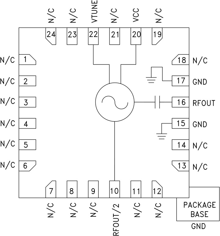
HMC736MMIC VCO w/ Half Frequency Output, 14.5 - 15.0 GHz | RF and Wireless | 2 | Active | The HMC736 is a GaAs InGaP Heterojunction Bipolar Transistor (HBT) MMIC VCO. The HMC736 integrates a resonator, negative resistance device, varactor diode and feature half frequency output. The VCO's phase noise performance is excellent over temperature, shock, and process due to the oscillator's monolithic structure. Power output is +9 dBm typical from a +4.2V supply voltage. The voltage controlled oscillator is packaged in a leadless QFN 4×4 mm surface mount package, and requires no external matching components.APPLICATIONSPoint-to-Multi-Point RadiosTest Equipment & Industrial ControlsSATCOMMilitary End-Use |
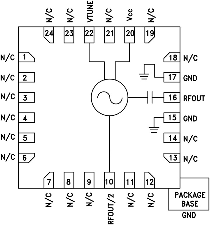
HMC737MMIC VCO w/ Half Frequency Output, 14.9 - 15.5 GHz | Development Boards, Kits, Programmers | 1 | Active | The HMC737 is a GaAs InGaP Heterojunction Bipolar Transistor (HBT) MMIC VCO. The HMC737 integrate a resonator, negative resistance device, varactor diode and feature half frequency output. The VCO's phase noise performance is excellent over temperature, shock, and process due to the oscillator's monolithic structure. Power output is +9 dBm typical from a +4.2V supply voltage. The voltage controlled oscillator is packaged in a leadless QFN 4x4 mm surface mount package, and requires no external matching components.APPLICATIONSPoint-to-Multi-Point RadiosTest Equipment & Industrial ControlsSATCOMMilitary End-Use |
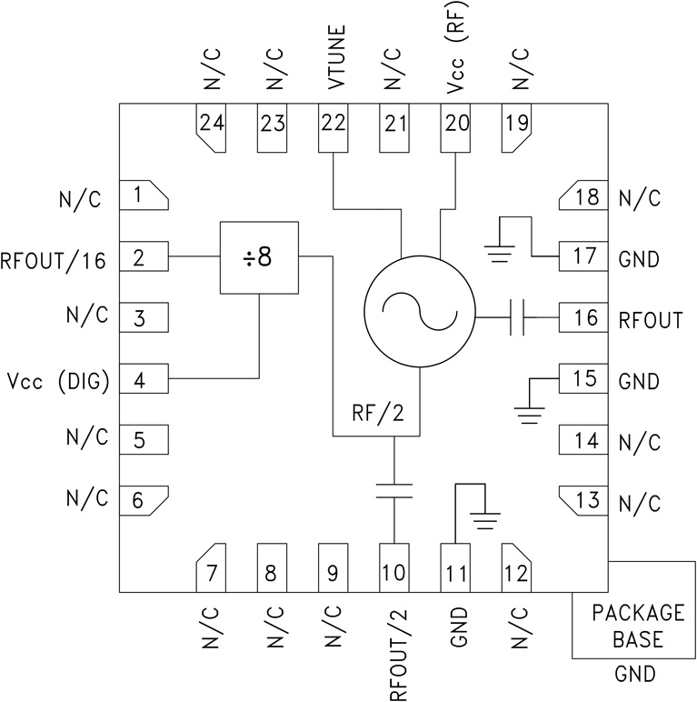
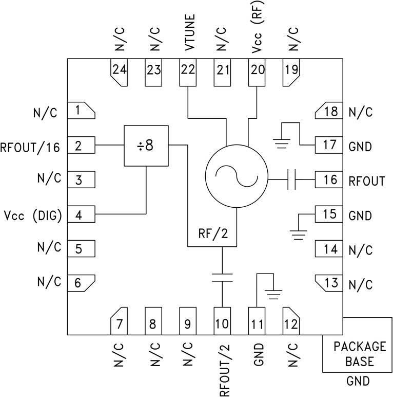
HMC738MMIC VCO with Half Frequency Output & Divide-by-16, 20.9 - 23.9 GHz | RF Misc ICs and Modules | 1 | Active | The HMC738 is a GaAs InGaP Heterojunction Bipolar Transistor (HBT) MMIC VCO. The HMC738 integrates a resonator, negative resistance device, varactor diode and divide-by-16 prescaler. The VCOs phase noise performance is excellent over temperature, shock, and process due to the oscillator's monolithic structure. Power output is +9 dBm typical from a 5V supply voltage. The voltage controlled oscillator is packaged in a low cost leadless QFN 4x4 mm surface mount package.APPLICATIONSPoint-to-Point RadiosPoint-to-Multi-Point Radios/LMDSVSAT |
| RF Misc ICs and Modules | 3 | Active | ||
| Development Boards, Kits, Programmers | 2 | Active | ||
| RF and Wireless | 1 | Obsolete | ||
| RF Amplifiers | 1 | Obsolete | ||
| RF Amplifiers | 1 | Obsolete | ||
| Clock Buffers, Drivers | 2 | Active | ||
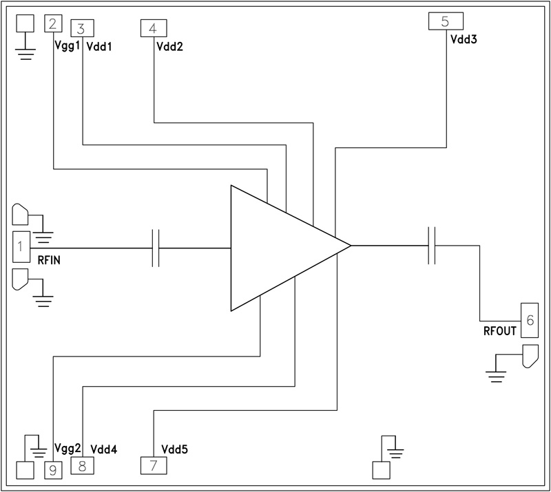
HMC7441GaAs pHEMT MMIC 2 Watt Power Amplifier, 27.5 - 31 GHz | RF Amplifiers | 2 | Active | The HMC7441 is a three-stage GaAs pHEMT Power Amplifier which operates between 27.5 and 31 GHz. The amplifier provides 23 dB of gain and +34 dBm of saturated output power at 25% PAE from a 6V supply. With an excellent output IP3 of +38 dBm, the HMC7441 is ideal for linear applications such as Ka-band VSAT or high capacity point-to-point or point-to-multi-point radios demanding +34 dBm of efficient saturated output power. The RF I/Os are DC blocked and matched to 50 Ohms for ease of integration into Multi-Chip-Modules (MCMs). All data taken with the chip in a 50 Ohm test fixture connected via (1) 0.025mm (1 mil) diameter wire bonds of 0.31 mm (12 mil) length.ApplicationsPoint-to-Point RadiosPoint-to-Multi-Point RadiosVSAT & SATCOMMilitary & Space |