A
Analog Devices
| Series | Category | # Parts | Status | Description |
|---|---|---|---|---|
| Part | Spec A | Spec B | Spec C | Spec D | Description |
|---|---|---|---|---|---|
| Series | Category | # Parts | Status | Description |
|---|---|---|---|---|
| Part | Spec A | Spec B | Spec C | Spec D | Description |
|---|---|---|---|---|---|
| Part | Category | Description |
|---|---|---|
Analog Devices ADM6713RAKSZ-REELObsolete | Integrated Circuits (ICs) | IC SUPERVISOR 1 CHANNEL SC70-4 |
Analog Devices | RF and Wireless | RF AMP SINGLE GENERAL PURPOSE RF AMPLIFIER 20GHZ 3.6V 22-PIN DIE TRAY |
Analog Devices | Integrated Circuits (ICs) | LOW NOISE, SWITCHED CAPACITOR REGULATED VOLTAGE INVERTERS |
Analog Devices | Integrated Circuits (ICs) | QUAD 16-BIT/12-BIT ±10V VOUTSOFTSPAN DACS WITH 10PPM/°C MAX REFERENCE |
Analog Devices | Integrated Circuits (ICs) | SERIAL 14-BIT, 3.5MSPS SAMPLING ADC WITH BIPOLAR INPUTS |
Analog Devices | Integrated Circuits (ICs) | ISOSPI ISOLATED COMMUNICATIONS INTERFACE |
Analog Devices | Integrated Circuits (ICs) | 4.5A, 500KHZ STEP-DOWN SWITCHING REGULATOR |
Analog Devices | Integrated Circuits (ICs) | 300 MA, LOW QUIESCENT CURRENT, ADJUSTABLE OUTPUT, CMOS LINEAR REGULATOR |
Analog Devices AD767KNObsolete | Integrated Circuits (ICs) | IC DAC 12BIT V-OUT 24DIP |
Analog Devices | Integrated Circuits (ICs) | QUAD 12-/10-/8-BIT RAIL-TO-RAIL DACS WITH 10PPM/°C REFERENCE |
| Series | Category | # Parts | Status | Description |
|---|---|---|---|---|
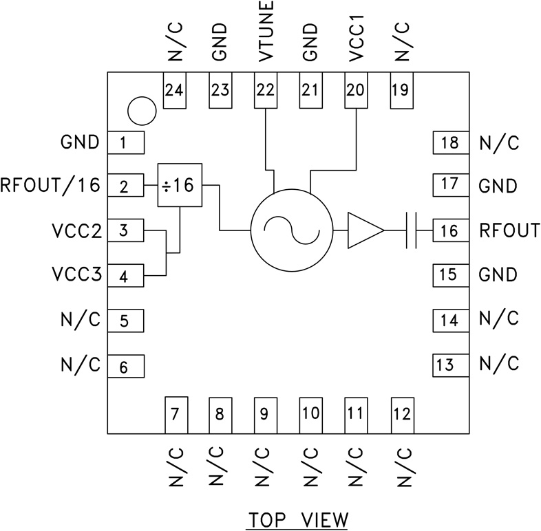
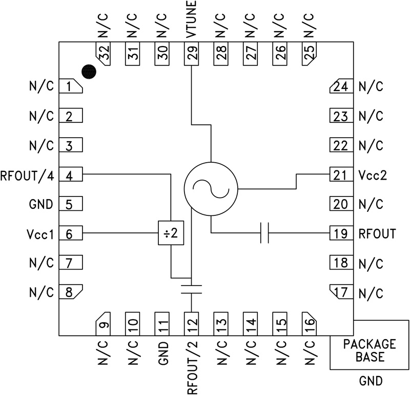
HMC531VCO SMT with Fo/2 & Divide-by-4, 13.6 - 14.9 GHz | RF Evaluation and Development Kits, Boards | 3 | Active | The HMC531LP5(E) is a GaAs InGaP Heterojunction Bipolar Transistor (HBT) MMIC VCO. The HMC531LP5(E) integrates resonators, negative resistance devices, varactor diodes and feature half frequency and divide-by-4 outputs. The VCO’s phase noise performance is excellent over temperature, shock, and process due to the oscillator’s monolithic structure. Power output is +7 dBm typical from a +5V supply voltage. The prescaler function can be disabled to conserve current if not required. The voltage controlled oscillator is packaged in a leadless QFN 5×5 mm surface mount package, and requires no external matching components.APPLICATIONSVSAT RadioPoint-to-Point/Multi-point RadioTest Equipment & Industrial ControlsMilitary End-Use |
| RF and Wireless | 2 | Active | ||
| RF and Wireless | 2 | Active | ||
HMC536MS8G3 Watt SPDT T/R Switch SMT, DC - 6 GHz | RF and Wireless | 4 | Active | The HMC536LP2(E) is a DC to 6 GHz GaAs MMIC T/R switch in leadless 2x2 mm DFN LP2 surface mount packages with an exposed ground paddle. The switch is ideal for cellular, WiMAX, & WiBro access point and subscriber applications featuring low 0.6 dB insertion loss and high +54 dBm input IP3. Power handling is excellent up through 6 GHz with the switch offering a P0.1dB compression point of +29 dBm at +3V and +33 dBm at +5V control. On-chip circuitry allows positive voltage control of 0/+3V or 0/+5V at very low DC currents. The HMC536LP2(E) occupies only 4 mm² and are ideal for applications where small size is required.APPLICATIONSCellular/PCS/3G InfrastructureWiMAX, WiBro & Fixed WirelessCATV/CMTSTest Instrumentation |
HMC538600° Analog Phase Shifter SMT, 6 - 15 GHz | RF Misc ICs and Modules | 2 | Obsolete | The HMC538LP4(E) is an Analog Phase Shifter which is controlled via an analog control voltage from 0 to +5V. The HMC538LP4(E) provides a continuously variable phase shift of 0 to 800 degrees at 6 GHz, and 0 to 450 degrees at 16 GHz, with consistent insertion loss versus phase shift. The phase shift is monotonic with respect to control voltage. The control port has a modulation bandwidth of 50 MHz.The low insertion loss and compact size enable this part to be used in a wide range of applications, including the phase adjustment of clocks in fiber optic systems and test equipment. The HMC538LP4(E) is housed in leadless QFN surface mount package and is available in both standard and RoHS compliant versions.ApplicationsFiber OpticsMilitaryTest Equipment |
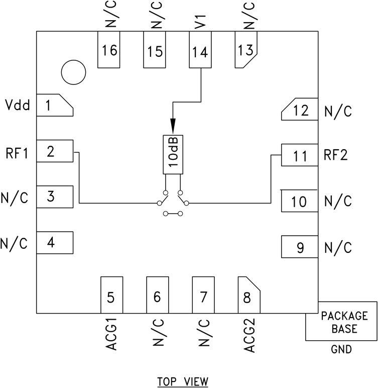
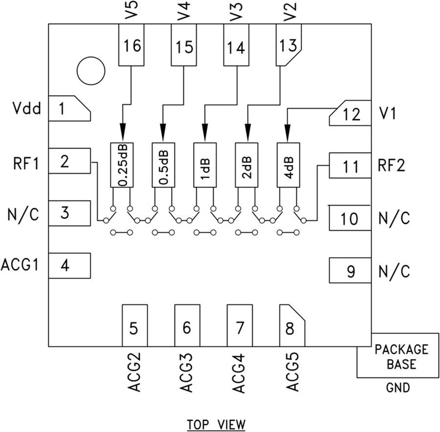
HMC539A0.25 dB LSB GaAs MMIC 5-BIT Digital Positive Control Attenuator, DC - 4 GHz | RF and Wireless | 2 | Active | The HMC539ALP3/539ALP3E is a broadband 5-bit GaAs IC digital attenuator in a low cost leadless surface mount package. This single positive control line per bit digital attenuator utilizes an off chip AC ground capacitor for near DC operation, making it suitable for a wide variety of RF and IF applications. Covering DC to 4 GHz, the insertion loss is less than 0.7 dB typical. The attenuator bit values are 0.25 (LSB), 0.5, 1, 2, and 4 dB for a total attenuation of 7.75 dB. Attenuation accuracy is excellent at ± 0.05 dB typical step error. The attenu- ator also features a high IIP3 of +62 dBm. Five TTL/ CMOS control inputs are used to select each attenuation state. A single Vdd bias of +3V to +5V is required.ApplicationsCellular infrastructureISM, MMDS, WLAN, WiMAX, WiBroMicrowave radio and VSATTest equipment and sensors |
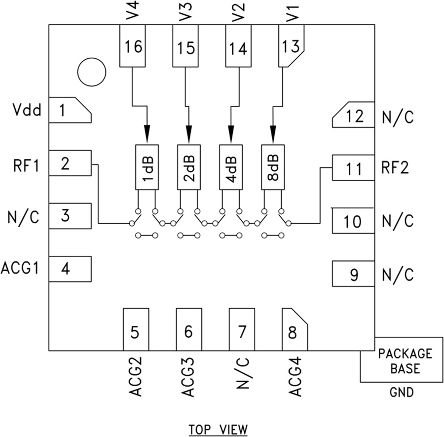
HMC540S1 dB LSB Silicon MMIC 4-Bit Digital Positive Control Attenuator, 0.1 - 8 GHz | RF and Wireless | 2 | Active | The HMC540SLP3E is a broadband 4-bit Silicon IC digital attenuator in a low cost leadless surface mount package. This single positive control line per bit digital attenuator utilizes off chip AC ground capacitors for near DC operation, making it suitable for a wide variety of RF and IF applications. Covering 0.1 to 8 GHz, the insertion loss is less than 1 dB typical. The attenuator bit values are 1 (LSB), 2, 4 and 8 dB for a total attenuation of 15 dB. Attenuation accuracy is excellent at ± 0.2 dB typical step error. The attenuator also features a IIP3 of +56dBm. Four TTL/CMOS control inputs are used to select each attenuation state. It can operate with a single Vdd ranging from +3.3V to 5V.APPLICATIONSCellular InfrastructureISM, MMDS, WLAN, WiMAX, WiBroMicrowave Radio & VSATTest Equipment and Sensors |
HMC54110dB LSB 1-Bit Digital Attenuator SMT, DC - 5 GHz | RF, RFID, Wireless Evaluation Boards | 2 | Obsolete | The HMC541LP3(E) is a broadband 1-bit GaAs IC digital attenuator in low cost leadsurface mount package. This single positive control line digital attenuator utilizes off chip AC ground capacitors for near DC operation, making it suitable for a wide variety of RF and IF applications. Covering DC to 5 GHz, the insertion loss is less than 1 dB typical. Attenuation accuracy is excellent at ± 0.2 dB typical step error. The attenuator also features a high IIP3 of +50 dBm. One TTL/CMOS control input is used to select the attenuation state. A single Vdd bias of +5V is required.ApplicationsCellular InfrastructureISM, MMDS, WLAN, WiMAX, WiBroMicrowave Radio & VSATTest Equipment & Sensors |
HMC542B0.5dB LSB GaAs MMIC 6-Bit Digital Serial Control Attenuator, DC - 4 GHz | Attenuators | 1 | Active | The HMC542BLP4E is a broadband 6-bit GaAs IC digital attenuator with a CMOS compatible serial to parallel driver in low cost leadless surface mount package. This serial control digital attenuator incorporates off chip AC ground capacitors for near DC operation, making it suitable for a wide variety of RF and IF applications. Covering DC to 4 GHz, the insertion loss is 1.7 dB and the attenuator bit values are 0.5 (LSB), 1, 2, 4, 8, and 16 dB for a total attenuation of 31.5 dB. Attenuation accuracy is excellent at ±0.25 dB typical step error with an IIP3 of +50 dBm. Six bit serial control words are used to select each attenuation state. A single VCCbias of +5V is required.APPLICATIONSCellular/PCS/3G InfrastructureISM, MMDS, WLAN, WiMAX, & WiBroMicrowave Radio & VSATTest Equipment and Sensors |
HMC543A22.5° MMIC 4-Bit Digital Phase Shifter, 8 - 12 GHz | RF and Wireless | 2 | Obsolete | The HMC543ALC4B is a 4-bit digital phase shifter which is rated from 8 to 12 GHz, providing 0 to 360 degrees of phase coverage, with a LSB of 22.5 degrees. The HMC543ALC4B features very low RMS phase error of 4 degrees and extremely low insertion loss variation of ±0.8 dB across all phase states. This high accuracy phase shifter is controlled with complementary logic of 0/-3V, and requires no fixed bias voltage. The HMC543ALC4B is housed in a compact 4x4 mm ceramic leadless SMT package and is internally matched to 50 Ohms with no external components. Simple external level shifting circuitry can be used to convert a positive CMOS control voltage into complementary negative control signals.ApplicationsEW receiversWeather & military radarSatellite communicationsBeamforming modules |