A
Analog Devices
| Series | Category | # Parts | Status | Description |
|---|---|---|---|---|
| Part | Spec A | Spec B | Spec C | Spec D | Description |
|---|---|---|---|---|---|
| Series | Category | # Parts | Status | Description |
|---|---|---|---|---|
| Part | Spec A | Spec B | Spec C | Spec D | Description |
|---|---|---|---|---|---|
| Part | Category | Description |
|---|---|---|
Analog Devices ADM6713RAKSZ-REELObsolete | Integrated Circuits (ICs) | IC SUPERVISOR 1 CHANNEL SC70-4 |
Analog Devices | RF and Wireless | RF AMP SINGLE GENERAL PURPOSE RF AMPLIFIER 20GHZ 3.6V 22-PIN DIE TRAY |
Analog Devices | Integrated Circuits (ICs) | LOW NOISE, SWITCHED CAPACITOR REGULATED VOLTAGE INVERTERS |
Analog Devices | Integrated Circuits (ICs) | QUAD 16-BIT/12-BIT ±10V VOUTSOFTSPAN DACS WITH 10PPM/°C MAX REFERENCE |
Analog Devices | Integrated Circuits (ICs) | SERIAL 14-BIT, 3.5MSPS SAMPLING ADC WITH BIPOLAR INPUTS |
Analog Devices | Integrated Circuits (ICs) | ISOSPI ISOLATED COMMUNICATIONS INTERFACE |
Analog Devices | Integrated Circuits (ICs) | 4.5A, 500KHZ STEP-DOWN SWITCHING REGULATOR |
Analog Devices | Integrated Circuits (ICs) | 300 MA, LOW QUIESCENT CURRENT, ADJUSTABLE OUTPUT, CMOS LINEAR REGULATOR |
Analog Devices AD767KNObsolete | Integrated Circuits (ICs) | IC DAC 12BIT V-OUT 24DIP |
Analog Devices | Integrated Circuits (ICs) | QUAD 12-/10-/8-BIT RAIL-TO-RAIL DACS WITH 10PPM/°C REFERENCE |
| Series | Category | # Parts | Status | Description |
|---|---|---|---|---|
| Evaluation Boards | 1 | Active | ||
HMC1057GaAs MMIC Sub-Harmonic I/Q Mixer, 71 - 86 GHz | RF and Wireless | 1 | Active | The HMC1057 is a sub-harmonically pumped MMIC Mixer which can be used as either an Image reject mixer (IRM) or a single sideband upconverter. This passsive MMIC mixer is fabricated with GaAs Shottky diode technology. For downconversion applications, an external quadrature hybrid can be used to select the desired sideband while rejecting image signals. All bond pads and the die backside are Ti/Au metallized and the Shottky devices are fully passivated for reliable operation. All data shown herein is measured with the chip in a 50 Ohm environment and contacted with RF probes.APPLICATIONSShort Haul/High Capacity RadiosTest Equipment & SensorsMilitary End-UseE-Band Communications SystemsAutomotive Radar |
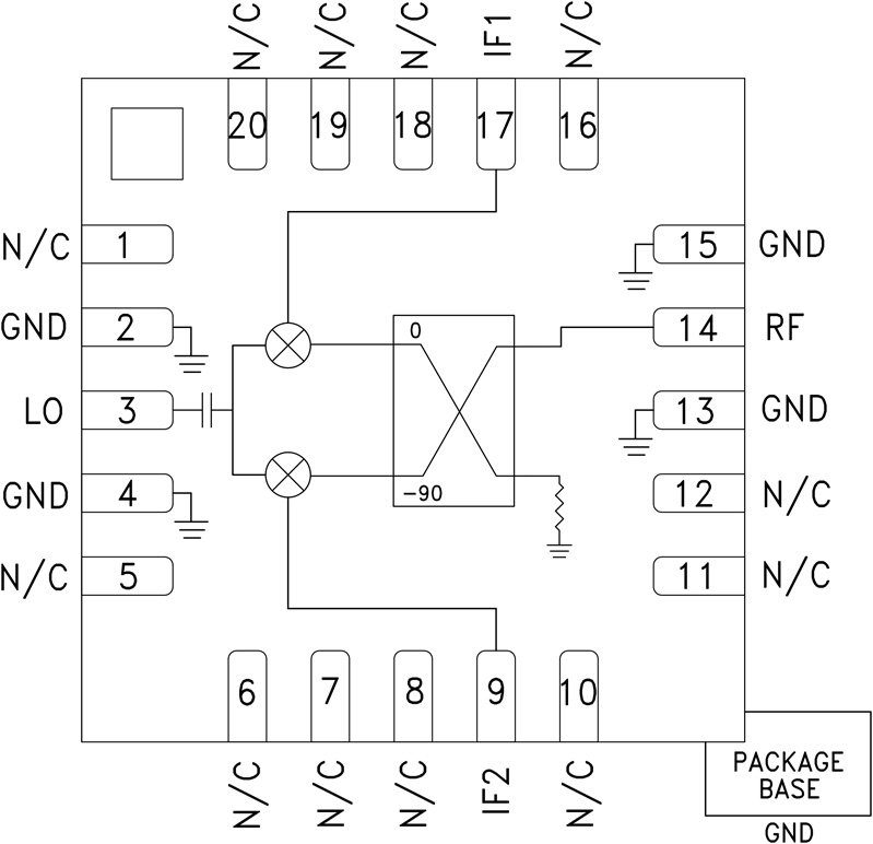
HMC1063GaAs MMIC I/Q Mixer, 24 - 28 GHz | Development Boards, Kits, Programmers | 1 | Active | The HMC1063LP3E is a compact I/Q MMIC mixer in a leadless "Pb free" SMT package, which can be used as either an Image Reject Mixer or a Single Sideband Upconverter. The mixer utilizes two standard Hittite double balanced mixer cells and a 90 degree hybrid fabricated in a GaAs Schottky diode process. A low frequency quadrature hybrid was used to produce a 1000 MHz LSB IF output. This product is a much smaller alternative to hybrid style Image Reject Mixers and Single Sideband Upconverter assemblies. The HMC1063LP3E eliminates the need for wire bonding and allows the use of surface mount manufacturing techniques.APPLICATIONSPoint-to-Point andPoint-to-Multi-Point RadioMilitary Radar, EW & ELINTSatellite CommunicationsSensors |
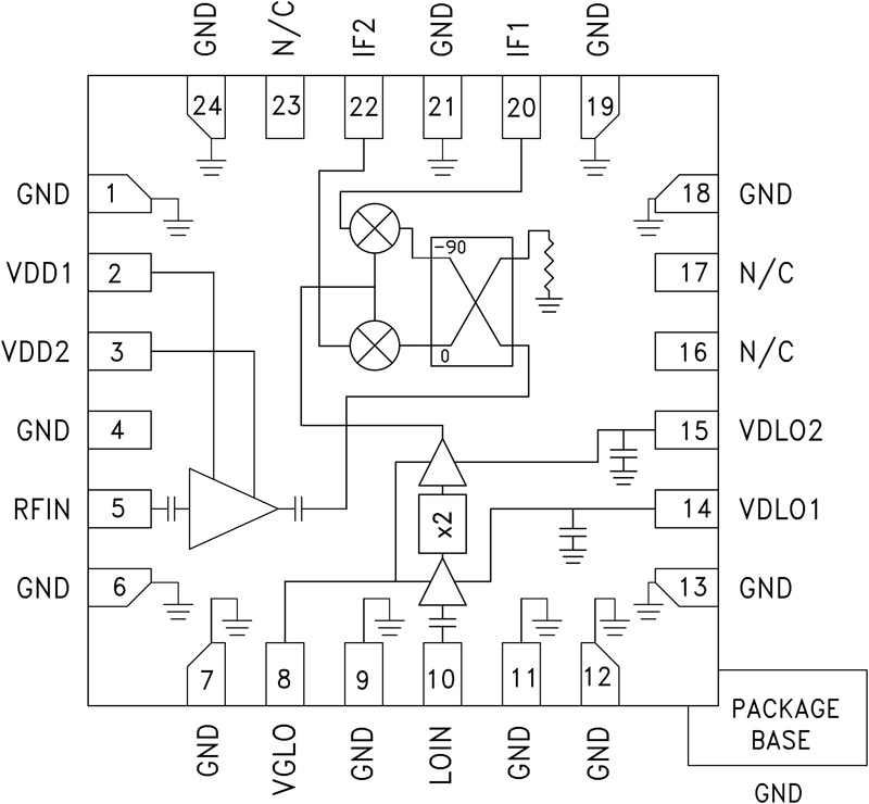
HMC1065GaAs MMIC I/Q Downconverter, 27 - 34 GHz | RF Evaluation and Development Kits, Boards | 1 | Active | The HMC1065LP4E is a compact GaAs MMIC Image Reject Low Noise Converter in a leadless RoHS compliant SMT package. This device provides a small signal conversion gain of 13 dB with 17 dBc of image rejection, and -2 dBm Input IP3. The HMC1065LP4E utilizes an RF LNA followed by an I/Q mixer which is driven by an active X2 multiplier. IF1 and IF2 mixer outputs are provided and an external 90° hybrid is needed to select the required sideband. The I/Q mixer topology reduces the need for filtering of the unwanted sideband. The HMC1065LP4E is a much smaller alternative to hybrid style image reject downconverter assemblies and it eliminates the need for wire bonding by allowing the use of surface mount manufacturing techniques.APPLICATIONSPoint-to-Point & Point-to-Multi-Point RadioSatellite CommunicationsSensors |
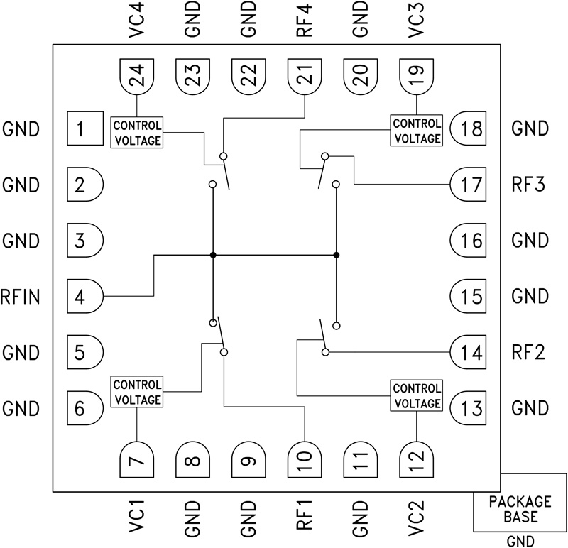
HMC1084GaAs MMIC SP4T Reflective Switch, 23 - 30 GHz | RF Switches | 1 | Active | The HMC1084 is a broadband reflective GaAs MESFET SP4T switch in a compact 4 × 4 mm ceramic package. Covering 23 - 30 GHz, this switch offers high isolation and low insertion loss. The HMC1084 is controlled with 0/-3V logic, exhibits fast switching speed and consumes much less DC current than pin diode based solutions. With its compact form factor, the HMC1084 is ideal for microwave radio as well as SATCOM and sensor applications. The HMC1084 is housed in a leadless 4 × 4 mm SMT package which is compatible with surface mount manufacturing techniques.APPLICATIONSTelecom InfrastructureMicrowave Radio & VSATMilitary & Space HybridsTest InstrumentationSATCOM & Sensors |
| Evaluation Boards | 1 | Active | ||
HMC1093GaAs MMIC Sub Harmonic Mixer, 37 - 46.5 GHz | RF and Wireless | 2 | Active | The HMC1093 chip is a sub-harmonically pumped (x4) MMIC mixer with an integrated LO amplifier. The HMC1093 chip is ideal for use as a downconverter with 37 to 46.5 GHz at the RF port and DC to 7.5 GHz at the IF port. The HMC1093 utilizes a GaAs PHEMT technology and delivers excellent 4LO to RF isolation of 20 dB, which eliminates the need for additional filtering. The LO amplifier is a single bias (+3V) two stage design requiring only -1 dBm of LO power. The RF and LO ports are DC blocked and matched to 50 Ohms for ease of use. All data shown herein is measured with the chip in a 50 Ohm test fixture connected via 0.025mm (1 mil) wire bonds of minimal length <0.31 mm (<12 mils).APPLICATIONS38 GHz Microwave Radio42 GHz Microwave RadioMilitary End-Use |
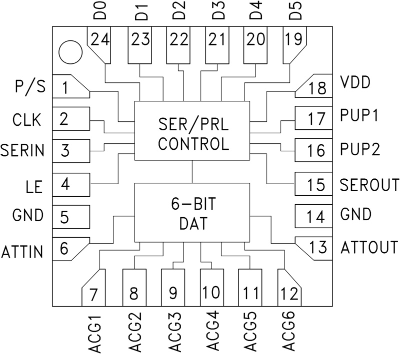
HMC10950.5 dB LSB GaAs MMIC 6-bit 75 Ohms Digital Attenuator, DC - 3 GHz | Attenuators | 2 | Active | The HMC1095LP4E is a broadband 6-bit GaAs IC Digital Attenuator in a low cost leadless SMT package. This versatile digital attenuator incorporates off-chip AC ground capacitors for near DC operation, making it suitable for a wide variety of RF and IF applications. The dual mode control interface is CMOS/TTL compatible, and accepts either a three wire serial input or a 6 bit parallel word. The HMC1095LP4E also features a user selectable power up state and a serial output port for cascading other Hittite serial controlled components. The HMC1095LP4E is housed in a RoHS compliant 4×4 mm QFN leadless package, and requires no external matching components.APPLICATIONSCATV/Satellite Set Top BoxesCATV ModemsCATV InfrastructureData Network Equipment |
HMC1096GaAs pHEMT MMIC x2 Active Frequency Multiplier, 3.8-5.6 GHz Output | RF Misc ICs and Modules | 1 | Active | The HMC1096LP3E is a x2 active broadband frequency multiplier utilizing GaAs pHEMT technology in a leadless RoHS compliant Low Stress Injection Molded Plastic SMT package. When driven by a 0 dBm signal, the multiplier provides +12 dBm typical output power from 3.8 to 5.6 GHz. The Fo and 3 Fo isolations are +22 dBc with respect to the output signal level. This frequency multiplier features DC blocked I/Os, and is ideal for use in LO multiplier chains for Point-to-Point & VSAT radios yielding reduced parts count vs. traditional approaches. The HMC1096LP3E is compatible with surface mount manufacturing techniques.ApplicationsPoint-to-Point & VSAT RadiosTest InstrumentationMilitary & Space |
HMC1099PM5E10 W (40 dBm), 0.01 GHz to 1.1 GHz, GaN Power Amplifier | RF Evaluation and Development Kits, Boards | 2 | Active | The HMC1099PM5E is a gallium nitride (GaN), broadband power amplifier delivering >10 W with up to 69% PAE across an instantaneous bandwidth of 0.01 GHz to 1.1 GHz, and with a ±0.5 dB typical gain flatness.The HMC1099PM5E is ideal for pulsed or continuous wave (CW) applications, such as wireless infrastructure, radars, public mobile radios, and general-purpose amplification.The HMC1099PM5E amplifier is externally tuned using low cost, surface-mount components and is available in a compact LFCSP package.Multifunction pin names may be referenced by their relevant function only.ApplicationsExtended battery operation for public mobile radiosPower amplifier stage for wireless infrastructuresTest and measurement equipmentCommercial and military radarsGeneral-purpose transmitter amplification |