A
Analog Devices
| Series | Category | # Parts | Status | Description |
|---|---|---|---|---|
| Part | Spec A | Spec B | Spec C | Spec D | Description |
|---|---|---|---|---|---|
| Series | Category | # Parts | Status | Description |
|---|---|---|---|---|
| Part | Spec A | Spec B | Spec C | Spec D | Description |
|---|---|---|---|---|---|
| Part | Category | Description |
|---|---|---|
Analog Devices ADM6713RAKSZ-REELObsolete | Integrated Circuits (ICs) | IC SUPERVISOR 1 CHANNEL SC70-4 |
Analog Devices | RF and Wireless | RF AMP SINGLE GENERAL PURPOSE RF AMPLIFIER 20GHZ 3.6V 22-PIN DIE TRAY |
Analog Devices | Integrated Circuits (ICs) | LOW NOISE, SWITCHED CAPACITOR REGULATED VOLTAGE INVERTERS |
Analog Devices | Integrated Circuits (ICs) | QUAD 16-BIT/12-BIT ±10V VOUTSOFTSPAN DACS WITH 10PPM/°C MAX REFERENCE |
Analog Devices | Integrated Circuits (ICs) | SERIAL 14-BIT, 3.5MSPS SAMPLING ADC WITH BIPOLAR INPUTS |
Analog Devices | Integrated Circuits (ICs) | ISOSPI ISOLATED COMMUNICATIONS INTERFACE |
Analog Devices | Integrated Circuits (ICs) | 4.5A, 500KHZ STEP-DOWN SWITCHING REGULATOR |
Analog Devices | Integrated Circuits (ICs) | 300 MA, LOW QUIESCENT CURRENT, ADJUSTABLE OUTPUT, CMOS LINEAR REGULATOR |
Analog Devices AD767KNObsolete | Integrated Circuits (ICs) | IC DAC 12BIT V-OUT 24DIP |
Analog Devices | Integrated Circuits (ICs) | QUAD 12-/10-/8-BIT RAIL-TO-RAIL DACS WITH 10PPM/°C REFERENCE |
| Series | Category | # Parts | Status | Description |
|---|---|---|---|---|
| Accessories | 1 | Active | ||
| Optical Sensors | 2 | Active | ||
| Interface | 4 | Obsolete | ||
ADV30024:1 HDMI/DVI Switch with Equalization DDC/CEC Buffers and EDID Replication | Integrated Circuits (ICs) | 1 | Active | The ADV3002 is a complete HDMI™/DVI link switch featuring equalized transition minimized differential signaling (TMDS) inputs, ideal for systems with long cable runs. The ADV3002 includes bidirectional buffering for the DDC bus and CEC line, with integrated pull-up resistors for the CEC line. Additionally, the ADV3002 includes an EDID replication function that enables one EDID EEPROM to be shared for all four HDMI ports.The ADV3002 is provided in a space-saving, 80-lead LQFP surface-mount Pb-free plastic package and is specified to operate over the 0°C to 85°C temperature range.PRODUCT HIGHLIGHTSInput cable equalizer enables use of long cables at the input. For a 24 AWG cable, the ADV3002 compensates for more than 20m at data rates up to 3 Gbps.Auxiliary multiplexer isolates and buffers the DDC bus and the CEC line, increasing total system capacitance limit.EDID replication eliminates the need for multiple EDID EEPROMs. EDID can be loaded from a single external EEPROM or from a system microcontroller.5 V power combiner powers the EDID replicator and CEC buffer when local system power is off.Integrated hot plug detect pulse low on channel switch with programmable pulse width or direct manual control.APPLICATIONSAdvanced television (HDTV) setsProjectorsA/V receiversSet-top boxes |
ADV3003HDMI/DVI TMDS Equalizer | Integrated Circuits (ICs) | 1 | Active | The ADV3003 is a 4-channel transition minimized differential signaling (TMDS) buffer featuring equalized inputs and pre-emphasized outputs. The ADV3003 features 50 Ω input and output terminations, providing full-swing output signal recovery and minimizing reflections for improved system signal integrity. The ADV3003 is targeted at HDMI™/DVI applications and is ideal for use in systems with long cable runs, long PCB traces, and designs with interior cabling.The ADV3003 is provided in a 40-lead, LFCSP, surface-mount, RoHS-compliant, plastic package and is specified to operate over the −40°C to +85°C temperature range.Product HighlightsSupports data rates up to 2.25 Gbps, enabling 1080p deep color (12-bit color) HDMI formats and greater than UXGA (1600 × 1200) DVI resolutions.The 12 dB input cable equalizer enables the use of long cables at the input. For a typical 24 AWG cable, the ADV3003 compensates for more than 20 meters at data rates up to 2.25 Gbps.The selectable 6 dB of output pre-emphasis allows the ADV3003 to drive high loss output cables or long PCB traces.Matched 50 Ω on-chip input and output terminations improve system signal integrity.An external control pin, PE_EN, sets the output pre-emphasis to either 0 dB or 6 dB.An external control pin, TX_EN, simultaneously disables both the transmitter and the on-chip input terminations. This feature reduces the power dissipation of the ADV3003 and indicates to a connected source when the ADV3003 is disabled.ApplicationsMultiple input displaysAdvanced television set (HDTV) front panel connectorsHDMI/DVI cable extenders |
ADV3201300 MHz, 32 × 32 Buffered Analog Crosspoint Switch | Integrated Circuits (ICs) | 1 | Active | The ADV3200/ADV3201 are 32 × 32 analog crosspoint switch matrices. They feature a selectable sync-tip clamp input for ac-coupled applications and an on-screen display (OSD) insertion mux. With −48 dB of crosstalk and −80 dB isolation at 5 MHz, the ADV3200/ADV3201 are useful in many high density routing applications. The 0.1 dB flatness out to 60 MHz makes the ADV3200/ADV3201 ideal for composite video switching.The 32 independent output buffers of the ADV3200/ADV3201 can be placed into a high impedance state for paralleling crosspoint outputs so that off-channels present minimal loading to an output bus if building a larger array. The part is available in gain of +1 (ADV3200) or +2 (ADV3201) for ease of use in back-terminated load applications. A single 5 V supply, dual ±2.5 V supplies, or dual ±3.3 V supplies (G = +2) can be used while consuming only 250 mA of idle current with all outputs enabled. The channel switching is performed via a double buffered, serial digital control, which can accommodate daisy chaining of several devices.The ADV3200/ADV3201 are packaged in a 176-lead exposed pad LQFP (24 mm × 24 mm) and are available over the extended industrial temperature range of −40°C to +85°C.ApplicationsCCTV surveillanceRouting of high speed signals includingComposite video (NTSC, PAL, S, SECAM)RGB and component video routingCompressed video (MPEG, Wavelet)Video conferencingData Sheet, Rev. 0, 11/2008 |
ADV3219800 MHz, 2:1 Analog Multiplexer, Gain = +1 | Integrated Circuits (ICs) | 1 | Active | The ADV3219 andADV3220are high speed, high slew rate, buffered, 2:1 analog multiplexers. They offer a −3 dB signal bandwidth greater than 800 MHz and channel switch times of less than 20 ns with 1% settling. With −82 dB of crosstalk and −88 dB isolation (at 5 MHz), the ADV3219 and ADV3220 are useful in many high speed applications. The differential gain of less than 0.02% and the differential phase of less than 0.02°, together with 0.1 dB flatness beyond 100 MHz while driving a 75 Ω back terminated load, make the ADV3219 and ADV3220 ideal for all types of signal switching.The ADV3219/ADV3220 include an output buffer that can be placed into a high impedance state to allow multiple outputs to be connected together for cascading stages without the off channels loading the output bus. The ADV3219 has a gain of +1, and the ADV3220 has a gain of +2; they both operate on ±5 V supplies while consuming less than 7.5 mA of idle current.The ADV3219/ADV3220 are available in the 8-lead LFCSP package over the extended industrial temperature range of −40°C to +85°C.ApplicationsRouting of high speed signals including– Video (NTSC, PAL, S, SECAM, YUV, and RGB)– Compressed video (MPEG, wavelet)– 3-level digital video (HDB3)Data communicationsTelecommunications |
ADV3220800 MHz, 2:1 Analog Multiplexer, Gain = +2 | Analog Switches, Multiplexers, Demultiplexers | 1 | Active | TheADV3219and ADV3220 are high speed, high slew rate, buffered, 2:1 analog multiplexers. They offer a −3 dB signal bandwidth greater than 800 MHz and channel switch times of less than 20 ns with 1% settling. With −82 dB of crosstalk and −88 dB isolation (at 5 MHz), the ADV3219 and ADV3220 are useful in many high speed applications. The differential gain of less than 0.02% and the differential phase of less than 0.02°, together with 0.1 dB flatness beyond 100 MHz while driving a 75 Ω back terminated load, make the ADV3219 and ADV3220 ideal for all types of signal switching.The ADV3219/ADV3220 include an output buffer that can be placed into a high impedance state to allow multiple outputs to be connected together for cascading stages without the off channels loading the output bus. The ADV3219 has a gain of +1, and the ADV3220 has a gain of +2; they both operate on ±5 V supplies while consuming less than 7.5 mA of idle current.The ADV3219/ADV3220 are available in the 8-lead LFCSP package over the extended industrial temperature range of −40°C to +85°C.ApplicationsRouting of high speed signals including– Video (NTSC, PAL, S, SECAM, YUV, and RGB)– Compressed video (MPEG, wavelet)– 3-level digital video (HDB3)Data communicationsTelecommunications |
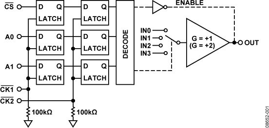
ADV3221800 MHz, 4:1 Analog Multiplexer | Interface | 2 | Active | The ADV3221 andADV3222are high speed, high slew rate, buffered 4:1 analog multiplexers. They offer a −3 dB signal bandwidth greater than 800 MHz and channel switch times of less than 20 ns with 1% settling. With lower than −58 dB of crosstalk and −67 dB isolation (at 100 MHz), the ADV3221 and ADV3222 are useful in many high speed applications. The diffe-rential gain error of less than 0.02% and differential phase error of less than 0.02°, together with 0.1 dB gain flatness out to 100 MHz while driving a 75 Ω back terminated load, make the ADV3221 and ADV3222 ideal for all types of signal switching.The ADV3221/ADV3222 include an output buffer that can be placed into a high impedance state. This allows multiple outputs to be connected together for cascading stages without the off channels loading the output bus. The ADV3221 has a gain of +1, and the ADV3222 has a gain of +2; they both operate on ±5 V supplies while consuming less than 7.5 mA of idle current. The channel switching is performed via latched control lines, allowing synchronous updating in a multiple ADV3221/ADV3222 envi-ronment.The ADV3221/ADV3222 are offered in a 16-lead SOIC package and are available over the extended industrial temperature range of −40°C to +85°C.ApplicationsRouting of high speed signals includingVideo (NTSC, PAL, S, SECAM, YUV, RGB)Compressed video (MPEG, wavelet)3-level digital video (HDB3)Data communicationsTelecommunications |
| Integrated Circuits (ICs) | 1 | Obsolete | ||