ADUM6202Dual-Channel, 5kV Isolators with Integrated DC/DC Converter (0/2 channel directionality) | Isolators | 4 | Active | TheADuM6200/ADuM6201/ADuM6202 are dual-channel digital isolators withisoPower®, an integrated, isolated DC/DC converter. Based on the Analog Devices, Inc.,iCoupler®technology, the DC/DC converter provides up to 400 mW of regulated, isolated power at either 5.0 V or 3.3 V from a 5.0 V input supply, or at 3.3 V from a 3.3 V supply at the power levels shown in Table 1 on the data sheet. These devices eliminate the need for a separate, isolated DC/DC converter in low power, isolated designs. TheiCoupler chip scale transformer technology is used to isolate the logic signals and for the magnetic components of the DC/DC converter. The result is a small form factor, total isolation solution.The ADuM6200 / ADuM6201/ADuM6202 isolators provide two independent isolation channels in a variety of channel configurations and data rates (see the Ordering Guide for more information).isoPower uses high frequency switching elements to transfer power through its transformer. Special care must be taken during printed circuit board (PCB) layout to meet emissions standards. See theAN-0971 Application Notefor board layout recommendations.APPLICATIONSRS-232/RS-422/RS-485 transceiversIndustrial field bus isolationPower supply start-up bias and gate drivesIsolated sensor interfacesIndustrial PLCs |
ADUM6210Dual-Channel Isolators with Integrated DC-to-DC Converter (2/0 Channel Directionality) | Isolators | 3 | Active | The ADuM6210/ADuM6211/ADuM6212are dual-channel digital isolators withisoPower®, an integrated, isolated dc-to-dc converter. Based on the Analog Devices, Inc.,iCoupler®technology, the dc-to-dc converter provides regulated, isolated power that is adjustable between 3.135 V and 5.25 V. Input supply voltages can range from slightly below the required output to significantly higher. Popular voltage combinations and their associated power levels are shown in Table 2.The ADuM6210/ADuM6211/ADuM6212 eliminate the need for a separate, isolated dc-to-dc converter in low power, isolated designs. TheiCoupler chip-scale transformer technology is used for isolated logic signals and for the magnetic components of the dc-to-dc converter. The result is a small form factor, total isolation solution.isoPower uses high frequency switching elements to transfer power through its transformer. Take special care during printed circuit board (PCB) layout to meet emissions standards. See theAN-0971 Application Notefor board layout recommendations.ApplicationsRS-232 transceiversPower supply start-up bias and gate drivesIsolated sensor interfacesIndustrial PLCs |
ADUM6211Dual-Channel Isolators with Integrated DC-to-DC Converter (1/1 Channel Directionality) | Isolators | 2 | Active | TheADuM6210/ ADuM6211 /ADuM6212are dual-channel digital isolators withisoPower®, an integrated, isolated dc-to-dc converter. Based on the Analog Devices, Inc.,iCoupler®technology, the dc-to-dc converter provides regulated, isolated power that is adjustable between 3.135 V and 5.25 V. Input supply voltages can range from slightly below the required output to significantly higher. Popular voltage combinations and their associated power levels are shown in Table 2.The ADuM6210 / ADuM6211 / ADuM6212 eliminate the need for a separate, isolated dc-to-dc converter in low power, isolated designs. TheiCoupler chip-scale transformer technology is used for isolated logic signals and for the magnetic components of the dc-to-dc converter. The result is a small form factor, total isolation solution.isoPower uses high frequency switching elements to transfer power through its transformer. Take special care during printed circuit board (PCB) layout to meet emissions standards. See theAN-0971 Application Notefor board layout recommendations.APPLICATIONSRS-232 transceiversPower supply start-up bias and gate drivesIsolated sensor interfacesIndustrial PLCs |
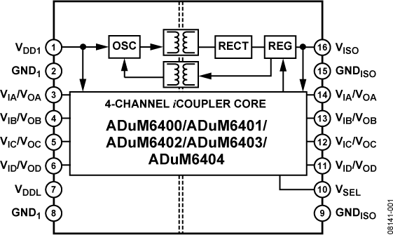
ADUM6400Quad-Channel Isolators with Integrated DC/DC Converter (4/0 channel directionality) | Isolators | 4 | Active | The ADuM640x devices are quad-channel digital isolators withisoPower®, an integrated, isolated DC/DC converter. Based on the Analog Devices, Inc.,iCoupler®technology, the DC/DC converter provides up to 500 mW of regulated, isolated power at either 5.0 V or 3.3 V from a 5.0 V input supply, or 3.3 V from a 3.3 V supply at the power levels shown in Table 1. This eliminates the need for a separate, isolated DC/DC converter in low power, isolated designs. TheiCoupler chip scale transformer technology is used to isolate the logic signals and for the magnetic components of the DC/DC converter. The result is a small form factor, total isolation solution.The ADuM640x isolators provide four independent isolation channels in a variety of channel configurations and data rates (see the Ordering Guide for more information).isoPower uses high frequency switching elements to transfer power through its transformer. Special care must be taken during printed circuit board (PCB) layout to meet emissions standards. Refer to the AN-0971 application note for board layout recommendations at www.analog.com. |
ADUM6401Quad-Channel Isolators with Integrated DC/DC Converter (3/1 channel directionality) | Digital Isolators | 2 | Active | The ADuM640x devices are quad-channel digital isolators withisoPower®, an integrated, isolated DC/DC converter. Based on the Analog Devices, Inc.,iCoupler®technology, the DC/DC converter provides up to 500 mW of regulated, isolated power at either 5.0 V or 3.3 V from a 5.0 V input supply, or 3.3 V from a 3.3 V supply at the power levels shown in Table 1. This eliminates the need for a separate, isolated DC/DC converter in low power, isolated designs. TheiCoupler chip scale transformer technology is used to isolate the logic signals and for the magnetic components of the DC/DC converter. The result is a small form factor, total isolation solution.The ADuM640x isolators provide four independent isolation channels in a variety of channel configurations and data rates (see the Ordering Guide for more information).isoPower uses high frequency switching elements to transfer power through its transformer. Special care must be taken during printed circuit board (PCB) layout to meet emissions standards. Refer to the AN-0971 application note for board layout recommendations at www.analog.com. |
ADUM6402Quad-Channel Isolators with Integrated DC/DC Converter (2/2 channel directionality) | Isolators | 2 | Active | The ADuM640x devices are quad-channel digital isolators withisoPower®, an integrated, isolated DC/DC converter. Based on the Analog Devices, Inc.,iCoupler®technology, the DC/DC converter provides up to 500 mW of regulated, isolated power at either 5.0 V or 3.3 V from a 5.0 V input supply, or 3.3 V from a 3.3 V supply at the power levels shown in Table 1. This eliminates the need for a separate, isolated DC/DC converter in low power, isolated designs. TheiCoupler chip scale transformer technology is used to isolate the logic signals and for the magnetic components of the DC/DC converter. The result is a small form factor, total isolation solution.The ADuM640x isolators provide four independent isolation channels in a variety of channel configurations and data rates (see the Ordering Guide for more information).isoPower uses high frequency switching elements to transfer power through its transformer. Special care must be taken during printed circuit board (PCB) layout to meet emissions standards. Refer to the AN-0971 application note for board layout recommendations. |
ADUM6403Quad-Channel Isolators with Integrated DC/DC Converter (1/3 channel directionality) | Digital Isolators | 2 | Active | The ADuM640x devices are quad-channel digital isolators withisoPower®, an integrated, isolated DC/DC converter. Based on the Analog Devices, Inc.,iCoupler®technology, the DC/DC converter provides up to 500 mW of regulated, isolated power at either 5.0 V or 3.3 V from a 5.0 V input supply, or 3.3 V from a 3.3 V supply at the power levels shown in Table 1. This eliminates the need for a separate, isolated DC/DC converter in low power, isolated designs. TheiCoupler chip scale transformer technology is used to isolate the logic signals and for the magnetic components of the DC/DC converter. The result is a small form factor, total isolation solution.The ADuM640x isolators provide four independent isolation channels in a variety of channel configurations and data rates (see the Ordering Guide for more information).isoPower uses high frequency switching elements to transfer power through its transformer. Special care must be taken during printed circuit board (PCB) layout to meet emissions standards. Refer to the AN-0971 application note for board layout recommendations at www.analog.com. |
| Isolators | 1 | Active | |
ADUM6421AQuad-Channel Isolators with Integrated DC-to-DC Converter (3:1 directionality) | Isolators | 1 | Active | TheADuM6420A/ADuM6421A/ADuM6422A/ADuM6423A/ADuM6424A1are quad-channel digital isolators with anisoPower®, integrated, isolated dc-to-dc converter. Based on the Analog Devices, Inc.,iCoupler®technology, the dc-to-dc converter provides regulated, isolated power that meets CISPR 32/EN 55032 Class B limits at a full load on a 2-layer printed circuit board (PCB) with ferrites. Popular voltage combinations and the associated output current levels are listed in Table 1 in the data sheet.The ADuM6420A/ADuM6421A/ADuM6422A/ADuM6423A/ADuM6424A eliminate the need for a separate, isolated dc-to-dc converter in 500 mW, isolated designs. TheiCoupler chip scale transformer technology is used for isolated logic signals and for the magnetic components of the dc-to-dc converter. The result is a small form factor, total isolation solution.The ADuM6420A/ADuM6421A/ADuM6422A/ADuM6423A/ADuM6424A isolators provide four independent isolation channels. See the Pin Configurations and Function Descriptions in the data sheet for additional information.APPLICATIONSRS-232 transceiversPower supply start-up bias and gate drivesIsolated sensor interfacesAutomotive on-board charger (OBC) and dc to dcIndustrial programmable logic controllers (PLCs)1Protected by U.S. Patents 5,952,849; 6,873,065; 6,903,578; and 7,075,329. Other patents are pending. |
ADUM7223Isolated Precision Half-Bridge Driver, 4 A Output | Isolators | 1 | Active | The ADuM7223 is a 4A isolated, half-bridge gate driver that employ Analog Devices, Inc.’siCoupler®technology to provide independent and isolated high-side and low-side outputs. Combining high speed CMOS and monolithic transformer technology, these isolation components provide outstanding performance characteristics superior to alternatives such as the combination of pulse transformers and non-isolated gate drivers. By integrating the isolator and driver in a single package, propagation delay is a maximum of only 60 ns and the propagation skew from channel to channel is a maximum of only 7ns.The ADuM7223 provides two independent isolation channels.The ADuM7223 operates with an input supply ranging from 3.0 V to 5.5 V, providing compatibility with lower voltage systems. The outputs operate in a wide range from 4.5V to 18V with three output voltage versions available. The 5 × 5 mm, LGA package provides 565 V operating voltage from input to output and 700 V from output to output.In comparison to gate drivers employing high voltage level translation methodologies, these gate drivers offer the benefit of true, galvanic isolation between the input and each output. As a result, these gate drivers provide reliable control over the switching characteristics of IGBT/MOSFET configurations over a wide range of positive or negative switching voltages.APPLICATIONSSwitching power suppliesIsolated IGBT/MOSFET gate drivesIndustrial inverters |