A
Analog Devices
| Series | Category | # Parts | Status | Description |
|---|---|---|---|---|
| Part | Spec A | Spec B | Spec C | Spec D | Description |
|---|---|---|---|---|---|
| Series | Category | # Parts | Status | Description |
|---|---|---|---|---|
| Part | Spec A | Spec B | Spec C | Spec D | Description |
|---|---|---|---|---|---|
| Part | Category | Description |
|---|---|---|
Analog Devices ADM6713RAKSZ-REELObsolete | Integrated Circuits (ICs) | IC SUPERVISOR 1 CHANNEL SC70-4 |
Analog Devices | RF and Wireless | RF AMP SINGLE GENERAL PURPOSE RF AMPLIFIER 20GHZ 3.6V 22-PIN DIE TRAY |
Analog Devices | Integrated Circuits (ICs) | LOW NOISE, SWITCHED CAPACITOR REGULATED VOLTAGE INVERTERS |
Analog Devices | Integrated Circuits (ICs) | QUAD 16-BIT/12-BIT ±10V VOUTSOFTSPAN DACS WITH 10PPM/°C MAX REFERENCE |
Analog Devices | Integrated Circuits (ICs) | SERIAL 14-BIT, 3.5MSPS SAMPLING ADC WITH BIPOLAR INPUTS |
Analog Devices | Integrated Circuits (ICs) | ISOSPI ISOLATED COMMUNICATIONS INTERFACE |
Analog Devices | Integrated Circuits (ICs) | 4.5A, 500KHZ STEP-DOWN SWITCHING REGULATOR |
Analog Devices | Integrated Circuits (ICs) | 300 MA, LOW QUIESCENT CURRENT, ADJUSTABLE OUTPUT, CMOS LINEAR REGULATOR |
Analog Devices AD767KNObsolete | Integrated Circuits (ICs) | IC DAC 12BIT V-OUT 24DIP |
Analog Devices | Integrated Circuits (ICs) | QUAD 12-/10-/8-BIT RAIL-TO-RAIL DACS WITH 10PPM/°C REFERENCE |
| Series | Category | # Parts | Status | Description |
|---|---|---|---|---|
ADRF5714Silicon Digital Attenuator, 1-Bit, 100 MHz to 30 GHz | Attenuators | 1 | Active | The ADRF5714 is a silicon, 1-bit digital attenuator with 16 dB attenuation supporting glitch-free operation.This device operates from 100 MHz to 30 GHz with better than 1.3 dB of insertion loss and excellent attenuation accuracy. The ATTIN and ATTOUT port of the ADRF5714 has an RF input power handling capability of 30 dBm average and 33 dBm peak.The ADRF5714 requires a dual-supply voltage of +3.3 V and −3.3 V. The device features complementary metal-oxide semiconductor (CMOS)-/low voltage transistor to transistor logic (LVTTL)-compatible control.The ADRF5714 can also operate with a single positive supply voltage (VDD) applied. The negative supply voltage (VSS) is tied to ground. See the Theory of Operation section in the data sheet for more details.The ADRF5714 RF ports are designed to match a characteristic impedance of 50 Ω. The ADRF5714 comes in a 12-terminal, 2.25 mm × 2.25 mm, RoHS compliant, LGA package and operates from −40°C to +105°C.ApplicationsIndustrial scannersTest and instrumentationCellular infrastructure: 5G millimeter waveMilitary radios, radars, electronic counter measures (ECMs)Microwave radios and very small aperture terminals (VSATs) |
ADRF5715Silicon Digital Attenuator, 1-Bit, 1 MHz to 30 GHz | RF and Wireless | 2 | Active | The ADRF5715 is a silicon, 1-bit digital attenuator with 16 dB attenuation.The ADRF5715 operates from 1 MHz to 30 GHz with better than 1.15 dB of insertion loss and excellent attenuation accuracy. The ATTIN and ATTOUT port of the ADRF5715 have an RF power handling capability of 30 dBm steady state average and 33 dBm steady state peak.The ADRF5715 requires a dual-supply voltage of +3.3 V and −3.3 V. The device features complementary metal-oxide semiconductor (CMOS)-/low voltage transistor to transistor logic (LVTTL)-compatible controls.The ADRF5715 can also operate with a single positive supply voltage (VDD) applied while the negative supply voltage (VSS) is tied to ground. See the Theory of Operation section for more details.The ADRF5715 RF ports are designed to match a characteristic impedance of 50 Ω. The ADRF5715 comes in a 12-terminal, 2.25 mm × 2.25 mm, RoHS-compliant, LGA package and operates from −40°C to +105°C.APPLICATIONSIndustrial scannersTest and instrumentationCellular infrastructure: 5G millimeter waveMilitary radios, radars, electronic counter measures (ECMs)Microwave radios and very small aperture terminals (VSATs) |
ADRF5716Silicon Digital Attenuator, 2-Bit, 100 MHz to 30 GHz | Attenuators | 1 | Active | The ADRF5716 is a silicon, 2-bit digital attenuator with 48 dB attenuation control range in 16 dB steps supporting glitch-free operation.This device operates from 100 MHz to 30 GHz with better than 2.9 dB of insertion loss and better than 1.5 dB attenuation accuracy. The ATTIN and ATTOUT ports of the ADRF5716 have an RF input power handling capability of 30 dBm average and 33 dBm peak for all states.The ADRF5716 requires a dual-supply voltage of +3.3 V and −3.3 V. The device features parallel mode control, and complementary metal-oxide semiconductor (CMOS)-/low voltage transistor to transistor logic (LVTTL)-compatible controls.The ADRF5716 can also operate with a single positive supply voltage (VDD) applied, and the negative supply voltage (VSS) is tied to ground. See the Theory of Operation section in the data sheet for more details.The ADRF5716 RF ports are designed to match a characteristic impedance of 50 Ω. The ADRF5716 comes in a 20-terminal, 3 mm × 3 mm, RoHS compliant, land grid array [LGA] package and operates from −40°C to +105°C.ApplicationsIndustrial scannersTest and instrumentationCellular infrastructure: 5G millimeter waveMilitary radios, radars, electronic counter measures (ECMs)Microwave radios and very small aperture terminals (VSATs) |
ADRF5717Silicon Digital Attenuator, 2-Bit, 1 MHz to 30 GHz | RF and Wireless | 1 | Active | The ADRF5717 is a silicon, 2-bit digital attenuator with 48 dB attenuation range in 16 dB steps supporting glitch-free operation.The ADRF5717 operates from 1 MHz to 30 GHz with better than 2.8 dB of insertion loss and better than 3.3 dB attenuation accuracy.The ATTIN and ATTOUT port of the ADRF5717 have an RF power handling capability of a 30 dBm steady state average and a 33 dBm steady state peak.The ADRF5717 requires a dual-supply voltage of +3.3 V and −3.3 V. The device features parallel mode control and complementary metal-oxide semiconductor (CMOS)-/low voltage transistor to transistor logic (LVTTL)-compatible controls.The ADRF5717 can also operate with a single positive supply voltage (VDD) applied while the negative supply voltage (VSS) is tied to ground. See the Theory of Operation section for more details. The ADRF5717 RF ports are designed to match a characteristic impedance of 50 Ω. The ADRF5717 comes in a 20-terminal, 3 mm × 3 mm, RoHS compliant, LGA package and operates from −40°C to +105°CAPPLICATIONIndustrial scannersTest and instrumentationCellular infrastructure: 5G millimeter waveMilitary radios, radars, and electronic counter measures (ECMs)Microwave radios and very small aperture terminals (VSATs) |
ADRF57200.5 dB LSB, 6-Bit, Silicon Digital Attenuator, 9 kHz to 40 GHz | Attenuators | 1 | Active | The ADRF5720 is a silicon, 6-bit digital attenuator with 31.5 dB attenuation control range in 0.5 dB steps.This device operates from 9 kHz to 40 GHz with better than 4.5 dB of insertion loss and excellent attenuation accuracy. The ATTIN port of the ADRF5720 has a radio frequency (RF) input power handling capability of 27 dBm average and 30 dBm peak for all states.The ADRF5720 requires a dual supply voltage of +3.3 V and −3.3 V. The device features serial peripheral interface (SPI), parallel mode control, and complementary metal-oxide semiconductor (CMOS)-/low voltage transistor to transistor logic (LVTTL)-compatible controls.The ADRF5720 is pin-compatible with the ADRF5730, the fast switching version, which operates from 100 MHz to 40 GHz.The ADRF5720 RF ports are designed to match a characteristic impedance of 50 Ω. For wideband applications, impedance matching on the RF transmission lines can further optimize high frequency insertion loss, return loss, and attenuation accuracy characteristics. Refer to the Electrical Specifications section, the Typical Performance Characteristicssection, and the Applications Information section for more details.The ADRF5720 comes in a 24-terminal, 4 mm × 4 mm, RoHS compliant, land grid array (LGA) package and operates from −40°C to +105°C.ApplicationsIndustrial scannersTest and instrumentationCellular infrastructure: 5G millimeter waveMilitary radios, radars, electronic counter measures (ECMs)Microwave radios and very small aperture terminals (VSATs) |
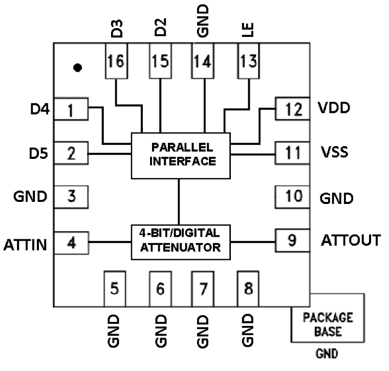
ADRF57212 dB LSB, 4-Bit, Silicon Digital Attenuator, 9 kHz to 40 GHz | RF and Wireless | 1 | Active | The ADRF5721 is a silicon, 4-bit digital attenuator with a 30 dB attenuation control range in 2 dB steps.This device operates from 9 kHz to 40 GHz with better than 3.4 dB of insertion loss. The ATTIN port of the ADRF5721 has a radio frequency (RF) input power handling capability of 26 dBm average and 30 dBm peak for all states.The ADRF5721 requires a dual supply voltage of +3.3 V and −3.3 V. The device features serial peripheral interface (SPI), parallel mode control, and complementary metal-oxide semiconductor (CMOS)-/low voltage transistor to transistor logic (LVTTL)-compatible controls.The ADRF5721 is pin compatible with the ADRF5731, the fast switching version, which operates from 100 MHz to 40 GHz.The ADRF5721 RF ports are designed to match a characteristic impedance of 50 Ω.The ADRF5721 comes in a 16-terminal, 2.5 mm × 2.5 mm, RoHS compliant, land grid array (LGA) package and operates from −40°C to +105°C.ApplicationsIndustrial scannersTest and instrumentationCellular infrastructure: 5G millimeter waveMilitary radios, radars, electronic counter measures (ECMs)Microwave radios and very small aperture terminals (VSATs) |
ADRF57312 dB LSB, 4-Bit, Silicon Digital Attenuator, 100 MHz to 40 GHz | Evaluation Boards | 2 | Active | The ADRF5731 is a silicon, 4-bit digital attenuator with a 30 dB attenuation control range in 2 dB steps.This device operates from 100 MHz to 40 GHz with better than 3.5 dB of insertion loss. The ATTIN port of the ADRF5720 has a radio frequency (RF) input power handling capability of 26 dBm average and 30 dBm peak for all states.The ADRF5731 requires a dual supply voltage of +3.3 V and −3.3 V. The device features serial peripheral interface (SPI), parallel mode control, and complementary metal-oxide semiconductor (CMOS)-/low voltage transistor to transistor logic (LVTTL) compatible controls.The ADRF5731 is pin compatible with the ADRF5721 low frequency cutoff version, which operates from 9 kHz to 40 GHz.The ADRF5731 RF ports are designed to match a characteristic impedance of 50 Ω.The ADRF5731 comes in a 16-terminal, 2.5 mm × 2.5 mm, RoHS compliant, land grid array (LGA) package and operates from −40°C to +105°C.ApplicationsIndustrial scannersTest and instrumentationCellular infrastructure: 5G millimeter waveMilitary radios, radars, electronic counter measures (ECMs)Microwave radios and very small aperture terminals (VSATs) |
| Development Boards, Kits, Programmers | 2 | Active | ||
| RF and Wireless | 1 | Obsolete | ||
ADRF6521Low Frequency to 3 GHz, Dual VGA with Output Common-Mode and DC Offset Control | RF Evaluation and Development Kits, Boards | 3 | Active | The ADRF6521 is a dual, fully differential, low noise and low distortion variable gain amplifier (VGA). The high spurious-free dynamic range over the gain range makes the ADRF6521 ideal for communication systems with dense constellations, multiple carriers, and nearby interferers.The VGA has a 21 dB attenuation range with a typical voltage gain of 18 dB. The differential input impedance is 100 Ω, while the differential output impedance is 16 Ω. The ±1 dB gain flatness bandwidth is 2.5 GHz. The output buffers are capable of swinging 1.5 V p-p into 100 Ω loads at >55 dBc for second-order and third-order intermodulation distortion (IMD2 and IMD3), and for second and third harmonic distortion (HD2 and HD3) from low frequency to 1 GHz. Variable output dc offset control is accomplished with the OFS1 and OFS2 pins, and the output common-mode can be controlled with the VOCM pin.The ADRF6521 flexibly operates from a single +5 V supply or from a range of dual supplies and consumes a total supply current of 200 mA. When fully disabled, it consumes 25 mA typical. The ADRF6521 is fabricated in an advanced silicon-germanium BiCMOS process and is available in a 20-lead, exposed pad, 3 mm × 3 mm LFCSP. Performance is specified over the −40°C to +85°C temperature range.ApplicationsPoint-to-point and point-to-multipoint radiosBaseband IQ receiversDiversity receiversADC driversInstrumentationMedical |