A
Analog Devices
| Series | Category | # Parts | Status | Description |
|---|---|---|---|---|
| Part | Spec A | Spec B | Spec C | Spec D | Description |
|---|---|---|---|---|---|
| Series | Category | # Parts | Status | Description |
|---|---|---|---|---|
| Part | Spec A | Spec B | Spec C | Spec D | Description |
|---|---|---|---|---|---|
| Series | Category | # Parts | Status | Description |
|---|---|---|---|---|
ADM1487E5 V, ±15 kV ESD Protected, Half Duplex RS-485/RS-422 Transceiver (2.5 Mbps, ¼ Load) | Integrated Circuits (ICs) | 1 | Active | TheADM485E/ADM487E/ ADM1487E are 5 V low power data transceivers with ±15 kV ESD protection suitable for halfduplex communication on multipoint bus transmission lines. They are designed for balanced data transmission and comply with TIA/EIA standards RS-485 and RS-422. The ADM487E and the ADM1487E have a 1/4 unit load receiver input impedance that allows up to 128 transceivers on a bus, while the ADM485E allow up to 32 transceivers on a bus. Since only one driver is enabled at any time, the output of a disabled or powerdown driver is three-stated to avoid overloading the bus.The driver outputs are slew rate-limited in order to reduce EMI and data errors caused by reflections from improperly terminated buses. Excessive power dissipation caused by bus contention or output shorting is prevented with a thermal shutdown circuit. The parts are fully specified over the industrial temperature ranges and are available in 8-lead SOIC packages.APPLICATIONSEnergy/power meteringLighting systemsIndustrial controlTelecommunicationsSecurity systemsInstrumentation |
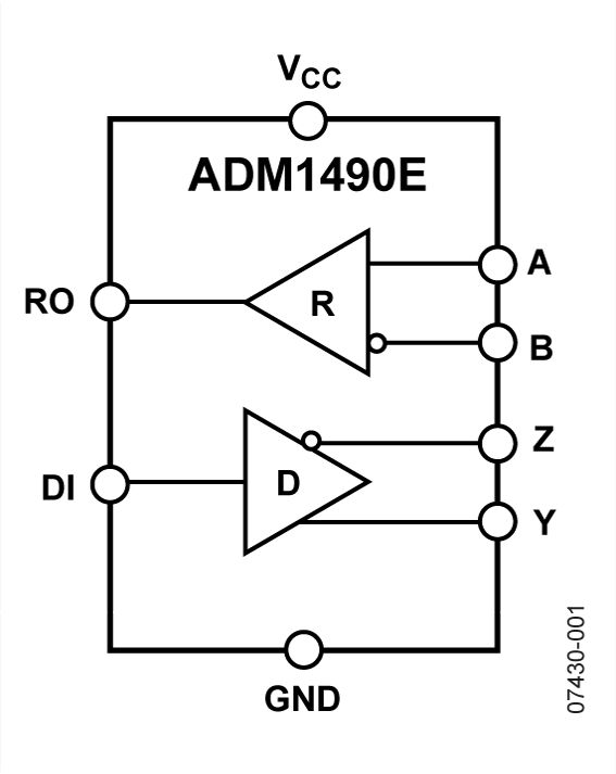
ADM1490E5 V, 16 Mbps, ESD Protected, Full-Duplex RS-485 Transceiver | Drivers, Receivers, Transceivers | 2 | Active | The ADM1490E /ADM1491Eare RS-485/RS-422 transceivers with ±8 kV ESD protection and are suitable for high speed, full-duplex communication on multipoint transmission lines. In particular, the ADM1490E/ADM1491E are designed for use in motor control applications requiring communications at data rates up to 16 Mbps.The ADM1490E / ADM1491E are designed for balanced transmission lines and comply with TIA/EIA-485-A-98. The devices each have a 12 kΩ receiver input impedance for unit load RS-485 operation, allowing up to 32 nodes on the bus.The differential transmitter outputs and receiver inputs feature electrostatic discharge circuitry that provides protection to ±8 kV using the human body model (HBM).The ADM1490E / ADM1491E operate from a single 5 V power supply. Excessive power dissipation caused by bus contention or output shorting is prevented by short-circuit protection and thermal circuitry. Short-circuit protection circuits limit the maximum output current to ±250 mA during fault conditions. A thermal shutdown circuit senses if the die temperature rises above 150°C and forces the driver outputs into a high impedance state under this condition.The receiver of the ADM1490E / ADM1491E contains a fail-safe feature that results in a logic high output state if the inputs are unconnected (floating). The ADM1490E / ADM1491E feature extremely fast and closely matched switching times. Minimal driver propagation delays permit transmission at data rates up to 16 Mbps, and low skew minimizes EMI interference.The ADM1490E/ADM1491E are fully specified over the commercial and industrial temperature ranges. The ADM1490E is available in two packages: a narrow body, 8-lead SOIC and an 8-lead MSOP. The ADM1491E is also available in two packages: a narrow body, 14-lead SOIC and a 10-lead MSOP.APPLICATIONSRS-485/RS-422 interfacesIndustrial field networksHigh data rate motor controlMultipoint data transmission systemsSingle-ended-to-differential signal conversion |
ADM1491E5 V, 16 Mbps, ESD Protected, Full-Duplex RS-485 Transceiver (with Driver/Receiver Enable) | Drivers, Receivers, Transceivers | 2 | Active | TheADM1490E/ ADM1491E are RS-485 transceivers with ±8 kV ESD protection and is suitable for high speed, full-duplex communication on multipoint transmission lines. In particular, the ADM1491E is designed for use in motor control applications requiring communications at data rates up to 16 Mbps.The ADM1491E is designed for balanced transmission lines and complies with TIA/EIA-485-A-98. The device has a 12 kΩ receiver input impedance for unit load RS-485 operation allowing up to 32 nodes on the bus.The differential transmitter outputs and receiver inputs feature electrostatic discharge circuitry that provides protection to ±8 kV using the human body model (HBM).The ADM1491E operates from a single 5 V power supply. Excessive power dissipation caused by bus contention or output shorting is prevented by short-circuit protection and thermal circuitry.Short-circuit protection circuits limit the maximum output current to ±250 mA during fault conditions. A thermal shutdown circuit senses if the die temperature rises above 150°C and forces the driver outputs into a high impedance state under this condition.The receiver of the ADM1491E contains a fail-safe feature that results in a logic high output state if the inputs are unconnected (floating).The ADM1491E features extremely fast and closely matched switching times. Minimal driver propagation delays permit transmission at data rates up to 16 Mbps while low skew minimizes EMI interference.The ADM1491E is fully specified over the commercial and industrial temperature ranges and is available in two packages: a narrow-body 14-lead SOIC and a 10-lead MSOP.APPLICATIONSRS-485/RS-422 interfacesIndustrial field networksHigh data rate motor controlMultipoint data transmission systemsSingle-ended to differential signal conversion |
ADM1810Microprocessor Supervisory in SOT-23 with Active High and Low Push-Pull Output | Supervisors | 8 | Active | The ADM181x range of voltage monitoring circuits can be used in any application where an electronic system needs to be reset when a voltage increases above or below a predetermined value.Because of the "reset delay time" incorporated into the ADM181x series, these devices can provide a safe startup for electronic systems. Before a system initializes, the power supply must stabi-lize. Using the ADM181x series ensures that there are typically 150 ms for the power supply to stabilize before the system is reset and safe system initialization begins.The ADM181x series of microprocessor reset circuits are available in low cost, space-saving SOT-23 packages. |
ADM1811Microprocessor Supervisory in SOT-23 with Open Drain Output Choices | Supervisors | 6 | Active | The ADM181x range of voltage monitoring circuits can be used in any application where an electronic system needs to be reset when a voltage increases above or below a predetermined value.Because of the "reset delay time" incorporated into the ADM181x series, these devices can provide a safe startup for electronic systems. Before a system initializes, the power supply must stabilize. Using the ADM181x series ensures that there are typically 150 ms for the power supply to stabilize before the system is reset and safe system initialization begins.The ADM181x series of microprocessor reset circuits are available in low cost, space-saving SOT-23 packages.APPLICATIONSMicroprocessor systemsComputersControllersIntelligent instrumentsAutomotive systems |
| Power Management (PMIC) | 5 | Active | ||
ADM1813Microprocessor Supervisory in SOT-23 with Active Low Open Drain Output Choices | Power Management (PMIC) | 6 | Active | The ADM181x range of voltage monitoring circuits can be used in any application where an electronic system needs to be reset when a voltage increases above or below a predetermined value.Because of the "reset delay time" incorporated into the ADM181x series, these devices can provide a safe startup for electronic systems. Before a system initializes, the power supply must stabilize. Using the ADM181x series ensures that there are typically 150 ms for the power supply to stabilize before the system is reset and safe system initialization begins.The ADM181x series of microprocessor reset circuits are available in low cost, space-saving SOT-23 packages.APPLICATIONSMicroprocessor systemsComputersControllersIntelligent instrumentsAutomotive systems |
| Integrated Circuits (ICs) | 16 | Active | ||
| PMIC | 20 | Active | ||
| PMIC | 14 | Active | ||
| Part | Category | Description |
|---|---|---|
Analog Devices ADM6713RAKSZ-REELObsolete | Integrated Circuits (ICs) | IC SUPERVISOR 1 CHANNEL SC70-4 |
Analog Devices | RF and Wireless | RF AMP SINGLE GENERAL PURPOSE RF AMPLIFIER 20GHZ 3.6V 22-PIN DIE TRAY |
Analog Devices | Integrated Circuits (ICs) | LOW NOISE, SWITCHED CAPACITOR REGULATED VOLTAGE INVERTERS |
Analog Devices | Integrated Circuits (ICs) | QUAD 16-BIT/12-BIT ±10V VOUTSOFTSPAN DACS WITH 10PPM/°C MAX REFERENCE |
Analog Devices | Integrated Circuits (ICs) | SERIAL 14-BIT, 3.5MSPS SAMPLING ADC WITH BIPOLAR INPUTS |
Analog Devices | Integrated Circuits (ICs) | ISOSPI ISOLATED COMMUNICATIONS INTERFACE |
Analog Devices | Integrated Circuits (ICs) | 4.5A, 500KHZ STEP-DOWN SWITCHING REGULATOR |
Analog Devices | Integrated Circuits (ICs) | 300 MA, LOW QUIESCENT CURRENT, ADJUSTABLE OUTPUT, CMOS LINEAR REGULATOR |
Analog Devices AD767KNObsolete | Integrated Circuits (ICs) | IC DAC 12BIT V-OUT 24DIP |
Analog Devices | Integrated Circuits (ICs) | QUAD 12-/10-/8-BIT RAIL-TO-RAIL DACS WITH 10PPM/°C REFERENCE |