A
Analog Devices
| Series | Category | # Parts | Status | Description |
|---|---|---|---|---|
| Part | Spec A | Spec B | Spec C | Spec D | Description |
|---|---|---|---|---|---|
| Series | Category | # Parts | Status | Description |
|---|---|---|---|---|
| Part | Spec A | Spec B | Spec C | Spec D | Description |
|---|---|---|---|---|---|
| Series | Category | # Parts | Status | Description |
|---|---|---|---|---|
ADM1185Quad Voltage Monitor and Sequencer | Supervisors | 1 | Active | The ADM1185 is an integrated, 4-channel, voltage monitoring and sequencing device. A 2.7 V to 5.5 V power supply is required on the VCC pin to power the device.Four precision comparators monitor four voltage rails. All comparators have a 0.6 V reference with a worst-case accuracy of 0.8%. Resistor networks that are external to the VIN1, VIN2, VIN3, and VIN4 pins set the trip points for the monitored supply rails.A digital core interprets the status of the comparator outputs.Internal time delays can be used for sequencing the startup of subsequent power supplies enabled by the outputs. Supplies falling out of range are also detected and, as a result, appropriate outputs are disabled.The ADM1185 has four open-drain outputs. In a typical configuration, OUT1 to OUT3 are used to enable power supplies, while PWRGD is a common power-good output, indicating the status of all monitored supplies.The ADM1185 is available in a 10-lead mini small outline package (MSOP).APPLICATIONSMonitor and alarm functionsPower supply sequencingTelecommunication and data communication equipmentPCs/servers |
ADM1186Quad Voltage Sequencer and Monitor with Programmable Timing | Integrated Circuits (ICs) | 2 | Active | The ADM1186-1 and ADM1186-2 are integrated, four-channel, voltage monitoring and sequencing devices. A 2.7 V to 5.5 V power supply is required on the VCC pin for power.Four precision comparators monitor four voltage rails, with all comparators sharing a 0.6 V reference and a worst-case accuracy of 0.8%. Resistor networks that are external to the VIN1, VIN2, VIN3, and VIN4 pins set the Under Voltage (UV) trip points for the monitored supply rails.The ADM1186-1 and ADM1186-2 have four open drain enable outputs, OUTx, that are used to enable power supplies. An open drain power good output, PWRGD, is provided that indicates the four VINx inputs are above their UV thresholds.A state machine monitors the state of the UP andDOWNpins on the ADM1186-1 or the UP/overbar:DOWNpin on the ADM1186-2 to control the supply sequencing direction. In the ‘Wait Start’ state, a rising edge transition on the UP or UP/DOWNpin triggers a power-up sequence. A falling edge transition on theDOWNor UP/DOWNpin in the ‘Power Up Done’ state triggers a power down sequence.During a power up sequence, the state machine enables each power supply in turn. The supply output voltage is monitored to determine if it rises above the UV threshold level within a user defined duration called the blanking time. If a supply rises above the UV threshold then the next enable output in the sequence is turned on. In addition to the blanking time a user may also define sequencing time delays between each enable output turning on. When all four enable outputs are on, and the four VINx pins are above their UV trip points the power up sequence is complete. The ADM1186-1 provides an open drain pin, SEQ_DONE, that is asserted high to provide an indication that an up sequence is complete. The SEQ_DONE pins is allows multiple cascaded ADM1186-1 devices to be perform controlled power up and down sequences. During a power down sequence the enable outputs turn off in reverse order. The sequence time delays between successive supplies the same as during the power up sequence, and no blanking time is used during a power down sequence. At the end of a down sequence the SEQ_DONE pin is brought low. During sequencing and when powered up, the state machine continuously monitors for any fault conditions. Faults include a UV condition on any of the inputs, or an unexpected control input. Any fault that occurs causes the state machine to enter a fault handler. This immediately turns off all enable outputs, and ensures that the device is ready to start a new up sequence. The ADM1186-1 has a bi-directional open drain pin,FAULT, that facilitates fault handling when using multiple devices. An ADM1186-1 experiencing a fault condition drives theFAULTpin low, causing other connected ADM1186-1devices to enter their own fault handling state.The ADM1186-1 is available in a 20-lead QSOP package and the ADM1186-2 is available in a 16-lead QSOP package. |
ADM1191Digital Power Monitor with Convert Pin and ALERTB Output | Power Management - Specialized | 1 | Active | The ADM1191 is an integrated current sense amplifier that offers digital current and voltage monitoring via an on-chip, 12-bit analog-to-digital converter (ADC), communicated through an I2C interface.An internal current sense amplifier senses voltage across the sense resistor in the power path via the VCC pin and the SENSE pin.A 12-bit ADC can measure the current seen in the sense resistor, as well as the supply voltage on the VCC pin.An industry-standard I2C interface allows a controller to read current and voltage data from the ADC. Measurements can be initiated by an I2C command or via the convert (CONV) pin. The CONV pin is especially useful for synchronizing reads on multiple ADM1191 devices. Alternatively, the ADC can run continuously, and the user can read the latest conversion data whenever it is required. Up to 16 unique I2C addresses can be created, depending on the way the A0 pin and the A1 pin are connected.A SETV pin is also included. A voltage applied to this pin is internally compared to the output voltage on the current sense amplifier. The output of the SETV comparator asserts when the current sense amplifier output exceeds the SETV voltage. When this event occurs, the ALERTB output asserts.The ALERTB output can be used as a flag to warn a micro-controller or field programmable gate array (FPGA) of an overcurrent condition. ALERTB outputs of multiple ADM1191 devices can be tied together and used as a combined alert.The ADM1191 is packaged in a 10-lead MSOP.APPLICATIONSPower monitoring/power budgetingCentral office equipmentTelecommunication and data communication equipmentPCs/servers |
ADM1192Digital Power Monitor with Clear Pin and ALERT Output | Development Boards, Kits, Programmers | 2 | Active | The ADM1192 is an integrated current sense amplifier that offers digital current and voltage monitoring via an on-chip, 12-bit analog-to-digital converter (ADC), communicated through an I2C interface.An internal current sense amplifier senses voltage across the sense resistor in the power path via the VCC pin and the SENSE pin.A 12-bit ADC can measure the current seen in the sense resistor and in the supply voltage on the VCC pin. An industry-standard I2C interface allows a controller to read current and voltage data from the ADC. Measurements can be initiated by an I2C command. Alternatively, the ADC can run continuously, and the user can read the latest conversion data whenever it is required. Up to four unique I2C addresses can be created, depending on the way the ADR pin is connected.A SETV pin is also included. A voltage applied to this pin is internally compared to the output voltage on the current sense amplifier. The output of the SETV comparator asserts when the current sense amplifier output exceeds the SETV voltage. This event is detected at the ALERT block. The ALERT block then charges up the external TIMER capacitor with a fixed current. When this timing cycle is complete, the ALERT output asserts.The ALERT output can be used as a flag to warn a micro-controller or field programmable gate array (FPGA) of an overcurrent condition. ALERT outputs of multiple ADM1192 devices can be tied together and used as a combined alert.A basic P-channel FET hot swap circuit can be implemented with the ALERT output. The value of the TIMER capacitor should be set so that the charging time of this capacitor is much longer than the period where a higher than nominal inrush current may be flowing.The ADM1192 is packaged in a 10-lead MSOP.APPLICATIONSPower monitoring/power budgetingCentral office equipmentTelecommunication and data communication equipmentPCs/servers |
ADM1232AMicroprocessor Supervisory Circuit | PMIC | 12 | Active | The ADM1232A is pin-compatible to the MAX1232, DS1232LP, and DS1232. The ADM1232A can detect strobe pulse widths as narrow as 20 ns, making it compatible with high speed microprocessors. The Analog Devices, Inc., ADM1232A is a microprocessor monitoring circuit that monitors micro-processor supply voltage. It can also detect if a microprocessor has locked up or an external interrupt has been issued. The ADM1232A is available in an 8-lead narrow body SOIC and is specified over the −40°C to +85°C temperature range.APPLICATIONSMicroprocessor systemsPortable equipmentComputersControllersIntelligent instrumentsAutomotive systemsProtection against damage caused by microprocessor failure |
ADM1266Cascadable Super Sequencer with Margin Control and Fault Recording | Power Management (PMIC) | 2 | Active | The ADM1266 Super Sequencer®is a configurable supervisory/sequencing device that offers a single-chip solution for supply monitoring and sequencing in systems with up to 17 supplies. For systems with more supplies (up to 257), the operation of up to 16 ADM1266 devices can be synchronized through a proprietary 2-wire interface (interdevice bus).The sequencing engine (SE) monitors the supply fault detectors (SFDs), programmable driver input/outputs (PDIOs), general-purpose inputs/outputs (GPIOs), and timers, and controls the PDIOs and GPIOs to sequence the supplies up and down as required. The logical core of the device is an ARM®Cortex-M3 microcontroller. The firmware is supplied by Analog Devices, Inc., and all configuration is performed through an intuitive graphic user interface (GUI).Additionally, the ADM1266 integrates an analog-to-digital converter (ADC) and voltage output digital-to-analog converters (DACs) that can be used to adjust either the feedback node or reference of a dc-to-dc converter to implement a closed-loop, autonomous, margining system.A block of nonvolatile EEPROM is available to record voltage, time, and fault information when instructed to by the sequencing engine configuration.APPLICATIONSCommunications infrastructureIndustrial test and measurement |
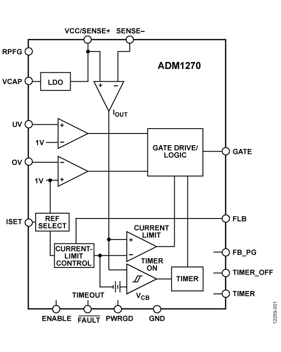
ADM1270High Voltage Input Protection Device | Power Management (PMIC) | 2 | Active | The ADM1270 is a current-limiting controller that provides inrush current limiting and overcurrent protection for modular or battery-powered systems. When circuit boards are inserted into a live backplane, discharged supply bypass capacitors draw large transient currents from the backplane power bus as they charge. These transient currents can cause permanent damage to connector pins, as well as dips on the backplane supply that can reset other boards in the system.The ADM1270 is designed to control the inrush current, when powering on the system, via an external P-channel field effect transistor (FET).To protect the system from a reverse polarity input supply, there is a provision made to control an additional external P-channel FET. This feature prevents reverse current flow in case of a reverse polarity connection, which can damage the load or the ADM1270. The ADM1270 is available in a 3 mm × 3 mm, 16-lead LFCSP and a 16-lead QSOP.ApplicationsIndustrial modulesBattery-powered/portable instrumentation |
ADM1272High Voltage Positive Hot Swap Controller and Digital Power Monitor with PMBus | Development Boards, Kits, Programmers | 2 | LTB | TheADM1272is a hot swap controller that allows a circuit board to be removed from or inserted into a live backplane. It also features current, voltage, and power readback via an integrated 12-bit analog-to-digital converter (ADC), accessed using a PMBus™interface. This device is able to withstand up to 120 V, which makes it very robust in surviving surges and transients commonly associated with high voltage systems, usually clamped using protection devices such as transient voltage suppressors (TVSs) that can often exceed 100 V.The load current, ILOAD, is measured using an internal current sense amplifier that measures the voltage across a sense resistor in the power path via the SENSE+ and SENSE− pins. A default current limit sense voltage of 30 mV is set, but this limit can be adjusted down, if required, using a resistor divider network from the VCAP regulator output voltage to the ISET pin. An additional resistor can also be placed from ISET to VIN(or VOUT) to allow the current limit to track inversely with the rail voltage. This resistor allows an approximate system power limit to be used.TheADM1272limits the current through the sense resistor by controlling the gate voltage of an external N channel field effect transistor (FET) in the power path. The sense voltage, and therefore the load current, is maintained below the preset maximum. TheADM1272protects the external FET by monitoring and limiting the energy transfer through the FET while the current is being controlled. This energy limit is set by the choice of components connected to the EFAULT pin (for fault protection mode) and the ESTART pin during startup. Therefore, different energy limits can be set for start-up and normal fault conditions. During startup, inrush currents are maintained very low and different areas of the safe operating area (SOA) curve are of interest, whereas during fault conditions, the currents can be much higher.The controller uses the drain to source voltage (VDS) across the FET to set the current profile of the EFAULT and ESTART pins and, therefore, the amount of much energy allowed to be transferred in the FET. This energy limit ensures the MOSFET remains within the SOA limits. Optionally, use a capacitor on the DVDT pin to set the output voltage ramp rate, if required. In case of a short-circuit event, a fast internal overcurrent detector responds in hundreds of ns and signals the gate to shut down. A 1.5 A pull-down device ensures a fast FET response. The gate then recovers control within 50 µs to ensure minimal disruption during conditions, such as line steps and surges. TheADM1272features overvoltage (OV) and undervoltage (UV) protection, programmed using external resistor dividers on the UVH, UVL, and OV pins. The use of two pins for undervoltage allows independent accurate rising and falling thresholds. The PWRGD output pin signals when the output voltage is valid and the gate is sufficiently enhanced. The validity of VOUTis determined using the PWGIN pin.The 12-bit ADC measures the voltage across the sense resistor, the supply voltage on the SENSE+ pin, the output voltage, and the temperature using an external NPN/PNP device. A PMBus interface allows a controller to read data from the ADC. As many as 16 unique I2C addresses can be selected, depending on how the two ADRx pins are connected. TheADM1272is available in a custom 48-lead LFCSP (7 mm × 8 mm) with a pinstrap mode that allows the device to be configured for automatic retry or latchoff when an overcurrent (OC) fault occurs.Applications48 V/54 V systemsServersPower monitoring and control/power budgetingCentral office equipmentTelecommunication and data communication equipmentIndustrial applications |
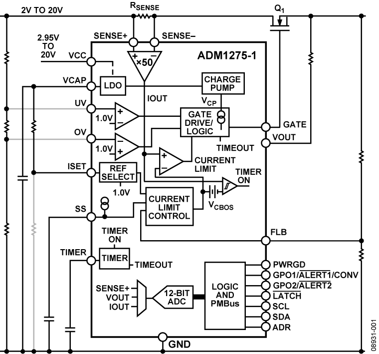
ADM1275Hot-Swap Controller and Digital Power Monitor with PMBus Interface | Evaluation and Demonstration Boards and Kits | 6 | Active | The ADM1275 is a hot-swap controller that allows a circuit board to be removed from or inserted into a live backplane. It also features current and voltage readback via an integrated 12-bit analog-to-digital converter (ADC), accessed using a PMBus™interface. The load current is measured using an internal current sense amplifier that measures the voltage across a sense resistor in the power path via the SENSE+ and SENSE− pins. A default limit of 20 mV is set, but this limit can be adjusted, if required, using a resistor divider network from the internal reference voltage to the ISET pin.The ADM1275 limits the current through the sense resistor by controlling the gate voltage of an external N-channel FET in the power path, via the GATE pin. The sense voltage—and, therefore, the load current—is maintained below the preset maximum. The ADM1275 protects the external FET by limiting the time that the FET remains on while the current is at its maximum value. This current limit time is set by the choice of capacitor connected to the TIMER pin. In addition, a foldback resistor network can be used to actively lower the current limit as the voltage across the FET is increased. This helps to maintain constant power in the FET and allows the safe operating area (SOA) to be adhered to in an effective manner.In case of a short-circuit event, a fast internal overcurrent detector responds within 370 ns and signals the gate to shut down. A 1500 mA pull-down device ensures a fast FET response. The ADM1275 features overvoltage and undervoltage protection, programmed using external resistor dividers on the UV and OV pins. A PWRGD signal can be used to detect when the output supply is valid, using the FLB pin to monitor the output. GPO pins can be configured as various output signals that can be asserted when a programmed current or voltage level is reached.The 12-bit ADC can measure the current in the sense resistor, as well as the supply voltage on the SENSE+ pin or the output voltage. A PMBus interface allows a controller to read current and voltage data from the ADC. Measurements can be initiated by a PMBus command. Alternatively, the ADC can run continuously, and the user can read the latest conversion data whenever required. Up to four unique PMBus addresses can be selected, depending on the way that the ADR pin is connected.The ADM1275-1 and ADM1275-3 are available in a 20-lead QSOP and 20-lead LFCSP and have aLATCHpin that can be configured for automatic retry or latch-off when an overcurrent fault occurs. The ADM1275-2 is available in a 16-lead QSOP with latch-off mode only.ApplicationsPower monitoring and control/power budgetingCentral office equipmentTelecommunication and data communication equipmentPCs/servers |
| Hot Swap Controllers | 2 | Obsolete | ||
| Part | Category | Description |
|---|---|---|
Analog Devices ADM6713RAKSZ-REELObsolete | Integrated Circuits (ICs) | IC SUPERVISOR 1 CHANNEL SC70-4 |
Analog Devices | RF and Wireless | RF AMP SINGLE GENERAL PURPOSE RF AMPLIFIER 20GHZ 3.6V 22-PIN DIE TRAY |
Analog Devices | Integrated Circuits (ICs) | LOW NOISE, SWITCHED CAPACITOR REGULATED VOLTAGE INVERTERS |
Analog Devices | Integrated Circuits (ICs) | QUAD 16-BIT/12-BIT ±10V VOUTSOFTSPAN DACS WITH 10PPM/°C MAX REFERENCE |
Analog Devices | Integrated Circuits (ICs) | SERIAL 14-BIT, 3.5MSPS SAMPLING ADC WITH BIPOLAR INPUTS |
Analog Devices | Integrated Circuits (ICs) | ISOSPI ISOLATED COMMUNICATIONS INTERFACE |
Analog Devices | Integrated Circuits (ICs) | 4.5A, 500KHZ STEP-DOWN SWITCHING REGULATOR |
Analog Devices | Integrated Circuits (ICs) | 300 MA, LOW QUIESCENT CURRENT, ADJUSTABLE OUTPUT, CMOS LINEAR REGULATOR |
Analog Devices AD767KNObsolete | Integrated Circuits (ICs) | IC DAC 12BIT V-OUT 24DIP |
Analog Devices | Integrated Circuits (ICs) | QUAD 12-/10-/8-BIT RAIL-TO-RAIL DACS WITH 10PPM/°C REFERENCE |