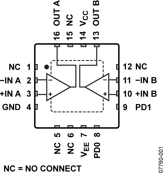
AD8398ASingle Port VDSL2 Line Driver with Shutdown | Drivers, Receivers, Transceivers | 4 | Active | The AD8398A comprises two high speed, voltage feedback operational amplifiers. When configured as a differential line driver, the AD8398A is an ideal choice for ADSL2+, VDSL2, and power line communications (PLC) applications. It has high output current, high bandwidth, and fast slew rate, combined with exceptional multitone power ratio (MTPR) and commonmode stability. The AD8398A is available in a thermally enhanced 4 mm × 4 mm, 16-lead LFCSP.The AD8398A incorporates power management functionality via two CMOS-compatible control pins, PD0 and PD1. These pins select one of four operating modes: full power, medium power, low power, or complete power-down. In the power-down mode, the quiescent current drops to 0.7 mA.The AD8398A operates in the industrial temperature range of −40°C to +85°C.ApplicationsADSL2+/VDSL2 CO/CPE line driversPLC line driversConsumer xDSL modemsTwisted pair line drivers |
| Data Acquisition | 10 | Active | |
| Data Acquisition | 19 | Active | |
| Integrated Circuits (ICs) | 12 | Active | |
| Amplifiers | 4 | Active | |
AD8410A−2 V to 70 V Wide Input Voltage Range, 2.2 MHz High Bandwidth, Current-Sense Amplifier with PWM Rejection and Gain 20 V/V | Linear | 2 | Active | The AD8410A is a high voltage, high bandwidth current-sense amplifier. The device features an initial gain of 20 V/V, with a 2.2 MHz bandwidth with a maximum ±0.13% gain error over the entire temperature range. The buffered output voltage directly interfaces with any typical converter. The AD8410A has a minimum DC common-mode rejection ratio (CMRR) of 123 dB from −2 V to +70 V. The AD8410A performs bidirectional current measurements across a shunt resistor in a variety of industrial and automotive applications.The AD8410A offers breakthrough performance throughout the −40°C to +125°C temperature range. The device features an in-package trim core, which leads to a typical offset drift of ±0.21 μV/°C (based on Box Method, see Figure 56) throughout the operating temperature range and the common-mode voltage range without the need for chopping and autozero clocks (which could lead to intermodulation in the application). The device in- cludes circuitry to achieve a wide input common-mode range and balanced input bias currents, regardless of input differential voltage or common-mode voltage, and circuitry to achieve ultra-low CMRR drift. The device also includes circuitry to enable output accuracy in the presence of pulse-width modulation (PWM) type input common-mode voltages. The AD8410A is available in 8-lead, SOIC_N package and 8-lead, MSOP package.APPLICATIONSIn-phase or High-side current sensing inMotor control in BLDC motors, Low-inductance motorsBidirectional 48 V to 12 V DC-DC convertersSolenoid controlsPower rail monitoringLow-side current sensingDatacenter power supply unit (PSU) and battery backup unit (BBU)Protected by U.S. patent numbers 10,312,865 and 10,587,228. |
| Op Amp Evaluation Boards | 2 | Active | |
AD8411A−2 V to 70 V Wide Input Voltage Range, 2.7 MHz High Bandwidth, Current-Sense Amplifier with PWM Rejection and Gain 50 V/V | Linear | 2 | Active | TThe AD8411A is a high-voltage, high-bandwidth current-sense amplifier. The device features an initial gain of 50 V/V, with a 2.7 MHz bandwidth with a maximum ±0.15% gain error over the entire temperature range. The buffered output voltage directly interfaces with any typical converter. The AD8411A has a minimum DC com- mon-mode rejection ratio (CMRR) of 123 dB from −2 V to +70 V. The AD8411A performs bidirectional current measurements across a shunt resistor in various industrial and automotive applications.The AD8411A offers breakthrough performance throughout the −40°C to +125°C temperature range. The device features an in-package trim core, which leads to a typical offset drift of ±0.26 μV/°C (based on Box Method, see Figure 56) throughout the operating temperature range and the common-mode voltage range without the need for chopping and auto-zero clocks (which could lead to intermodulation in the application). The device includes circuitry to achieve a wide input common-mode range and balanced input bias currents, regardless of input differential voltage or common-mode voltage, and circuitry to achieve ultra-low CMRR drift. The device also includes circuitry to enable output accuracy in the presence of pulse-width modulation (PWM) type input common-mode voltages. The AD8411A is available in 8-lead SOIC_N, 8-lead MSOP, and 10-lead MSOP packages.ApplicationsIn-phase or High-side current sensing inBLDC motors, Low-inductance motorsBidirectional 48 V to 12 V DC-DC convertersSolenoid controlsPower rail monitoringLow-side current sensingDatacenter power supply unit (PSU) and battery backup unit (BBU)Protected by U.S. patent numbers 10,312,865 and 10,587,228. |
AD8417Bidirectional, Zero Drift, Current Sense Amplifier | Evaluation Boards | 10 | Active | The AD8417 is a high voltage, high resolution current shunt amplifier. It features an initial gain of 60 V/V, with a maximum ±0.3% gain error over the entire temperature range. The buffered output voltage directly interfaces with any typical converter. The AD8417 offers excellent input common-mode rejection from −2 V to +70 V. The AD8417 performs bidirectional current measurements across a shunt resistor in a variety of automotive and industrial applications, including motor control, power management, and solenoid control.The AD8417 offers breakthrough performance throughout the −40°C to +150°C temperature range. It features a zero drift core, which leads to a typical offset drift of 0.1 µV/°C throughout the operating temperature range and the common-mode voltage range. The AD8417 is qualified for automotive applications. The device includes EMI filters and patented circuitry to enable output accuracy with pulse-width modulation (PWM) type input common-mode voltages. The typical input offset voltage is ±200 µV. The AD8417 is offered in 8-lead MSOP and SOIC packages.ApplicationsHigh-side current sensing inMotor controlsSolenoid controlsPower managementLow-side current sensingDiagnostic protection |
AD8417-21 mm × 1.9 mm WLCSP, High Common-Mode, Bidirectional, Zero Drift, Current Sense Amplifier | Instrumentation, Op Amps, Buffer Amps | 1 | Active | The AD8417-2 is a high voltage, high resolution, and dual channel current sense amplifier. It features an initial gain of 60 V/V, with a maximum ±0.3% gain error over the entire temperature range. The AD8417-2 performs bidirectional current measurements across a shunt resistor in a variety of applications, including motor control, power management, and solenoid control.The AD8417-2 offers breakthrough performance throughout the −40°C to +125°C temperature range. It features a zero drift core, which leads to a typical offset drift of 0.1 μV/°C throughout the operating temperature range and the common-mode voltage range. The device includes EMI filters and patented circuitry to enable output accuracy with pulse-width modulation (PWM) type input common-mode voltages. The typical input offset voltage is ±200 μV.The AD8417-2 is offered in a small 10-ball 1 mm × 1.9 mm WLCSP. It requires a smaller board area than a typical single-channel current sense amplifier, increasing channel density, without compromising performance.APPLICATIONSHigh-side current sensing in:Motor controlsSolenoid controlsPower managementLow-side current sensingDiagnostic protectionRelated DevicesPart No.DescriptionAD8205Current sense amplifier, gain = 50AD8206Current sense amplifier, gain = 20AD8207High accuracy current-sense amplifier, gain = 20AD8210High speed current sense amplifier, gain = 20AD8417High accuracy current sense amplifier, gain = 60AD8418AHigh accuracy current sense amplifier, gain = 20 |