A
Analog Devices Inc./Maxim Integrated
| Series | Category | # Parts | Status | Description |
|---|---|---|---|---|
| Part | Spec A | Spec B | Spec C | Spec D | Description |
|---|---|---|---|---|---|
| Series | Category | # Parts | Status | Description |
|---|---|---|---|---|
| Part | Spec A | Spec B | Spec C | Spec D | Description |
|---|---|---|---|---|---|
| Part | Category | Description |
|---|---|---|
Analog Devices Inc./Maxim Integrated LTC1879EGN#TRUnknown | Integrated Circuits (ICs) | IC REG BUCK ADJ 1.2A 16SSOP |
Analog Devices Inc./Maxim Integrated LTC2208CUP#TRUnknown | Integrated Circuits (ICs) | IC ADC 16BIT 130MSPS 64-QFN |
Analog Devices Inc./Maxim Integrated ADP2108ACBZ-1.1-R7Obsolete | Integrated Circuits (ICs) | IC REG BUCK 1.1V 600MA 5WLCSP |
Analog Devices Inc./Maxim Integrated EV1HMC832ALP6GObsolete | Development Boards Kits Programmers | EVAL BOARD FOR HMC832ALP6GE |
Analog Devices Inc./Maxim Integrated LTC488ISWUnknown | Integrated Circuits (ICs) | IC LINE RCVR RS485 QUAD 16-SOIC |
Analog Devices Inc./Maxim Integrated LTC6946IUFD-2Obsolete | Integrated Circuits (ICs) | IC CLK/FREQ SYNTH 28QFN |
Analog Devices Inc./Maxim Integrated MAX5556ESA+TObsolete | Integrated Circuits (ICs) | IC DAC/AUDIO 16BIT 50K 8SOIC |
Analog Devices Inc./Maxim Integrated EVAL-FLTR-LD-1RZUnknown | Unclassified | EVAL BRD FOR AD800 SERIES |
Analog Devices Inc./Maxim Integrated | Development Boards Kits Programmers | BOARD EVAL FOR AD9963 |
Analog Devices Inc./Maxim Integrated LTC1296CCSW#TRUnknown | Integrated Circuits (ICs) | IC DATA ACQ SYS 12BIT 5V 20SOIC |
| Series | Category | # Parts | Status | Description |
|---|---|---|---|---|
| Voltage Regulators - DC DC Switching Regulators | 13 | Active | ||
| Integrated Circuits (ICs) | 4 | Active | ||
| PMIC | 8 | Active | ||
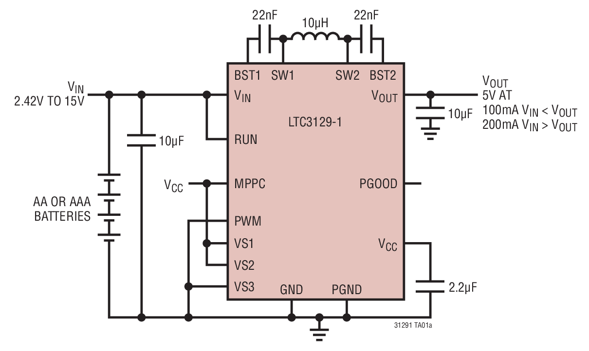
LTC312915V, 200mA Synchronous Buck-Boost DC/DC Converter with 1.3μA Quiescent Current | Voltage Regulators - DC DC Switching Regulators | 11 | Active | The LTC3129-1 is a high efficiency, 200mA buck-boost DC/DC converter with a wide VINand VOUTrange. It includes an accurate RUN pin threshold to allow predictable regulator turn-on and a maximum power point control (MPPC) capability that ensures maximum power extraction from non-ideal power sources such as photovoltaic panels.The LTC3129-1 employs an ultralow noise, 1.2MHz PWM switching architecture that minimizes solution footprint by allowing the use of tiny, low profile inductors and ceramic capacitors. Built-in loop compensation and soft-start simplify the design. For high efficiency operation at light loads, automatic Burst Mode operation can be selected, reducing the quiescent current to just 1.3μA. To further reduce part count and improve light load efficiency, the LTC3129-1 includes an internal voltage divider to provide eight selectable fixed output voltages.Additional features include a power good output, less than 10nA of shutdown current and thermal shutdown.The LTC3129-1 is available in thermally enhanced 3mm × 3mm QFN and 16-lead MSOP packages. For an adjustable output voltage, see the functionally equivalent LTC3129.Output VoltageLTC3129Adjustable 1.4V to 15.75V via resistor dividerLTC3129-18 pin programmable output voltages from 2.5V to 15VApplicationsIndustrial Wireless Sensor NodesPost-Regulator for Harvested EnergySolar Panel Post-Regulator/ChargerIntrinsically Safe Power SuppliesWireless MicrophonesAvionics-Grade Wireless Headsets |
LTC3129-115V, 200mA Synchronous Buck-Boost DC/DC Converter with 1.3μA Quiescent Current | Integrated Circuits (ICs) | 6 | Active | The LTC3129-1 is a high efficiency, 200mA buck-boost DC/DC converter with a wide VINand VOUTrange. It includes an accurate RUN pin threshold to allow predictable regulator turn-on and a maximum power point control (MPPC) capability that ensures maximum power extraction from non-ideal power sources such as photovoltaic panels.The LTC3129-1 employs an ultralow noise, 1.2MHz PWM switching architecture that minimizes solution footprint by allowing the use of tiny, low profile inductors and ceramic capacitors. Built-in loop compensation and soft-start simplify the design. For high efficiency operation at light loads, automatic Burst Mode operation can be selected, reducing the quiescent current to just 1.3μA. To further reduce part count and improve light load efficiency, the LTC3129-1 includes an internal voltage divider to provide eight selectable fixed output voltages.Additional features include a power good output, less than 10nA of shutdown current and thermal shutdown.The LTC3129-1 is available in thermally enhanced 3mm × 3mm QFN and 16-lead MSOP packages. For an adjustable output voltage, see the functionally equivalent LTC3129.Output VoltageLTC3129Adjustable 1.4V to 15.75V via resistor dividerLTC3129-18 pin programmable output voltages from 2.5V to 15VApplicationsIndustrial Wireless Sensor NodesPost-Regulator for Harvested EnergySolar Panel Post-Regulator/ChargerIntrinsically Safe Power SuppliesWireless MicrophonesAvionics-Grade Wireless Headsets |
| Development Boards, Kits, Programmers | 21 | Active | ||
| PMIC | 4 | Active | ||
| Power Management (PMIC) | 2 | Active | ||
LTC3202Low Noise, High Efficiency Charge Pump for White LEDs | PMIC | 5 | Active | The LTC3202 is a low noise, constant frequency charge pump DC/DC converter that uses fractional conversion to increase efficiency in white LED applications. The part can be used to produce a regulated voltage or current of up to 125mA from a 2.7V to 4.5V input. Low external parts count (two flying capacitors and two small bypass capacitors at VINand VOUT) make the LTC3202 ideally suited for small, battery-powered applications.An internal 2-bit DAC allows LED current to be adjusted for LED brightness control. The LTC3202 also has thermal shutdown protection and can survive a continuous short-circuit from VOUTto GND. Built-in soft-start circuitry prevents excessive inrush current during start-up. High switching frequency enables the use of small external capacitors. A low current shutdown feature disconnects the load from VINand reduces quiescent current to less than 1µA.The LTC3202 is available in the 10-pin MSOP and 3mm x 3mm DFN packages.ApplicationsWhite LED BacklightingProgrammable Boost Current Source |
| PMIC | 8 | Active | ||