A
Analog Devices Inc./Maxim Integrated
| Series | Category | # Parts | Status | Description |
|---|---|---|---|---|
| Part | Spec A | Spec B | Spec C | Spec D | Description |
|---|---|---|---|---|---|
| Series | Category | # Parts | Status | Description |
|---|---|---|---|---|
| Part | Spec A | Spec B | Spec C | Spec D | Description |
|---|---|---|---|---|---|
| Part | Category | Description |
|---|---|---|
Analog Devices Inc./Maxim Integrated LTC1879EGN#TRUnknown | Integrated Circuits (ICs) | IC REG BUCK ADJ 1.2A 16SSOP |
Analog Devices Inc./Maxim Integrated LTC2208CUP#TRUnknown | Integrated Circuits (ICs) | IC ADC 16BIT 130MSPS 64-QFN |
Analog Devices Inc./Maxim Integrated ADP2108ACBZ-1.1-R7Obsolete | Integrated Circuits (ICs) | IC REG BUCK 1.1V 600MA 5WLCSP |
Analog Devices Inc./Maxim Integrated EV1HMC832ALP6GObsolete | Development Boards Kits Programmers | EVAL BOARD FOR HMC832ALP6GE |
Analog Devices Inc./Maxim Integrated LTC488ISWUnknown | Integrated Circuits (ICs) | IC LINE RCVR RS485 QUAD 16-SOIC |
Analog Devices Inc./Maxim Integrated LTC6946IUFD-2Obsolete | Integrated Circuits (ICs) | IC CLK/FREQ SYNTH 28QFN |
Analog Devices Inc./Maxim Integrated MAX5556ESA+TObsolete | Integrated Circuits (ICs) | IC DAC/AUDIO 16BIT 50K 8SOIC |
Analog Devices Inc./Maxim Integrated EVAL-FLTR-LD-1RZUnknown | Unclassified | EVAL BRD FOR AD800 SERIES |
Analog Devices Inc./Maxim Integrated | Development Boards Kits Programmers | BOARD EVAL FOR AD9963 |
Analog Devices Inc./Maxim Integrated LTC1296CCSW#TRUnknown | Integrated Circuits (ICs) | IC DATA ACQ SYS 12BIT 5V 20SOIC |
| Series | Category | # Parts | Status | Description |
|---|---|---|---|---|
| Power Management (PMIC) | 8 | Active | ||
LTC3114-140V, 1A Synchronous Buck-Boost DC/DC Converter with Programmable Output Current | Power Management (PMIC) | 19 | Active | The LTC3114-1 is a versatile, wide operating voltage range synchronous monolithic buck-boost DC/DC converter with programmable average output current. The LTC3114-1’s proprietary buck-boost PWM control circuitry delivers low noise operation across the entire operating voltage range. Current mode control ensures exceptional line and load transient responses.Synchronous, internal MOSFET switches and pin selectable Burst Mode operation maintain high efficiency across the entire range of load current. Average output current is programmed with a standard resistor and provides the basis for wide input range, high efficiency charging systems or constant current, high efficiency LED drive. Regulator turn-on is programmable through the accurate RUN pin. Quiescent current is just 3µA in shutdown. Overtemperature protection, short-circuit protection and soft-start are integrated. The LTC3114-1 is offered in 16-lead 3mm × 5mm × 0.75mm DFN and 16 lead TSSOP (FE) packages.Applications24V/28V Industrial Power Supply12V Lead-Acid to 12V RegulatorHigh Power LED Driver12V/24V Solar Panel Battery Charging SystemsAutomotive Power Systems |
LTC3115-140V, 2A Synchronous Buck-Boost DC/DC Converter | PMIC | 14 | Active | The LTC3115-1 is a high voltage monolithic synchronous buck-boost DC/DC converter. Its wide 2.7V to 40V input and output voltage ranges make it well suited to a wide variety of automotive and industrial applications. A proprietary low noise switching algorithm optimizes efficiency with input voltages that are above, below or even equal to the output voltage and ensures seamless transitions between operational modes.Programmable frequency PWM mode operation provides low noise, high efficiency operation and the ability to synchronize switching to an external clock. Switching frequencies up to 2MHz are supported to allow use of small value inductors for miniaturization of the application circuit. Pin selectable Burst Mode operation reduces standby current and improves light load efficiency which, combined with a 3µA shutdown current, make the LTC3115-1 ideally suited for battery-powered applications. Additional features include output disconnect in shutdown, short-circuit protection and internal soft-start. The LTC3115-1 is available in thermally enhanced 16-lead 4mm × 5mm × 0.75mm DFN and 20-lead TSSOP packages.FeaturesLTC3115-1-LTC3115-2Optimized for applications subject to fast (<1ms) input voltage transientsAPPLICATIONS24V/28V Industrial ApplicationsAutomotive Power SystemsTelecom, Servers and Networking EquipmentFireWire RegulatorMultiple Power Source Supplies |
LTC3115-240V, 2A Synchronous Buck-Boost DC/DC Converter | PMIC | 12 | Active | The LTC3115-2 is a high voltage monolithic synchronous buck-boost DC/DC converter optimized for applications subject to fast (<1ms) input voltage transients. For all other applications, the LTC3115-1 is recommended. With its wide 2.7V to 40V input and output voltage ranges, the LTC3115-2 is well suited for use in a wide variety of automotive and industrial power supplies. A proprietary low noise switching algorithm optimizes efficiency with input voltages that are above, below or even equal to the output voltage and ensures seamless transitions between operational modes.Programmable frequency PWM mode operation provides low noise, high efficiency operation and the ability to synchronize switching to an external clock. Switching frequencies up to 2MHz are supported to allow use of small value inductors for miniaturization of the application circuit. Pin selectable Burst Mode operation reduces standby current and improves light load efficiency which, combined with a 3µA shutdown current, make the LTC3115-2 ideally suited for battery-powered applications. Additional features include output disconnect in shutdown, short-circuit protection and internal soft-start. The LTC3115-2 is available in thermally enhanced 16-lead 4mm × 5mm × 0.75mm DFN and 20-lead TSSOP packages.FeaturesLTC3115-1-LTC3115-2Optimized for applications subject to fast (<1ms) input voltage transientsAPPLICATIONS24V/28V Industrial ApplicationsAutomotive Power SystemsTelecom, Servers and Networking EquipmentFireWire RegulatorMultiple Power Source Supplies |
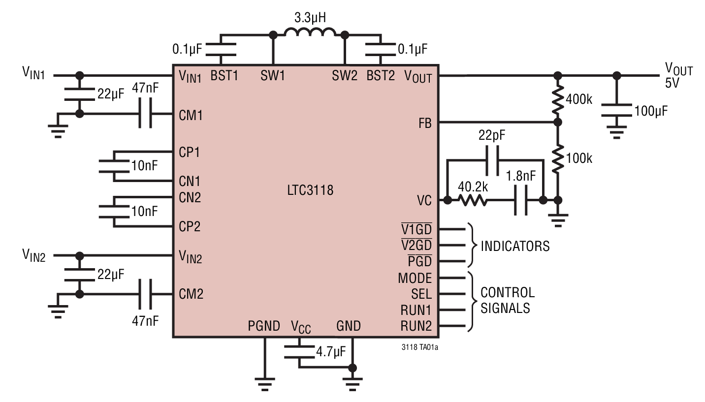
LTC311818V, 2A Buck-Boost DC/DC Converter with Low-Loss Dual Input PowerPath | Power Management (PMIC) | 19 | Active | The LTC3118 is a dual-input, wide voltage range synchronous buck-boost DC/DC converter with an intelligent, integrated, low loss PowerPath control. The unique power switch architecture provides efficient operation from either input source to a programmable output voltage above, below or equal to the input. Voltage capability of up to 18V provides flexibility and voltage margin for a wide variety of applications and power sources.The LTC3118 uses a low noise, current mode architecture with a fixed 1.2MHz PWM mode frequency that minimizes the solution footprint. For high efficiency at light loads, automatic Burst Mode operation can be selected consuming only 50μA of quiescent current in sleep.System level features include ideal diode or VINpriority modes, VINand VOUTpower good indicators, accurate RUN comparators to program independent UVLO thresholds, and output disconnect in shutdown. Other features include 2μA shutdown current, short-circuit protection, soft-start, current limit and thermal overload protection.The LTC3118 is offered in thermally enhanced 24-lead 4mm × 5mm QFN and 28-lead TSSOP packages.ApplicationsSystems with Multiple Input SourcesBack Up Power SystemsWall Adapter or Li-Ion(s) Input to 5VOUTBattery or Super Capacitor Input for Reserve PowerReplace Diode-OR Designs with Higher Efficiency, Flexibility and Performance |
| PMIC | 14 | Active | ||
| Evaluation Boards | 5 | Active | ||
| PMIC | 10 | Active | ||
LTC312415V, 5A 2-Phase Synchronous Step-Up DC/DC Converter with Output Disconnect | PMIC | 11 | Active | The LTC3124 is a dual-phase, synchronous step-up DC/DC converter with true output disconnect and inrush current limiting capable of providing output voltages up to 15V. Dual-phase operation significantly reduces peak inductor and capacitor ripple currents, minimizing inductor and capacitor size. The 2.5A per phase current limit, along with the ability to program output voltages up to 15V make the LTC3124 well suited for a variety of demanding applications. Once started, operation will continue with inputs down to 500mV.The LTC3124 switching frequency can be programmed from 100kHz to 3MHz to optimize applications for highest efficiency or smallest solution footprint. The oscillator can be synchronized to an external clock for noise sensitive applications. Selectable Burst Mode operation reduces quiescent current to 25μA, ensuring high efficiency across the entire load range. An internal soft-start limits inrush current during start-up.Other features include a <1μA shutdown current and robust protection under short-circuit, thermal overload, and output overvoltage conditions. The LTC3124 is offered in both 16-lead DFN and thermally-enhanced TSSOP packages.ApplicationsRF, Microwave Power AmplifiersPiezo ActuatorsSmall DC Motors, Thermal Printers12V Analog Rail from Battery, 5V, or Backup Capacitor |
| Development Boards, Kits, Programmers | 4 | Active | ||