A
Analog Devices Inc./Maxim Integrated
| Series | Category | # Parts | Status | Description |
|---|---|---|---|---|
| Part | Spec A | Spec B | Spec C | Spec D | Description |
|---|---|---|---|---|---|
| Series | Category | # Parts | Status | Description |
|---|---|---|---|---|
| Part | Spec A | Spec B | Spec C | Spec D | Description |
|---|---|---|---|---|---|
| Part | Category | Description |
|---|---|---|
Analog Devices Inc./Maxim Integrated LTC1879EGN#TRUnknown | Integrated Circuits (ICs) | IC REG BUCK ADJ 1.2A 16SSOP |
Analog Devices Inc./Maxim Integrated LTC2208CUP#TRUnknown | Integrated Circuits (ICs) | IC ADC 16BIT 130MSPS 64-QFN |
Analog Devices Inc./Maxim Integrated ADP2108ACBZ-1.1-R7Obsolete | Integrated Circuits (ICs) | IC REG BUCK 1.1V 600MA 5WLCSP |
Analog Devices Inc./Maxim Integrated EV1HMC832ALP6GObsolete | Development Boards Kits Programmers | EVAL BOARD FOR HMC832ALP6GE |
Analog Devices Inc./Maxim Integrated LTC488ISWUnknown | Integrated Circuits (ICs) | IC LINE RCVR RS485 QUAD 16-SOIC |
Analog Devices Inc./Maxim Integrated LTC6946IUFD-2Obsolete | Integrated Circuits (ICs) | IC CLK/FREQ SYNTH 28QFN |
Analog Devices Inc./Maxim Integrated MAX5556ESA+TObsolete | Integrated Circuits (ICs) | IC DAC/AUDIO 16BIT 50K 8SOIC |
Analog Devices Inc./Maxim Integrated EVAL-FLTR-LD-1RZUnknown | Unclassified | EVAL BRD FOR AD800 SERIES |
Analog Devices Inc./Maxim Integrated | Development Boards Kits Programmers | BOARD EVAL FOR AD9963 |
Analog Devices Inc./Maxim Integrated LTC1296CCSW#TRUnknown | Integrated Circuits (ICs) | IC DATA ACQ SYS 12BIT 5V 20SOIC |
| Series | Category | # Parts | Status | Description |
|---|---|---|---|---|
LTC3215700mA Low Noise High Current LED Charge Pump | PMIC | 2 | Active | The LTC3215 is a low noise, high current charge pump DC/DC converter designed to power high current LEDs. The part includes an accurate programmable current source capable of driving loads up to 700mA from a 2.9V to 4.4V input. Low external parts count (two flying capacitors, one programming resistor and two bypass capacitors) makes the LTC3215 ideally suited for small, battery powered applications.Built-in soft-start circuitry prevents excessive inrush current during start-up. High switching frequency enables the use of small external capacitors. LED current is programmed with an external resistor. The LED is disconnected from VINduring shutdown.An ultralow dropout current source maintains accurate LED current at very low ILEDvoltages. Automatic mode switching optimizes efficiency by monitoring the voltage across the LED current source and switching modes only when ILEDdropout is detected. The LTC3215 is available in a low profile 3mm × 3mm 10-Lead DFN package.ApplicationsLED Torch/Camera Light Supply for Cell Phones, PDAs and Digital CamerasGeneral Lighting and/or Flash/Strobe Applications |
LTC32161A Low Noise High Current LED Charge Pump with Independent Torch/Flash Current Control | Power Management (PMIC) | 2 | Active | The LTC3216 is a low noise, high current charge pump DC/DC converter designed to power high current LEDs. The part includes an accurate programmable current source capable of driving loads up to 1A from a 2.9V to 4.4V input. Low external parts count (two flying capacitors, two programming resistors and two bypass capacitors at VINand CPO) make the LTC3216 ideally suited for small, battery-powered applications.Built-in soft-start circuitry prevents excessive inrush current during start-up. High switching frequency enables the use of small external capacitors. Independent high and low current settings are programmed by two external resistors. Shutdown mode and current output levels are selected via two logic inputs.An ultralow dropout current source maintains accurate LED current at very low ILEDvoltages. Automatic mode switching optimizes efficiency by monitoring the voltage across the LED current source and switching modes only when ILEDdropout is detected. The LTC3216 is available in a small 3mm x 4mm 12-Lead DFN package.ApplicationsLED Torch/Camera Light Supply for Cell Phones, PDAs and Digital CamerasGeneric Lighting and/or Flash/Strobe Applications |
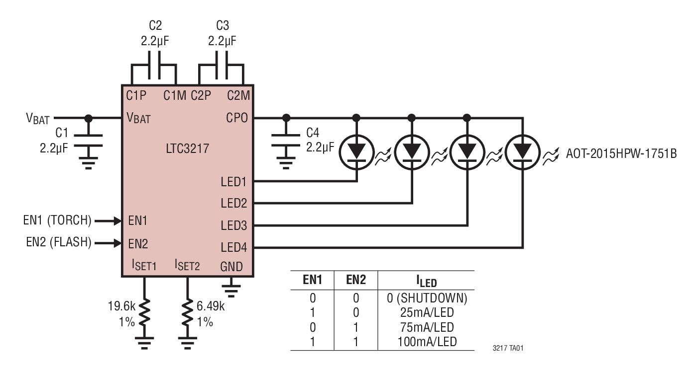
LTC3217600mA Low Noise Multi-LED Camera Light Charge Pumps | Integrated Circuits (ICs) | 2 | Active | The LTC3217 is a low noise charge pump DC/DC converter designed to power four high current LEDs. The LTC3217 requires only four small ceramic capacitors and two current set resistors to form a complete LED power supply and current controller.Built-in soft-start circuitry prevents excessive inrush current during start-up and mode changes. High switching frequency enables the use of small external capacitors. Independent high and low current settings are programmed by two external resistors. Shutdown mode and current output levels are selected via two logic inputs.The current through the LEDs is programmed via ISET1and ISET2. In addition, the brightness can be controlled by pulse width modulation of the EN2 pin.The charge pump optimizes efficiency based on the voltage across the LED current sources. The part powers up in 1x mode and will automatically switch to boost mode whenever any enabled LED current source begins to enter dropout. The first dropout switches the part into 1.5x mode and a subsequent dropout switches the part into 2x mode. The LTC3217 resets to 1x mode whenever the part is shut down.The LTC3217 is available in a low profile 16-lead (3mm × 3mm × 0.75mm) QFN package.ApplicationsMulti-LED Camera Light Supply for Cellphones/ DSCs/PDAs |
| Development Boards, Kits, Programmers | 3 | Active | ||
LTC3219250mA Universal Nine Channel LED Driver | Power Management (PMIC) | 2 | Active | The LTC3219 is a highly integrated multidisplay LED driver. The device contains a high efficiency, low noise charge pump to provide power to nine universal LED current sources. The LTC3219 requires only five small ceramic capacitors to form a complete LED power supply and current controller.The maximum display currents are set by an internal precision current reference. Independent dimming, On/Off, blinking and gradation control for all current sources is achieved via the I2C serial interface. 6-bit linear DACs are available for adjusting brightness levels for each universal LED current source.The LTC3219 charge pump optimizes efficiency based on the voltage across the LED current sources. The device powers up in 1x mode and will automatically switch to boost mode whenever any enabled LED current source begins to enter dropout. The first dropout switches the IC into 1.5x mode and a subsequent dropout switches the LTC3219 into 2x mode. The part resets to 1x mode whenever a data register is updated via the I2C port.ApplicationsVideo Phones with QVGA+ Displays |
| Power Management (PMIC) | 2 | Obsolete | ||
| PMIC | 8 | Active | ||
| Power Management (PMIC) | 6 | Active | ||
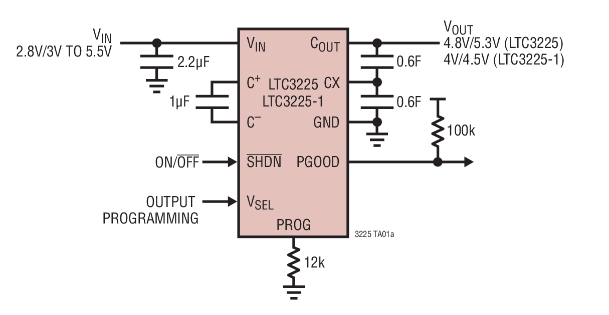
LTC3225150mA Supercapacitor Charger | PMIC | 4 | Active | The LTC3225/LTC3225-1 are programmable supercapacitor chargers designed to charge two supercapacitors in series to a selectable fixed output voltage (4.8V/5.3V for the LTC3225 and 4V/4.5V for the LTC3225-1) from input supplies as low as 2.8V to 5.5V. Automatic cell balancing prevents overvoltage damage to either supercapacitor. No balancing resistors are required.Low input noise, low quiescent current and low external parts count (one flying capacitor, one bypass capacitor at VINand one programming resistor) make the LTC3225/LTC3225-1 ideally suited for small battery-powered applications.Charge current level is programmed with an external resistor. When the input supply is removed, the LTC3225/LTC3225-1 automatically enter a low current state, drawing less than 1μA from the supercapacitors.The LTC3225/LTC3225-1 are available in a 10-lead 2mm × 3mm DFN package.ApplicationsCurrent Limited Applications with High Peak Power Loads (LED Flash, PCMCIA Tx Bursts, HDD Bursts, GPRS/GSM Transmitter)Backup Supplies |
LTC32262-Cell Supercapacitor Charger with Backup PowerPath Controller | Power Management (PMIC) | 4 | Active | The LTC3226 is a 2-cell series supercapacitor charger with a backup PowerPath controller. It includes a charge pump supercapacitor charger with programmable output voltage, a low dropout regulator, and a power-fail comparator for switching between normal and backup modes.The constant input current supercapacitor charger is designed to charge two supercapacitors in series to a resistor-programmable output voltage from a 2.5V to 5.3V input supply. The charger input current limit is programmable by an external resistor at up to 315mA.The internal backup LDO is powered from the supercapacitors and provides up to 2A peak output current with an adjustable output voltage. When the input supply falls below the power-fail threshold, the LTC3226 automatically enters a backup state in which the supercapacitors power the output through the LDO. The input supply power-fail voltage level is programmed by an external resistor divider.Low input noise, low quiescent current and a compact footprint make the LTC3226 ideally suited for small, batterypowered applications. Internal current limit and thermal shutdown circuitry allow the device to survive a continuous short-circuit from the PROG or CPO pins to ground.ApplicationsSmart Power MetersBattery-Powered Industrial/Medical Equipment3.3V Solid-State DrivesIndustrial AlarmsData Backup SuppliesBattery Hold-Up Supplies |