A
Analog Devices Inc./Maxim Integrated
| Series | Category | # Parts | Status | Description |
|---|---|---|---|---|
| Part | Spec A | Spec B | Spec C | Spec D | Description |
|---|---|---|---|---|---|
| Series | Category | # Parts | Status | Description |
|---|---|---|---|---|
| Part | Spec A | Spec B | Spec C | Spec D | Description |
|---|---|---|---|---|---|
| Part | Category | Description |
|---|---|---|
Analog Devices Inc./Maxim Integrated LTC1879EGN#TRUnknown | Integrated Circuits (ICs) | IC REG BUCK ADJ 1.2A 16SSOP |
Analog Devices Inc./Maxim Integrated LTC2208CUP#TRUnknown | Integrated Circuits (ICs) | IC ADC 16BIT 130MSPS 64-QFN |
Analog Devices Inc./Maxim Integrated ADP2108ACBZ-1.1-R7Obsolete | Integrated Circuits (ICs) | IC REG BUCK 1.1V 600MA 5WLCSP |
Analog Devices Inc./Maxim Integrated EV1HMC832ALP6GObsolete | Development Boards Kits Programmers | EVAL BOARD FOR HMC832ALP6GE |
Analog Devices Inc./Maxim Integrated LTC488ISWUnknown | Integrated Circuits (ICs) | IC LINE RCVR RS485 QUAD 16-SOIC |
Analog Devices Inc./Maxim Integrated LTC6946IUFD-2Obsolete | Integrated Circuits (ICs) | IC CLK/FREQ SYNTH 28QFN |
Analog Devices Inc./Maxim Integrated MAX5556ESA+TObsolete | Integrated Circuits (ICs) | IC DAC/AUDIO 16BIT 50K 8SOIC |
Analog Devices Inc./Maxim Integrated EVAL-FLTR-LD-1RZUnknown | Unclassified | EVAL BRD FOR AD800 SERIES |
Analog Devices Inc./Maxim Integrated | Development Boards Kits Programmers | BOARD EVAL FOR AD9963 |
Analog Devices Inc./Maxim Integrated LTC1296CCSW#TRUnknown | Integrated Circuits (ICs) | IC DATA ACQ SYS 12BIT 5V 20SOIC |
| Series | Category | # Parts | Status | Description |
|---|---|---|---|---|
| Development Boards, Kits, Programmers | 3 | Obsolete | ||
HMC831Fractional-N PLL with Integrated VCO SMT, 1815 - 2010 MHz | Clock Generators, PLLs, Frequency Synthesizers | 1 | Obsolete | The HMC831LP6CE is a fully functioned Fractional-N Phase-Locked-Loop (PLL) Frequency Synthesizer with an Integrated Voltage Controlled Oscillator (VCO). The synthesizer consists of an integrated low noise VCO, an autocalibration subsystem for low voltage VCO tuning, a very low noise digital Phase Detector (PD), a precision controlled charge pump, a low noise reference path divider and a fractional divider.The fractional synthesizer features an advanced delta-sigma modulator design that allows both ultra-fine step sizes and low spurious products. The phase detector (PD) features cycle slip prevention (CSP) technology to allow faster frequency hopping times. Ultra low in-close phase noise and low spurious also allows wider loop bandwidths for faster frequency hopping and low micro-phonics.For theory of operation and register map refer to the "PLLs with Integrated VCOs - RF VCOs Operating Guide". To view the Operating Guide, please visit www.hittite.com and choose HMC831LP6CE from the "Search by Part Number" pull down menu.APPLICATIONSCellular/4G InfrastructureRepeaters and FemtocellsCommunications Test EquipmentCATV EquipmentPhased Array ApplicationsDDS ReplacementVery High Data Rate Radios |
HMC832Wideband PLL+VCO (3.3V), 25 - 3000 MHz | Evaluation Boards | 4 | Obsolete | The HMC832LP6GE is a 3.3 V, high performance, wide-band, Fractional-N Phase-Locked-Loop (PLL) that features an integrated Voltage Controlled Oscillator (VCO) with a fundamental frequency of 1500 MHz - 3000 MHz, and an integrated VCO Output Divider (divide by 1/2/4/6.../60/62), that enables the HMC832LP6GE to generate continuous frequencies from 25 MHz to 3000 MHz. The integrated Phase Detector (PD) and delta-sigma modulator, capable of operating at up to 100 MHz, permit wider loop-bandwidths and faster frequency tuning, with excellent spectral performance.Industry leading phase noise and spurious performance, across all frequencies, enable the HMC832LP6GE to minimize blocker effects, improve receiver sensitivity and transmitter spectral purity. Low noise floor (-160 dBc/Hz) eliminates any contribution to modulator/mixer noise floor in transmitter applications.The HMC832LP6GE features all 3.3 V supply and an innovative Programmable Performance technology that enables the HMC832LP6GE to tailor current consumption and corresponding noise floor performance to each individual application by selecting either a low current consumption mode, or a high performance mode for an improved noise floor performance.Additional features of the HMC832LP6GE include 12 dB of RF output gain control in 1 dB steps; Output Mute function to automatically mute the output during frequency changes when the device is not locked; Selectable resistance for better output return loss; Programmable differential or single-ended outputs, with the ability to select either output in single-ended mode; and a delta-sigma modulator Exact Frequency Mode which enables users to generate output frequencies with 0 Hz frequency error.ApplicationsCellular InfrastructureMicrowave RadioWiMax, WiFiCommunications Test EquipmentCATV EquipmentDDS ReplacementMilitaryTunable Reference Source for Spurious- Free Performance |
| RF and Wireless | 2 | Active | ||
HMC8326E-Band Low Noise Downconverter SiP 71 - 76 GHz | Integrated Circuits (ICs) | 1 | Obsolete | The HMC8326LG is a fully integrated System In Package (SiP) in-phase/quadrature (I/Q) downconverter that operates between an RF input frequency range of 71 GHz to 76 GHz and an IF output frequency range of DC to 2 GHz. This device provides a small signal conversion gain of 8 to 13 dB with 30 dBc of image rejection. The HMC8326LG utilizes a low noise amplifier followed by an image rejection mixer which is driven by a 6x LO multiplier. Differential I and Q mixer outputs are provided for direct conversion applications. Alternatively, the outputs can be combined using an external 90° hybrid and two external 180° hybrids for single-ended applications.APPLICATIONSE-Band Communication SystemsHigh Capacity Wireless BackhaulTest & Measurement |
HMC8327E-Band Low Noise Downconverter SiP 81 - 86 GHz | Integrated Circuits (ICs) | 1 | Obsolete | The HMC8327LG is a fully integrated System In Package (SiP) in-phase/quadrature (I/Q) downconverter that operates between an RF input frequency range of 81 GHz to 86 GHz and an IF output frequency range of DC to 2 GHz. This device provides a small signal conversion gain of 8 to 13 dB with 30 dBc of image rejection. The HMC8327LG utilizes a low noise amplifier followed by an image rejection mixer which is driven by a 6x LO multiplier. Differential I and Q mixer outputs are provided for direct conversion applications. Alternatively, the outputs can be combined using an external 90° hybrid and two external 180° hybrids for single-ended applications.ApplicationsE-Band Communication SystemsHigh Capacity Wireless BackhaulTest & Measurement |
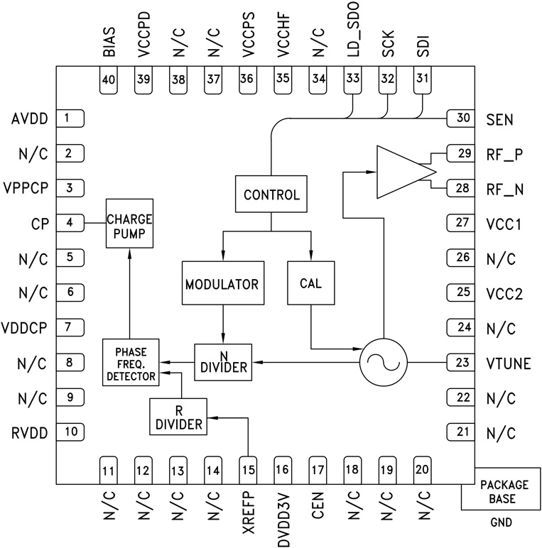
HMC832AFractional-N PLL with Integrated VCO 25 MHz to 3000 MHz | Clock/Timing | 1 | Obsolete | The HMC832A is a 3.3 V, high performance, wideband, fractional-N, phase-locked loop (PLL) that features an integrated voltage controlled oscillator (VCO) with a fundamental frequency of 1500 MHz to 3000 MHz and an integrated VCO output divider (divide by 1, 2, 4, 6, … 62) that enables the HMC832A to generate continuous frequencies from 25 MHz to 3000 MHz. The integrated phase detector (PD) and Σ-Δ modulator, capable of operating at up to 100 MHz, permit wider loop bandwidths and faster frequency tuning with excellent spectral performance.Industry leading phase noise and spurious performance, across all frequencies, enable the HMC832A to minimize blocker effects, and to improve receiver sensitivity and transmitter spectral purity. A low noise floor (−160 dBc/Hz) eliminates any contribution to modulator/mixer noise floor in transmitter applications.The HMC832A is footprint compatible to the market leading HMC830 PLL with an integrated VCO. It features 3.3 V supply and an innovative programmable performance technology that enables the HMC832A to tailor current consumption and corresponding noise floor performance to individual applications by selecting either a low current consumption mode or a high performance mode for an improved noise floor performance.Additional features of the HMC832A include 12 dB of RF output gain control in 1 dB steps; an output mute function to automatically mute the output during frequency changes when the device is not locked; selectable output return loss; programmable differential or single-ended outputs, with the ability to select either output in single-ended mode; and a Σ-Δ modulator exact frequency mode that enables users to generate output frequencies with 0 Hz frequency error; and a register configurable 3.3 V or 1.8 V serial port interface (SPI).ApplicationsCellular infrastructureMicrowave radiosWiMax, WiFiCommunications test equipmentCATV equipmentDDS replacementMilitaryTunable reference sources for spurious-free performance |
HMC833Fractional-N PLL with Integrated VCO, 25 - 6000 MHz | Integrated Circuits (ICs) | 3 | Obsolete | The HMC833LP6GE is a low noise, wide band, Fractional-N Phase-Locked-Loop (PLL) that features an integrated Voltage Controlled Oscillator (VCO) with a fundamental frequency of 1500 MHz - 3000 MHz, and an integrated VCO Output Divider (divide by 1/2/4/6.../60/62) and doubler, that together allow the HMC833LP6GE to generate frequencies from 25 MHz to 6000 MHz. The integrated Phase Detector (PD) and delta-sigma modulator, capable of operating at up to 100 MHz, permit wider loop-bandwidths with excellent spectral performance.The HMC833LP6GE features industry leading phase noise and spurious performance, across all frequencies, that enable it to minimize blocker effects, and improve receiver sensitivity and transmitter spectral purity. The superior noise floor (< -170 dBc/Hz) makes the HMC833LP6GE an ideal source for a variety of applications - such as; LO for RF mixers, a clock source for high-frequency data-converters, or a tunable reference source for ultra-low spurious applications.Additional features of the HMC833LP6GE include RF output power control from 0 to 9 dB (3 dB steps), output Mute function, and a delta-sigma modulator Exact Frequency Mode which enables users to generate output frequencies with 0 Hz frequency error.ApplicationsCellular InfrastructureMicrowave RadioWiMax, WiFiCommunications Test EquipmentCATV EquipmentDDS ReplacementMilitaryTunable Reference Source for Spurious- Free Performance |
| Evaluation and Demonstration Boards and Kits | 3 | Obsolete | ||
HMC8342GaAs MMIC ×2 Active Frequency Multiplier, 22 GHz to 42 GHz Output | RF and Wireless | 2 | Active | The HMC8342 is a gallium arsenide (GaAs), monolithic microware integrated circuit (MMIC), ×2 active broadband frequency multiplier. When driven by a 5 dBm signal, the multiplier provides 15 dBm typical output power. The output frequency range is from 22 GHz to 42 GHz, and the input fundamental and third harmonic isolations measured at the output are −23 dBc and −20 dBc, respectively, at an output frequency of 30 GHz. The HMC8342 is ideal for use in LO multiplier chains for point to point and VSAT radios, resulting in a reduced parts count vs. traditional design approaches.APPLICATIONSClock generationPoint to point and very small aperture terminal (VSAT) radiosTest instrumentationMilitary and space |