A
Analog Devices Inc./Maxim Integrated
| Series | Category | # Parts | Status | Description |
|---|---|---|---|---|
| Part | Spec A | Spec B | Spec C | Spec D | Description |
|---|---|---|---|---|---|
| Series | Category | # Parts | Status | Description |
|---|---|---|---|---|
| Part | Spec A | Spec B | Spec C | Spec D | Description |
|---|---|---|---|---|---|
| Part | Category | Description |
|---|---|---|
Analog Devices Inc./Maxim Integrated LTC1879EGN#TRUnknown | Integrated Circuits (ICs) | IC REG BUCK ADJ 1.2A 16SSOP |
Analog Devices Inc./Maxim Integrated LTC2208CUP#TRUnknown | Integrated Circuits (ICs) | IC ADC 16BIT 130MSPS 64-QFN |
Analog Devices Inc./Maxim Integrated ADP2108ACBZ-1.1-R7Obsolete | Integrated Circuits (ICs) | IC REG BUCK 1.1V 600MA 5WLCSP |
Analog Devices Inc./Maxim Integrated EV1HMC832ALP6GObsolete | Development Boards Kits Programmers | EVAL BOARD FOR HMC832ALP6GE |
Analog Devices Inc./Maxim Integrated LTC488ISWUnknown | Integrated Circuits (ICs) | IC LINE RCVR RS485 QUAD 16-SOIC |
Analog Devices Inc./Maxim Integrated LTC6946IUFD-2Obsolete | Integrated Circuits (ICs) | IC CLK/FREQ SYNTH 28QFN |
Analog Devices Inc./Maxim Integrated MAX5556ESA+TObsolete | Integrated Circuits (ICs) | IC DAC/AUDIO 16BIT 50K 8SOIC |
Analog Devices Inc./Maxim Integrated EVAL-FLTR-LD-1RZUnknown | Unclassified | EVAL BRD FOR AD800 SERIES |
Analog Devices Inc./Maxim Integrated | Development Boards Kits Programmers | BOARD EVAL FOR AD9963 |
Analog Devices Inc./Maxim Integrated LTC1296CCSW#TRUnknown | Integrated Circuits (ICs) | IC DATA ACQ SYS 12BIT 5V 20SOIC |
| Series | Category | # Parts | Status | Description |
|---|---|---|---|---|
HMC819220 GHz to 42 GHz, Wideband I/Q Mixer | RF Mixers | 4 | Active | The HMC8192LG is a passive, wideband, inphase/quadrature (I/Q), monolithic microwave integrated circuit (MMIC) mixer that can be used either as an image rejection mixer for receiver operations or as a single-sideband upconverter for transmitter operations. With a radio frequency (RF) and local oscillator (LO) range of 20 GHz to 42 GHz, and an intermediate frequency (IF) bandwidth of dc to 5 GHz, the HMC8192LG is ideal for applications requiring a wide frequency range, excellent RF performance, and a simple design with fewer components and a small printed circuit board (PCB) footprint. A single HMC8192LG can replace multiple narrow-band mixers in a design.The inherent I/Q architecture of the HMC8192LG offers excellent image rejection, eliminating the need for expensive filtering for unwanted sidebands. The mixer also provides excellent LO to RF and LO to IF isolation and reduces the effect of LO leakage to ensure signal integrity.As a passive mixer, the HMC8192LG does not require any dc power sources. The HMC8192LG offers a lower noise figure compared to an active mixer, ensuring superior dynamic range for high performance and precision applications.The HMC8192LG is fabricated on a gallium arsenide (GaAs), metal semiconductor field effect transistor (MESFET) process and uses Analog Devices, Inc., mixer cells and a 90° hybrid. The HMC8192LG is available in a compact, 4.00 mm × 4.00 mm, 25-terminal land grid array cavity (LGA_CAV) package and operates over a −40°C to +85°C temperature range. The evaluation board for the HMC8192LG, EV1HMC8192LG, is also available on the Analog Devices website.ApplicationsTest and measurement instrumentationMilitary, radar, aerospace, and defense applicationsMicrowave point to point base stations |
| RF and Wireless | 3 | Active | ||
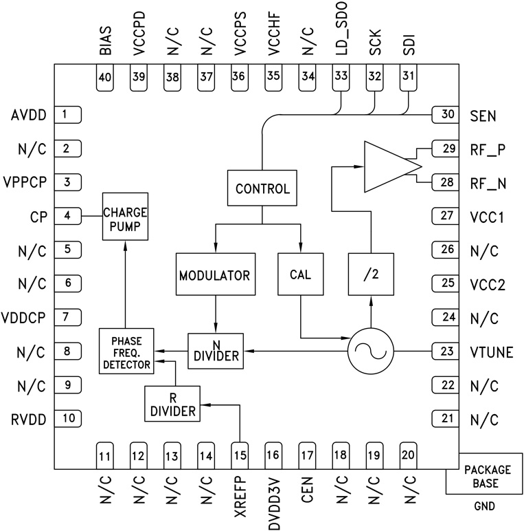
HMC820Fractional-N PLL with Integrated VCO SMT, 1095 - 1275, 2190 - 2550, 4380 - 5100 MHz | Integrated Circuits (ICs) | 2 | Obsolete | The HMC820LP6CE is a fully functioned Fractional-N Phase-Locked-Loop (PLL) Frequency Synthesizer with an Integrated Voltage Controlled Oscillator (VCO). The synthesizer consists of an integrated low noise VCO with a triband output, an autocalibration subsystem for low voltage VCO tuning, a very low noise digital Phase Detector (PD), a precision controlled charge pump, a low noise reference path divider and a fractional divider.The fractional synthesizer features an advanced delta-sigma modulator design that allows both ultra-fine step sizes and low spurious products. The phase detector (PD) features cycle slip prevention (CSP) technology to allow faster frequency hopping times. Ultra low in-close phase noise and low spurious also allows wider loop bandwidths for faster frequency hopping and low micro-phonics.For theory of operation and register map refer to the "PLLs with Integrated VCO - RF VCOs" Operating Guide.APPLICATIONSCellular/4G InfrastructureRepeaters and FemtocellsCommunications Test EquipmentCATV EquipmentPhased Array ApplicationsDDS ReplacementVery High Data Rate Radios |
| RF Transmitters | 3 | Active | ||
HMC82050.3 or 0.4 GHz to 6 GHz, 35 W, GaN Power Amplifier | RF and Wireless | 3 | Active | The HMC8205BF10 is a gallium nitride (GaN) broadband power amplifier delivering 45.5 dBm (35 W) with 38% power added efficiency (PAE) across an instantaneous bandwidth of 0.3 GHz to 6 GHz. No external matching is required to achieve full band operation. Additionally, no external inductor is required to bias the amplifier. Also, dc blocking capacitors for the RFIN and RFOUT pins are integrated into the HMC8205BF10.The HMC8205BF10 is ideal for pulsed or continuous wave (CW) applications, such as military jammers, wireless infrastructure, radar, and general-purpose amplification.The HMC8205BF10 amplifier is a 10-lead ceramic leaded chip carrier (LDCC).The HMC8205BCHIPS is a gallium nitride (GaN), broadband power amplifier that delivers 45.5 dBm (35 W) with 40% power added efficiency (PAE) across an instantaneous bandwidth of 0.4 GHz to 6 GHz. No external matching is required to achieve full band operation. No external inductor is required to bias the amplifier. In addition, dc blocking capacitors for the RFIN and RFOUT pins are integrated into the HMC8205BCHIPS.The HMC8205BCHIPS is ideal for pulsed or continuous wave (CW) applications, such as military jammers, wireless infrastructure, radar, and general-purpose amplification.APPLICATIONSMilitary jammersCommercial and military radarPower amplifier stage for wireless infrastructureTest and measurement equipment |
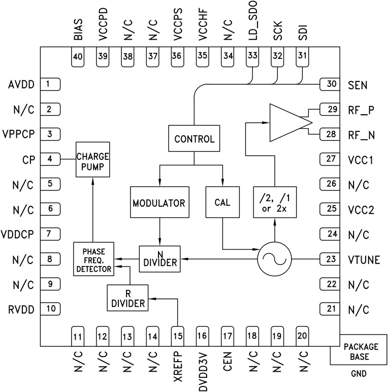
HMC821Fractional-N PLL with Integrated VCO SMT, 860 - 1040, 1720 - 2080, 3440 - 4160 MHz | Clock Generators, PLLs, Frequency Synthesizers | 1 | Obsolete | The HMC821LP6CE is a fully functioned Fractional-N Phase-Locked-Loop (PLL) Frequency Synthesizer with an Integrated Voltage Controlled Oscillator (VCO). The synthesizer consists of an integrated low noise VCO with a triband output, an autocalibration subsystem for low voltage VCO tuning, a very low noise digital Phase Detector (PD), a precision controlled charge pump, a low noise reference path divider and a fractional divider.The fractional synthesizer features an advanced delta-sigma modulator design that allows both ultra-fine step sizes and low spurious products. The phase detector (PD) features cycle slip prevention (CSP) technology to allow faster frequency hopping times. Ultra low in-close phase noise and low spurious also allows wider loop bandwidths for faster frequency hopping and low micro-phonics.For theory of operation and register map refer to the "PLLs with Integrated VCOs - RF VCOs Operating Guide". To view the Operating Guide, please visit www.hittite.com and choose HMC821LP6CE from the "Search by Part Number" pull down menu.APPLICATIONSCellular/4G InfrastructureRepeaters and FemtocellsCommunications Test EquipmentCATV EquipmentPhased Array ApplicationsDDS ReplacementVery High Data Rate Radios |
HMC822Fractional-N PLL with Integrated VCO SMT, 665 - 825, 1330 - 1650, 2660 - 3300 MHz | Clock/Timing | 3 | Obsolete | The HMC822LP6CE is a fully functioned Fractional-N Phase-Locked-Loop (PLL) Frequency Synthesizer with an Integrated Voltage Controlled Oscillator (VCO). The synthesizer consists of an integrated low noise VCO with a triband output, an autocalibration subsystem for low voltage VCO tuning, a very low noise digital Phase Detector (PD), a precision controlled charge pump, a low noise reference path divider and a fractional divider.The fractional synthesizer features an advanced delta-sigma modulator design that allows both ultra-fine step sizes and low spurious products. The phase detector (PD) features cycle slip prevention (CSP) technology to allow faster frequency hopping times. Ultra low in-close phase noise and low spurious also allows wider loop bandwidths for faster frequency hopping and low micro-phonics.For theory of operation and register map refer to the "PLLs with Integrated VCOs - RF VCOs Operating Guide". To view the Operating Guide, please visit www.hittite.com and choose HMC822LP6CE from the "Search by Part Number" pull down menu.APPLICATIONSCellular/4G InfrastructureRepeaters and FemtocellsCommunications Test EquipmentCATV EquipmentPhased Array ApplicationsDDS ReplacementVery High Data Rate Radios |
HMC826Fractional-N PLL with Integrated VCO SMT, 990 - 1105 MHz | Clock Generators, PLLs, Frequency Synthesizers | 1 | Obsolete | The HMC826LP6CE is a fully functioned Fractional-N Phase-Locked-Loop (PLL) Frequency Synthesizer with an Integrated Voltage Controlled Oscillator (VCO). The synthesizer consists of an integrated low noise VCO with divide-by-2 output, an autocalibration subsystem for low voltage VCO tuning, a very low noise digital Phase Detector (PD), a precision controlled charge pump, a low noise reference path divider and a fractional divider.The fractional synthesizer features an advanced delta-sigma modulator design that allows both ultra-fine step sizes and low spurious products. The phase detector (PD) features cycle slip prevention (CSP) technology to allow faster frequency hopping times. Ultra low in-close phase noise and low spurious also allows wider loop bandwidths for faster frequency hopping and low micro-phonics.For theory of operation and register map refer to the "PLLs with Integrated VCOs - RF VCOs Operating Guide". To view the Operating Guide, please visit www.hittite.com and choose HMC826LP6CE from the "Search by Part Number" pull down menu.APPLICATIONSCellular/4G InfrastructureRepeaters and FemtocellsCommunications Test EquipmentCATV EquipmentPhased Array ApplicationsDDS ReplacementVery High Data Rate Radios |
| Clock Generators, PLLs, Frequency Synthesizers | 2 | Obsolete | ||
HMC829Fractional-N PLL with Integrated VCO45 - 1050, 1400 - 2100, 2800 - 4200 MHz | Integrated Circuits (ICs) | 3 | Obsolete | The is a low noise, wide band, Fractional N Phase-Locked-Loop (PLL) that features an integrated Voltage Controlled Oscillator (VCO ) with a fundamental frequency of 2800 M Hz - 4200 M Hz, and an integrated VCO Output Divider (divide by 1/2/4/6.../60/62), that together allow the to generate frequencies from 45 M Hz to 1050 M Hz, from 1400 M Hz to 2100 M Hz, and from 2800 M Hz to 4200 M Hz. The integrated Phase Detector (P D) and delta-sigma modulator, capable of operating at up to 100 M Hz, permit wider loop-bandwidths with excellent spectral performance.The features industry leading phase noise and spurious performance, across all frequencies, that enable it to minimize blocker effects, and improve receiver sensitivity and transmitter spectral purity. The superior noise floor (< -170 dBc/ Hz) makes the an ideal source for a variety of applications - such as; L O for RF mixers, a clock source for high frequency data-converters, or a tunable reference source for ultra-low spurious applications.Additional features of the include RF output power control from 0 to 6 dB (~2 dB steps), output Mute function, and a delta-sigma modulator Exact Frequency Mode which enables users to generate output frequencies with 0 Hz frequency error.For theory of operation and register map refer to the "PLLs with Integrated VCO s - RF VCO s Operating Guide". To view the Operating Guide, please visit www.hittite.com and choose from the "Search by Part Number" pull down menu.APPLICATIONSCellular/4G, WiMax InfrastructureRepeaters and FemtocellsCommunications Test EquipmentCATV EquipmentPhased Array ApplicationsDDS ReplacementVery High Data Rate Radios |