HMC7880.01 GHz to 10 GHz, MMIC, GaAs, pHEMT RF Gain Block | RF and Wireless | 5 | Active | The HMC788A is a 0.01 GHz to 10 GHz, gain block, monolithic microwave integrated circuit (MMIC) amplifier using gallium arsenide (GaAs), pseudomorphic high electron mobility transistor (pHEMT) technology.This 2 mm × 2 mm LFCSP amplifier can be used as either a cascadable 50 Ω gain stage, or to drive the local oscillator (LO) port of many of the single and double balanced mixers from Analog Devices, Inc. with up to 20 dBm output power.The HMC788A offers 14 dB of gain and an output IP3 of 33 dBm while requiring only 76 mA from a 5 V supply.The Darlington feedback pair exhibits reduced sensitivity to normal process variations and yields excellent gain stability over temperature while requiring a minimal number of external bias components.ApplicationsCellular, 3G, LTE, WiMAX, and 4GLO driver applicationsMicrowave radioTest and measurement equipmentUltra wideband (UWB) communications |
HMC789InGaP HBT Active Bias MMIC Amplifier, 0.7 - 2.8 GHz | RF, RFID, Wireless Evaluation Boards | 5 | LTB | The HMC789ST89E is a high linearity GaAs InGaP HBT gain block MMIC operating from 0.7 to 2.8 GHz and packaged in an industry standard SOT89 package. Utilizing a minimum number of external components and a single +5V supply, the amplifier output IP3 can be optimized to +45 dBm. The high output IP3 and high gain make the HMC789ST89E ideal for use in PA driver & pre-driver applications in Cellular/4G and Fixed Wireless.ApplicationsCellular/4GFixed Wireless & WLANCATV, Cable Modem & DBSMicrowave Radio & Test EquipmentIF & RF Applications |
HMC791117.0 GHz to 20.0 GHz, GaAs, MMIC, I/Q Upconverter | RF and Wireless | 2 | Active | The HMC7911 is a compact gallium arsenide (GaAs), pseudomorphic (pHEMT), monolithic microwave integrated circuit (MMIC) upconverter in a RoHS compliant, low stress, injection molded plastic LFCSP package that operates from 17 GHz to 20 GHz. This device provides a small signal conversion gain of 18 dB with 30 dBc of sideband rejection. The HMC7911 uses a variable gain amplifier preceded by an in-phase/quadrature (I/Q) mixer that is driven by an active 2× local oscillator (LO) multiplier. IF1 and IF2 mixer inputs are provided, and an external 90° hybrid is needed to select the required sideband. The I/Q mixer topology reduces the need for filtering of the unwanted sideband. The HMC7911 is a much smaller alternative to hybrid style single sideband (SSB) upconverter assemblies, and it eliminates the need for wire bonding by allowing the use of surface-mount manufacturing techniques.ApplicationsPoint to point and point to multipoint radiosMilitary radars, electronic warfare (EW), and electronic intelligence (ELINT)Satellite communicationsSensors |
HMC791221 GHz to 24 GHz, GaAs, MMIC, I/Q Upconverter | RF and Wireless | 2 | Active | The HMC7912 is a compact, gallium arsenide (GaAs), pseudomorphic (pHEMT), monolithic microwave integrated circuit (MMIC) upconverter in a RoHS compliant, low stress, injection molded plastic LFCSP package that operates from 21 GHz to 24 GHz. This device provides a small signal conversion gain of 15 dB with 22 dBc of sideband rejection. The HMC7912 uses a variable gain amplifier preceded by an in-phase/quadrature (I/Q) mixer that is driven by an active 2× LO multiplier. IF1 and IF2 mixer inputs are provided, and an external 90° hybrid is needed to select the required sideband. The I/Q mixer topology reduces the need for filtering of the unwanted sideband. The HMC7912 is a much smaller alternative to hybrid style single sideband (SSB) upconverter assemblies, and it eliminates the need for wire bonding by allowing the use of surface-mount manufacturing techniques.ApplicationsPoint to point and point to multipoint radiosMilitary radars, electronic warfare (EW), and electronic intelligence (ELINT)Satellite communicationsSensors |
HMC792A0.25 dB LSB GaAs MMIC 6-Bit Digital Attenuator SMT, DC - 6 GHz | RF and Wireless | 2 | Active | The HMC792ALP4E is a broadband 6-bit GaAs IC Digital Attenuator in a low cost leadless SMT package. This versatile digital attenuator incorporates off-chip AC ground capacitors for near DC operation, making it suitable for a wide variety of RF and IF applications. The dual mode control interface is CMOS/TTL compatible, and accepts either a three wire serial input or a 6 bit parallel word. The HMC792ALP4E also features a user selectable power up state and a serial output port for cascading other Hittite serial controlled components. The HMC792ALP4E is housed in a RoHS compliant 4x4 mm QFN leadless package, and requires no external matching components.ApplicationsCellular/3G infrastructureWiBro / WiMAX / 4GMicrowave radio & VSATTest equipment and sensorsIF & RF applications |
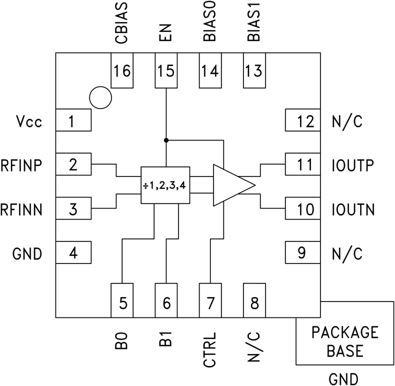
HMC7942 GHz Low Noise Programmable Divider (N = 1 to 4) SMT | RF Power Dividers/Splitters | 2 | Obsolete | The HMC794LP3E is a SiGe BiCMOS low noise programmable frequency divider in a 3 × 3mm leadless surface mount package. The circuit can be programmed to divide from N = 1 to N = 4 in the 200 MHz to 2 GHz input frequency range. The high level output power (up to 10 dBm) with a very low SSB phase noise and 50% duty cycle makes this device ideal for low noise clock generation, LO generation and LO drive applications. Configurable bias controls allow power minimization of up to 20%.APPLICATIONSLO Generation with Low Noise FloorClock GeneratorsMixer LO DriveMilitary ApplicationsTest EquipmentSensors |
HMC795SiGe Wideband Direct Quadrature Modulator SMT, with VGA, 50 - 2800 MHz | RF Modulators | 1 | Obsolete | The HMC795LP5E is a variable gain, direct quadrature modulator ideal for digital modulation applications from 50 - 2800 MHz including: Cellular/3G, Broadband Wireless Access and ISM circuits. Housed in a compact 5x5mm (LP5) SMT QFN package, the modulator offers a high level of integration, exceptionally low carrier feedthrough, and a low cost alternative to more complicated double up conversion architectures.The LO requires -9 to +3 dBm and can be driven in either differential or single-ended mode. The baseband inputs will support modulation inputs from DC - 440 MHz.The differential RF output port is driven by a 6 bit digital controlled variable gain amplifier to nominally provide up to 32 dB of very linear gain control in 0.5 dB steps. The low carrier suppression is maintained over the VGA dynamic range. The gain control interface accepts either three wire serial input or 6 bit parallel word. In addition, the gain control can be modified through the SPI to adjust a look up table to control the gain step to as low as 0.1 dB, with reduced range, or to adjust individual gain steps for system linearization.APPLICATIONSUMTS, GSM or CDMA BasestationsFixed Wireless or WLLISM Transceivers, 900 & 2400 MHzGMSK, QPSK, QAM, SSB ModulatorsCellular/3G and WiMAX/4GMicrowave IFs |
| RF Amplifiers | 2 | Active | |
| RF Amplifiers | 2 | Active | |
HMC797A-DieGaAs pHEMT MMIC 1 Watt Power Amplifier, DC - 22 GHz | RF Amplifiers | 1 | Active | The HMC797A is a GaAs MMIC pHEMT Distributed Power Amplifier which operates between DC and 22 GHz. The amplifier provides 15 dB of gain, +29 dBm of output power at 1 dB gain compression, +31 dBm of saturated output power, and 23% PAE while requiring 400 mA from a +10 V supply. With up to +41 dBm of output IP3, the HMC797A is ideal for high linearity applications in military and space as well as test equipment where high order modulations are used. This versatile PA exhibits a positive gain slope from 2 to 20 GHz making it ideal for EW, ECM, Radar and test equipment applications. The HMC797A amplifier I/Os are internally matched to 50 Ohms facilitating integration into Multi-Chip-Modules (MCMs). All data is taken with the chip connected via two 0.025 mm (1 mil) wire bonds of minimal length 0.31 mm (12 mils).ApplicationsTest InstrumentationMilitary & SpaceFiber Optics |