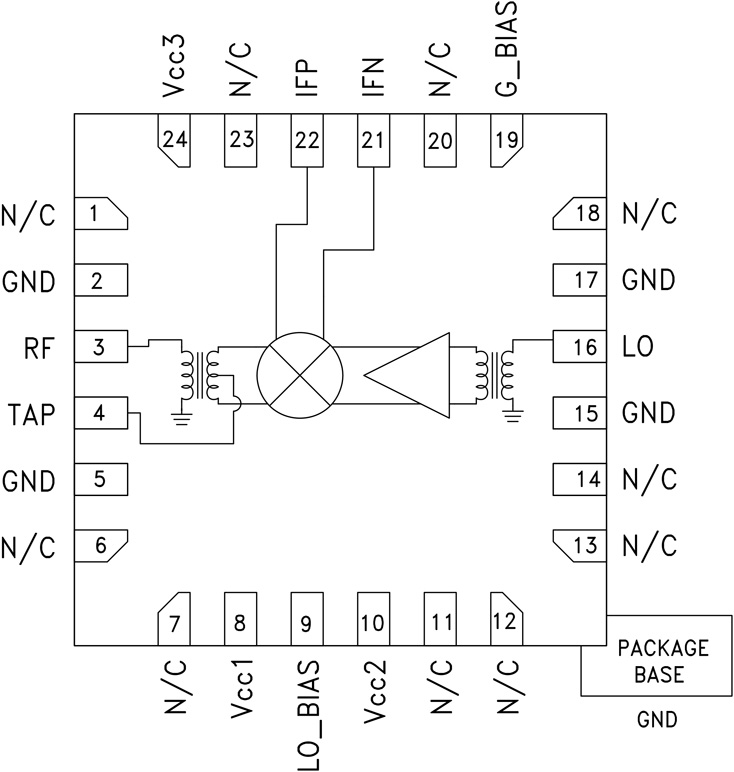
HMC775I/Q Mixer with LO Amplifier SMT, 10 - 16 GHz | RF and Wireless | 2 | Obsolete | The HMC775LC5 is a compact I/Q MMIC mixer in a leadless ceramic SMT package, which can be used as either an Image Reject Mixer or a Single Sideband Upconverter. The mixer utilizes two standard Hittite double balanced mixer cells and a 90 degree hybrid fabricated in a GaAs MESFET process. A low frequency quadrature hybrid was used to produce a 1 GHz USB IF output. This product is a much smaller alternative to hybrid style Image Reject Mixers and Single Sideband Upconverter assemblies. The HMC775LC5 eliminates the need for wire bonding and allows the use of surface mount manufacturing techniques.ApplicationsPoint-to-Point and Point-to-Multi-Point RadioDigital RadioVSATMilitary & Space |
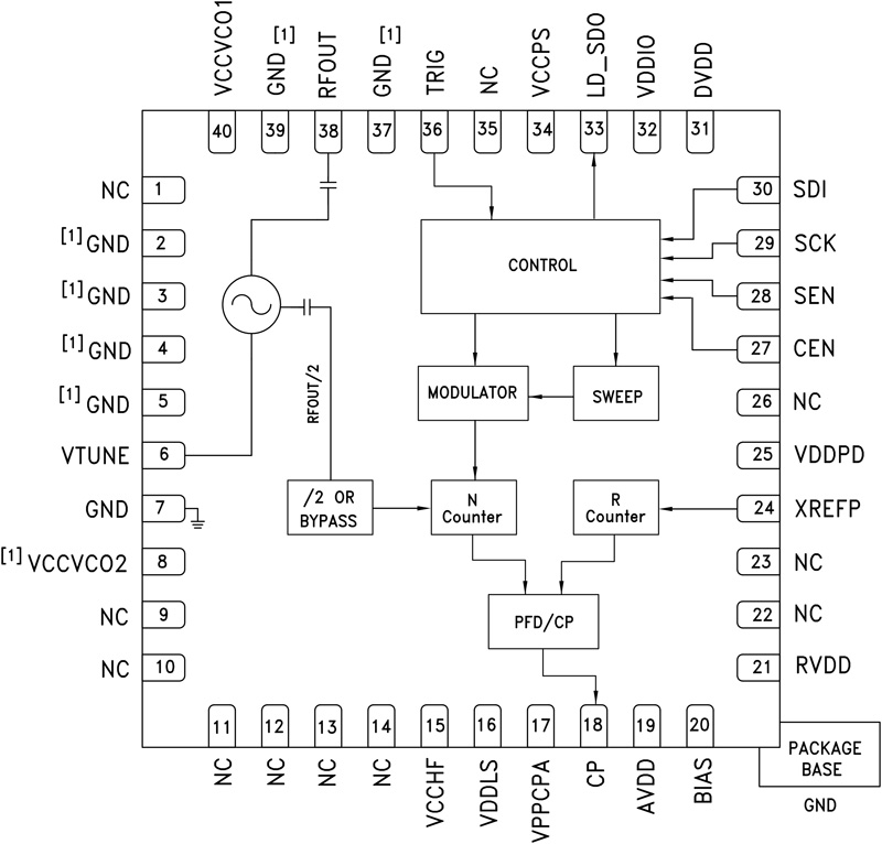
HMC778Fractional-N PLL with Integrated VCO SMT, 9.6 - 10.8 GHz | Clock Generators, PLLs, Frequency Synthesizers | 2 | Obsolete | The HMC778LP6CE is a fully functioned Fractional-N Phase-Locked-Loop (PLL) Frequency Synthesizer with an integrated Voltage Controlled Oscillator (VCO). The input reference frequency range is DC to 350 MHz while the advanced delta-sigma modulator design in the fractional synthesizer allows both ultra-fine step sizes and very low spurious products. The highly integrated structure provides excellent phase noise performance over temperature, shock and process. In addition, the HMC778LP6CE offers frequency sweep and modulation features, external triggering, double-buffering, exact frequency control, phase modulation and more. The HMC778LP6CE is packaged in a leadless QFN 6 x 6 mm surface mount package.For theory of operation and register map refer to the "PLLs w/ Integrated VCO - Microwave VCOs" Operating Guide.ApplicationsVSAT RadioMicrowave Point-To-Point RadiosTest Equipment & Industrial ControlMilitary End-UsePhased Array ApplicationsFMCW Radar Systems |
| Integrated Circuits (ICs) | 2 | Obsolete | |
| Clock/Timing | 2 | Obsolete | |
HMC784GaAs MMIC 10 Watt T/R Switch DC - 4 GHz | RF and Wireless | 4 | Active | The HMC784AMS8GE is a high power SPDT switch in an 8-lead MSOPG package for use in transmit-receive applications which require very low distortion at high input signal power levels. The device can control signals from DC to 4 GHz. The design provides exceptional intermodulation performance; > +60 dBm third order intercept at +5V bias. RF1 and RF2 are reflective shorts when "OFF". On-chip circuitry allows single positive supply operation from +3 Vdc to +8 Vdc at very low DC current with control inputs compatible with CMOS logic families.ApplicationsCellular/4G InfrastructureWiMAX, WiBro & Fixed WirelessAutomotive TelematicsMobile RadioTest Equipment |
| Voltage Regulators - Linear, Low Drop Out (LDO) Regulators | 2 | Obsolete | |
HMC785BiCMOS Mixer with Integrated LO Amplifier, 1.7 - 2.2 GHz | RF and Wireless | 1 | Obsolete | The HMC785LP4E is a high dynamic range passive MMIC mixer with integrated LO amplifier in a 4x4 SMT QFN package covering 1.7 to 2.2 GHz. Excellent input IP3 performance of +38 dBm for down conversion is provided for 3G & 4G GSM/CDMA applications at an LO drive of 0 dBm. With an input 1 dB compression of +26 dBm, the RF port will accept a wide range of input signal levels. Conversion loss is 8 dB typical. Up to 300 MHz IF frequency response will satisfy GSM/CDMA transmit or receive frequency plans. The HMC785LP4E is optimized for low side LO frequency plans for 1.7 - 2.2 GHz RF Band and is pin for pin compatible with the HMC685LP4E.APPLICATIONSCellular/3G & LTE/WiMAX/4GBasestations & RepeatersGSM, CDMA & OFDMTransmitters and Receivers |
HMC786BiCMOS Mixer with Integrated LO Amplifier, 0.7 - 1.1 GHz | RF Mixers | 2 | Obsolete | The HMC786LP4E is a high dynamic range passive MMIC mixer with integrated LO amplifier in a 4×4 SMT QFN package covering 0.7 to 1.1 GHz. Excellent input IP3 performance of +40 dBm for down conversion is provided for 3G & 4G GSM/CDMA applications at an LO drive of 0 dBm. With an input 1 dB compression of +25 dBm, the RF port will accept a wide range of input signal levels. Conversion loss is 7.5 dB typical. Up to 250 MHz IF frequency response will satisfy GSM/CDMA transmit or receive frequency plans. The HMC786LP4E is optimized for high side LO frequency plans for 0.7 - 1.1 GHz RF Band and is pin for pin compatible with the HMC686LP4E.APPLICATIONSCellular/3G & LTE/WiMAX/4GBasestations & RepeatersGSM, CDMA & OFDMTransmitters and Receivers |
HMC787Fundamental Mixer SMT, 3 - 10 GHz | RF and Wireless | 3 | Obsolete | The HMC787LC3B is a general purpose double balanced mixer in a leadless RoHS compliant SMT package that can be used as an upconverter or downconverter between 3 and 10 GHz. This mixer is fabricated in a GaAs MESFET process, and requires no external components or matching circuitry. The HMC787LC3B provides excellent LO to RF and LO to IF isolation due to optimized balun structures and operates with LO drive level of +17 dBm. The ceramic SMT package eliminates the need for wire bonding, and is compatible with high volume surface mount manufacturing techniques.ApplicationsWiMAX InfrastructureMicrowave RadioISM & UWB RadiosTest Equipment & SensorsMilitary End-Use |
| RF Mixers | 5 | Active | |