A
Analog Devices Inc./Maxim Integrated
| Series | Category | # Parts | Status | Description |
|---|---|---|---|---|
| Part | Spec A | Spec B | Spec C | Spec D | Description |
|---|---|---|---|---|---|
| Series | Category | # Parts | Status | Description |
|---|---|---|---|---|
| Part | Spec A | Spec B | Spec C | Spec D | Description |
|---|---|---|---|---|---|
| Part | Category | Description |
|---|---|---|
Analog Devices Inc./Maxim Integrated LTC1879EGN#TRUnknown | Integrated Circuits (ICs) | IC REG BUCK ADJ 1.2A 16SSOP |
Analog Devices Inc./Maxim Integrated LTC2208CUP#TRUnknown | Integrated Circuits (ICs) | IC ADC 16BIT 130MSPS 64-QFN |
Analog Devices Inc./Maxim Integrated ADP2108ACBZ-1.1-R7Obsolete | Integrated Circuits (ICs) | IC REG BUCK 1.1V 600MA 5WLCSP |
Analog Devices Inc./Maxim Integrated EV1HMC832ALP6GObsolete | Development Boards Kits Programmers | EVAL BOARD FOR HMC832ALP6GE |
Analog Devices Inc./Maxim Integrated LTC488ISWUnknown | Integrated Circuits (ICs) | IC LINE RCVR RS485 QUAD 16-SOIC |
Analog Devices Inc./Maxim Integrated LTC6946IUFD-2Obsolete | Integrated Circuits (ICs) | IC CLK/FREQ SYNTH 28QFN |
Analog Devices Inc./Maxim Integrated MAX5556ESA+TObsolete | Integrated Circuits (ICs) | IC DAC/AUDIO 16BIT 50K 8SOIC |
Analog Devices Inc./Maxim Integrated EVAL-FLTR-LD-1RZUnknown | Unclassified | EVAL BRD FOR AD800 SERIES |
Analog Devices Inc./Maxim Integrated | Development Boards Kits Programmers | BOARD EVAL FOR AD9963 |
Analog Devices Inc./Maxim Integrated LTC1296CCSW#TRUnknown | Integrated Circuits (ICs) | IC DATA ACQ SYS 12BIT 5V 20SOIC |
| Series | Category | # Parts | Status | Description |
|---|---|---|---|---|
| Evaluation Boards | 1 | Active | ||
HMC6146BGaAs MMIC I/Q Upconverter, 40 - 44 GHz | RF Misc ICs and Modules | 3 | Active | The HMC6146BLC5A is a compact GaAs MMIC I/Q variable gain upconverter in a leadless RoHS compliant SMT package. This device provides a small signal conversion gain of 12 dB with 25 dBc of sideband rejection, and 17 db of gain control. The HMC 6146BLC5A utilizes a RF variable gain amplifier preceded by an I/Q mixer where the LO is driven by a X2 multiplier. IF1 and IF2 mixer inputs are provided and an external 90° hybrid is needed to select the required sideband.The I/Q mixer topology reduces the need for filtering of the unwanted sideband. The HMC6146BLC5A is a much smaller alternative to hybrid style single sideband upconverter assemblies and it eliminates the need for wire bonding by allowing the use of surface mount manufacturing techniques.APPLICATIONSPoint-to-Point & Point-to-Multi-Point RadioMilitary Radar, EW & ELINTSatellite CommunicationsSensors |
| Development Boards, Kits, Programmers | 1 | Active | ||
| RF Misc ICs and Modules | 3 | Active | ||
HMC615GaAs MMIC Mixer SMT w/LO Amplifier, 2.3 - 4.0 GHz | RF Mixers | 2 | Obsolete | The HMC615LP4(E) is a high linearity, GaAs FET converter IC that operates from 2.3 to 4.0 GHz and deliver a +35 dBm input third order intercept point. The LO amplifier output and high dynamic range mixer input are positioned so that an external LO filter can be placed in series between them.The IC operates from a single +5V supply consuming 65 mA of current and accepts a LO drive level of -2 to +6 dBm. The design requires no external baluns and supports IF frequencies between DC and 1 GHz. The HMC615LP4(E) is pin for pin compatible with the HMC551LP4(E), HMC552LP4(E) and HMC215LP4(E), which operate from 0.8 to 4 GHz.ApplicationsPCS / 3G InfrastructureBase Stations & RepeatersWiMAX & WiBroISM & Fixed Wireless |
| RF Amplifiers | 2 | Obsolete | ||
| RF and Wireless | 4 | Obsolete | ||
HMC618GaAs SMT pHEMT Low Noise Amplifier SMT, 1.2 - 2.2 GHz | RF Amplifiers | 2 | Active | The HMC618ALP3E is a GaAs pHEMT MMIC Low Noise Amplifier that is ideal for Cellular/3G and LTE/WiMAX/4G basestation front-end receivers operating between 1.2 - 2.2 GHz. The amplifier has been optimized to provide 0.75 dB noise figure, 19 dB gain and +36 dBm output IP3 from a single supply of +5V. Input and output return losses are excellent and the LNA requires minimal external matching and bias decoupling components. The HMC618ALP3E shares the same package and pinout with the HMC617LP3E 0.55 - 1.2 GHz LNA. The HMC618ALP3E can be biased with +3V to +5V and features an externally adjustable supply current which allows the designer to tailor the linearity performance of the LNA for each application. The HMC618ALP3E offers improved noise figure versus the previously released HMC375LP3(E) and the HMC382LP3(E).ApplicationsCellular/3G and LTE/WiMAX/4GBTS & InfrastructureRepeaters and Femto CellsPublic Safety Radio |
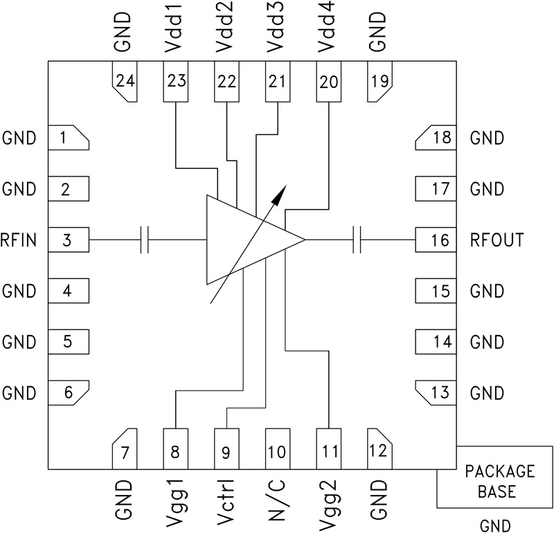
HMC6187Variable Gain Amplifier SMT, 27 - 31.5 GHz | RF and Wireless | 2 | Active | The HMC6187LP4E is a GaAs MMIC pHEMT analog variable gain amplifier and/or driver amplifier which operates between 27 and 31.5 GHz and is ideal for microwave radio applications. The amplifier provides up to 19 dB of gain, output P1dB of up to +24 dBm, and up to +31 dBm of output IP3 at maximum gain, while requiring 230 mA from a +5V supply. A gain control voltage (Vctrl) is provided to allow variable gain control up to 13 dB. Gain flatness is excellent making the HMC6187LP4E ideal for EW, ECM and radar applications. The HMC6187LP4E is housed in a RoHS compliant 4 x 4 mm plastic QFN leadless package and is compatible with high volume surface mount manufacturing.APPLICATIONSPoint-to-Point RadioPoint-to-Multi-Point RadioEW & ECM SubsystemsKa-Band Radar & VSATTest Equipment |
HMC618AGaAs SMT pHEMT Low Noise Amplifier, 1.2 - 2.2 GHz | RF and Wireless | 1 | Active | The HMC618ALP3E is a GaAs pHEMT MMIC Low Noise Amplifier that is ideal for Cellular/3G and LTE/WiMAX/4G basestation front-end receivers operating between 1.2 - 2.2 GHz. The amplifier has been optimized to provide 0.75 dB noise figure, 19 dB gain and +36 dBm output IP3 from a single supply of +5V. Input and output return losses are excellent and the LNA requires minimal external matching and bias decoupling components. The HMC618ALP3E shares the same package and pinout with the HMC617LP3E 0.55 - 1.2 GHz LNA. The HMC618ALP3E can be biased with +3V to +5V and features an externally adjustable supply current which allows the designer to tailor the linearity performance of the LNA for each application. The HMC618ALP3E offers improved noise figure versus the previously released HMC375LP3(E) and the HMC382LP3(E).ApplicationsCellular/3G and LTE/WiMAX/4GBTS & InfrastructureRepeaters and Femto CellsPublic Safety Radio |