A
Analog Devices Inc./Maxim Integrated
| Series | Category | # Parts | Status | Description |
|---|---|---|---|---|
| Part | Spec A | Spec B | Spec C | Spec D | Description |
|---|---|---|---|---|---|
| Series | Category | # Parts | Status | Description |
|---|---|---|---|---|
| Part | Spec A | Spec B | Spec C | Spec D | Description |
|---|---|---|---|---|---|
| Part | Category | Description |
|---|---|---|
Analog Devices Inc./Maxim Integrated LTC1879EGN#TRUnknown | Integrated Circuits (ICs) | IC REG BUCK ADJ 1.2A 16SSOP |
Analog Devices Inc./Maxim Integrated LTC2208CUP#TRUnknown | Integrated Circuits (ICs) | IC ADC 16BIT 130MSPS 64-QFN |
Analog Devices Inc./Maxim Integrated ADP2108ACBZ-1.1-R7Obsolete | Integrated Circuits (ICs) | IC REG BUCK 1.1V 600MA 5WLCSP |
Analog Devices Inc./Maxim Integrated EV1HMC832ALP6GObsolete | Development Boards Kits Programmers | EVAL BOARD FOR HMC832ALP6GE |
Analog Devices Inc./Maxim Integrated LTC488ISWUnknown | Integrated Circuits (ICs) | IC LINE RCVR RS485 QUAD 16-SOIC |
Analog Devices Inc./Maxim Integrated LTC6946IUFD-2Obsolete | Integrated Circuits (ICs) | IC CLK/FREQ SYNTH 28QFN |
Analog Devices Inc./Maxim Integrated MAX5556ESA+TObsolete | Integrated Circuits (ICs) | IC DAC/AUDIO 16BIT 50K 8SOIC |
Analog Devices Inc./Maxim Integrated EVAL-FLTR-LD-1RZUnknown | Unclassified | EVAL BRD FOR AD800 SERIES |
Analog Devices Inc./Maxim Integrated | Development Boards Kits Programmers | BOARD EVAL FOR AD9963 |
Analog Devices Inc./Maxim Integrated LTC1296CCSW#TRUnknown | Integrated Circuits (ICs) | IC DATA ACQ SYS 12BIT 5V 20SOIC |
| Series | Category | # Parts | Status | Description |
|---|---|---|---|---|
HMC606-DieGaAs InGaP HBT MMIC Ultra Low Phase Noise, Distributed Amplifier, 2 - 18 GHz | RF Amplifiers | 1 | Active | The HMC606 is a GaAs InGaP HBT MMIC Distributed Amplifier die which operates between 2 and 18 GHz. With an input signal of 12 GHz, the amplifier provides ultra low phase noise performance of -160 dBc/Hz at 10 kHz offset, representing a significant improvement over FET-based distributed amplifiers. The HMC606 provides 14 dB of small signal gain, +27 dBm output IP3 and +15 dBm of output power at 1 dB gain compression while requiring 64 mA from a +5V supply. The HMC606 amplifier I/Os are internally matched to 50 Ω facilitating easy integration into Multi-Chip-Modules (MCMs). All data is taken with the chip in a 50 Ω test fixture connected via 0.025 mm (1mil) diameter wire bonds of minimal length 0.31 mm (12 mils).ApplicationsRadar, EW & ECMMicrowave RadioTest InstrumentationMilitary & SpaceFiber Optic Systems |
HMC606LC5GaAs, InGaP, HBT, MMIC, Ultralow Phase Noise, Distributed Amplifier, 2 GHz to 18 GHz | RF Amplifiers | 2 | Active | The HMC606LC5 is a gallium arsenide (GaAs), indium gallium phosphide (InGaP), heterojunction bipolar transistor (HBT), monolithic microwave integrated circuit (MMIC) distributed amplifier housed in a 32-terminal, ceramic, leadless chip carrier (LCC) package that operates from 2 GHz to 18 GHz. With an input signal of 12 GHz, the amplifier provides ultralow phase noise performance of −160 dBc/Hz at a 10 kHz offset, representing a significant improvement over field effect transistor (FET)-based distributed amplifiers.The HMC606LC5 provides 13.5 dB of small signal gain, 27 dBm output IP3, and 15 dBm of output power for 1 dB compression while requiring 64 mA from a 5.0 V supply. The input and output of the HMC606LC5 amplifier are internally matched to 50 Ω and are internally dc blocked.ApplicationsRadars, electronic warfare (EW), and electronic counter measures (ECMs)Microwave radiosTest instrumentationMilitary and spaceFiber optic systems |
HMC607HMC607 / HMC607G7 | RF Switches | 1 | Obsolete | The HMC607 is a broadband high isolation nonreflective GaAs MESFET SPDT MMIC chip and a broadband high isolation nonreflective GaAs MESFET SPDT switch in a hermetic surface-mount package. Covering DC to 15 GHz, the switch features >55 dB isolation at lower frequencies and >45 dB at higher frequencies. The switch operates using complementary negative control voltage logic lines of −5/0 V and requires no bias supply.ApplicationsTelecom infrastructureMicrowave radios and VSATMilitary radios, radar, and ECMSpace systemsTest instrumentation |
HMC608GaAs pHEMT Medium Power Amplifier, 9.5 - 11.5 GHz | Evaluation Boards | 4 | Active | The HMC608LC4 is a high dynamic range GaAs pHEMT MMIC Medium Power Amplifier housed in a leadless "Pb free" SMT package. The amplifier has two modes of operation: high gain mode (Vpd pin shorted to ground); and low gain mode (Vpd pin left open). The electrical specifications in the table below are shown for the amplifier operating in high gain mode. Operating from 9.5 to 11.5 GHz, the amplifier provides 29.5 dB of gain, +27.5 dBm of saturated power and 23% PAE from a +5V supply voltage. Noise figure is 6 dB while output IP3 is +33 dBm. The RF I/Os are DC blocked and matched to 50 Ohms for ease of use. The HMC608LC4 eliminates the need for wire bonding, allowing use of surface mount manufacturing techniques.Applications• Point-to-Point Radios• Point-to-Multi-Point Radios• Military End-Use |
HMC609-DieLow Noise Amplifier Chip, 2 - 4 GHz | RF Amplifiers | 2 | Active | The HMC609 is a GaAs PHEMT MMIC Low Noise Amplifier (LNA) chip which operates from 2 to 4 GHz. The HMC609 features extremely flat performance characteristics including 20dB of small signal gain, 3dB of noise figure and output IP3 of +36 dBm across the operating band. The versatile LNA is ideal for hybrid and MCM assemblies due to its compact size, consistent output power and DC blocked RF I/O's. All data is measured with the chip in a 50 Ohm test fixture connected via one 0.025 mm (1 mil) diameter bondwire of minimal length 0.31 mm (12 mil).ApplicationsFixed MicrowavePoint-to-Multi-Point RadiosTest & Measurement EquipmentRadar & SensorsMilitary & Space |
HMC609LC4Low Noise Amplifier SMT, 2 - 4 GHz | RF and Wireless | 3 | Active | The HMC609LC4 is a GaAs PHEMT MMIC Low Noise Amplifier (LNA) which operates from 2 to 4 GHz. The HMC609LC4 features extremely flat performance characteristics including 20 dB of small signal gain, 3.5 dB of noise figure and output IP3 of +36.5 dBm across the operating band. This 50 Ohm matched amplifier does not require any external matching components. The HMC609LC4 is compatible with high volume surface mount manufacturing techniques, and the RF I/Os are DC blocked for further ease of integration.ApplicationsFixed MicrowaveTest & Measurement EquipmentRadar & SensorsMilitary & Space |
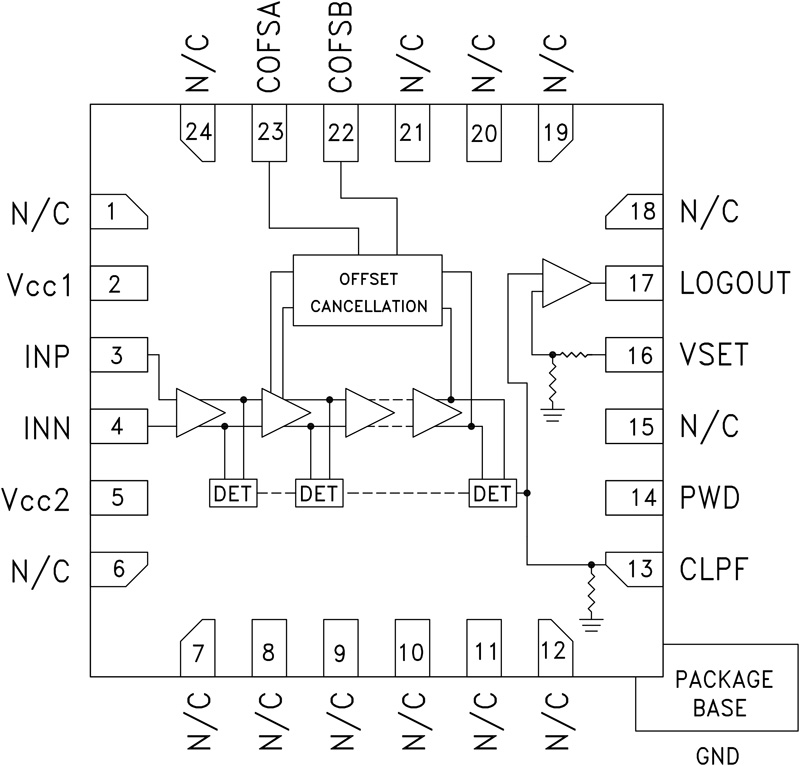
HMC611-DieLogarithmic Detector Controller Chip, 0.001 GHz to 10 GHz | RF and Wireless | 1 | Obsolete | The HMC611 SiGe BiCMOS Logarithmic Detector/Controller generates a voltage that is proportional to the log of the RF power envelop presented to its input. The HMC611 employs a successive compression topology which delivers extremely high dynamic range and conversion accuracy over a wide input frequency range. As the input power is increased, successive amplifiers move into saturation one by one creating an accurate approximation of the logarithm function. The output of a series of square law detectors is summed, converted into voltage domain and buffered to drive the LOGOUT output. For detection mode, the LOGOUT pin is shorted to the VSET input, and will provide a nominal logarithmic slope of -25 mV/dB and an intercept of 18 dBm (22 dBm for ƒ ≥ 5.8 GHz). The HMC611 can also be used in the controller mode where an external voltage is applied to the VSET pin, to create an AGC or APC feedback loop.ApplicationsCellular/PCS/3GWiMAX, WiBro, WLAN, Fixed Wireless & RadarPower Monitoring & Control CircuitryReceiver Signal Strength Indication (RSSI)Automatic Gain & Power Control |
| RF and Wireless | 4 | Obsolete | ||
HMC612Logarithmic Detector Controller SMT, 50 Hz - 3 GHz | RF Detectors | 2 | Obsolete | The HMC612LP4(E) Logarithmic Detector/Controller is ideal for converting input signals with frequencies in the 50 Hz to 3 GHz range, to a proportional DC voltage at its output. The HMC612LP4(E) employs a successive compression technology which delivers extremely high dynamic range and conversion accuracy over a wide input frequency range. As the input signal is increased, successive amplifiers move into saturation one by one creating an accurate approximation of the logarithm function.The output of a series of square law detectors is summed, converted into voltage domain and buffered to drive the LOGOUT output. For detection mode, the LOGOUT pin is shorted to the VSET input and will provide a nominal logarithmic slope of 19 mV/dB and an intercept of -99 dBm. The HMC612LP4(E) can also be used in the controller mode where an external voltage is applied to the VSET pin, to create an AGC or APC feedback loop.ApplicationsCellular/PCS/3GWiMAX, WiBro, WLAN, Fixed Wireless & RadarPower Monitoring & Control CircuitryReceiver Signal Strength Indication (RSSI)Automatic Gain & Power Control |
HMC613Successive Detection Log Video Amp., SMT 0.1 - 20 GHz | RF and Wireless | 3 | Active | The HMC613LC4B is a Successive Detection Log Video Amplifier (SDLVA) which operates from 0.1 to 20 GHz. The HMC613LC4B provides a logging range of 59 dB. This device offers typical fast rise/fall times of 4/18 ns and a superior delay time of 14 ns. The HMC613LC4B log video output slope is typically 14 mV/dB. Maximum recovery times are less than 30 ns. The HMC613LC4B is available in a highly compact 4x4 mm SMT ceramic package and is ideal for high speed channelized receiver applications.APPLICATIONSEW, ELINT & IFM ReceiversDF Radar SystemsECM SystemsBroadband Test & MeasurementPower Measurement & Control CircuitsMilitary & Space Applications |