A
Analog Devices Inc./Maxim Integrated
| Series | Category | # Parts | Status | Description |
|---|---|---|---|---|
| Part | Spec A | Spec B | Spec C | Spec D | Description |
|---|---|---|---|---|---|
| Series | Category | # Parts | Status | Description |
|---|---|---|---|---|
| Part | Spec A | Spec B | Spec C | Spec D | Description |
|---|---|---|---|---|---|
| Part | Category | Description |
|---|---|---|
Analog Devices Inc./Maxim Integrated LTC1879EGN#TRUnknown | Integrated Circuits (ICs) | IC REG BUCK ADJ 1.2A 16SSOP |
Analog Devices Inc./Maxim Integrated LTC2208CUP#TRUnknown | Integrated Circuits (ICs) | IC ADC 16BIT 130MSPS 64-QFN |
Analog Devices Inc./Maxim Integrated ADP2108ACBZ-1.1-R7Obsolete | Integrated Circuits (ICs) | IC REG BUCK 1.1V 600MA 5WLCSP |
Analog Devices Inc./Maxim Integrated EV1HMC832ALP6GObsolete | Development Boards Kits Programmers | EVAL BOARD FOR HMC832ALP6GE |
Analog Devices Inc./Maxim Integrated LTC488ISWUnknown | Integrated Circuits (ICs) | IC LINE RCVR RS485 QUAD 16-SOIC |
Analog Devices Inc./Maxim Integrated LTC6946IUFD-2Obsolete | Integrated Circuits (ICs) | IC CLK/FREQ SYNTH 28QFN |
Analog Devices Inc./Maxim Integrated MAX5556ESA+TObsolete | Integrated Circuits (ICs) | IC DAC/AUDIO 16BIT 50K 8SOIC |
Analog Devices Inc./Maxim Integrated EVAL-FLTR-LD-1RZUnknown | Unclassified | EVAL BRD FOR AD800 SERIES |
Analog Devices Inc./Maxim Integrated | Development Boards Kits Programmers | BOARD EVAL FOR AD9963 |
Analog Devices Inc./Maxim Integrated LTC1296CCSW#TRUnknown | Integrated Circuits (ICs) | IC DATA ACQ SYS 12BIT 5V 20SOIC |
| Series | Category | # Parts | Status | Description |
|---|---|---|---|---|
| Evaluation Boards | 4 | Active | ||
| RF, RFID, Wireless Evaluation Boards | 3 | Active | ||
| RF and Wireless | 1 | Active | ||
| Evaluation Boards | 1 | Active | ||
HMC631HBT Vector Modulator SMT, 1.8 - 2.7 GHz | RF and Wireless | 3 | Active | The HMC631LP3 & HMC631LP3E are high dynamic range Vector Modulator RFICs which are targeted for RF predistortion and feed-forward cancellation circuits, as well as RF cancellation, beam forming and amplitude/phase correction circuits. The I & Q ports of the HMC631LP3(E) can be used to continuously vary the phase and amplitude of RF signals by up to 360 degrees and 40 dB respectively, while supporting a 3 dB modulation bandwidth of 200 MHz. With an output IP3 of +26 dBm and output noise floor of -160 dBm/Hz (at maximum gain setting), the IP3/noise floor ratio is 186 dB.APPLICATIONSCellular/3G & WiMAX SystemsWireless Infrastructure HPA & MCPA Error CorrectionPre-Distortion or Feed-Forward LinearizationBeam Forming & Nulling Circuits |
| Development Boards, Kits, Programmers | 3 | Active | ||
HMC633GaAs PHEMT MMIC Driver Amplifier, 5 - 17 GHz | Development Boards, Kits, Programmers | 4 | Active | The HMC633 is a GaAs MMIC PHEMT Driver Amplifier die which operates between 5 and 17 GHz. The amplifier provides up to 31 dB of gain, +30 dBm Output IP3, and +23 dBm of output power at 1 dB gain compression, while requiring 180 mA from a +5V supply. The HMC633 is an ideal driver amplifier for microwave radio applications from 5 to 17 GHz, and may also be biased at +5V, 130 mA to provide 2 dB lower gain with improved PAE. The HMC633 amplifier I/O’s are DC blocked and internally matched to 50 Ohms facilitating easy integration into Multi-Chip-Modules (MCMs). All data is taken with die connected at input and output RF ports via one 1 mil wedge bond with minimal length of 0.31 mm (12 mils).ApplicationsPoint-to-Point RadiosPoint-to-Multi-Point Radios & VSATLO Driver for MixersMilitary & Space |
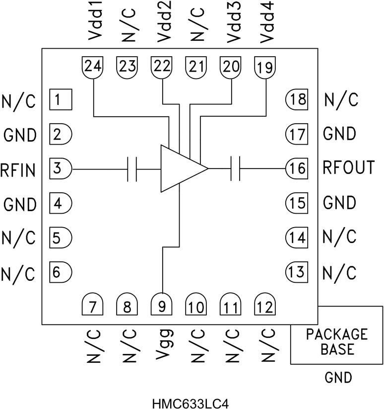
HMC633LC4SMT Driver Amplifier, 5.5 - 17 GHz | RF Amplifiers | 2 | Active | The HMC633LC4 is a GaAs PHEMT MMIC Driver Amplifier in a leadless 4x4 mm ceramic surface mount package which operates between 5.5 and 17 GHz. The amplifier provides up to 30 dB of gain, +30 dBm Output IP3, and +23 dBm of output power at 1 dB gain compression, while requiring 180 mA from a +5V supply.The HMC633LC4 is an ideal driver amplifier for microwave radio applications from 5.5 to 17 GHz and may be biased at +5V, 130 mA to provide 2 dB lower gain with improved PAE. The amplifier’s I/Os are DC blocked and matched to 50 Ohms with no external matching required.ApplicationsPoint-to-Point RadiosPoint-to-Multi-Point Radios & VSATLO Driver for MixersMilitary & Space |
| Development Boards, Kits, Programmers | 1 | Active | ||
HMC634-DieDriver Amplifier Chip, 5 - 20 GHz | RF and Wireless | 2 | Active | The HMC634 is a GaAs MMIC PHEMT Driver Amplifier die which operates between 5 and 20 GHz. The amplifier provides up to 22 dB of gain, +31 dBm Output IP3, and up to +23 dBm of output power at 1 dB gain compression, while requiring 180 mA from a +5V supply. The HMC634 is an ideal driver amplifier for microwave radio applications from 5 to 20 GHz, and may be biased at +5V, 130 mA to provide 2 dB lower gain with improved PAE. The HMC634 amplifier I/O’s are DC blocked and internally matched to 50 Ohms facilitating easy integration into Multi-Chip-Modules (MCMs). All data is taken with die connected at input and output RF ports via one 1 mil wedge bond with minimal length of 0.31 mm (12 mils).ApplicationsPoint-to-Point RadiosPoint- to-Multi-Point Radios & VSATLO Driver for MixersMilitary & Space |