A
Analog Devices Inc./Maxim Integrated
| Series | Category | # Parts | Status | Description |
|---|---|---|---|---|
| Part | Spec A | Spec B | Spec C | Spec D | Description |
|---|---|---|---|---|---|
| Series | Category | # Parts | Status | Description |
|---|---|---|---|---|
| Part | Spec A | Spec B | Spec C | Spec D | Description |
|---|---|---|---|---|---|
| Part | Category | Description |
|---|---|---|
Analog Devices Inc./Maxim Integrated LTC1879EGN#TRUnknown | Integrated Circuits (ICs) | IC REG BUCK ADJ 1.2A 16SSOP |
Analog Devices Inc./Maxim Integrated LTC2208CUP#TRUnknown | Integrated Circuits (ICs) | IC ADC 16BIT 130MSPS 64-QFN |
Analog Devices Inc./Maxim Integrated ADP2108ACBZ-1.1-R7Obsolete | Integrated Circuits (ICs) | IC REG BUCK 1.1V 600MA 5WLCSP |
Analog Devices Inc./Maxim Integrated EV1HMC832ALP6GObsolete | Development Boards Kits Programmers | EVAL BOARD FOR HMC832ALP6GE |
Analog Devices Inc./Maxim Integrated LTC488ISWUnknown | Integrated Circuits (ICs) | IC LINE RCVR RS485 QUAD 16-SOIC |
Analog Devices Inc./Maxim Integrated LTC6946IUFD-2Obsolete | Integrated Circuits (ICs) | IC CLK/FREQ SYNTH 28QFN |
Analog Devices Inc./Maxim Integrated MAX5556ESA+TObsolete | Integrated Circuits (ICs) | IC DAC/AUDIO 16BIT 50K 8SOIC |
Analog Devices Inc./Maxim Integrated EVAL-FLTR-LD-1RZUnknown | Unclassified | EVAL BRD FOR AD800 SERIES |
Analog Devices Inc./Maxim Integrated | Development Boards Kits Programmers | BOARD EVAL FOR AD9963 |
Analog Devices Inc./Maxim Integrated LTC1296CCSW#TRUnknown | Integrated Circuits (ICs) | IC DATA ACQ SYS 12BIT 5V 20SOIC |
| Series | Category | # Parts | Status | Description |
|---|---|---|---|---|
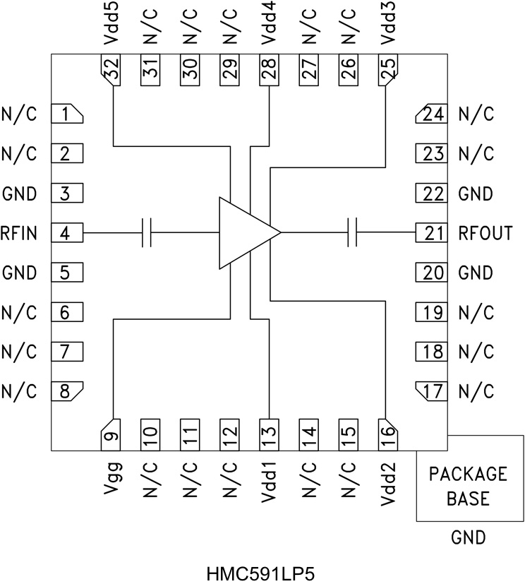
HMC591-Die2 Watt Power Amplifier Chip, 6 - 10 GHz | RF and Wireless | 1 | Unknown | The HMC591 is a high dynamic range GaAs PHEMT MMIC 2 Watt Power Amplifier which operates from 6 to 10 GHz. This amplifier die provides 23 dB of gain and +34 dBm of saturated power, at 24% PAE from a +7.0V supply. Output IP3 is +43 dBm typical. The RF I/Os are DC blocked and matched to 50 Ohms for ease of integration into Multi-Chip-Modules (MCMs). All data is taken with the chip in a 50 ohm test fixture connected via 0.025mm (1 mil) diameter wire bonds of length 0.31mm (12 mils). For applications which require optimum OIP3, Idd should be set for 940 mA, to yield +43 dBm OIP3. For applications which require optimum output P1dB, Idd should be set for 1340 mA, to yield +33.5 dBm Output P1dB.ApplicationsPoint-to-Point RadiosPoint-to-Multi-Point RadiosTest Equipment & SensorsMilitary End-UseSpace |
| RF and Wireless | 4 | Active | ||
| RF Amplifiers | 1 | Obsolete | ||
| RF and Wireless | 2 | Active | ||
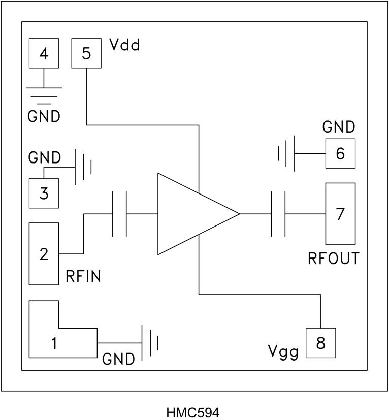
HMC594-DieLow Noise Amplifier Chip, 2 - 4 GHz | RF and Wireless | 2 | Active | The HMC594 is a GaAs PHEMT MMIC Low Noise Amplifier (LNA) chip which operates from 2 to 4 GHz. The HMC594 features extremely flat performance characteristics including 10dB of small signal gain, 2.6dB of noise figure and output IP3 of +36 dBm across the operating band. This versatile LNA is ideal for hybrid and MCM assemblies due to its Compact size, consistent output power and DC block RF I/O's. All data is measured with the chip in a 50 Ohm test fixture connected via one 0.025 mm (1 mil) diameter bondwire of minimal length 0.31 mm (12 mil).ApplicationsFixed MicrowavePoint-to-Multi-Point RadiosTest & Measurement EquipmentRadar & SensorsMilitary & Space |
| RF Amplifiers | 2 | Active | ||
| RF and Wireless | 4 | Obsolete | ||
| RF Switches | 4 | Active | ||
| Evaluation Boards | 4 | Active | ||
| RF and Wireless | 4 | Obsolete | ||