A
Analog Devices Inc./Maxim Integrated
| Series | Category | # Parts | Status | Description |
|---|---|---|---|---|
| Part | Spec A | Spec B | Spec C | Spec D | Description |
|---|---|---|---|---|---|
| Series | Category | # Parts | Status | Description |
|---|---|---|---|---|
| Part | Spec A | Spec B | Spec C | Spec D | Description |
|---|---|---|---|---|---|
| Part | Category | Description |
|---|---|---|
Analog Devices Inc./Maxim Integrated LTC1879EGN#TRUnknown | Integrated Circuits (ICs) | IC REG BUCK ADJ 1.2A 16SSOP |
Analog Devices Inc./Maxim Integrated LTC2208CUP#TRUnknown | Integrated Circuits (ICs) | IC ADC 16BIT 130MSPS 64-QFN |
Analog Devices Inc./Maxim Integrated ADP2108ACBZ-1.1-R7Obsolete | Integrated Circuits (ICs) | IC REG BUCK 1.1V 600MA 5WLCSP |
Analog Devices Inc./Maxim Integrated EV1HMC832ALP6GObsolete | Development Boards Kits Programmers | EVAL BOARD FOR HMC832ALP6GE |
Analog Devices Inc./Maxim Integrated LTC488ISWUnknown | Integrated Circuits (ICs) | IC LINE RCVR RS485 QUAD 16-SOIC |
Analog Devices Inc./Maxim Integrated LTC6946IUFD-2Obsolete | Integrated Circuits (ICs) | IC CLK/FREQ SYNTH 28QFN |
Analog Devices Inc./Maxim Integrated MAX5556ESA+TObsolete | Integrated Circuits (ICs) | IC DAC/AUDIO 16BIT 50K 8SOIC |
Analog Devices Inc./Maxim Integrated EVAL-FLTR-LD-1RZUnknown | Unclassified | EVAL BRD FOR AD800 SERIES |
Analog Devices Inc./Maxim Integrated | Development Boards Kits Programmers | BOARD EVAL FOR AD9963 |
Analog Devices Inc./Maxim Integrated LTC1296CCSW#TRUnknown | Integrated Circuits (ICs) | IC DATA ACQ SYS 12BIT 5V 20SOIC |
| Series | Category | # Parts | Status | Description |
|---|---|---|---|---|
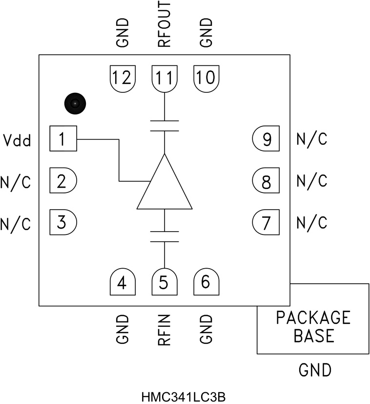
HMC341LC3BSMT GaAs pHEMT MMIC Low Noise Amplifier, 21 - 29 GHz | RF and Wireless | 3 | Active | The HMC341LC3B is a GaAs pHEMT MMIC Low Noise Amplifier housed in a leadless RoHS compliant SMT package. Operating from 21 to 29 GHz, the amplifier provides 13 dB of gain and a noise figure of 2.5 dB from a single +3V supply. The RF I/Os are DC blocked and matched to 50 Ohms requiring no external components. The HMC341LC3B eliminates the need for wire bonding, allowing the use of surface mount manufacturing techniques.ApplicationsPoint-to-Point RadiosPoint-to-Multi-Point Radios & VSATTest Equipment & SensorsMilitary End-Use |
HMC342Low Noise Amplifier SMT, 13 - 25 GHz | RF and Wireless | 4 | Active | The HMC342 chip is a GaAs MMIC Low Noise Amplifier (LNA) which covers the frequency range of 13 to 25 GHz. The chip can easily be integrated into Multi-Chip Modules (MCMs) due to its small (2.14 mm²) size. The chip utilizes a GaAs PHEMT process offering 20 dB gain from a single bias supply of +3V @ 41 mA with a noise figure of 3.5 dB. All data is with the chip in a 50 ohm test fixture connected via 0.025 mm (1 mil) diameter wire bonds of minimal length 0.31 mm (<12 mils).ApplicationsMicrowave Point-to-Point RadiosMillimeterwave Point-to-Point RadiosVSAT & SATCOM |
HMC342-DieLow Noise Amplifier Chip, 13 - 25 GHz | RF and Wireless | 1 | Active | The HMC342 chip is a GaAs MMIC Low Noise Amplifier (LNA) which covers the frequency range of 13 to 25 GHz. The chip can easily be integrated into Multi-Chip Modules (MCMs) due to its small (2.14 mm²) size. The chip utilizes a GaAs PHEMT process offering 20 dB gain from a single bias supply of +3V @ 41 mA with a noise figure of 3.5 dB. All data is with the chip in a 50 ohm test fixture connected via 0.025 mm (1 mil) diameter wire bonds of minimal length 0.31 mm (<12 mils).ApplicationsMicrowave Point-to-Point RadiosMillimeterwave Point-to-Point RadiosVSAT & SATCOM |
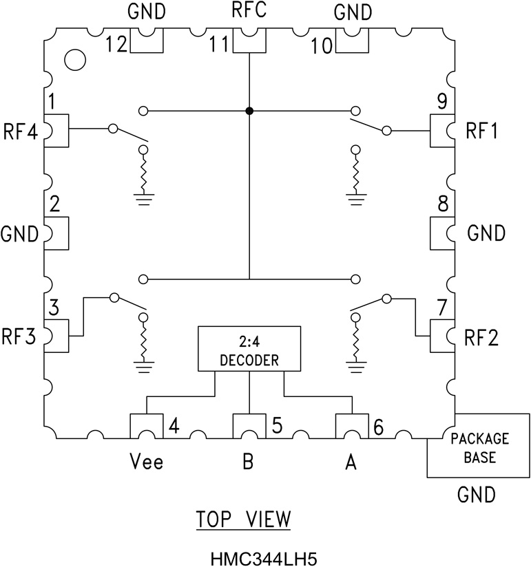
HMC344HMC344 / HMC344LC3 / HMC344LH5 / HMC344LP3 | RF Switches | 12 | Active | The HMC344ALP3E is a broadband, nonreflective, single-pole, four-throw (SP4T) switch manufactured using a gallium arsenide (GaAs) metal semiconductor field effect transistor (MESFET) process. This switch offers high isolation, low insertion loss, and on-chip termination of the isolated ports.The switch operates with a negative supply voltage (VEE) range of −5 V to −3 V and requires two negative logic control voltages.The HMC344ALP3E includes an on-chip, binary two-line to four-line decoder that provides logic control from two logic input lines.The HMC344ALP3E comes in a 3 mm × 3 mm, 16-lead LFCSP package and operates from a 0.1 GHz to 8 GHz frequency range.ApplicationsBroadband telecommunications systemsFiber opticsSwitched filter banksWireless Infrastructure below 8 GHz |
HMC344A0.1 GHz to 8 GHz, GaAs, Nonreflective, SP4T Switch | RF and Wireless | 2 | Active | The HMC344ALP3E is a broadband, nonreflective, single-pole, four-throw (SP4T) switch manufactured using a gallium arsenide (GaAs) metal semiconductor field effect transistor (MESFET) process. This switch offers high isolation, low insertion loss, and on-chip termination of the isolated ports.The switch operates with a negative supply voltage (VEE) range of −5 V to −3 V and requires two negative logic control voltages.The HMC344ALP3E includes an on-chip, binary two-line to four-line decoder that provides logic control from two logic input lines.The HMC344ALP3E comes in a 3 mm × 3 mm, 16-lead LFCSP package and operates from a 0.1 GHz to 8 GHz frequency range.ApplicationsBroadband telecommunications systemsFiber opticsSwitched filter banksWireless Infrastructure below 8 GHz |
| Development Boards, Kits, Programmers | 5 | Active | ||
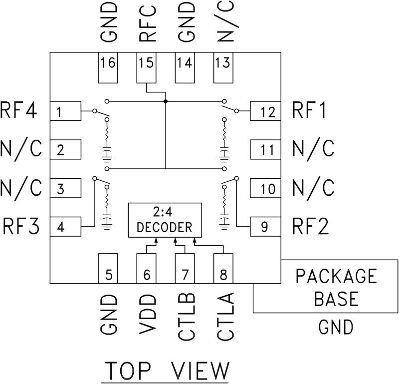
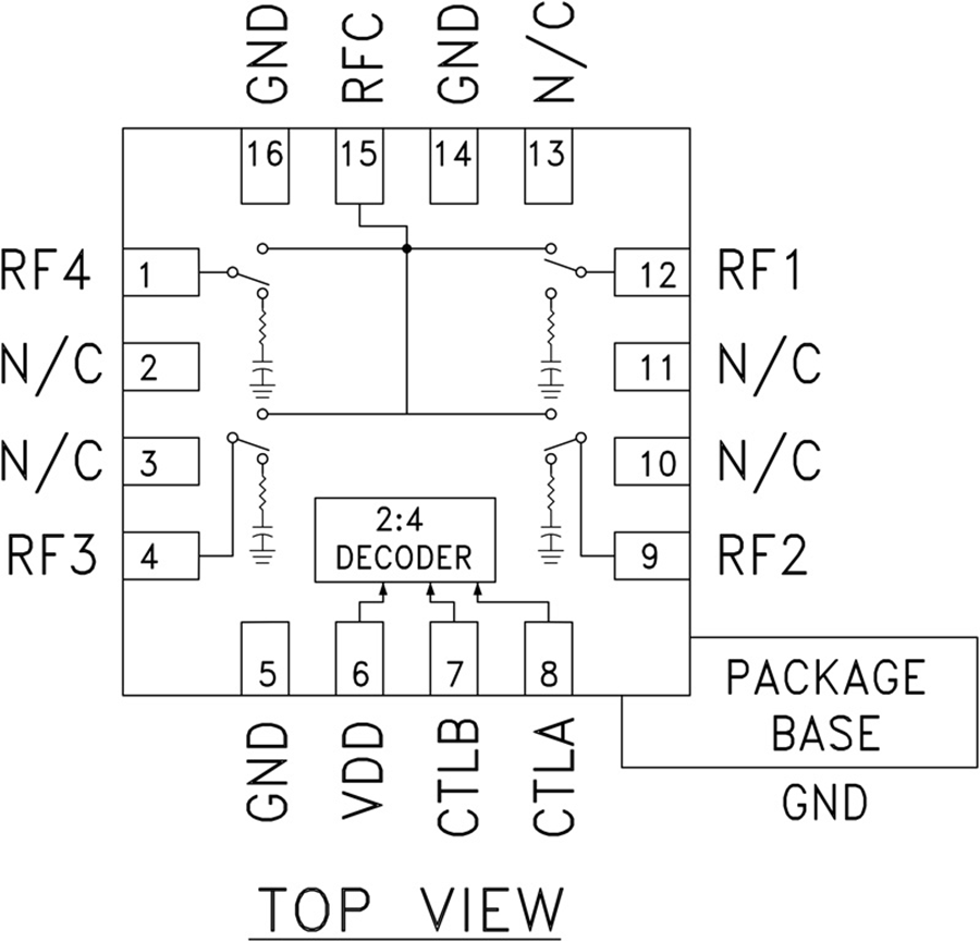
HMC345AGaAs MMIC SP4T Non-Reflective Positive Control Switch, DC* - 8 GHz | RF Switches | 2 | Active | The HMC345ALP3E is a broadband non-reflective GaAs MESFET SP4T switch in a low cost leadless surface mount packages. Covering DC to 8 GHz, this switch offers high isolation and low insertion loss. This switch also includes an on board binary decoder circuit which reduces the required logic control lines to two. The switch operates using a positive control voltage of 0/+5V, and requires a fixed bias of +5V.* Blocking capacitors are required at ports RFC and RF1, 2, 3, & 4. Their value will determine the lowest transmission frequency.APPLICATIONSThis switch is suitable for usage in DC - 8.0 GHz 50-Ohm or 75-Ohm systems:BroadbandFiber OpticsSwitched Filter BanksWireless below 8 GHz |
HMC346HMC346 / HMC346C8 / HMC346G8 / HMC346LC3B / HMC346LP3 / HMC346MS8G | RF, RFID, Wireless Evaluation Boards | 17 | Active | The HMC346 devices are absorptive, voltage variable attenuators (VVAs) operating from dc to 8 GHz, 14 GHz, 18 GHz, or 20 GHz. They feature on-chip reference attenuators for use with an external op-amp to provide simple single voltage attenuation control, 0 V to −3 V. These devices are ideal in designs when an analog dc control signal must control RF signal levels over a 30 dB amplitude range. Applications include AGC circuits and temperature compensation of multiple gain stages in microwave radios and test instrumentation.ApplicationsPoint-to-point radiosVSAT radioBase station infrastructureFiber optics and broadband telecomMicrowave radio and VSATMilitary radios, radar, and ECMTest instrumentation |
HMC346ALP3EGaAs MMIC Voltage-Variable Attenuator, DC - 14 GHz | RF and Wireless | 2 | Active | The HMC346ALP3E is an absorptive Voltage Variable Attenuator (VVA) in low cost leadless surface mount plastic package operating from DC - 14 GHz. It features an on-chip reference attenuator for use with an external op-amp to provide simple single voltage attenuation control, 0 to -5V. The device is ideal in designs where an analog DC control signal must control RF signal levels over a 30 dB amplitude range.ApplicationsBasestation InfrastructureFiber Optics & Broadband TelecomMicrowave Radio & VSATMilitary Radios, Radar, & ECMTest Instrumentation |
HMC346AMS8GEGaAs MMIC SMT Voltage-Variable Attenuator, DC - 8 GHz | Attenuators | 2 | Active | The HMC346AMS8GE is absorptive Voltage Variable Attenuators (VVA) in 8 lead surface-mount packages operating from DC - 8 GHz. It features an on-chip reference attenuator for use with an external op-amp to provide simple single voltage attenuation control, 0 to -5V. The device is ideal in designs where an analog DC control signal must control RF signal levels over a 30 dB amplitude range. Applications include AGC circuits and temperature compensation of multiple gain stages in microwave point-to-point and VSAT radios.ApplicationsPoint-to-Point RadioVSAT Radio |