HMC116712.17 GHz to 13.33 GHz MMIC VCO with Half Frequency Output | Crystals, Oscillators, Resonators | 2 | Active | The HMC1167 is a monolithic microwave integrated circuit (MMIC) voltage controlled oscillator (VCO) that integrates a resonator, a negative resistance device, and a varactor diode, and features a half frequency output.Because of the monolithic construction of the oscillator, the output power and phase noise performance are excellent over temperature.The output power is 10.5 dBm typical from a 5 V supply voltage. The VCO is housed in a RoHS-compliant LFCSP and requires no external matching components.ApplicationsPoint to point and multipoint radiosTest equipment and industrial controlsVery small aperture terminals (VSATs) |
| Crystals, Oscillators, Resonators | 2 | Active | |
HMC116912.92 GHz to 14.07 GHz MMIC VCO with Half Frequency Output | Crystals, Oscillators, Resonators | 2 | Active | The HMC1169 is a monolithic microwave integrated circuit (MMIC), voltage controlled oscillator (VCO) that integrates a resonator, a negative resistance device, and a varactor diode, and features a half frequency output.Because of the monolithic construction of the oscillator, the output power and phase noise performance are excellent over temperature.The output power is 11.5 dBm typical from a 5 V supply voltage. The VCO is housed in a RoHS compliant LFCSP and requires no external matching components.ApplicationsPoint to point and multipoint radiosTest equipment and industrial controlsVery small aperture terminals (VSATs) |
HMC1190Broadband High IP3 Dual Channel Downconverter w/ Fractional-N PLL & VCO, 0.7 - 3.5 GHz | RF Mixers | 4 | Obsolete | The HMC1190ALP6NE is a high linearity broadband dual channel downconverting mixer with integrated PLL and VCO optimized for multi-standard receiver applications that require a compact, low power design. Integrated wideband limiting LO amplifiers enable the HMC1190ALP6NE to achieve an unprecedented RF bandwidth of 700 MHz to 3800 MHz for applications including Cellular/3G, LTE/WiMAX/4G. Unlike conventional narrow-band downconverters, the HMC1190ALP6NE supports both high-side and low-side LO injection over all RF frequencies. The RF and LO input ports are internally matched to 50 Ohms.The HMC1190ALP6NE features an integrated LO and RF baluns, enable control of IF and LO amplifiers and bias control interface to high linearity passive mixer cores. Balanced passive mixer combined with high-linearity IF amplifier architecture provides excellent LO-to-RF, LO-to-IF, and RF-to-IF isolations. Low noise figure of 9 dB, and high IIP3 of +24 dBm allow the HMC1190ALP6NE to be used in most demanding applications. External bias control pins enable optimization of already low power dissipation of 2.34 W (typical). Fast enable control interface reduces power consumption further in TDD applications.External VCO input allows the HMC1190ALP6NE to lock external VCOs, and enables cascaded LO architectures for MIMO applications. Two separate Charge Pump (CP) outputs enable separate loop filters optimized for both integrated and external VCOs, and seamless switching between integrated or external VCOs during operation. Programmable RF output phase features can further phase adjust and synchronize multiple HMC1190ALP6NEs enabling scalable MIMO and beam-forming radio architectures.Additional features include configurable LO output mute function, Exact Frequency Mode that enables the HMC1190ALP6NE to generate fractional frequencies with 0 Hz frequency error, and the ability to synchronously change frequencies without changing phase of the output signal that increases efficiency of digital pre-distortion loops. The HMC1190ALP6NE is housed in RoHS compliant compact 6x6 mm leadless QFN package.ApplicationsMultiband/Multi-standard Cellular BTS Diversity ReceiversGSM & 3G & LTE/WiMAX/4GMIMO Infrastructure ReceiversWideband Radio ReceiversMultiband Basestations & Repeaters |
| Development Boards, Kits, Programmers | 3 | Obsolete | |
| RF Mixers | 6 | Obsolete | |
| RF and Wireless | 3 | Active | |
HMC130GaAs MMIC DBL-BAL Mixer Chip, 6 - 11 GHz | RF and Wireless | 1 | Obsolete | The HMC130 chip is a miniature double-balanced mixer which can be used as an upconverter or downconverter in the 6 to 11 GHz band. The chip can be integrated directly into hybrid MMIC’s without DC bias or external baluns to provide an extremely compact mixer. It is ideally suited for applications where small size, no DC Bias, and consistent IC performance are required. This mixer can operate over a wide LO drive input of +9 to +15 dBm. It performs equally well as a Bi-Phase modulator or demodulator. SeeHMC137data sheet.ApplicationsMicrowave & VSAT RadiosTest EquipmentMilitary EW, ECM, C³ISpace Telecom |
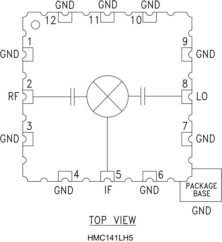
HMC141HMC141 / HMC141C8 / HMC141LH5 | Development Boards, Kits, Programmers | 1 | Obsolete | HMC141 / HMC141C8 / HMC141LH5 |
| RF Mixers | 1 | Obsolete | |