| Integrated Circuits (ICs) | 3 | Active | |
| Digital to Analog Converters (DAC) | 4 | Active | |
AD536116-Channel, 14-Bit, Serial Input, Voltage-Output DAC | Digital to Analog Converters (DACs) Evaluation Boards | 4 | Active | TheAD5360/ AD5361 contain 16, 16-/14-bit DACs in a single 52-lead LQFP package. It provides buffered voltage outputs with a span four times the reference voltage. The gain and offset of each DAC can be independently trimmed to remove errors. For even greater flexibility, the device is divided into two groups of eight DACs, and the output range of each group can be independently adjusted by an offset DAC.The AD5360 / AD5361 offer guaranteed operation over a wide supply range with VSSfrom −4.5 V to −16.5 V and VDDfrom +8 V to +16.5 V. The output amplifier headroom requirement is 1.4 V operating with a load current of 1 mA.The AD5360 / AD5361 have a high speed 4-wire serial interface, which is compatible with SPI, QSPI™, MICROWIRE™, and DSP interface standards and can handle clock speeds of up to 50 MHz. All the outputs can be updated simultaneously by taking theLDACinput low. Each channel has a programmable gain and an offset adjust register.Each DAC output is amplified and buffered on-chip with respect to an external SIGGND input. The DAC outputs can also be switched to SIGGND via theCLRpin.APPLICATIONSInstrumentationIndustrial control systemsLevel setting in automatic test equipment (ATE)Variable optical attenuators (VOA)Optical line cards |
AD53628-Channel, 16-Bit, Serial Input, Voltage-Output DAC | Integrated Circuits (ICs) | 4 | Active | The AD5362 /AD5363contains 8, 16/14-bit DACs in a single, 56-lead, LFCSP or 52-lead LQFP package. It provides buffered voltage outputs with a span 4 times the reference voltage. The gain and offset of each DAC can be independently trimmed to remove errors. For even greater flexibility, the device is divided into two groups of 4 DACs, and the output range of each group can be independently adjusted by an offset DAC.The AD5362 / AD5363 offers guaranteed operation over a wide supply range with VSSfrom -4.5 V to -16.5 V and VDDfrom +8 V to +16.5 V. The output amplifier headroom requirement is 1.4 V operating with a load current of 1 mA.The AD5362 / AD5363 has a high-speed serial interface, which is compatible with SPI®, QSPI™, MICROWIRE™, and DSP interface standards and can handle clock speeds of up to 50 MHz. All the outputs can be updated simultaneously by taking theLDACinput low. Each channel has a programmable gain and an offset adjust register.Each DAC output is amplified and buffered on-chip with respect to an external SIGGND input. The DAC outputs can also be switched to SIGGND via theCLRpin.APPLICATIONSInstrumentationIndustrial Control SystemLevel setting in automatic test equipment (ATE)Variable optical attenuators (VOA)Optical line cards |
AD53638-Channel, 14-Bit, Serial Input, Voltage-Output DAC | Integrated Circuits (ICs) | 3 | Active | TheAD5362/ AD5363 contains 8, 16/14-bit DACs in a single, 56-lead, LFCSP or 52-lead LQFP package. It provides buffered voltage outputs with a span 4 times the reference voltage. The gain and offset of each DAC can be independently trimmed to remove errors. For even greater flexibility, the device is divided into two groups of 4 DACs, and the output range of each group can be independently adjusted by an offset DAC.The AD5362 / AD5363 offers guaranteed operation over a wide supply range with VSSfrom −4.5 V to −16.5 V and VDDfrom +8 V to +16.5 V. The output amplifier headroom requirement is 1.4 V operating with a load current of 1 mA.The AD5362 / AD5363 has a high-speed serial interface, which is compatible with SPI®, QSPI™, MICROWIRE™, and DSP interface standards and can handle clock speeds of up to 50 MHz. All the outputs can be updated simultaneously by taking theLDACinput low. Each channel has a programmable gain and an offset adjust register.Each DAC output is amplified and buffered on-chip with respect to an external SIGGND input. The DAC outputs can also be switched to SIGGND via theCLRpin.APPLICATIONSInstrumentationIndustrial Control SystemLevel setting in automatic test equipment (ATE)Variable optical attenuators (VOA)Optical line cards |
| PMIC | 15 | Active | |
| PMIC | 8 | Active | |
| Integrated Circuits (ICs) | 5 | Active | |
| Evaluation Boards | 4 | Active | |
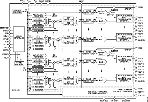
AD537232-Channel, 16-Bit, Serial Input, Voltage-Output DAC | Digital to Analog Converters (DAC) | 4 | Active | The AD5372 /AD5373contain 32, 16-bit or 14-bit digital-to-analog converters (DACs) in a single 64-lead LQFP. The devices provide buffered voltage outputs with a nominal span of 4× the reference voltage. The gain and offset of each DAC can be independently trimmed to remove errors. For even greater flexibility, the device is divided into four groups of eight DACs. Two offset DACs allow the output range of the groups to be altered. Group 0 can be adjusted by Offset DAC 0, and Group 1 to Group 3 can be adjusted by Offset DAC 1.The AD5372 / AD5373 offer guaranteed operation over a wide supply range: VSSfrom −16.5 V to −4.5 V and VDDfrom 9 V to 16.5 V. The output amplifier headroom requirement is 1.4 V operating with a load current of 1 mA.The AD5372 / AD5373 have a high-speed serial interface, which is compatible with SPI, QSPI™, MICROWIRE™, and DSP interface standards and can handle clock speeds of up to 50 MHz.The DAC registers are updated on reception of new data. All the outputs can be updated simultaneously by taking theLDACinput low. Each channel has a programmable gain and an offset adjust register.Each DAC output is gained and buffered on-chip with respect to an external SIGGNDx input. The DAC outputs can also be switched to SIGGNDx via theCLRpin.APPLICATIONSLevel setting in automatic test equipment (ATE)Variable optical attenuators (VOA)Optical switchesIndustrial control systemsInstrumentation |