| Evaluation Boards | 4 | Active | |
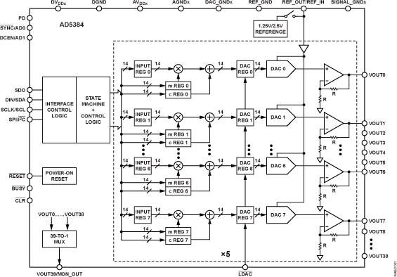
AD537832-Channel 14-Bit Serial/Parallel Bipolar D/A Converter | Integrated Circuits (ICs) | 2 | Active | The AD5378 contains 32 14-bit DACs in one CSPBGA package. The AD5378 provides a bipolar output range determined by the voltages applied to the VREF(+) and VREF(−) inputs. The maximum output voltage span is 17.5 V, corresponding to a bipolar output range of −8.75 V to +8.75 V, and is achieved with reference voltages of VREF(−) = −3.5 V and VREF(+) = +5 V.The AD5378 guarantees operation over a wide VSS/VDDsupply range from ±11.4 V to ±16.5 V. The output amplifier headroom requirement is 2.5 V operating with a load current of 1.5 mA, and 2 V operating with a load current of 0.5 mA.The AD5378 contains a double-buffered parallel interface in which 14 data bits are loaded into one of the input registers under the control of theWR,CS, and DAC channel address pins, A0 to A7. It also has a 3-wire serial interface, which is compatible with SPI®, QSPI™, MICROWIRE™, and DSP interface standards and can handle clock speeds of up to 50 MHz.The DAC outputs are updated when the DAC registers receive new data. All the outputs can be updated simultaneously by taking theLDACinput low. Each channel has a programmable gain and an offset adjust register.Each DAC output is gained and buffered on-chip with respect to an external REFGND input. The DAC outputs can also be switched to REFGND via theCLRpin. Table 1 and Table 2 show the product portfolio for high channel count bipolar and unipolar voltage output DACs.APPLICATIONSLevel setting in automatic test equipment (ATE)Variable optical attenuators (VOAs)Optical switchesIndustrial control systems |
| Integrated Circuits (ICs) | 1 | Active | |
AD538Real-Time Analog Computational Unit (ACU) | Linear | 6 | Active | The AD538 is a monolithic real-time computational circuit which provides precision analog multiplication, division, and exponentiation. The combination of low input and output offset voltages and excellent linearity results in accurate computation over an unusually wide input dynamic range. Laser wafer trimming makes multiplication and division with errors as low as 0.25% of reading possible, while typical output offsets of 100 microV or less add to the overall off-the-shelf performance level. Real-time analog signal processing is further enhanced by the device's 400 kHz bandwidth.The AD538's overall transfer function is Vo=Vy(Vz/Vx)m. Programming a particular function is via pin strapping. No external components are required for one-quadrant (positive input) multiplication and division. Two-quadrant (bipolar numerator) division is possible with the use of external level shifting and scaling resistors. The desired scale factor for both multiplication and division can be set using the on-chip +2 V or +10 V references, or controlled externally to provide simultaneous multiplication and division. Exponentiation with an M value from 0.2 to 5 can be implemented with the addition of one or two external resistors.Direct log ratio computation is possible by utilizing only the log ratio and output sections of the chip. Access to the multiple summing junctions adds further to the AD538's flexibility. Finally, a wide power-supply range of ±4.5 V to ±18 V allows operation from standard ±5 V, ± 12 V and ± 15 V supplies.The AD538 is available in two accuracy grades (A and B) over the industrial (-25°C to +85°C) temperature range and one grade (S) over the military (-55°C to +125°C) temperature range. The device is packaged in an 18-pin TO-118 hermetic size-brazed ceramic DIP. A-grade chips are also available.APPLICATIONSOne- or two-quadrant multiply/divideLog ratio computationSquaring/square rootingTrigonometric function approximationsLinearization via curve fittingPrecision AGCPower functions |
| Development Boards, Kits, Programmers | 5 | Active | |
| Integrated Circuits (ICs) | 5 | Active | |
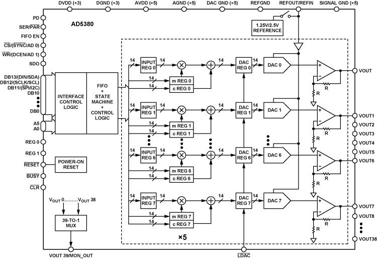
AD538232-Channel 14-Bit 3 V/5 V Single-Supply Voltage-Output DAC | Digital to Analog Converters (DAC) | 3 | Active | The AD5382 is a 32-channel, 14-Bit DAC and is available in a 14 mm × 14 mm 100-lead LQFP package. It operates from a single 3 V or 5 V supply. Programmable gain (m) and offset (c) are provided per channel to facilitate system calibration. Each DAC channel is double-buffered which allows all DAC outputs to be updated simultaneously via anLDACpin. Each channel has an on-chip output amplifier which allows rail-to-rail operation. The AD5382 includes an internal 1.25 V/2.5 V low-drift reference. The AD5382 contains a parallel interface with aWRpulse width of 20 ns, a 30 MHz SPI interface and a 400 kHz I2C-compatible interface.This device is pin-to-pin compatible with theAD5380(40-ch 14-bit DAC), theAD5381(40-ch 12-bit DAC) and theAD5383(32-ch 12-bit DAC).APPLICATIONSVariable optical attenuators (VOAs)Level setting (ATE)Optical micro-electro-mechanical systems (MEMS)Control systemsInstrumentation |
AD538332-Channel 12-Bit 3 V/5 V Single-Supply Voltage-Output DAC | Data Acquisition | 3 | Active | The AD5383 is a complete, single-supply, 32-channel, 12-bitdenseDAC®available in a 100-lead LQFP package. All 32 channels have an on-chip output amplifier with rail-to-rail operation. The AD5383 includes a programmable internal 1.25 V/2.5 V, 10 ppm/°C reference; an on-chip channel monitor function that multiplexes the analog outputs to a common MON_OUT pin for external monitoring; and an output amplifier boost mode that allows optimization of the amplifier slew rate. The AD5383 features:Double-buffered parallel interface with a 20 nsWRpulse width.SPI-/QSPI-/MICROWIRE-/DSP-compatible serial interface with interface speeds in excess of 30 MHzI2C-compatible interface that supports a 400 kHz data transfer rate.An input register followed by a DAC register provides double buffering, allowing the DAC outputs to be updated independently or simultaneously using theLDACinput.Each channel has a programmable gain and offset adjust register that allows the user to fully calibrate any DAC channel. With boost off, power consumption is typically 0.25 mA/channel.APPLICATIONSVariable optical attenuators (VOA)Level setting (ATE)Optical microelectro-mechanical systems (MEMS)Control systemsInstrumentation |
AD538440-Channel, 3 V/5 V Single-Supply, Serial 14-BitdenseDAC® | Data Acquisition | 4 | Active | The AD5384 is a complete single-supply, 40-channel, 14-bit digital-to-analog converter (DAC) available in a 100-ball CSP_BGA package. All 40 channels have an on-chip output amplifier with rail-to-rail operation. The AD5384 includes an internal 1.25 V/2.5 V, 10 ppm/°C reference, an on-chip channel monitor function that multiplexes the analog outputs to a common MON_OUT pin for external monitoring, and an output amplifier boost mode that allows the amplifier slew rate to be optimized. The AD5384 contains a serial interface compatible with SPI, QSPI, MICROWIRE, and DSP interface standards with interface speeds in excess of 30 MHz and an I2C-compatible interface supporting 400 kHz data transfer rate. An input register followed by a DAC register provides double buffering, allowing the DAC outputs to be updated independently or simultaneously, using theLDACinput. Each channel has a programmable gain and offset adjust register letting the user fully calibrate any DAC channel. Power consumption is typically 0.25 mA per channel with boost mode off.APPLICATIONSVariable optical attenuators (VOAs)Level settings (automatic test equipment{ATE})Optical micro-electromechanical systems (MEMS) control systemsInstrumentation |
AD539Wideband Dual-Channel Linear Multiplier/Divider | Analog Multipliers, Dividers | 12 | Active | The AD539 is a low distortion analog multiplier having two identical signal channels (Y1 and Y2), with a common X input providing linear control of gain. Excellent ac characteristics up to video frequencies and a −3 dB bandwidth of over 60 MHz are provided. Although intended primarily for applications where speed is important, the circuit exhibits good static accuracy in computational applications. Scaling is accurately determined by a band-gap voltage reference and all critical parameters are laser-trimmed during manufacture.The full bandwidth can be realized over most of the gain range using the AD539 with simple resistive loads of up to 100 Ω. Output voltage is restricted to a few hundred millivolts under these conditions.The two channels provide flexibility. In single-channel applications, they can be used in parallel to double the output current, in series to achieve a square-law gain function with a control range of over 100 dB, or differentially to reduce distortion. Alternatively, they can be used independently, as in audio stereo applications, with low crosstalk between channels. Voltage-controlled filters and oscillators using the state-variable approach are easily designed, taking advantage of the dual channels and common control. The AD539 can also be configured as a divider with signal bandwidths up to 15 MHz.Power consumption is only 135 mW using the recommended ±5 V supplies. The AD539 is available in three versions: the J and K grades are specified for 0 to 70°C operation and S grade is guaranteed over the extended range of −55°C to +125°C. The J and K grades are available in either a hermetic ceramic SBDIP (D-16) or a low cost PDIP (N-16), whereas the S grade is available in ceramic SBDIP (D-16) or LCC (E-20-1). The S grade is available in MIL-STD-883 and Standard Military Drawing (DESC) Number 5962-8980901EA versions.APPLICATIONSPrecise high bandwidth AGC and VCA systemsVoltage-controlled filtersVideo signal processingHigh speed analog divisionAutomatic signal-levelingSquare-law gain/loss control |