| Power Management (PMIC) | 15 | Active | |
| LED Drivers | 4 | Active | |
| Special Purpose Regulators | 5 | Active | |
| Voltage Regulators - Linear, Low Drop Out (LDO) Regulators | 2 | Obsolete | |
| Voltage Regulators - Linear, Low Drop Out (LDO) Regulators | 2 | Obsolete | |
| Integrated Circuits (ICs) | 3 | Obsolete | |
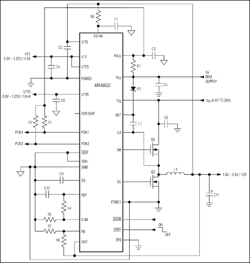
MAX8636Dual 300mA Pin-Programmable Low-Dropout Linear Regulators with Reset or Low-Noise Output in a Tiny 2mm x 2mm µDFN Package | Integrated Circuits (ICs) | 4 | Active | The MAX8633–MAX8636 offer low-dropout (LDO) voltage and ultra-low-power regulation in a subminiaturized 2mm x 2mm µDFN package. The devices operate from a 2.7V to 5.5V supply and deliver up to 300mA from each output, with a typical dropout voltage of 90mV at 100mA load current. Each device is designed with internal p-channel MOSFET pass transistors to ensure a low-quiescent supply current of 54µA (typical, both LDOs on). Other features include low-noise operation (MAX8634/MAX8636), output current limiting, and thermal shutdown.The MAX8633 features an open-drain, active-low RESET output to monitor OUT2, eliminating external components and adjustments. The MAX8633 asserts an active-low RESET signal (120ms minimum timeout) when VOUT2 drops below 87% of the nominal output voltage. The MAX8634/MAX8636 feature a noise bypass input to the internal reference for low output noise (45µVRMStyp). The MAX8634/MAX8635 provide independent active-low SHDN inputs for disabling the regulators, while the MAX8633/MAX8636 provide a single active-low SHDN input for disabling both regulators.The MAX8633/MAX8635/MAX8636 have two logic inputs that select one of nine preset output-voltage combinations, eliminating external 1% resistors, as well as inventory burden. The MAX8634 has one logic input to select three output-voltage options.The MAX8633–MAX8636 are available in an 8-pin, 2mm x 2mm µDFN package for minimizing footprint, and an 8-pin, 3mm x 3mm TDFN package for higher power dissipation. The devices are specified over the extended temperature range (-40°C to +85°C). All packages are lead free.ApplicationsCellular and Cordless PhonesHandheld InstrumentsNotebook ComputersPDAs and Digital CamerasSmall LCD DisplaysWireless LAN Cards |
| Integrated Circuits (ICs) | 2 | Active | |
MAX8640Tiny 500mA, 4MHz/2MHz Synchronous Step-Down DC-DC Converters | Voltage Regulators - DC DC Switching Regulators | 27 | Active | The MAX8640Y/MAX8640Z step-down converters are optimized for applications where small size, high efficiency, and low output ripple are priorities. They utilize a proprietary PWM control scheme that optimizes the switching frequency for high efficiency with small external components and maintains low output ripple voltage at all loads. The MAX8640Z switches at up to 4MHz to allow a tiny 1µH inductor and 2.2µF output capacitor. The MAX8640Y switches at up to 2MHz for higher efficiency while still allowing small 2.2µH and 4.7µF components. Output current is guaranteed up to 500mA, while typical quiescent current is 28µA. Factory-preset output voltages from 0.8V to 2.5V eliminate external feedback components.Internal synchronous rectification greatly improves efficiency and replaces the external Schottky diode required in conventional step-down converters. Internal fast soft-start eliminates inrush current so as to reduce input capacitor requirements.The MAX8640Y/MAX8640Z are available in the tiny 6-pin, SC70 (2.0mm x 2.1mm) and µDFN (1.5mm x 1.0mm) packages. Both packages are lead-free.ApplicationsCell Phones, PDAs, DSCs, MP3sI/O PowerMicroprocessor/DSP Core PowerOther Handhelds Where Space Is Limited |
MAX8640YTiny 500mA, 4MHz/2MHz Synchronous Step-Down DC-DC Converters | Voltage Regulators - DC DC Switching Regulators | 2 | Active | The MAX8640Y/MAX8640Z step-down converters are optimized for applications where small size, high efficiency, and low output ripple are priorities. They utilize a proprietary PWM control scheme that optimizes the switching frequency for high efficiency with small external components and maintains low output ripple voltage at all loads. The MAX8640Z switches at up to 4MHz to allow a tiny 1µH inductor and 2.2µF output capacitor. The MAX8640Y switches at up to 2MHz for higher efficiency while still allowing small 2.2µH and 4.7µF components. Output current is guaranteed up to 500mA, while typical quiescent current is 28µA. Factory-preset output voltages from 0.8V to 2.5V eliminate external feedback components.Internal synchronous rectification greatly improves efficiency and replaces the external Schottky diode required in conventional step-down converters. Internal fast soft-start eliminates inrush current so as to reduce input capacitor requirements.The MAX8640Y/MAX8640Z are available in the tiny 6-pin, SC70 (2.0mm x 2.1mm) and µDFN (1.5mm x 1.0mm) packages. Both packages are lead-free.ApplicationsCell Phones, PDAs, DSCs, MP3sI/O PowerMicroprocessor/DSP Core PowerOther Handhelds Where Space Is Limited |