| Voltage Regulators - Special Purpose | 1 | Active | |
| DC DC Switching Controllers | 2 | Obsolete | |
| DC DC Switching Controllers | 2 | Active | |
| DC DC Switching Controllers | 1 | Active | |
| Power Management (PMIC) | 3 | Active | |
| Integrated Circuits (ICs) | 3 | Active | |
| Power Management (PMIC) | 3 | Active | |
| Power Management (PMIC) | 2 | Active | |
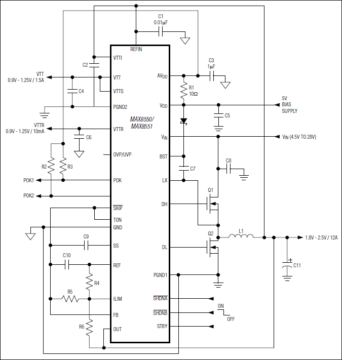
MAX8550Integrated DDR Power-Supply Solution for Desktops, Notebooks, and Graphic Cards | Integrated Circuits (ICs) | 6 | Active | The MAX8550A integrates a synchronous-buck PWM controller to generate VDDQ, a sourcing and sinking LDO linear regulator to generate VTT, and a 10mA reference output buffer to generate VTTR. The buck controller drives two external n-channel MOSFETs to generate output voltages down to 0.7V from a 2V to 28V input with output currents up to 15A. The LDO can sink or source up to 1.5A continuous and 3A peak current. Both the LDO output and the 10mA reference buffer output can be made track the REFIN voltage. These features make the MAX8550A ideally suited for DDR memory applications desktops, notebooks, and graphic cards.The PWM controller in the MAX8550A utilizes Maxim's proprietary Quick-PWM™ architecture with programmable switching frequencies of up to 600kHz. This control scheme handles wide input/output voltage ratios with ease and provides 100ns response to load transients while maintaining high efficiency and a relatively constant switching frequency. The MAX8550A offers fully programmable UVP/OVP and skip-mode options ideal portable applications. Skip mode allows for improved efficiency at lighter loads.The VTT and VTTR outputs track to within 1% of VREFIN/2. The high bandwidth of this LDO regulator allows excellent transient response without the need for bulk capacitors, thus reducing cost and size.The buck controller and LDO regulators are provided with independent current limits. Adjustable lossless foldback current limit for the buck regulator is achieved by monitoring the drain-to-source voltage drop of the low-side MOSFET. Additionally, overvoltage and undervoltage protection mechanisms are built in. Once the overcurrent condition is removed, the regulator is allowed to enter soft-start again. This helps minimize power dissipation during a short-circuit condition. The MAX8550A allows flexible sequencing and standby power management using the active-low SHDN and active-low STBY inputs, which support DDRs' operating states.The MAX8550A is available in a small 5mm x 5mm, 28-pin thin QFN package.ApplicationsDDR I and DDR II Memory Power SuppliesDesktop ComputersGame ConsolesGraphic CardsNetworkingNotebooks and DesknotesRAID |
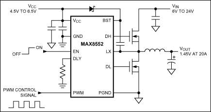
MAX8552High-Speed, Wide-Input, Single-Phase MOSFET Driver | Gate Drivers | 5 | Active | The MAX8552 highly integrated monolithic MOSFET driver can drive a pair of power MOSFETs in single or multiphase synchronous buck-converter applications that provide up to 30A output current per phase. The MAX8552 simplifies PC board layout in multiphase systems, particularly three phases and higher. High input voltages up to 24V allow the MAX8552 to be used in desktop, notebook, and server applications. Each MOSFET driver can drive 3000pF capacitive loads with only 12ns propagation delay and 11ns (typ) rise and fall times, making the MAX8552 ideal for high-frequency applications.User-programmable break-before-make circuitry prevents shoot-through currents, maximizing converter efficiency. An enable input allows total driver shutdown (<1µA typ) for power-sensitive portable applications. The PWM control input is compatible with TTL and CMOS logic levels. The MAX8552, along with the MAX8524 or the MAX8525 multiphase controllers, provides flexible 2-, 3-, 4-, 6-, or 8-phase CPU core-voltage supplies.The MAX8552 is available in space-saving 10-pin TDFN and µMAX packages and is specified for -40°C to +85°C operation.ApplicationsDesktops, Notebooks, and ServersMultiphase Buck ConvertersProcessor-Core Voltage RegulatorsSwitching Power SuppliesVoltage Regulator Modules (VRMs) |