A
Analog Devices Inc./Maxim Integrated
| Series | Category | # Parts | Status | Description |
|---|---|---|---|---|
| Part | Spec A | Spec B | Spec C | Spec D | Description |
|---|---|---|---|---|---|
| Series | Category | # Parts | Status | Description |
|---|---|---|---|---|
| Part | Spec A | Spec B | Spec C | Spec D | Description |
|---|---|---|---|---|---|
| Part | Category | Description |
|---|---|---|
Analog Devices Inc./Maxim Integrated LTC1879EGN#TRUnknown | Integrated Circuits (ICs) | IC REG BUCK ADJ 1.2A 16SSOP |
Analog Devices Inc./Maxim Integrated LTC2208CUP#TRUnknown | Integrated Circuits (ICs) | IC ADC 16BIT 130MSPS 64-QFN |
Analog Devices Inc./Maxim Integrated ADP2108ACBZ-1.1-R7Obsolete | Integrated Circuits (ICs) | IC REG BUCK 1.1V 600MA 5WLCSP |
Analog Devices Inc./Maxim Integrated EV1HMC832ALP6GObsolete | Development Boards Kits Programmers | EVAL BOARD FOR HMC832ALP6GE |
Analog Devices Inc./Maxim Integrated LTC488ISWUnknown | Integrated Circuits (ICs) | IC LINE RCVR RS485 QUAD 16-SOIC |
Analog Devices Inc./Maxim Integrated LTC6946IUFD-2Obsolete | Integrated Circuits (ICs) | IC CLK/FREQ SYNTH 28QFN |
Analog Devices Inc./Maxim Integrated MAX5556ESA+TObsolete | Integrated Circuits (ICs) | IC DAC/AUDIO 16BIT 50K 8SOIC |
Analog Devices Inc./Maxim Integrated EVAL-FLTR-LD-1RZUnknown | Unclassified | EVAL BRD FOR AD800 SERIES |
Analog Devices Inc./Maxim Integrated | Development Boards Kits Programmers | BOARD EVAL FOR AD9963 |
Analog Devices Inc./Maxim Integrated LTC1296CCSW#TRUnknown | Integrated Circuits (ICs) | IC DATA ACQ SYS 12BIT 5V 20SOIC |
| Series | Category | # Parts | Status | Description |
|---|---|---|---|---|
| Evaluation Boards | 9 | Active | ||
| Sensor and Detector Interfaces | 4 | Active | ||
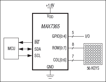
MAX73651MHz I²C-Interfaced 8 x 7 Key-Switch Controller with GPIO Ports | Integrated Circuits (ICs) | 1 | Active | The MAX7365 is an I²C-interfaced peripheral that provides microprocessors with management of up to 56 key switches.Key codes generated for each keypress and release enable easier implementation of multiple key entries. Key inputs monitored statically, not dynamically, ensure low-EMI operation. The switches can be metallic or resistive (carbon) with up to 5kΩ of resistance.The device features autosleep and autowake to further minimize the power consumption of the device. The autosleep feature puts the device in a low-power state (1µA typ) after a programmable sleep timeout period. The autowake feature configures the device to return to normal operating mode from sleep upon a keypress.The key controller debounces and maintains a FIFO of keypress and release events (including autorepeat, if enabled). An interrupt (active-low INT) output can be configured to alert keypresses either as they occur or at the maximum rate.Unused key switches can be used as GPI. In addition, there are five additional general-purpose input/output (GPIO) ports. GPOs can be programmed as push-pull or open-drain to high- or low-side output drivers. When programmed as open drain, an optional on-chip 100kΩ pullup/pulldown resister can be enabled.The device is available in a small (2mm x 2mm) 25-bump wafer-level package (WLP) for cell phones, pocket PCs, and other portable consumer electronic applications. The device operates over the -40°C to +85°C extended temperature range.ApplicationsCell PhonesHandheld GamesNetbooksPDAsPortable Consumer Electronics |
| Linear | 2 | Active | ||
| Interface | 2 | Active | ||
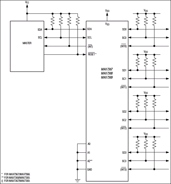
MAX73684-Channel I²C Switches/Multiplexer | Analog Switches - Special Purpose | 2 | Active | The MAX7367/MAX7368/MAX7369 bidirectional, four-channel I²C switches/multiplexer expand the main I²C bus up to four extended buses. The MAX7369 1:4 multiplexer connects the main I²C bus to one channel at a time. The MAX7367/MAX7368 four-channel switches connect the main I²C bus to one or more channels at a time.These devices isolate bus loading by extending the I²C bus onto different channels. The MAX7367/MAX7368/MAX7369 allow more devices to be interconnected to a master controller and multiple devices with the same I²C address to communicate to a master. The channels are selected through the main I²C bus by writing to the internal control register of the device.Any device connected to an I²C bus can transmit and receive signals. The MAX7367/MAX7368/MAX7369 are transparent to signals sent and received at each channel, allowing multiple masters. These devices are compatible with the I²C protocol of clock stretch, synchronization, and arbitration in case multiple masters address the bus at the same time.All devices are set to the default state during initial power-up. The MAX7367/MAX7368 have an active-low RESET input allowing external circuitry to set the MAX7367/MAX7368 to its default state anytime after the device has powered up. The MAX7367/MAX7369 have interrupt inputs, allowing devices on the extended bus to send an interrupt signal to the master on the main bus.The MAX7367/MAX7369 are available in 20-pin TSSOP packages, and the MAX7368 is available in a 16-pin TSSOP package. All devices operate over the -40°C to +85°C extended temperature range.ApplicationsBase StationsCellular PhonesMultimedia ElectronicsPCsRAIDSAN/NASServers |
| Interface | 2 | Active | ||
| Power Management (PMIC) | 7 | Active | ||
| Interface | 3 | Active | ||
| Crystals, Oscillators, Resonators | 7 | Active | ||