| Temperature Sensors | 3 | Active | |
| Integrated Circuits (ICs) | 1 | Obsolete | |
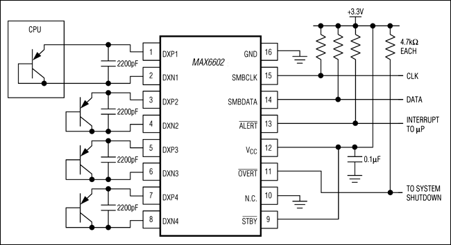
MAX6604Precision Temperature Monitor for DDR Memory Modules | Thermal Management | 4 | Active | The MAX6604 high-precision temperature sensor is designed for thermal monitoring functions in DDR memory modules. The device is readable and programmable through the 2-wire SMBus/I²C-compatible interface. Three address inputs set the bus address for the temperature sensor to provide up to eight devices on one bus.The internal thermal sensor continuously monitors the temperature and updates the temperature data eight times per second. The master can read the temperature data at any time. Since the thermal sensor is located on the memory module, temperature data recorded accurately represents the temperature of the components on the module. Consequently, the MAX6604 provides a much more accurate measurement of module temperature than techniques involving temperature sensors on the motherboard. In addition, the device responds more quickly to temperature changes on the module than a motherboard sensor.The MAX6604 also features an interrupt-output indicator for temperature-threshold monitoring. The threshold levels are programmable through the digital interface.The MAX6604 operates from -20°C to +125°C, and is available in JEDEC-standard 8-pin TSSOP and 8-pin TDFN (2mm x 3mm) packages.ApplicationsDesktop ComputersMemory ModulesNetworking EquipmentNotebook ComputersWorkstations |
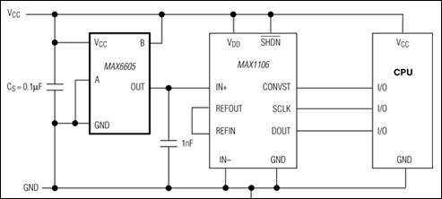
MAX6605Low-Power Analog Temperature Sensor in SC70 Package | Sensors, Transducers | 1 | Active | The MAX6605 precision, low-power, analog output temperature sensor is available in a 5-pin SC70 package. The device has a +2.7V to +5.5V supply voltage range and 10µA supply current over the -55°C to +125°C temperature range. For the -40°C to +105°C temperature range, the supply voltage can go as low as +2.4V. Accuracy is ±1°C at TA= +25°C and ±3°C from 0°C to +70°C.The MAX6605 output voltage is dependent on its die temperature and has a slope of 11.9mV/°C and an offset of 744mV at 0°C. The output typically shows only +0.4°C of nonlinearity over the -20°C to +85°C temperature range.ApplicationsBattery PacksCell PhonesDigital Still CamerasGPS Equipment |
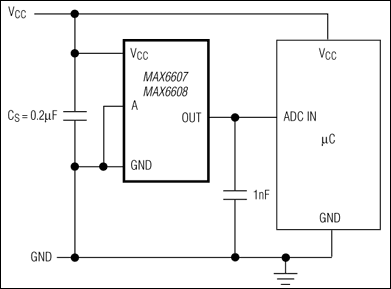
MAX6607Low-Voltage Analog Temperature Sensors in SC70 and SOT23 Packages | Sensors, Transducers | 2 | Active | The MAX6607/MAX6608* precision, low-voltage, analog output temperature sensors are available in 5-pin SC70 and SOT23 packages. The devices have a +1.8V to +3.6V supply voltage range and 8µA supply current over the -20°C to +85°C temperature range. Accuracy is ±0.6°C (typ) from TA= +20°C to +50°C and is ±0.7°C (typ) from TA= 0°C to +70°C.The MAX6607/MAX6608 output voltage depends on its die temperature and has a slope of 10mV/°C and an offset of 500mV at 0°C.ApplicationsBattery PacksCell PhonesDigital Still CamerasGPS EquipmentPortable Equipment |
MAX6608Low-Voltage Analog Temperature Sensors in SC70 and SOT23 Packages | Temperature Sensors | 1 | Active | The MAX6607/MAX6608* precision, low-voltage, analog output temperature sensors are available in 5-pin SC70 and SOT23 packages. The devices have a +1.8V to +3.6V supply voltage range and 8µA supply current over the -20°C to +85°C temperature range. Accuracy is ±0.6°C (typ) from TA= +20°C to +50°C and is ±0.7°C (typ) from TA= 0°C to +70°C.The MAX6607/MAX6608 output voltage depends on its die temperature and has a slope of 10mV/°C and an offset of 500mV at 0°C.ApplicationsBattery PacksCell PhonesDigital Still CamerasGPS EquipmentPortable Equipment |
| RFID Transponders, Tags | 4 | Obsolete | |
| Power Management (PMIC) | 2 | Active | |
| Temperature Sensors | 3 | Active | |
MAX6612High-Slope, Low-Power, Analog Temperature Sensor in an SC70 Package | Temperature Sensors | 1 | Active | The MAX6612 is a low-power precision analog output temperature sensor in a tiny 5-pin SC70 package. The sensitivity of the output voltage to temperature is a high 19.53mV/°C. This sensitivity provides superior noise immunity. The voltage/temperature slope is chosen to provide convenient bit weights when the MAX6612 drives the input of an ADC with a 2.5V or 5V reference.The MAX6612 provides an analog voltage output proportional to temperature. Accuracy is ±1.2°C (max) at +25°C, ±3.0°C (max) from TA= 0°C to +70°C, and ±5.5°C (max) from TA= -10°C to +125°C. Useful measurements can be obtained at temperatures as high as +150°C. Self-heating effects are negligible due to the low current consumption of the part.Unlike many analog temperature sensors, the MAX6612 is stable with large capacitive loads. Any capacitive load greater than or equal to 1000pF yields stable operation, providing broad flexibility in board-level design.The operating temperature range varies with the supply voltage, with a higher supply voltage enabling a wider temperature range. The MAX6612 can be used over a range of -10°C to +125°C with a supply voltage of 3.3V or greater. For applications with a supply voltage of 2.4V, the MAX6612 can be used over a temperature range of -10°C to +70°C.ApplicationsBattery PacksGPS EquipmentHome AppliancesIndustrial EquipmentMedical InstrumentsPortable EquipmentWireless Base Stations |