| Data Acquisition | 4 | Active | |
| Integrated Circuits (ICs) | 4 | Active | |
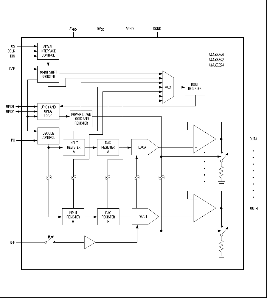
MAX5592Buffered, Fast-Settling, Octal, 12/10/8-Bit, Voltage-Output DACs | Digital to Analog Converters (DAC) | 2 | Active | The MAX5590–MAX5595 octal, 12/10/8-bit, voltage-output digital-to-analog converters (DACs) offer buffered outputs and a 3µs maximum settling time at the 12-bit level. The DACs operate from a +2.7V to +5.25V analog supply and a separate +1.8V to +5.25V digital supply. The 20MHz 3-wire serial interface is compatible with SPI™, QSPI™, MICROWIRE™, and digital signal processor (DSP) protocol applications. Multiple devices can share a common serial interface in direct-access or daisy-chained configuration. The MAX5590–MAX5595 provide two multifunction, user-programmable, digital I/O ports. The externally selectable power-up states of the DAC outputs are either zero scale, midscale, or full scale. Software-selectable FAST and SLOW settling modes decrease settling time in FAST mode, or reduce supply current in SLOW mode.The MAX5590/MAX5591 are 12-bit DACs, the MAX5592/MAX5593 are 10-bit DACs, and the MAX5594/MAX5595 are 8-bit DACs. The MAX5590/MAX5592/MAX5594 provide unity-gain-configured output buffers, while the MAX5591/MAX5593/MAX5595 provide force-sense-configured output buffers. The MAX5590–MAX5595 are specified over the extended -40°C to +85°C temperature range, and are available in space-saving 24-pin and 28-pin TSSOP packages.ApplicationsAutomated Test Equipment (ATE)Automatic TuningDigital Offset and Gain AdjustmentsFast Parallel DAC to Serial DAC UpgradesIndustrial Process ControlsMicroprocessor (µP)-Controlled SystemsMotion ControlPortable InstrumentationPower Amplifier ControlProgrammable AttenuatorsProgrammable Voltage and Current Sources |
| Digital to Analog Converters (DAC) | 2 | Active | |
MAX5594Buffered, Fast-Settling, Octal, 12/10/8-Bit, Voltage-Output DACs | Data Acquisition | 2 | Active | The MAX5590–MAX5595 octal, 12/10/8-bit, voltage-output digital-to-analog converters (DACs) offer buffered outputs and a 3µs maximum settling time at the 12-bit level. The DACs operate from a +2.7V to +5.25V analog supply and a separate +1.8V to +5.25V digital supply. The 20MHz 3-wire serial interface is compatible with SPI™, QSPI™, MICROWIRE™, and digital signal processor (DSP) protocol applications. Multiple devices can share a common serial interface in direct-access or daisy-chained configuration. The MAX5590–MAX5595 provide two multifunction, user-programmable, digital I/O ports. The externally selectable power-up states of the DAC outputs are either zero scale, midscale, or full scale. Software-selectable FAST and SLOW settling modes decrease settling time in FAST mode, or reduce supply current in SLOW mode.The MAX5590/MAX5591 are 12-bit DACs, the MAX5592/MAX5593 are 10-bit DACs, and the MAX5594/MAX5595 are 8-bit DACs. The MAX5590/MAX5592/MAX5594 provide unity-gain-configured output buffers, while the MAX5591/MAX5593/MAX5595 provide force-sense-configured output buffers. The MAX5590–MAX5595 are specified over the extended -40°C to +85°C temperature range, and are available in space-saving 24-pin and 28-pin TSSOP packages.ApplicationsAutomated Test Equipment (ATE)Automatic TuningDigital Offset and Gain AdjustmentsFast Parallel DAC to Serial DAC UpgradesIndustrial Process ControlsMicroprocessor (µP)-Controlled SystemsMotion ControlPortable InstrumentationPower Amplifier ControlProgrammable AttenuatorsProgrammable Voltage and Current Sources |
| Digital to Analog Converters (DAC) | 2 | Active | |
| Interface | 5 | Active | |
| Drivers, Receivers, Transceivers | 4 | Active | |
MAX562Complete 230kbps, 2.7V to 5.25V Serial Interface for Notebook Computers | Drivers, Receivers, Transceivers | 10 | Active | The MAX562 is designed specifically for notebook and palmtop computers that need to transfer data quickly. It runs at data rates up to 230kbps, and has a guaranteed 4V/µs slew rate. This device meets the new EIA/TIA-562 standard that guarantees compatibility with RS-232 interfaces.The MAX562 has low-power shutdown and keep-awake modes. In keep-awake mode, the transmitters are disabled but all receivers are active, allowing unidirectional communication. In shutdown mode, the entire chip is disabled and all outputs are in a high-impedance state.The MAX562 is available in a standard 28-pin SO package, and in a smaller footprint shrink small-outline package (SSOP).ApplicationsBattery-Powered ApplicationsPalmtop, Notebook, and Subnotebook ComputersPeripherals |
MAX563+3.3V Powered, EIA TIA 562 Dual Transceiver with Receivers Active in Shutdown | Drivers, Receivers, Transceivers | 4 | Active | The MAX563 is a +3.3V-powered EIA/TIA-562 transceiver with two transmitters and two receivers. Because it implements the EIA/TIA-562 standard, the MAX563 communicates with RS-232 transceivers, yet consumes far less power; this makes it ideal for battery-powered, hand-held computers. And, the MAX563 guarantees a 116kbps data rate while maintaining ±3.7V EIA/TIA-562 signal levels, which makes it compatible with LapLink® software.An on-board charge pump converts the +3.3V supply to the ±6.6V needed to produce the EIA/TIA-562 output voltage levels. Four 0.1µF charge-pump capacitors and a bypass capacitor of similar size are the only external components required.When the MAX563's charge pumps and transmitters are shut down to save power, the receivers remain active to continuously monitor signals from external devices (for example, ring indicator from modems). The two receivers' outputs can be enabled and disabled independently of the shutdown function to allow two ports-generally of different types-to be wire-OR connected at the UART.ApplicationsBar-Code ScannersBattery-Powered ApplicationsHandy TerminalsNotebook and Palmtop Computers |