MAX546632-Tap FleaPoT™, 2-Wire Digital Potentiometers | Data Acquisition | 1 | Active | The MAX5460–MAX5468 linear-taper digital potentiometers perform the same function as a mechanical potentiometer or a variable resistor. These devices consist of a fixed resistor and a wiper contact with 32-tap points that are digitally controlled through a 2-wire serial interface. The MAX5462/MAX5465/MAX5468 are configured as potentiometers. The rest of the devices in this family are configured as variable resistors. SeePin Configurationsfor part functionality.Three resistance values are available: 10kΩ (MAX5466/ MAX5467/MAX5468), 50kΩ (MAX5463/MAX5464/ MAX5465), and 100kΩ (MAX5460/MAX5461/MAX5462). The MAX5460–MAX5465 (100kΩ and 50kΩ) are available in space-saving 5-pin and 6-pin SC70 packages. The MAX5466/MAX5467/MAX5468 (10kΩ) are available in 5-pin and 6-pin SOT23 packages.ApplicationsGain AdjustmentLCD Screen AdjustmentLine Impedance MatchingMechanical Potentiometer ReplacementVolume Control |
| Digital Potentiometers | 1 | Active | |
MAX546832-Tap FleaPoT™, 2-Wire Digital Potentiometers | Integrated Circuits (ICs) | 1 | Active | The MAX5460–MAX5468 linear-taper digital potentiometers perform the same function as a mechanical potentiometer or a variable resistor. These devices consist of a fixed resistor and a wiper contact with 32-tap points that are digitally controlled through a 2-wire serial interface. The MAX5462/MAX5465/MAX5468 are configured as potentiometers. The rest of the devices in this family are configured as variable resistors. SeePin Configurationsfor part functionality.Three resistance values are available: 10kΩ (MAX5466/ MAX5467/MAX5468), 50kΩ (MAX5463/MAX5464/ MAX5465), and 100kΩ (MAX5460/MAX5461/MAX5462). The MAX5460–MAX5465 (100kΩ and 50kΩ) are available in space-saving 5-pin and 6-pin SC70 packages. The MAX5466/MAX5467/MAX5468 (10kΩ) are available in 5-pin and 6-pin SOT23 packages.ApplicationsGain AdjustmentLCD Screen AdjustmentLine Impedance MatchingMechanical Potentiometer ReplacementVolume Control |
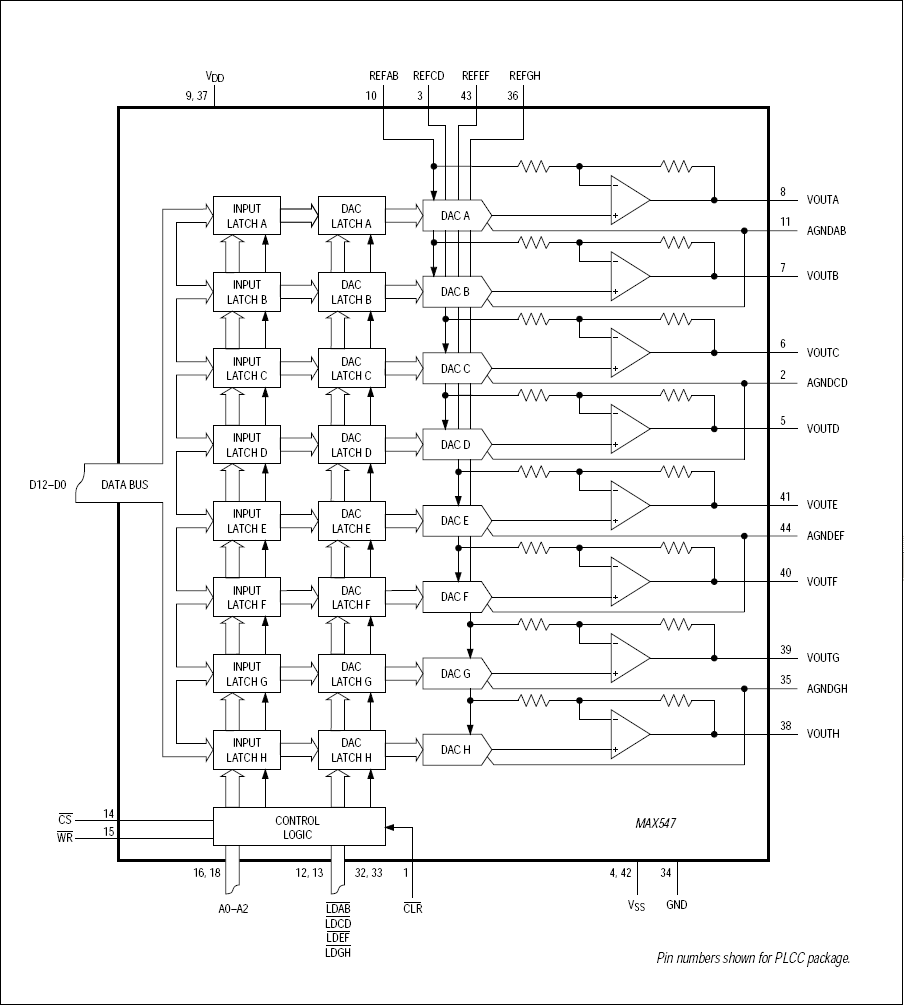
MAX547Octal, 13-Bit Voltage-Output DAC with Parallel Interface | Digital to Analog Converters (DAC) | 22 | Active | The MAX5471/MAX5472/MAX5474/MAX5475 linear-taper digital potentiometers function as mechanical potentiometers, but replace the mechanics with a simple 3-wire up/down digital interface. These digital potentiometers feature nonvolatile memory (EEPROM) to return the wiper to its previously stored position upon power-up.The MAX5471/MAX5472 are 2-terminal, variable resistors in 6-pin SOT23 packages. The MAX5474/MAX5475 are 3-terminal potentiometers in 8-pin SOT23 packages.The MAX5471/MAX5474 have an end-to-end resistance of 50kΩ, and the MAX5472/MAX5475 have an end-to-end resistance of 100kΩ. All of these devices have 32 wiper positions, a low ratiometric temperature coefficient (5ppm/°C), and all operate from a single +2.7V to +5.25V supply. Each device is guaranteed over the extended -40°C to +85°C temperature range.ApplicationsAudio Volume ControlLiquid-Crystal Display (LCD) Screen AdjustmentMechanical Potentiometer ReplacementsProgrammable Filters |
MAX547132-Tap, Nonvolatile, Linear-Taper Digital Potentiometers in SOT23 | Digital Potentiometers | 1 | Active | The MAX5471/MAX5472/MAX5474/MAX5475 linear-taper digital potentiometers function as mechanical potentiometers, but replace the mechanics with a simple 3-wire up/down digital interface. These digital potentiometers feature nonvolatile memory (EEPROM) to return the wiper to its previously stored position upon power-up.The MAX5471/MAX5472 are 2-terminal, variable resistors in 6-pin SOT23 packages. The MAX5474/MAX5475 are 3-terminal potentiometers in 8-pin SOT23 packages.The MAX5471/MAX5474 have an end-to-end resistance of 50kΩ, and the MAX5472/MAX5475 have an end-to-end resistance of 100kΩ. All of these devices have 32 wiper positions, a low ratiometric temperature coefficient (5ppm/°C), and all operate from a single +2.7V to +5.25V supply. Each device is guaranteed over the extended -40°C to +85°C temperature range.ApplicationsAudio Volume ControlLiquid-Crystal Display (LCD) Screen AdjustmentMechanical Potentiometer ReplacementsProgrammable Filters |
MAX547232-Tap, Nonvolatile, Linear-Taper Digital Potentiometers in SOT23 | Data Acquisition | 1 | Active | The MAX5471/MAX5472/MAX5474/MAX5475 linear-taper digital potentiometers function as mechanical potentiometers, but replace the mechanics with a simple 3-wire up/down digital interface. These digital potentiometers feature nonvolatile memory (EEPROM) to return the wiper to its previously stored position upon power-up.The MAX5471/MAX5472 are 2-terminal, variable resistors in 6-pin SOT23 packages. The MAX5474/MAX5475 are 3-terminal potentiometers in 8-pin SOT23 packages.The MAX5471/MAX5474 have an end-to-end resistance of 50kΩ, and the MAX5472/MAX5475 have an end-to-end resistance of 100kΩ. All of these devices have 32 wiper positions, a low ratiometric temperature coefficient (5ppm/°C), and all operate from a single +2.7V to +5.25V supply. Each device is guaranteed over the extended -40°C to +85°C temperature range.ApplicationsAudio Volume ControlLiquid-Crystal Display (LCD) Screen AdjustmentMechanical Potentiometer ReplacementsProgrammable Filters |
| Evaluation and Demonstration Boards and Kits | 2 | Active | |
| Integrated Circuits (ICs) | 6 | Active | |
| Development Boards, Kits, Programmers | 7 | Active | |
| Integrated Circuits (ICs) | 5 | Active | |