A
Analog Devices Inc./Maxim Integrated
| Series | Category | # Parts | Status | Description |
|---|---|---|---|---|
| Part | Spec A | Spec B | Spec C | Spec D | Description |
|---|---|---|---|---|---|
| Series | Category | # Parts | Status | Description |
|---|---|---|---|---|
| Part | Spec A | Spec B | Spec C | Spec D | Description |
|---|---|---|---|---|---|
| Part | Category | Description |
|---|---|---|
Analog Devices Inc./Maxim Integrated LTC1879EGN#TRUnknown | Integrated Circuits (ICs) | IC REG BUCK ADJ 1.2A 16SSOP |
Analog Devices Inc./Maxim Integrated LTC2208CUP#TRUnknown | Integrated Circuits (ICs) | IC ADC 16BIT 130MSPS 64-QFN |
Analog Devices Inc./Maxim Integrated ADP2108ACBZ-1.1-R7Obsolete | Integrated Circuits (ICs) | IC REG BUCK 1.1V 600MA 5WLCSP |
Analog Devices Inc./Maxim Integrated EV1HMC832ALP6GObsolete | Development Boards Kits Programmers | EVAL BOARD FOR HMC832ALP6GE |
Analog Devices Inc./Maxim Integrated LTC488ISWUnknown | Integrated Circuits (ICs) | IC LINE RCVR RS485 QUAD 16-SOIC |
Analog Devices Inc./Maxim Integrated LTC6946IUFD-2Obsolete | Integrated Circuits (ICs) | IC CLK/FREQ SYNTH 28QFN |
Analog Devices Inc./Maxim Integrated MAX5556ESA+TObsolete | Integrated Circuits (ICs) | IC DAC/AUDIO 16BIT 50K 8SOIC |
Analog Devices Inc./Maxim Integrated EVAL-FLTR-LD-1RZUnknown | Unclassified | EVAL BRD FOR AD800 SERIES |
Analog Devices Inc./Maxim Integrated | Development Boards Kits Programmers | BOARD EVAL FOR AD9963 |
Analog Devices Inc./Maxim Integrated LTC1296CCSW#TRUnknown | Integrated Circuits (ICs) | IC DATA ACQ SYS 12BIT 5V 20SOIC |
| Series | Category | # Parts | Status | Description |
|---|---|---|---|---|
MAX3390E±15kV ESD-Protected, 1µA, 16Mbps, Dual/Quad Low-Voltage Level Translators in UCSP | Logic | 1 | Active | The MAX3372E–MAX3379E and MAX3390E–MAX3393E ±15kV ESD-protected level translators provide the level shifting necessary to allow data transfer in a multivoltage system. Externally applied voltages, VCCand VL, set the logic levels on either side of the device. A low-voltage logic signal present on the VLside of the device appears as a high-voltage logic signal on the VCCside of the device, and vice-versa. The MAX3374E/MAX3375E/MAX3376E/MAX3379E and MAX3390E–MAX3393E unidirectional level translators level shift data in one direction (VL→ VCCor VCC→ VL) on any single data line. The MAX3372E/MAX3373E and MAX3377E/MAX3378E bidirectional level translators utilize a transmission-gate-based design (Figure 2 in the full data sheet) to allow data translation in either direction (VL⇔ VCC) on any single data line. The MAX3372E–MAX3379E and MAX3390E–MAX3393E accept VLfrom +1.2V to +5.5V and VCCfrom +1.65V to +5.5V, making them ideal for data transfer between low-voltage ASICs/PLDs and higher voltage systems.All devices in the MAX3372E–MAX3379E, MAX3390E–MAX3393E family feature a three-state output mode that reduces supply current to less than 1µA, thermal shortcircuit protection, and ±15kV ESD protection on the VCCside for greater protection in applications that route signals externally. The MAX3372E/MAX3377E operate at a guaranteed data rate of 230kbps. Slew-rate limiting reduces EMI emissions in all 230kbps devices. The MAX3373E–MAX3376E/MAX3378E/MAX3379E and MAX3390E–MAX3393E operate at a guaranteed data rate of 8Mbps over the entire specified operating voltage range. Within specific voltage domains, higher data rates are possible. (See theTiming Characteristicstable in the full data sheet.)The MAX3372E–MAX3376E are dual level shifters available in 3 x 3 UCSP™, 8-pin TDFN, and 8-pin SOT23 packages. The MAX3377E/MAX3378E/MAX3379E and MAX3390E–MAX3393E are quad level shifters available in 3 x 4 UCSP, 14-pin TDFN, and 14-pin TSSOP packages.ApplicationsCell PhonesCell-Phone CradlesGPSLow-Cost Serial InterfacesLow-Voltage ASIC Level TranslationPortable Communication DevicesPortable POS SystemsSmart Card ReadersSPI, MICROWIRE, and I²C Level TranslationTelecommunications Equipment |
| Logic | 6 | Active | ||
MAX3392±15kV ESD-Protected, 1µA, 16Mbps, Dual/Quad Low-Voltage Level Translators in UCSP | Integrated Circuits (ICs) | 3 | Active | The MAX3372E–MAX3379E and MAX3390E–MAX3393E ±15kV ESD-protected level translators provide the level shifting necessary to allow data transfer in a multivoltage system. Externally applied voltages, VCCand VL, set the logic levels on either side of the device. A low-voltage logic signal present on the VLside of the device appears as a high-voltage logic signal on the VCCside of the device, and vice-versa. The MAX3374E/MAX3375E/MAX3376E/MAX3379E and MAX3390E–MAX3393E unidirectional level translators level shift data in one direction (VL→ VCCor VCC→ VL) on any single data line. The MAX3372E/MAX3373E and MAX3377E/MAX3378E bidirectional level translators utilize a transmission-gate-based design (Figure 2 in the full data sheet) to allow data translation in either direction (VL⇔ VCC) on any single data line. The MAX3372E–MAX3379E and MAX3390E–MAX3393E accept VLfrom +1.2V to +5.5V and VCCfrom +1.65V to +5.5V, making them ideal for data transfer between low-voltage ASICs/PLDs and higher voltage systems.All devices in the MAX3372E–MAX3379E, MAX3390E–MAX3393E family feature a three-state output mode that reduces supply current to less than 1µA, thermal shortcircuit protection, and ±15kV ESD protection on the VCCside for greater protection in applications that route signals externally. The MAX3372E/MAX3377E operate at a guaranteed data rate of 230kbps. Slew-rate limiting reduces EMI emissions in all 230kbps devices. The MAX3373E–MAX3376E/MAX3378E/MAX3379E and MAX3390E–MAX3393E operate at a guaranteed data rate of 8Mbps over the entire specified operating voltage range. Within specific voltage domains, higher data rates are possible. (See theTiming Characteristicstable in the full data sheet.)The MAX3372E–MAX3376E are dual level shifters available in 3 x 3 UCSP™, 8-pin TDFN, and 8-pin SOT23 packages. The MAX3377E/MAX3378E/MAX3379E and MAX3390E–MAX3393E are quad level shifters available in 3 x 4 UCSP, 14-pin TDFN, and 14-pin TSSOP packages.ApplicationsCell PhonesCell-Phone CradlesGPSLow-Cost Serial InterfacesLow-Voltage ASIC Level TranslationPortable Communication DevicesPortable POS SystemsSmart Card ReadersSPI, MICROWIRE, and I²C Level TranslationTelecommunications Equipment |
| Logic | 4 | Active | ||
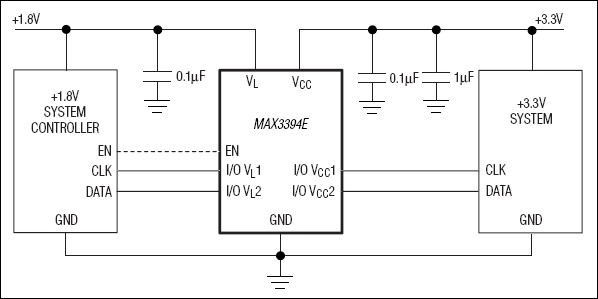
MAX3394±15kV ESD-Protected, High-Drive Current, Dual-/Quad-/Octal-Level Translators with Speed-Up Circuitry | Translators, Level Shifters | 2 | Active | The MAX3394E/MAX3395E/MAX3396E bidirectional level translators provide level shifting required for data transfer in a multivoltage system. Internal slew-rate enhancement circuitry features 10mA current-sink and 15mA current-source drivers to isolate capacitive loads from lower current drivers. In open-drain systems, slew-rate enhancement enables fast data rates with larger pullup resistors and increased bus load capacitance. Externally applied voltages, VCCand VL, set the logic-high levels for the device. A logic-low signal on one I/O side of the device appears as a logic-low signal on the opposite I/O side, and vice-versa. Each I/O line is pulled up to VCCor VLby an internal pullup resistor, allowing the devices to be driven by either push-pull or open-drain drivers.The MAX3394E/MAX3395E/MAX3396E feature a tri-state output mode, thermal-shutdown protection, and ±15kV Human Body Model (HBM) ESD protection on the VCCside for greater protection in applications that route signals externally.The MAX3394E/MAX3395E/MAX3396E accept VCCvoltages from +1.65V to +5.5V, and VLvoltages from +1.2V to VCC, making them ideal for data transfer between low voltage ASIC/PLDs and higher voltage systems. The MAX3394E/MAX3395E/MAX3396E operate at a guaranteed data rate of 6Mbps with push-pull drivers and 1Mbps with open-drain drivers.The MAX3394E is a dual-level translator available in 9-bump UCSP™ and 8-pin 3mm × 3mm TDFN packages. The MAX3395E is a quad-level translator available in 12-bump UCSP, and 12-pin 4mm x 4mm TQFN packages. The MAX3396E is an octal-level translator available in 20-bump UCSP and 20-pin 5mm × 5mm TQFN packages. The MAX3394E/MAX3395E/MAX3396E operate over the extended -40°C to +85°C temperature range.ApplicationsCell PhonesHigh-Speed Bus Fan-Out ExpansionMultivoltage Bidirectional Level TranslationOpen-Drain Rise-Time Speed UpSPI™, MICROWIRE™, and I²C Level TranslationTelecom, Networking, Server, RAID/SAN |
MAX3394E±15kV ESD-Protected, High-Drive Current, Dual-/Quad-/Octal-Level Translators with Speed-Up Circuitry | Translators, Level Shifters | 2 | Active | The MAX3394E/MAX3395E/MAX3396E bidirectional level translators provide level shifting required for data transfer in a multivoltage system. Internal slew-rate enhancement circuitry features 10mA current-sink and 15mA current-source drivers to isolate capacitive loads from lower current drivers. In open-drain systems, slew-rate enhancement enables fast data rates with larger pullup resistors and increased bus load capacitance. Externally applied voltages, VCCand VL, set the logic-high levels for the device. A logic-low signal on one I/O side of the device appears as a logic-low signal on the opposite I/O side, and vice-versa. Each I/O line is pulled up to VCCor VLby an internal pullup resistor, allowing the devices to be driven by either push-pull or open-drain drivers.The MAX3394E/MAX3395E/MAX3396E feature a tri-state output mode, thermal-shutdown protection, and ±15kV Human Body Model (HBM) ESD protection on the VCCside for greater protection in applications that route signals externally.The MAX3394E/MAX3395E/MAX3396E accept VCCvoltages from +1.65V to +5.5V, and VLvoltages from +1.2V to VCC, making them ideal for data transfer between low voltage ASIC/PLDs and higher voltage systems. The MAX3394E/MAX3395E/MAX3396E operate at a guaranteed data rate of 6Mbps with push-pull drivers and 1Mbps with open-drain drivers.The MAX3394E is a dual-level translator available in 9-bump UCSP™ and 8-pin 3mm × 3mm TDFN packages. The MAX3395E is a quad-level translator available in 12-bump UCSP, and 12-pin 4mm x 4mm TQFN packages. The MAX3396E is an octal-level translator available in 20-bump UCSP and 20-pin 5mm × 5mm TQFN packages. The MAX3394E/MAX3395E/MAX3396E operate over the extended -40°C to +85°C temperature range.ApplicationsCell PhonesHigh-Speed Bus Fan-Out ExpansionMultivoltage Bidirectional Level TranslationOpen-Drain Rise-Time Speed UpSPI™, MICROWIRE™, and I²C Level TranslationTelecom, Networking, Server, RAID/SAN |
| Integrated Circuits (ICs) | 4 | Active | ||
MAX3397Dual Bidirectional Low-Level Translator in µDFN | Development Boards, Kits, Programmers | 2 | Active | The MAX3397E ±15kV ESD-protected bidirectional level translator provides level shifting for data transfer in a multivoltage system. Externally applied voltages, VCCand VL, set the logic levels on either side of the device. A logic-low signal present on the VLside of the device appears as a logic-low signal on the VCCside of the device, and vice versa. The MAX3397E utilizes a transmission- gate-based design to allow data translation in either direction (VL↔ VCC) on any single data line. The MAX3397E accepts VLfrom +1.2V to +5.5V and VCCfrom +1.65V to +5.5V, making the device ideal for data transfer between low-voltage ASICs/PLDs and higher voltage systems.The MAX3397E features a shutdown mode that reduces supply current to less than 1µA, thermal short-circuit protection, and ±15kV ESD protection on the VCCside for greater protection in applications that route signals externally. The MAX3397E operates at a guaranteed data rate of 8Mbps over the entire specified operating voltage range. Within specific voltage domains, higher data rates are possible. See theTiming Characteristicstable in the full data sheet.The MAX3397E is available in an 8-pin µDFN package and specified over the extended -40°C to +85°C operating temperature range. |
| Analog Switches, Multiplexers, Demultiplexers | 1 | Obsolete | ||
| Evaluation Boards | 1 | Active | ||