| Integrated Circuits (ICs) | 1 | Obsolete | |
| Drivers, Receivers, Transceivers | 1 | Active | |
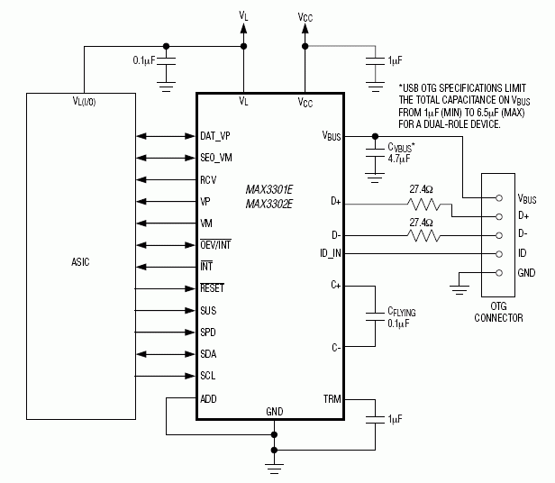
MAX3301USB On-the-Go Transceivers and Charge Pumps | Integrated Circuits (ICs) | 3 | Active | The MAX3301E/MAX3302E fully integrated USB On-the-Go (OTG) transceivers and charge pumps allow mobile devices such as PDAs, cellular phones, and digital cameras to interface directly with USB peripherals and each other without the need of a host PC. Use the MAX3301E/MAX3302E with an embedded USB host to directly connect to peripherals such as printers or external hard drives.The MAX3301E/MAX3302E integrate a USB OTG transceiver, a VBUScharge pump, a linear regulator, and an I²C-compatible, 2-wire serial interface. An internal level shifter allows the MAX3301E/MAX3302E to interface with +1.65V to +3.6V logic supply voltages. The MAX3301E/MAX3302E's OTG-compliant charge pump operates with +3V to +4.5V input supply voltages, and supplies an OTG-compatible output on VBUSwhile sourcing more than 8mA of output current.The MAX3301E/MAX3302E enable USB OTG communication from highly integrated digital devices that cannot supply or tolerate the +5V VBUSlevels that USB OTG requires. The device supports USB OTG session-request protocol (SRP) and host-negotiation protocol (HNP).The MAX3301E/MAX3302E provide built-in ±15kV electrostatic-discharge (ESD) protection for the VBUS, ID_IN, D+, and D- terminals. The MAX3301E/MAX3302E are available in 25-bump chip-scale (UCSP™), 25-bump WLP package, 28-pin TQFN, and 32-pin TQFN packages and operate over the extended -40°C to +85°C temperature range.ApplicationsDigital CamerasMobile PhonesMP3 PlayersPDAs |
MAX33011E+5V, 5Mbps CAN Transceiver with ±65V Fault Protection, Fault Detection and Reporting, ±25V CMR, and ±40kV ESD Protection | Integrated Circuits (ICs) | 2 | Active | The MAX33011E/MAX33012E, and MAX33014E/MAX33015E are a family of +5V control area network (CAN) transceivers with integrated protection for industrial applications. These devices have extended ±65V fault protection on the CAN bus for equipment where overvoltage protection is required. The CAN family also incorporates high ±45kV ESD HBM protection and an input common-mode range (CMR) of ±25V, exceeding the ISO 11898 specification of -2V to +7V, and well suited for applications where ground planes from different systems are shifting relative to each other.This CAN family incorporates a fault-detection feature where it monitors the CANH and CANL line for faults like overcurrent, overvoltage, and transmission failure. When a fault is detected, the FAULT pin goes high, which triggers an external interrupt with the local CAN controller, and the driver and receiver lines are placed in recessive mode. The system clock then drives the TXD pin and a fault code is transmitted through the RXD line back to the controller. When the specific fault code is transmitted and the system is programmed to alert local service personnel, they are able to troubleshoot and debug the problem quicker, providing valuable diagnostics and decreased equipment downtime. In addition, the family features a variety of options to address common CAN application requirements; low-current standby mode, slow slew rate for improved EMI performance, silent-mode to disable the transmitter, low level translation to interface with low-voltage controllers, and loopback mode for remote self diagnostics.These devices are specified for data rates up to 5Mbps. The transceivers include a dominant timeout to prevent bus lockup caused by controller error or by a fault on the TXD input. When TXD remains in the dominant state (low) for longer than tDOM, the driver is switched to the recessive state, releasing the bus.The MAX33011E/MAX33012E are in a standard 8-pin SOIC package and the MAX33014E/MAX33015E are in a 10-pin TDFN-EP package The family of devices operates over the -40°C to +125°C temperature range.ApplicationsBase StationElevator ControlFactory AutomationHVACIndustrial ConstructionPower GridPower SupplyVending Machine |
| Development Boards, Kits, Programmers | 1 | Active | |
MAX33012E+5V, 5Mbps CAN Transceiver with ±65V Fault Protection, Fault Detection and Reporting, ±25V CMR, and ±40kV ESD Protection | Interface | 2 | Active | The MAX33011E/MAX33012E, and MAX33014E/MAX33015E are a family of +5V control area network (CAN) transceivers with integrated protection for industrial applications. These devices have extended ±65V fault protection on the CAN bus for equipment where overvoltage protection is required. The CAN family also incorporates high ±45kV ESD HBM protection and an input common-mode range (CMR) of ±25V, exceeding the ISO 11898 specification of -2V to +7V, and well suited for applications where ground planes from different systems are shifting relative to each other.This CAN family incorporates a fault-detection feature where it monitors the CANH and CANL line for faults like overcurrent, overvoltage, and transmission failure. When a fault is detected, the FAULT pin goes high, which triggers an external interrupt with the local CAN controller, and the driver and receiver lines are placed in recessive mode. The system clock then drives the TXD pin and a fault code is transmitted through the RXD line back to the controller. When the specific fault code is transmitted and the system is programmed to alert local service personnel, they are able to troubleshoot and debug the problem quicker, providing valuable diagnostics and decreased equipment downtime. In addition, the family features a variety of options to address common CAN application requirements; low-current standby mode, slow slew rate for improved EMI performance, silent-mode to disable the transmitter, low level translation to interface with low-voltage controllers, and loopback mode for remote self diagnostics.These devices are specified for data rates up to 5Mbps. The transceivers include a dominant timeout to prevent bus lockup caused by controller error or by a fault on the TXD input. When TXD remains in the dominant state (low) for longer than tDOM, the driver is switched to the recessive state, releasing the bus.The MAX33011E/MAX33012E are in a standard 8-pin SOIC package and the MAX33014E/MAX33015E are in a 10-pin TDFN-EP package The family of devices operates over the -40°C to +125°C temperature range.ApplicationsBase StationElevator ControlFactory AutomationHVACIndustrial ConstructionPower GridPower SupplyVending Machine |
MAX33014E+5V, 5Mbps CAN Transceiver with ±65V Fault Protection, Fault Detection and Reporting, ±25V CMR, and ±40kV ESD Protection | Interface | 2 | Active | The MAX33011E/MAX33012E, and MAX33014E/MAX33015E are a family of +5V control area network (CAN) transceivers with integrated protection for industrial applications. These devices have extended ±65V fault protection on the CAN bus for equipment where overvoltage protection is required. The CAN family also incorporates high ±45kV ESD HBM protection and an input common-mode range (CMR) of ±25V, exceeding the ISO 11898 specification of -2V to +7V, and well suited for applications where ground planes from different systems are shifting relative to each other.This CAN family incorporates a fault-detection feature where it monitors the CANH and CANL line for faults like overcurrent, overvoltage, and transmission failure. When a fault is detected, the FAULT pin goes high, which triggers an external interrupt with the local CAN controller, and the driver and receiver lines are placed in recessive mode. The system clock then drives the TXD pin and a fault code is transmitted through the RXD line back to the controller. When the specific fault code is transmitted and the system is programmed to alert local service personnel, they are able to troubleshoot and debug the problem quicker, providing valuable diagnostics and decreased equipment downtime. In addition, the family features a variety of options to address common CAN application requirements; low-current standby mode, slow slew rate for improved EMI performance, silent-mode to disable the transmitter, low level translation to interface with low-voltage controllers, and loopback mode for remote self diagnostics.These devices are specified for data rates up to 5Mbps. The transceivers include a dominant timeout to prevent bus lockup caused by controller error or by a fault on the TXD input. When TXD remains in the dominant state (low) for longer than tDOM, the driver is switched to the recessive state, releasing the bus.The MAX33011E/MAX33012E are in a standard 8-pin SOIC package and the MAX33014E/MAX33015E are in a 10-pin TDFN-EP package The family of devices operates over the -40°C to +125°C temperature range.ApplicationsBase StationElevator ControlFactory AutomationHVACIndustrial ConstructionPower GridPower SupplyVending Machine |
MAX33015E+5V, 5Mbps CAN Transceiver with ±65V Fault Protection, Fault Detection and Reporting, ±25V CMR, and ±40kV ESD Protection | Drivers, Receivers, Transceivers | 2 | Active | The MAX33011E/MAX33012E, and MAX33014E/MAX33015E are a family of +5V control area network (CAN) transceivers with integrated protection for industrial applications. These devices have extended ±65V fault protection on the CAN bus for equipment where overvoltage protection is required. The CAN family also incorporates high ±45kV ESD HBM protection and an input common-mode range (CMR) of ±25V, exceeding the ISO 11898 specification of -2V to +7V, and well suited for applications where ground planes from different systems are shifting relative to each other.This CAN family incorporates a fault-detection feature where it monitors the CANH and CANL line for faults like overcurrent, overvoltage, and transmission failure. When a fault is detected, the FAULT pin goes high, which triggers an external interrupt with the local CAN controller, and the driver and receiver lines are placed in recessive mode. The system clock then drives the TXD pin and a fault code is transmitted through the RXD line back to the controller. When the specific fault code is transmitted and the system is programmed to alert local service personnel, they are able to troubleshoot and debug the problem quicker, providing valuable diagnostics and decreased equipment downtime. In addition, the family features a variety of options to address common CAN application requirements; low-current standby mode, slow slew rate for improved EMI performance, silent-mode to disable the transmitter, low level translation to interface with low-voltage controllers, and loopback mode for remote self diagnostics.These devices are specified for data rates up to 5Mbps. The transceivers include a dominant timeout to prevent bus lockup caused by controller error or by a fault on the TXD input. When TXD remains in the dominant state (low) for longer than tDOM, the driver is switched to the recessive state, releasing the bus.The MAX33011E/MAX33012E are in a standard 8-pin SOIC package and the MAX33014E/MAX33015E are in a 10-pin TDFN-EP package The family of devices operates over the -40°C to +125°C temperature range.ApplicationsBase StationElevator ControlFactory AutomationHVACIndustrial ConstructionPower GridPower SupplyVending Machine |
MAX3302EUSB On-the-Go Transceivers and Charge Pumps | Integrated Circuits (ICs) | 2 | Active | The MAX3301E/MAX3302E fully integrated USB On-the-Go (OTG) transceivers and charge pumps allow mobile devices such as PDAs, cellular phones, and digital cameras to interface directly with USB peripherals and each other without the need of a host PC. Use the MAX3301E/MAX3302E with an embedded USB host to directly connect to peripherals such as printers or external hard drives.The MAX3301E/MAX3302E integrate a USB OTG transceiver, a VBUScharge pump, a linear regulator, and an I²C-compatible, 2-wire serial interface. An internal level shifter allows the MAX3301E/MAX3302E to interface with +1.65V to +3.6V logic supply voltages. The MAX3301E/MAX3302E's OTG-compliant charge pump operates with +3V to +4.5V input supply voltages, and supplies an OTG-compatible output on VBUSwhile sourcing more than 8mA of output current.The MAX3301E/MAX3302E enable USB OTG communication from highly integrated digital devices that cannot supply or tolerate the +5V VBUSlevels that USB OTG requires. The device supports USB OTG session-request protocol (SRP) and host-negotiation protocol (HNP).The MAX3301E/MAX3302E provide built-in ±15kV electrostatic-discharge (ESD) protection for the VBUS, ID_IN, D+, and D- terminals. The MAX3301E/MAX3302E are available in 25-bump chip-scale (UCSP™), 25-bump WLP package, 28-pin TQFN, and 32-pin TQFN packages and operate over the extended -40°C to +85°C temperature range.ApplicationsDigital CamerasMobile PhonesMP3 PlayersPDAs |
| Development Boards, Kits, Programmers | 1 | Active | |