A
Analog Devices Inc./Maxim Integrated
| Series | Category | # Parts | Status | Description |
|---|---|---|---|---|
| Part | Spec A | Spec B | Spec C | Spec D | Description |
|---|---|---|---|---|---|
| Series | Category | # Parts | Status | Description |
|---|---|---|---|---|
| Part | Spec A | Spec B | Spec C | Spec D | Description |
|---|---|---|---|---|---|
| Part | Category | Description |
|---|---|---|
Analog Devices Inc./Maxim Integrated LTC1879EGN#TRUnknown | Integrated Circuits (ICs) | IC REG BUCK ADJ 1.2A 16SSOP |
Analog Devices Inc./Maxim Integrated LTC2208CUP#TRUnknown | Integrated Circuits (ICs) | IC ADC 16BIT 130MSPS 64-QFN |
Analog Devices Inc./Maxim Integrated ADP2108ACBZ-1.1-R7Obsolete | Integrated Circuits (ICs) | IC REG BUCK 1.1V 600MA 5WLCSP |
Analog Devices Inc./Maxim Integrated EV1HMC832ALP6GObsolete | Development Boards Kits Programmers | EVAL BOARD FOR HMC832ALP6GE |
Analog Devices Inc./Maxim Integrated LTC488ISWUnknown | Integrated Circuits (ICs) | IC LINE RCVR RS485 QUAD 16-SOIC |
Analog Devices Inc./Maxim Integrated LTC6946IUFD-2Obsolete | Integrated Circuits (ICs) | IC CLK/FREQ SYNTH 28QFN |
Analog Devices Inc./Maxim Integrated MAX5556ESA+TObsolete | Integrated Circuits (ICs) | IC DAC/AUDIO 16BIT 50K 8SOIC |
Analog Devices Inc./Maxim Integrated EVAL-FLTR-LD-1RZUnknown | Unclassified | EVAL BRD FOR AD800 SERIES |
Analog Devices Inc./Maxim Integrated | Development Boards Kits Programmers | BOARD EVAL FOR AD9963 |
Analog Devices Inc./Maxim Integrated LTC1296CCSW#TRUnknown | Integrated Circuits (ICs) | IC DATA ACQ SYS 12BIT 5V 20SOIC |
| Series | Category | # Parts | Status | Description |
|---|---|---|---|---|
| RF Transceiver ICs | 1 | Obsolete | ||
| Integrated Circuits (ICs) | 2 | Obsolete | ||
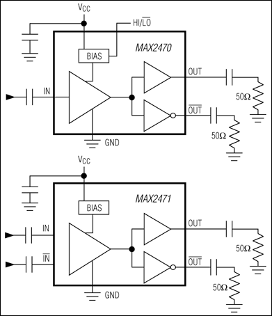
MAX247010MHz to 500MHz, VCO Buffer Amplifiers with Differential Outputs | RF, RFID, Wireless Evaluation Boards | 4 | Active | The MAX2470/MAX2471 are flexible, low-cost, high reverse-isolation buffer amplifiers for applications with discrete and module-based VCO designs. Both feature differential 50Ω outputs for driving a single differential (balanced) load or two separate single-ended (unbalanced) 50Ω loads. The MAX2470 offers a single-ended input and has two selectable frequency ranges of operation: 10MHz to 500MHz and 10MHz to 200MHz. The MAX2471 offers a differential input and operates from 10MHz to 500MHz. The MAX2470/MAX2471 also feature high input impedance for maximum flexibility, enabling them to be used with a variety of oscillator topologies. High reverse isolation combined with low supply current make them ideal for applications requiring high performance with low power.These devices are also ideal for use as active baluns. The MAX2470 converts a single-ended input to a differential output. The MAX2471 is useful as a differential buffer stage or to convert from a differential input to two single-ended ouputs.The MAX2470 operates from a single +2.7V to +5.5V supply. At -5dBm output power, it consumes 5.5mA in the high-frequency range and only 3.6mA in the low-frequency range. The MAX2471 operates from a +2.7V to +5.5V single supply and consumes 5.5mA. both devices are available in ultra-small SOT23-6 plastic packages, requiring minimal board space.ApplicationsActive BalunsCellular and PCS Mobile PhonesGeneral-Purpose Buffers/AmplifiersISM-Band Applications |
| Integrated Circuits (ICs) | 3 | Active | ||
MAX2472500MHz to 2500MHz, VCO Buffer Amplifiers | Instrumentation, OP Amps, Buffer Amps | 3 | Active | The MAX2472/MAX2473 are flexible, wideband, high- reverse-isolation buffer amplifiers. The MAX2472 has dual open-collector outputs capable of delivering -5dBm into 50Ω while maintaining harmonic suppression below -25dBc. The MAX2473 has a single open-collector output with a bias control pin to vary output power from -10dBm to -2dBm while maintaining harmonic suppression below -25dBc. The MAX2472/MAX2473's combination of high reverse isolation and low supply current makes them ideal for applications requiring high performance with low power. They feature high input impedance and open-collector outputs for maximum flexibility, enabling them to be used with a variety of oscillator topologies.Both the MAX2472 and MAX2473 operate from a single +2.7V to +5.5V supply. With VCC= +3.0V and -25dBm input power, the MAX2472 consumes 5.2mA, while the MAX2473 consumes only 2.7mA. Both devices are available in a tiny 6-pin SOT23 package requiring minimal board space.ApplicationsCellular and PCS Mobile PhonesGeneral-Purpose Buffers/AmplifiersIF/RF OscillatorsISM-Band ApplicationsPrivate Mobile Radios (PMRs) |
MAX2473500MHz to 2500MHz, VCO Buffer Amplifiers | Evaluation Boards | 2 | Obsolete | The MAX2472/MAX2473 are flexible, wideband, high- reverse-isolation buffer amplifiers. The MAX2472 has dual open-collector outputs capable of delivering -5dBm into 50Ω while maintaining harmonic suppression below -25dBc. The MAX2473 has a single open-collector output with a bias control pin to vary output power from -10dBm to -2dBm while maintaining harmonic suppression below -25dBc. The MAX2472/MAX2473's combination of high reverse isolation and low supply current makes them ideal for applications requiring high performance with low power. They feature high input impedance and open-collector outputs for maximum flexibility, enabling them to be used with a variety of oscillator topologies.Both the MAX2472 and MAX2473 operate from a single +2.7V to +5.5V supply. With VCC= +3.0V and -25dBm input power, the MAX2472 consumes 5.2mA, while the MAX2473 consumes only 2.7mA. Both devices are available in a tiny 6-pin SOT23 package requiring minimal board space.ApplicationsCellular and PCS Mobile PhonesGeneral-Purpose Buffers/AmplifiersIF/RF OscillatorsISM-Band ApplicationsPrivate Mobile Radios (PMRs) |
MAX248+5V-Powered, Multichannel RS-232 Drivers/Receivers | Interface | 6 | Active | The MAX220–MAX249 family of line drivers/receivers is intended for all EIA/TIA-232E and V.28/V.24 communications interfaces, particularly applications where ±12V is not available..The MAX225, MAX233, MAX235, and MAX245/MAX246/MAX247 use no external components and are recommended for applications where printed circuit board space is critical.The MAX220–MAX249 are offered in 26 different packages with temperatures from 0 to +70°C up to -55°C to +125°C. See ordering information table at the end of the data sheet for all package and temperature options.ApplicationsInterface TranslationMultidrop RS-232 NetworksPortable Diagnostics Equipment |
| Interface | 4 | Active | ||
MAX2505V, Isolated, RS-232 Driver Receiver | RF and Wireless | 15 | Active | The MAX250 and MAX251 chip set form the heart of a complete, electronically isolated, RS-232 dual transmitter/receiver. By combining many functions on two chips, the cost and complexity required for an isolated digital interface is greatly reduced. Four low cost optocouplers, four capacitors, a diode and a small pot-core type transformer are all that are required to complete a 19.2k baud transceiver. Faster data rates are possible by using high speed optocouplers. In addition to the driving and receiving circuitry for the optocouplers, the chip set includes a push-pull transformer driver to supply power to the interface's isolated side.Other convenient features include single +5V operation, a low power shutdown mode, and output enable control for three-state operation. The MAX250 and MAX251 are supplied in 14 lead DIP, 14 lead small outline and 20 leadless chip carrier packages.The MAX252 has all the required components for RS-232 communication in a single package.ApplicationsBridge Ground DifferentialsData Links To Analog CircuitsHigh Noise Data CommunicationsIndustrial Communications |
| LED Drivers | 4 | Active | ||