A
Analog Devices Inc./Maxim Integrated
| Series | Category | # Parts | Status | Description |
|---|---|---|---|---|
| Part | Spec A | Spec B | Spec C | Spec D | Description |
|---|---|---|---|---|---|
| Series | Category | # Parts | Status | Description |
|---|---|---|---|---|
| Part | Spec A | Spec B | Spec C | Spec D | Description |
|---|---|---|---|---|---|
| Part | Category | Description |
|---|---|---|
Analog Devices Inc./Maxim Integrated LTC1879EGN#TRUnknown | Integrated Circuits (ICs) | IC REG BUCK ADJ 1.2A 16SSOP |
Analog Devices Inc./Maxim Integrated LTC2208CUP#TRUnknown | Integrated Circuits (ICs) | IC ADC 16BIT 130MSPS 64-QFN |
Analog Devices Inc./Maxim Integrated ADP2108ACBZ-1.1-R7Obsolete | Integrated Circuits (ICs) | IC REG BUCK 1.1V 600MA 5WLCSP |
Analog Devices Inc./Maxim Integrated EV1HMC832ALP6GObsolete | Development Boards Kits Programmers | EVAL BOARD FOR HMC832ALP6GE |
Analog Devices Inc./Maxim Integrated LTC488ISWUnknown | Integrated Circuits (ICs) | IC LINE RCVR RS485 QUAD 16-SOIC |
Analog Devices Inc./Maxim Integrated LTC6946IUFD-2Obsolete | Integrated Circuits (ICs) | IC CLK/FREQ SYNTH 28QFN |
Analog Devices Inc./Maxim Integrated MAX5556ESA+TObsolete | Integrated Circuits (ICs) | IC DAC/AUDIO 16BIT 50K 8SOIC |
Analog Devices Inc./Maxim Integrated EVAL-FLTR-LD-1RZUnknown | Unclassified | EVAL BRD FOR AD800 SERIES |
Analog Devices Inc./Maxim Integrated | Development Boards Kits Programmers | BOARD EVAL FOR AD9963 |
Analog Devices Inc./Maxim Integrated LTC1296CCSW#TRUnknown | Integrated Circuits (ICs) | IC DATA ACQ SYS 12BIT 5V 20SOIC |
| Series | Category | # Parts | Status | Description |
|---|---|---|---|---|
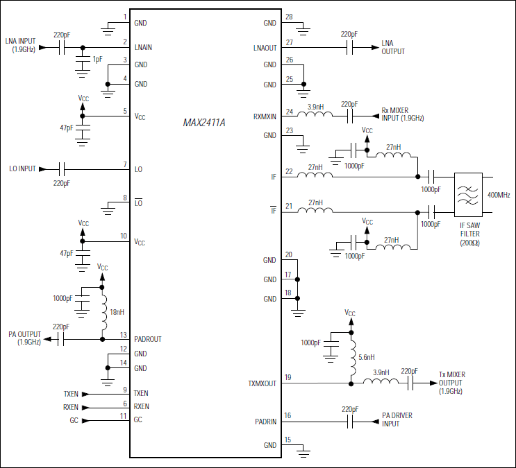
MAX241Low-Cost RF Up/Downconverter with LNA and PA Driver | RF and Wireless | 25 | Active | The MAX2411A performs the RF front-end transmit/receive function in time-division-duplex (TDD) communication systems. It operates over a wide frequency range and is optimized for RF frequencies around 1.9GHz. Applications include most popular cordless and PCS standards. The MAX2411A includes a low-noise amplifier (LNA), a downconverter mixer, a local-oscillator buffer, an upconverter mixer, and a variable-gain power-amplifier (PA) driver in a low-cost, plastic surface-mount package. The MAX2411A's unique bidirectional, differential IF port reduces cost and component count by allowing the transmit and receive paths to share the same IF filter.The LNA has a 2.4dB typical noise figure and a -10dBm input third-order intercept point (IP3). The downconverter mixer has a low 9.2dB noise figure and 4dBm input IP3. Image and local-oscillator filtering are implemented off-chip for maximum flexibility. The PA driver amplifier has 15dB of gain, which can be reduced over a 35dB range. Power consumption is only 60mW in receive mode and 90mW in transmit mode and drops to less than 3µW in shutdown mode.For applications requiring separate, single-ended IF input and output ports, refer to the MAX2410 data sheet. For applications requiring only a receive function, Maxim offers a low-cost downconverter with LNA (see the MAX2406 data sheet).ApplicationsDCS1800 or PCS1900 Single-Mode PhonesDECTIridium HandsetsISM-Band TransceiverPHS/PACSPWT1900 |
| RF Misc ICs and Modules | 2 | Obsolete | ||
MAX2410115Gbps Octal Linear Equalizer | Interface | 2 | Active | The MAX24101 restores high-frequency signal level at decision-feedback equalizer (DFE) receiver for high-loss backplane and cable channels. This permits the DFE receiver to meet BER goals. At 15Gbps, the MAX24101 can operate in channels with FR4 and cable HF loss more of than 30dB at 7.5GHz. The linear transfer function is transparent to Adaptive DFE equalizers, permitting DFE adaptation to track temperature and changing channel conditions.Together with the DFE, integrated into Serializer/Deserializer (SERDES), the device adds increased margin rather than full signal regeneration. Unlike conventional equalizers with limiting output stages, the device preserves the linear channel characteristics, allowing the DFE to linearly operate over the entire channel. This permits extending total channel reach and/or improving signal-to-noise ratio (SNR). The device typically compensates for up to 19dB of the total loss in a long channel, effectively reducing the channel length seen by the DFE receiver.The device has 8 channels and is packaged in a space-saving, 4mm x 13mm, FCLGA package.Applications12.5Gbps Quad XAUI Interconnect12Gbps SAS III14Gbps 16G Fiber Channel1Gbps to 15Gbps High-Speed Backplanes and Cables |
| Evaluation Boards | 1 | Obsolete | ||
| RF Misc ICs and Modules | 1 | LTB | ||
| Integrated Circuits (ICs) | 1 | Obsolete | ||
MAX242+5V-Powered, Multichannel RS-232 Drivers/Receivers | Drivers, Receivers, Transceivers | 15 | Active | The MAX220–MAX249 family of line drivers/receivers is intended for all EIA/TIA-232E and V.28/V.24 communications interfaces, particularly applications where ±12V is not available..The MAX225, MAX233, MAX235, and MAX245/MAX246/MAX247 use no external components and are recommended for applications where printed circuit board space is critical.The MAX220–MAX249 are offered in 26 different packages with temperatures from 0 to +70°C up to -55°C to +125°C. See ordering information table at the end of the data sheet for all package and temperature options.ApplicationsInterface TranslationMultidrop RS-232 NetworksPortable Diagnostics Equipment |
| RF and Wireless | 2 | Active | ||
| RF Transceiver ICs | 2 | Active | ||
| RF Transceiver ICs | 1 | Obsolete | ||