A
Analog Devices Inc./Maxim Integrated
| Series | Category | # Parts | Status | Description |
|---|---|---|---|---|
| Part | Spec A | Spec B | Spec C | Spec D | Description |
|---|---|---|---|---|---|
| Series | Category | # Parts | Status | Description |
|---|---|---|---|---|
| Part | Spec A | Spec B | Spec C | Spec D | Description |
|---|---|---|---|---|---|
| Part | Category | Description |
|---|---|---|
Analog Devices Inc./Maxim Integrated LTC1879EGN#TRUnknown | Integrated Circuits (ICs) | IC REG BUCK ADJ 1.2A 16SSOP |
Analog Devices Inc./Maxim Integrated LTC2208CUP#TRUnknown | Integrated Circuits (ICs) | IC ADC 16BIT 130MSPS 64-QFN |
Analog Devices Inc./Maxim Integrated ADP2108ACBZ-1.1-R7Obsolete | Integrated Circuits (ICs) | IC REG BUCK 1.1V 600MA 5WLCSP |
Analog Devices Inc./Maxim Integrated EV1HMC832ALP6GObsolete | Development Boards Kits Programmers | EVAL BOARD FOR HMC832ALP6GE |
Analog Devices Inc./Maxim Integrated LTC488ISWUnknown | Integrated Circuits (ICs) | IC LINE RCVR RS485 QUAD 16-SOIC |
Analog Devices Inc./Maxim Integrated LTC6946IUFD-2Obsolete | Integrated Circuits (ICs) | IC CLK/FREQ SYNTH 28QFN |
Analog Devices Inc./Maxim Integrated MAX5556ESA+TObsolete | Integrated Circuits (ICs) | IC DAC/AUDIO 16BIT 50K 8SOIC |
Analog Devices Inc./Maxim Integrated EVAL-FLTR-LD-1RZUnknown | Unclassified | EVAL BRD FOR AD800 SERIES |
Analog Devices Inc./Maxim Integrated | Development Boards Kits Programmers | BOARD EVAL FOR AD9963 |
Analog Devices Inc./Maxim Integrated LTC1296CCSW#TRUnknown | Integrated Circuits (ICs) | IC DATA ACQ SYS 12BIT 5V 20SOIC |
| Series | Category | # Parts | Status | Description |
|---|---|---|---|---|
MAX20150.1GHz to 3GHz, 75dB Logarithmic Detector/Controller | RF, RFID, Wireless Evaluation Boards | 3 | Active | The MAX2015 complete multistage logarithmic amplifier is designed to accurately convert radio-frequency (RF) signal power in the 0.1GHz to 3GHz frequency range to an equivalent DC voltage. The outstanding dynamic range and precision over temperature of this log amplifier make it particularly useful for a variety of base station and other wireless applications, including automatic gain control (AGC), transmitter power measurements, and received signal strength indication (RSSI) for terminal devices.The MAX2015 can also be operated in a controller mode where it measures, compares, and controls the output power of a variable-gain amplifier as part of a fully integrated AGC loop.This logarithmic amplifier provides much wider measurement range and superior accuracy compared to controllers based on diode detectors, while achieving excellent temperature stability over the full -40°C to +85°C operating range.ApplicationsAGC Measurement and ControlCellular Base Station, WLAN, Microwave Link, Radar, and other Military ApplicationsRF Transmitter Power MeasurementRSSI Measurements |
| RF, RFID, Wireless Evaluation Boards | 5 | Active | ||
MAX202±15kV ESD-Protected, +5V RS-232 Transceivers | RF Amplifiers | 57 | Active | MAX200-MAX209, MAX211, and MAX213 are a family of RS-232 and V.28 transceivers with integrated charge pump circuitry for single +5V supply operation.The drivers maintain the ±5V EIA/TIA-232E output signal levels at data rates in excess of 120kbps when loaded in accordance with the EIA/TIA-232E specification.The MAX211 and MAX213 are available in a 28-pin, wide small-outline (SO) package and a 28-pin shrink small- outline (SSOP) package, which occupies only 40% of the area of the SO. The MAX207 is available in a 24-pin SO package and a 24-pin SSOP. The MAX203 and MAX205 use no external components and are recommended for applications with limited circuit board space.ApplicationsBattery-Powered EquipmentHandheld EquipmentPortable Diagnostics Equipment |
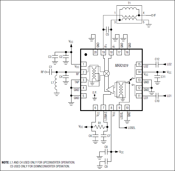
MAX2021High-Dynamic-Range, Direct Up-/Downconversion 650MHz to 1200MHz Quadrature Mod/Demod | RF, RFID, Wireless Evaluation Boards | 3 | Active | The MAX2021 low-noise, high-linearity, direct upconversion/downconversion quadrature modulator/demodulator is designed for RFID handheld and portal readers, as well as single and multicarrier 650MHz to 1200MHz GSM/EDGE, cdma2000®, WCDMA, and iDEN®base-station applications. Direct conversion architectures are advantageous since they significantly reduce transmitter or receiver cost, part count, and power consumption as compared to traditional IF-based double conversion systems.In addition to offering excellent linearity and noise performance, the MAX2021 also yields a high level of component integration. This device includes two matched passive mixers for modulating or demodulating in-phase and quadrature signals, two LO mixer amplifier drivers, and an LO quadrature splitter. On-chip baluns are also integrated to allow for single-ended RF and LO connections. As an added feature, the baseband inputs have been matched to allow for direct interfacing to the transmit DAC, thereby eliminating the need for costly I/Q buffer amplifiers.The MAX2021 operates from a single +5V supply. It is available in a compact 36-pin TQFN package (6mm x 6mm) with an exposed pad. Electrical performance is guaranteed over the extended -40°C to +85°C temperature range.ApplicationsCable Modem Termination Systems (CMTS)Digital and Spread-Spectrum Communication SystemsFixed Broadband Wireless AccessGSM 850/GSM 900 EDGE Base StationsMicrowave LinksMilitary SystemsPredistortion Transmitters and ReceiversRFID Handheld and Portal ReadersSingle and Multicarrier cdmaOne™ and cdma2000® Base StationsSingle and Multicarrier WCDMA 850 Base StationsVideo-on-Demand (VOD) and DOCSIS® Compliant Edge QAM ModulationWiMAX Transmitters and Receivers |
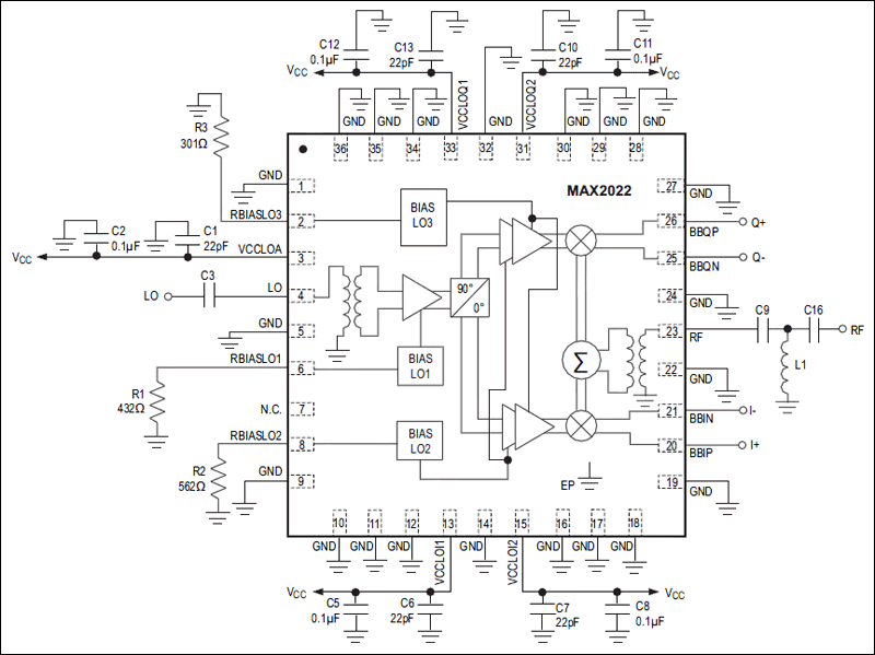
MAX2022High-Dynamic-Range, Direct Up/Downconversion 1500MHz to 3000MHz Quadrature Modulator/Demodulator | RF Misc ICs and Modules | 3 | Active | The MAX2022 low-noise, high-linearity, direct conversion quadrature modulator/demodulator is designed for single and multicarrier 1500MHz to 3000MHz UMTS/WCDMA, LTE/TD-LTE, cdma2000®, and DCS/PCS base-station applications. Direct conversion architectures are advantageous since they significantly reduce transmitter or receiver cost, part count, and power consumption as compared to traditional IF-based double conversion systems.In addition to offering excellent linearity and noise performance, the MAX2022 also yields a high level of component integration. This device includes two matched passive mixers for modulating or demodulating in-phase and quadrature signals, three LO mixer amplifier drivers, and an LO quadrature splitter. On-chip baluns are also integrated to allow for single-ended RF and LO connections. As an added feature, the baseband inputs have been matched to allow for direct interfacing to the transmit DAC, thereby eliminating the need for costly I/Q buffer amplifiers.The MAX2022 operates from a single +5V supply. It is available in a compact 36-pin TQFN package (6mm x 6mm) with an exposed paddle. Electrical performance is guaranteed over the extended -40°C to +85°C temperature range.ApplicationsDigital and Spread-Spectrum Communication SystemsFixed Broadband Wireless AccessMicrowave LinksMilitary SystemsPHS/PAS Base StationsPredistortion TransmittersPrivate Mobile Radios (PMRs)Single and Multicarrier cdmaOne™ and cdma2000® Base StationsSingle and Multicarrier DCS 1800/PCS 1900 EDGE Base StationsSingle and Multicarrier WCDMA/UMTS, and LTE/TDLTE Base StationsWireless Local Loop (WLL) |
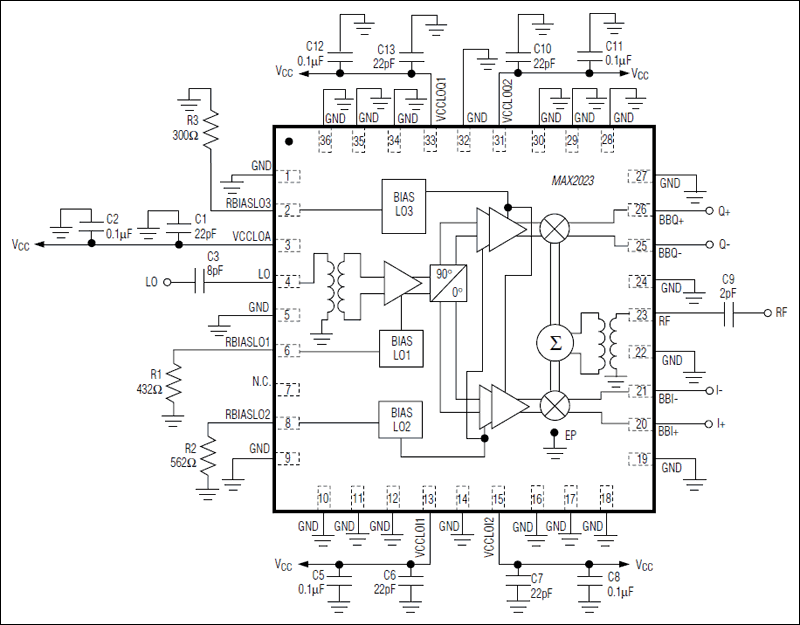
MAX2023High-Dynamic-Range, Direct Up-/Downconversion 1500MHz to 2500MHz Quadrature Mod/Demod | RF Misc ICs and Modules | 2 | Active | The MAX2023 low-noise, high-linearity, direct upconversion/downconversion quadrature modulator/demodulator is designed for single and multicarrier 1500MHz to 2300MHz DCS 1800/PCS 1900 EDGE, cdma2000®, WCDMA, and PHS/PAS base-station applications. Direct conversion architectures are advantageous since they significantly reduce transmitter or receiver cost, part count, and power consumption as compared to traditional IF-based double-conversion systems.In addition to offering excellent linearity and noise performance, the MAX2023 also yields a high level of component integration. This device includes two matched passive mixers for modulating or demodulating in-phase and quadrature signals, two LO mixer amplifier drivers, and an LO quadrature splitter. On-chip baluns are also integrated to allow for single-ended RF and LO connections. As an added feature, the baseband inputs have been matched to allow for direct interfacing to the transmit DAC, thereby eliminating the need for costly I/Q buffer amplifiers.The MAX2023 operates from a single +5V supply. It is available in a compact 36-pin TQFN package (6mm x 6mm) with an exposed pad. Electrical performance is guaranteed over the extended -40°C to +85°C temperature range.ApplicationsCable Modem Termination Systems (CMTS)Digital and Spread-Spectrum Communication SystemsFixed Broadband Wireless AccessMicrowave LinksMilitary SystemsPHS/PAS Base StationsPredistortion Transmitters and ReceiversSingle and Multicarrier cdmaOne™ and cdma2000® Base StationsSingle and Multicarrier WCDMA/LTE/TD-LTE Base StationsSingle-Carrier DCS 1800/PCS 1900 EDGE Base StationsVideo-on-Demand (VOD) and DOCSIS® Compliant Edge QAM Modulation |
| RF Amplifiers | 2 | Active | ||
| RF Mixers | 2 | Active | ||
MAX203±15kV ESD-Protected, +5V RS-232 Transceivers | Evaluation Boards | 30 | Active | MAX200-MAX209, MAX211, and MAX213 are a family of RS-232 and V.28 transceivers with integrated charge pump circuitry for single +5V supply operation.The drivers maintain the ±5V EIA/TIA-232E output signal levels at data rates in excess of 120kbps when loaded in accordance with the EIA/TIA-232E specification.The MAX211 and MAX213 are available in a 28-pin, wide small-outline (SO) package and a 28-pin shrink small- outline (SSOP) package, which occupies only 40% of the area of the SO. The MAX207 is available in a 24-pin SO package and a 24-pin SSOP. The MAX203 and MAX205 use no external components and are recommended for applications with limited circuit board space.ApplicationsBattery-Powered EquipmentHandheld EquipmentPortable Diagnostics Equipment |
MAX20303PMIC with Ultra Low IQVoltage Regulators, Battery Charger and Fuel Gauge for Small Lithium Ion Systems | Battery Management | 14 | Active | The MAX20303 is a highly integrated and programmable power management solution designed for ultra-low-power wearable applications. It is optimized for size and efficiency to enhance the value of the end product by extending battery life and shrinking the overall solution size. A flexible set of power-optimized voltage regulators, including multiple bucks, boost, buck-boost, and linear regulators, provides a high level of integration and the ability to create a fully optimized power architecture. The quiescent current of each regulator is specifically suited for 1µA (typ) to extend battery life in always-on applications.The MAX20303 includes a complete battery management solution with battery seal, charger, power path, and fuel gauge. Both thermal management and input protection are built into the charger.The device also includes a factory programmable button controller with multiple inputs that are customizable to fit specific product UX requirements.Three integrated LED current sinks are included for indicator or backlighting functions, and an ERM/LRA driver with automatic resonance tracking is capable of providing sophisticated haptic feedback to the user.The device is configurable through an I2C interface that allows for programming various functions and reading device status, including the ability to read temperature and supply voltages with the integrated ADC.This device is available in a 56-bump, 0.5mm pitch 3.71mm x 4.21mm, wafer-level package (WLP) and operates over the -40°C to +85°C extended temperature range.ApplicationsIoTWearable Devices |