A
Analog Devices Inc./Maxim Integrated
| Series | Category | # Parts | Status | Description |
|---|---|---|---|---|
| Part | Spec A | Spec B | Spec C | Spec D | Description |
|---|---|---|---|---|---|
| Series | Category | # Parts | Status | Description |
|---|---|---|---|---|
| Part | Spec A | Spec B | Spec C | Spec D | Description |
|---|---|---|---|---|---|
| Part | Category | Description |
|---|---|---|
Analog Devices Inc./Maxim Integrated LTC1879EGN#TRUnknown | Integrated Circuits (ICs) | IC REG BUCK ADJ 1.2A 16SSOP |
Analog Devices Inc./Maxim Integrated LTC2208CUP#TRUnknown | Integrated Circuits (ICs) | IC ADC 16BIT 130MSPS 64-QFN |
Analog Devices Inc./Maxim Integrated ADP2108ACBZ-1.1-R7Obsolete | Integrated Circuits (ICs) | IC REG BUCK 1.1V 600MA 5WLCSP |
Analog Devices Inc./Maxim Integrated EV1HMC832ALP6GObsolete | Development Boards Kits Programmers | EVAL BOARD FOR HMC832ALP6GE |
Analog Devices Inc./Maxim Integrated LTC488ISWUnknown | Integrated Circuits (ICs) | IC LINE RCVR RS485 QUAD 16-SOIC |
Analog Devices Inc./Maxim Integrated LTC6946IUFD-2Obsolete | Integrated Circuits (ICs) | IC CLK/FREQ SYNTH 28QFN |
Analog Devices Inc./Maxim Integrated MAX5556ESA+TObsolete | Integrated Circuits (ICs) | IC DAC/AUDIO 16BIT 50K 8SOIC |
Analog Devices Inc./Maxim Integrated EVAL-FLTR-LD-1RZUnknown | Unclassified | EVAL BRD FOR AD800 SERIES |
Analog Devices Inc./Maxim Integrated | Development Boards Kits Programmers | BOARD EVAL FOR AD9963 |
Analog Devices Inc./Maxim Integrated LTC1296CCSW#TRUnknown | Integrated Circuits (ICs) | IC DATA ACQ SYS 12BIT 5V 20SOIC |
| Series | Category | # Parts | Status | Description |
|---|---|---|---|---|
MAX1997Quintuple/Triple-Output TFT LCD Power Supplies with Fault Protection and VCOM Buffer | Special Purpose Regulators | 2 | Active | The MAX1997/MAX1998 provide the voltages required for active-matrix, thin-film transistor liquid-crystal displays (TFT LCDs). Both combine a high-performance step-up regulator with two linear-regulator controllers, input protection switch control, and flexible sequence programming. The MAX1997 contains two additional linear-regulator controllers and a VCOM buffer. The MAX1997/MAX1998 can operate from input supplies of 2.7V to 5.5V and feature multiple levels of protection circuitry, making them complete power-supply systems for displays.The main DC-to-DC converter provides the regulated supply voltage for the display's source-driver ICs. The converter is a high-frequency (up to 1.5MHz) step-up regulator with an integrated 14V N-channel MOSFET that allows the use of ultra-small inductors and ceramic capacitors while achieving efficiencies over 85%. Its current-mode control architecture provides fast transient response to pulsed loads. Internal soft-start and cycle-by-cycle current limit help prevent input surge currents.The positive and negative linear-regulator controllers postregulate charge-pump outputs for TFT gate-on and gate-off supplies. The three outputs can be sequenced in any order by selecting the appropriate external components. Both linear-regulator controllers, as well as the step-up regulator, have supply-sequencing control inputs.The MAX1997 features a high-current backplane driver (VCOM). This buffer provides peak currents exceeding 300mA (typ) and requires only a 0.47µF output filter capacitor. The MAX1997's two additional linear-regulator controllers can be used to build the gamma reference voltage and a logic supply.The MAX1997/MAX1998 have a unique input switch control that can replace the typical input supply fuse. When a fault is detected, the regulator is disconnected from the input supply. The fault detector monitors all the regulated output voltages and the current from the input supply. In addition, the MAX1997/MAX1998 enter shutdown when the internal overtemperature threshold is reached.The MAX1997 is available in a 32-pin thin QFN package and the MAX1998 is available in a 20-pin thin QFN package. Both packages have a maximum thickness of 0.8mm suitable for ultra-thin LCD panels.ApplicationsCar-Navigation DisplaysLCD MonitorsNotebook Computer Displays |
| RF Mixers | 1 | LTB | ||
| RF Mixers | 1 | LTB | ||
| Voltage Regulators - Linear + Switching | 1 | Obsolete | ||
| Evaluation Boards | 1 | Obsolete | ||
| RF Mixers | 1 | Obsolete | ||
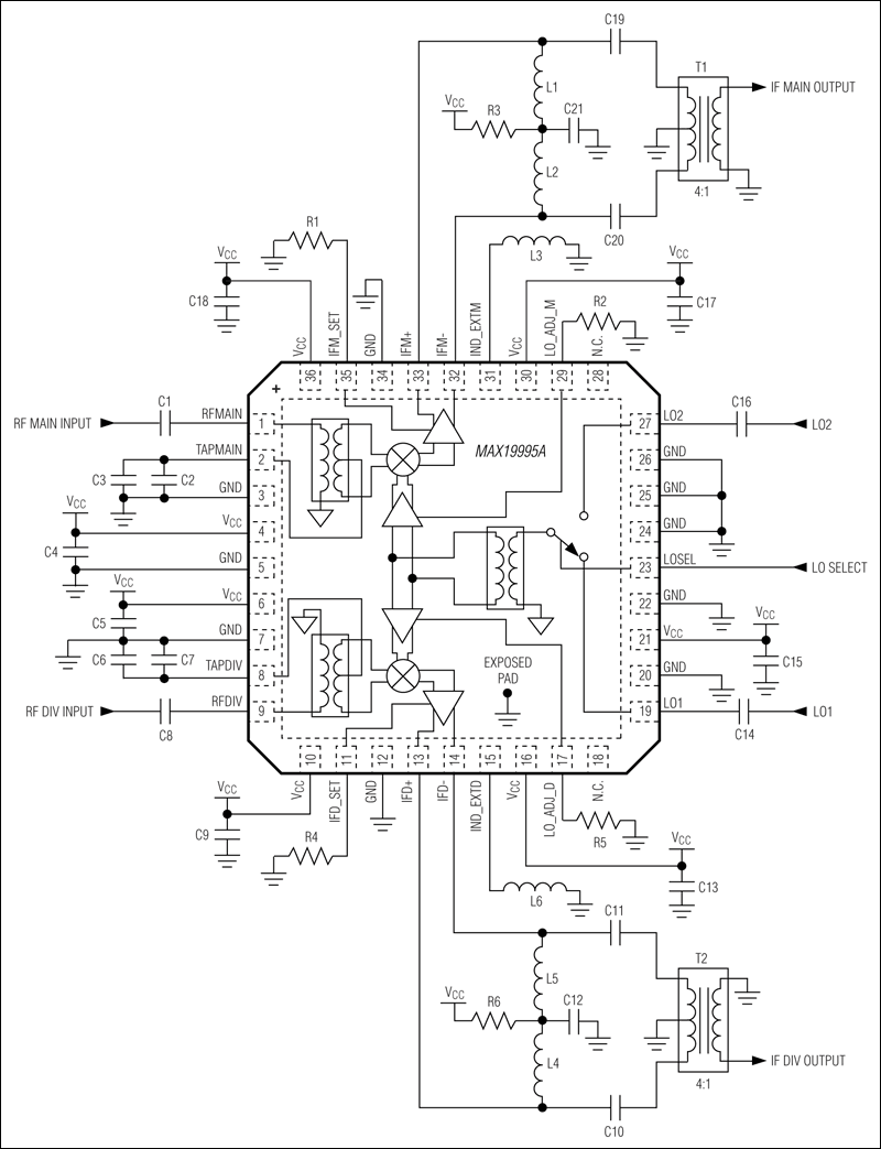
MAX19995ADual, SiGe, High-Linearity, 1700MHz to 2200MHz Downconversion Mixer with LO Buffer/Switch | RF and Wireless | 2 | Unknown | The MAX19995A dual-channel downconverter is designed to provide 8.7dB of conversion gain, +24.8dBm input IP3, +13.5dBm 1dB input compression point, and a noise figure of 9.2dB for 1700MHz to 2200MHz diversity receiver applications. With an optimized LO frequency range of 1750MHz to 2700MHz, this mixer is ideal for high-side LO injection architectures. Low-side LO injection is supported by the MAX19995, which is pin-pin and functionally compatible with the MAX19995A.In addition to offering excellent linearity and noise performance, the MAX19995A also yields a high level of component integration. This device includes two double-balanced passive mixer cores, two LO buffers, a dual-input LO selectable switch, and a pair of differential IF output amplifiers. Integrated on-chip baluns allow for single-ended RF and LO inputs. The MAX19995A requires a nominal LO drive of 0dBm and a typical supply current of 350mA at VCC= 5.0V, or 242mA at VCC= 3.3V.The MAX19995/MAX19995A are pin compatible with the MAX19985/MAX19985A series of 700MHz to 1000MHz mixers and pin similar to the MAX19997A/MAX19999 series of 1800MHz to 4000MHz mixers, making this entire family of downconverters ideal for applications where a common PCB layout is used across multiple frequency bands.The MAX19995A is available in a 6mm x 6mm, 36-pin thin QFN package with an exposed pad. Electrical performance is guaranteed over the extended temperature range (TC= -40°C to +85°C).Applicationscdma2000® Base StationsDCS1800/PCS1900 and GSM/EDGE Base StationsFixed Broadband Wireless AccessLTE/WiMAX™ Base StationsMilitary SystemsPrivate Mobile RadiosTD-SCDMA Base StationsUMTS/WCDMA Base StationsWireless Local Loop |
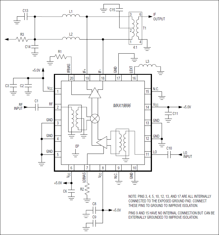
MAX19996SiGe, High-Linearity, High-Gain, 2000MHz to 3000MHz Downconversion Mixer with LO Buffer | RF Mixers | 3 | Active | The MAX19996 single, high-linearity downconversion mixer provides 8.7dB conversion gain, +24.5dBm IIP3, and 9.6dB noise figure for 2000MHz to 3000MHz WCS, LTE, WiMAX™, and MMDS wireless infrastructure applications. With an 1800MHz to 2550MHz LO frequency range, this particular mixer is ideal for low-side LO injection receiver architectures. High-side LO injection is supported by the MAX19996A, which is pin-for-pin and functionally compatible with the MAX19996.In addition to offering excellent linearity and noise performance, the MAX19996 also yields a high level of component integration. This device includes a double-balanced passive mixer core, an IF amplifier, and an LO buffer. On-chip baluns are also integrated to allow for singleended RF and LO inputs. The MAX19996 requires a nominal LO drive of 0dBm, and supply current is typically 230mA at VCC= +5.0V or 149.5mA at VCC= +3.3V.The MAX19996 is pin compatible with the MAX19996A 2300MHz to 3900MHz mixer. The device is also pin similar with the MAX9984/MAX9986 400MHz to 1000MHz mixers and the MAX9993/MAX9994/MAX9996 1700MHz to 2200MHz mixers, making this entire family of downconverters ideal for applications where a common PCB layout is used for multiple frequency bands.The MAX19996 is available in a compact 5mm x 5mm, 20-pin thin QFN lead-free package with an exposed pad. Electrical performance is guaranteed over the extended -40°C to +85°C temperature range.Applications2.3GHz WCS Base Stations2.5GHz WiMAX and LTE Base Stations2.7GHz MMDS Base StationsFixed Broadband Wireless AccessMilitary SystemsPrivate Mobile RadiosWireless Local Loop |
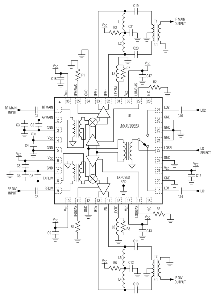
MAX19997Dual, SiGe High-Linearity, High-Gain, 1800MHz to 2900MHz Downconversion Mixer with LO Buffer/Switch | RF Mixers | 2 | Active | The MAX19997A dual downconversion mixer is a versatile, highly integrated diversity downconverter that provides high linearity and low noise figure for a multitude of 1800MHz to 2900MHz base-station applications. The MAX19997A fully supports both low- and high-side LO injection architectures for the 2300MHz to 2900MHz WiMAX™, LTE, WCS, and MMDS bands, providing 8.7dB gain, +24dBm input IP3, and 10.3dB NF in the low-side configuration, and 8.7dB gain, +24dBm input IP3, and 10.4dB NF in the high-side configuration. High-side LO injection architectures can be further extended down to 1800MHz with the addition of one tuning element (a shunt inductor) on each RF port.The device integrates baluns in the RF and LO ports, an LO buffer, two double-balanced mixers, and a pair of differential IF output amplifiers. The MAX19997A requires a typical LO drive of 0dBm and a supply current guaranteed below 420mA to achieve the targeted linearity performance.The MAX19997A is available in a compact 6mm x 6mm, 36-pin thin QFN lead-free package with an exposed pad. Electrical performance is guaranteed over the extended temperature range, from TC= -40°C to +100°C.Applications2.3GHz WCS Base Stations2.5GHz WiMAX and LTE Base Stations2.7GHz MMDS Base StationsFixed Broadband Wireless AccessMilitary SystemsPCS1900 and EDGE Base StationsPHS/PAS Base StationsPrivate Mobile RadiosUMTS/WCDMA and cdma2000® 3G Base StationsWireless Local Loop |
| Evaluation and Demonstration Boards and Kits | 10 | Active | ||