| Series | Category | # Parts | Status | Description |
|---|---|---|---|---|
MAX1750260V, 1A, Ultra-Small, High-Efficiency, Synchronous Step-Down DC-DC Converter | Evaluation Boards | 16 | Active | Create a design and simulate using EE-Sim®:MAX17502The MAX17502 high-efficiency, high-voltage, synchronous step-down DC-DC converter with integrated MOSFETs operates over a 4.5V to 60V input voltage range. This device is offered in a fixed 3.3V, 5V, or adjustable output voltage (0.9V to 92%VIN) while delivering up to 1A of current. The output voltage is accurate to within ±1.7% over -40°C to +125°C. The MAX17502 is available in compact TDFN and TSSOP packages. Simulation models are available.The device features peak-current-mode control with pulse-width modulation (PWM) and operates with fixed switching frequency at any load. The low-resistance, on-chip MOSFETs ensure high efficiency at full load and simplify the layout.A programmable soft-start feature allows users to reduce input inrush current. The device also incorporates an output enable/undervoltage lockout pin (EN/UVLO) that allows the user to turn on the part at the desired input-voltage level. An open-drain active-low RESET pin provides a delayed power-good signal to the system upon achieving successful regulation of the output voltage.ApplicationsBase Station, VOIP, TelecomBattery-Powered EquipmentGeneral-Purpose Point-of-LoadHome TheaterHVAC and Building ControlIndustrial Process Control |
| Power Management (PMIC) | 7 | Active | ||
| DC/DC & AC/DC (Off-Line) SMPS Evaluation Boards | 8 | Active | ||
| Power Management (PMIC) | 7 | Active | ||
MAX175064.5V–60V, 5A, High-Efficiency, Synchronous Step-Down DC-DC Converter with Internal Compensation | Evaluation Boards | 4 | Active | The MAX17506 high-efficiency, high-voltage, synchronous step-down DC-DC converter with integrated high-side MOSFET operates over a 4.5V to 60V input. The converter can deliver up to 5A and generates output voltages from 0.9V up to 0.9 x VIN. The feedback (FB) voltage is accurate to within ±1.4% over -40°C to 125°C.The MAX17506 uses peak current-mode control. The device can be operated in the pulse-width modulation (PWM), pulse-frequency modulation (PFM), and discontinuous conduction mode (DCM) control schemes.The device is available in a 20-pin (5mm x 5mm) Thin QFN (TQFN) package. Simulation models are available.ApplicationsBase Station Power SuppliesDistributed Supply RegulationGeneral-Purpose Point-of-LoadHigh-Voltage Single-Board SystemsIndustrial Power SuppliesWall Transformer Regulation |
| Integrated Circuits (ICs) | 1 | Obsolete | ||
MAX175094.5V–16V, Dual 3A, High-Efficiency, Synchronous Step-Down DC-DC Converter with Resistor Programmability | DC/DC & AC/DC (Off-Line) SMPS Evaluation Boards | 3 | Active | The MAX17509 integrates two 3A internal switch step-down regulators with programmable features. The device can be configured as two single-phase independent, 3A power supplies or as a dual-phase, single-output 6A power supply. The device operates from 4.5V to 16V input and generates independently adjustable output voltage in the ranges of 0.904V to 3.782V and 4.756V to 5.048V, with ±2% system accuracy.This device provides maximum flexibility to the end-user by allowing to choose multiple programmable options by connecting resistors to the configuration pins. Two key highlights of the device are the self-configured compensation for any output voltage and the ability to program the slew rate of LX switching nodes to mitigate noise concerns. In noise-sensitive applications, such as high-speed multi-gigabit transceivers in FPGAs, RF, and audio benefit from this unique slew rate control. SYNC input is provided for synchronized operation of multiple devices with system clocks.MAX17509 offers output overvoltage (OV) and undervoltage (UV) protection, as well as overcurrent (OC) and undercurrent (UC) protection with a selectable hiccup/latch option. It operates over the -40°C to +125°C temperature range, with thermal sensing and shutdown provided for overtemperature (OT) protection. The device is available in a 32-pin 5mm x 5mm TQFN package.ApplicationsBase Station Point-of-Load RegulatorFPGA and DSP Core PowerIndustrial Control EquipmentMultiple Point-of-Load (POL) Power Supplies |
MAX17510Low-Voltage DDR Linear Regulators | Power Management (PMIC) | 4 | Active | The MAX1510/MAX17510 DDR linear regulators source and sink up to 3A peak (typ) using internal n-channel MOSFETs. These linear regulators deliver an accurate 0.5V to 1.5V output from a low-voltage power input (VIN= 1.1V to 3.6V). The MAX1510/MAX17510 use a separate 3.3V bias supply to power the control circuitry and drive the internal n-channel MOSFETs.The MAX1510/MAX17510 provide current and thermal limits to prevent damage to the linear regulator. Additionally, the MAX1510/MAX17510 generate a power-good (PGOOD) signal to indicate that the output is in regulation. During startup, PGOOD remains low until the output is in regulation for 2ms (typ). The internal soft-start limits the input surge current.The MAX1510/MAX17510 power the active-DDR termination bus that requires a tracking input reference. The MAX1510/MAX17510 can also be used in low-power chipsets and graphics processor cores that require dynamically adjustable output voltages. The MAX1510/MAX17510 are available in a 10-pin, 3mm × 3mm thin DFN package.ApplicationsActive Termination BusesChipset/RAM Supplies as Low as 0.5VDDR Memory TerminationGraphics Processor Core SuppliesNotebook and Desktop Computers |
| Power Management (PMIC) | 4 | Active | ||
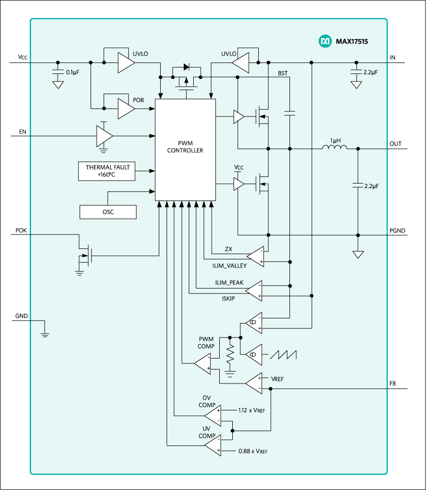
MAX175155A, 2.4V to 5.5V Input, High-Efficiency Power Module | Power Management (PMIC) | 3 | Obsolete | The MAX17515 is a fixed-frequency, step-down power module in a thermally efficient system-in-package (SiP) package that operates from a 2.4V to 5.5V input supply voltage and supports output currents up to 5A. The device includes switch-mode power-supply controller, dual n-channel MOSFET power switches, a fully shielded inductor, as well as compensation components. The device supports 0.75V to 3.6V programmable output voltage. The high level of integration significantly reduces design complexity, manufacturing risks, and offers a true "plug-and-play" power-supply solution, reducing the time to market.The device operates at a fixed 1MHz that requires smaller input and output capacitor size. The internal fixed constant gain at the error-amplifier output results in output-voltage positioning with respect to the load current. The fixed internal digital soft-start limits the input inrush current at startup. The device also operates in pulse-skipping mode at light loads to improve the light-load efficiency.The MAX17515 is available in a thermally enhanced, compact 28-pin, 10mm × 6.5mm x 2.8mm SiP package and can operate over the -40°C to +85°C industrial temperature range.ApplicationsATE EquipmentBase Station Point-of-Load RegulatorFPGA and DSP Point-of-Load RegulatorIndustrial Control EquipmentMedical EquipmentServers |
| Part | Category | Description |
|---|---|---|
Analog Devices Inc./Maxim Integrated LTC1879EGN#TRUnknown | Integrated Circuits (ICs) | IC REG BUCK ADJ 1.2A 16SSOP |
Analog Devices Inc./Maxim Integrated LTC2208CUP#TRUnknown | Integrated Circuits (ICs) | IC ADC 16BIT 130MSPS 64-QFN |
Analog Devices Inc./Maxim Integrated ADP2108ACBZ-1.1-R7Obsolete | Integrated Circuits (ICs) | IC REG BUCK 1.1V 600MA 5WLCSP |
Analog Devices Inc./Maxim Integrated EV1HMC832ALP6GObsolete | Development Boards Kits Programmers | EVAL BOARD FOR HMC832ALP6GE |
Analog Devices Inc./Maxim Integrated LTC488ISWUnknown | Integrated Circuits (ICs) | IC LINE RCVR RS485 QUAD 16-SOIC |
Analog Devices Inc./Maxim Integrated LTC6946IUFD-2Obsolete | Integrated Circuits (ICs) | IC CLK/FREQ SYNTH 28QFN |
Analog Devices Inc./Maxim Integrated MAX5556ESA+TObsolete | Integrated Circuits (ICs) | IC DAC/AUDIO 16BIT 50K 8SOIC |
Analog Devices Inc./Maxim Integrated EVAL-FLTR-LD-1RZUnknown | Unclassified | EVAL BRD FOR AD800 SERIES |
Analog Devices Inc./Maxim Integrated | Development Boards Kits Programmers | BOARD EVAL FOR AD9963 |
Analog Devices Inc./Maxim Integrated LTC1296CCSW#TRUnknown | Integrated Circuits (ICs) | IC DATA ACQ SYS 12BIT 5V 20SOIC |