A
Analog Devices Inc./Maxim Integrated
| Series | Category | # Parts | Status | Description |
|---|---|---|---|---|
| Part | Spec A | Spec B | Spec C | Spec D | Description |
|---|---|---|---|---|---|
| Series | Category | # Parts | Status | Description |
|---|---|---|---|---|
| Part | Spec A | Spec B | Spec C | Spec D | Description |
|---|---|---|---|---|---|
| Part | Category | Description |
|---|---|---|
Analog Devices Inc./Maxim Integrated LTC1879EGN#TRUnknown | Integrated Circuits (ICs) | IC REG BUCK ADJ 1.2A 16SSOP |
Analog Devices Inc./Maxim Integrated LTC2208CUP#TRUnknown | Integrated Circuits (ICs) | IC ADC 16BIT 130MSPS 64-QFN |
Analog Devices Inc./Maxim Integrated ADP2108ACBZ-1.1-R7Obsolete | Integrated Circuits (ICs) | IC REG BUCK 1.1V 600MA 5WLCSP |
Analog Devices Inc./Maxim Integrated EV1HMC832ALP6GObsolete | Development Boards Kits Programmers | EVAL BOARD FOR HMC832ALP6GE |
Analog Devices Inc./Maxim Integrated LTC488ISWUnknown | Integrated Circuits (ICs) | IC LINE RCVR RS485 QUAD 16-SOIC |
Analog Devices Inc./Maxim Integrated LTC6946IUFD-2Obsolete | Integrated Circuits (ICs) | IC CLK/FREQ SYNTH 28QFN |
Analog Devices Inc./Maxim Integrated MAX5556ESA+TObsolete | Integrated Circuits (ICs) | IC DAC/AUDIO 16BIT 50K 8SOIC |
Analog Devices Inc./Maxim Integrated EVAL-FLTR-LD-1RZUnknown | Unclassified | EVAL BRD FOR AD800 SERIES |
Analog Devices Inc./Maxim Integrated | Development Boards Kits Programmers | BOARD EVAL FOR AD9963 |
Analog Devices Inc./Maxim Integrated LTC1296CCSW#TRUnknown | Integrated Circuits (ICs) | IC DATA ACQ SYS 12BIT 5V 20SOIC |
| Series | Category | # Parts | Status | Description |
|---|---|---|---|---|
| Power Management (PMIC) | 1 | Obsolete | ||
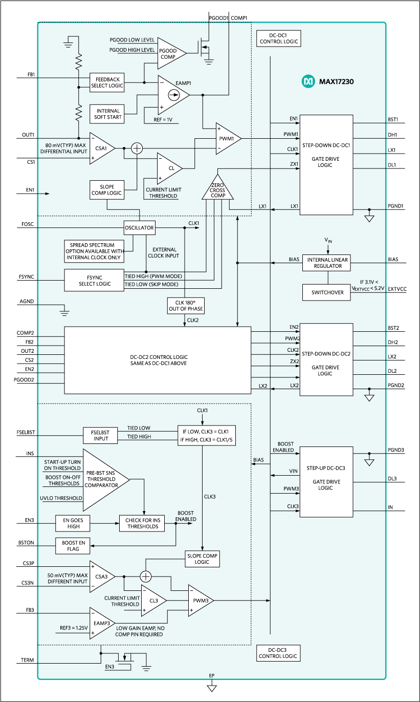
MAX172312V–36V, Synchronous Dual Buck Controller with Integrated Boost and 20μA Quiescent Current | DC DC Switching Controllers | 2 | Active | The MAX17230/MAX17231 offers dual synchronous stepdown DC-DC controllers with integrated MOSFETs and a step-up/boost controller. They operate over a 3.5V to 36V input voltage range, and down to 2V with the boost controller active. The devices can operate in dropout condition by running at 95% duty cycle. The controllers can generate fixed output voltages of 3.3V/5V, along with the capability to program the output voltage between 1V to 10V.These devices use current-mode-control architecture and can be operated in the pulse-width modulation (PWM) or pulse-frequency modulation (PFM) control schemes. PWM operation provides constant frequency operation at all loads and is useful in applications sensitive to switching frequency. PFM operation disables negative inductor current and additionally skips pulses at light loads for high-efficiency. The low-resistance, on-chip MOSFETs ensure high efficiency at full load and simplify the layout.The MAX17230/MAX17231 include a boost controller. This boost circuitry turns on during low input voltage conditions. It is designed to power step-down controller channels with input voltages as low as 2V.These devices are available in a 40-pin TQFN package with exposed pad, and are specified for operation over -40°C to +85°C.ApplicationsDistributed Supply RegulationGeneral-Purpose Point-of-LoadWall Transformer Regulation |
| Power Management (PMIC) | 4 | Active | ||
MAX172333.5V–36V, 2.2MHz, Synchronous Dual Buck Controller with 20μA Quiescent Current | Evaluation Boards | 5 | Active | The MAX17232/MAX17233 offers dual synchronous step-down DC-DC controllers with integrated MOSFETs. They operates over a 3.5V to 36V input voltage range with 42V input transient protection, and can operate in dropout condition by running at 95% duty cycle. The controllers can generate fixed output voltages of 3.3V/5V, along with the capability to program the output voltage between 1V to 10V.These devices use a current-mode-control architecture.The devices can be operated in pulse-width modulation (PWM) or pulse-frequency modulation (PFM) control schemes. PWM operation provides constant frequency operation at all loads, and is useful in applications sensitive to switching frequency. PFM operation disables negative inductor current and additionally skips pulses at light loads for high efficiency. The low-resistance, on-chip MOSFETs ensure high efficiency at full load and simplify the layout.The devices are available in a 28-pin TQFN-EP package with exposed pad, and are specified for operation over -40°C to +85°C.ApplicationsDistributed Supply RegulationGeneral-Purpose Point-of-LoadWall Transformer Regulation |
| DC/DC & AC/DC (Off-Line) SMPS Evaluation Boards | 12 | Active | ||
| DC/DC & AC/DC (Off-Line) SMPS Evaluation Boards | 5 | Active | ||
MAX172433.5V–36V, 2A/3A, Synchronous Buck Converter with 15µA Quiescent Current and Reduced EMI | Development Boards, Kits, Programmers | 5 | Active | The MAX17242/MAX17243 high-efficiency, synchronous step-down DC-DC converters with integrated MOSFETs operates over a 3.5V to 36V input voltage range, and can operate in drop-out condition by running at 99% duty cycle. The converters deliver up to 2A (MAX17242) and 3A (MAX17243) output current and generate fixed output voltages of 3.3V/5V, along with the ability to program the output voltage between 1V to 10V.The devices use a current-mode-control architecture and can be operated in the pulse-width modulation (PWM) or pulse-frequency modulation (PFM) control schemes. PWM operation provides constant frequency operation at all loads, and is useful in applications sensitive to switching frequency. PFM operation disables negative inductor current and additionally skips pulses at light loads for high-efficiency operation. The low-resistance, on-chip MOSFETs ensure high efficiency at full load and simplify the layout.The devices are available in a compact 20-pin (5mm x 5mm) TQFN package with exposed pad. These parts are rated for -40°C to +85°C operation.Design Solution: Online Simulator Validates Buck Converter Output Error Budget Analysis ›ApplicationsDistributed Supply RegulationGeneral-Purpose Point-of-LoadWall Transformer Regulation |
MAX172443.5V–36V, 2.5A, Synchronous Buck Converter With 28μA Quiescent Current and Reduced EMI | Development Boards, Kits, Programmers | 9 | Active | The MAX17244 high-efficiency, synchronous step-down DC-DC converter with integrated MOSFETs operates over a 3.5V to 36V input voltage range with 42V input transient protection. The device can operate in dropout condition by running at 98% duty cycle. This converter delivers up to 2.5A and generates fixed output voltages of 3.3V/5V, along with the ability to program the output voltage between 1V to 10V.The MAX17244 uses a current-mode control architecture. The device can operate in the pulse-width modulation (PWM) or pulse-frequency modulation (PFM) control schemes. PWM operation provides constant frequency operation at all loads, and is useful in applications sensitive to switching frequency. PFM operation disables negative inductor current and additionally skips pulses at light loads for high efficiency. Under light-load applications, the external sync pin FSYNC logic input allows the device to operate either in PFM mode for reduced current consumption or fixed-frequency FPWM (forced-PWM) mode to eliminate frequency variation to minimize EMI. Fixed-frequency FPWM mode is extremely useful for power supplies designed for RF transceivers where tight emission control is necessary.This device is available in a compact 16-pin (5mm x 5mm) TQFN package with exposed pad and 16-pin TSSOP. -40°C to +85°C operation.ApplicationsDistributed Supply RegulationGeneral-Purpose Point-of-LoadWall Transformer Regulation |
| Evaluation Boards | 9 | Active | ||
| Integrated Circuits (ICs) | 2 | Active | ||