MAX14890Incremental Encoder Interface for RS-422, HTL, and TTL with Digital Inputs | Evaluation Boards | 3 | Active | The MAX14890E incremental encoder receiver contains four differential receivers and two single-ended receivers.The differential receivers can be operated in RS-422 or differential high-threshold logic (HTL) modes and are optionally configurable for single-ended TTL/HTL operation. The MAX14890E features a wide common mode input range of -20V to +20V in RS-422 mode.The auxiliary IEC 61131-2 Type-1/Type-3 digital inputs are designed for operation with switches or proximity sensors and can be individually configured for TTL operation.All receiver input signals are fault protected to voltage shorts in the ±40V range. Per channel fault detection provides warning of irregular conditions such as small differential signals, shorts, opens, overvoltages, and undervoltages.The MAX14890E features a pin-selectable SPI or parallel-logic interface. SPI control provides detailed diagnostics and individual configurations for receivers.The MAX14890E is available in a 32-pin TQFN-EP (5mm x 5mm) and operates over the -40°C to +125°C temperature range.ApplicationsEncoder InterfacesMotor ControllersPulse CountersServo Control Commutation |
| Drivers, Receivers, Transceivers | 2 | Active | |
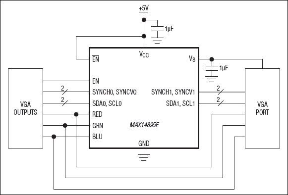
| Mixed Technology | 2 | Unknown | The MAX14895E integrates level-translating buffers and features RED, GRN, and BLU (RGB) port protection for VGA signals.The device has horizontal sync (SYNCH_) and vertical synch (SYNCV_) translating buffers that convert low-level CMOS inputs from a graphics controller to meet full 5V, TTL-compatible outputs. Each output can drive ±10mA and meets the VESASMspecification. In addition, the device translates the direct digital control (DDC) signals to a lower level that is safe for the graphics controller.The device features both EN and active-low EN inputs, accepting active-high or active-low enable inputs. The device also switches and current limits the 5V supply to a VGA connector or monitor.The RED, GRN, and BLU terminals protect graphics controller outputs against electrostatic discharge (ESD) events. All eight outputs and active-low EN have high-level ESD protection.The MAX14895E is specified over the extended -40°C to +85°C temperature range and is available in a 16-pin, 3mm x 3mm TQFN package with exposed pad.ApplicationsDesktopsGraphics CardsNotebook ComputersServers |
| Integrated Circuits (ICs) | 3 | Active | |
MAX1493.5- and 4.5-Digit, Single-Chip ADCs with LED Drivers and µC Interface | ADCs/DACs - Special Purpose | 67 | Active | The MAX148/MAX149 10-bit data-acquisition systems combine an 8-channel multiplexer, high-bandwidth track/hold, and serial interface with high conversion speed and low power consumption. They operate from a single +2.7V to +5.25V supply, and sample to 133ksps. Both devices’ analog inputs are software configurable for unipolar/bipolar and single-ended/differential operation.The 4-wire serial interface connects directly to SPI/QSPI™ and MICROWIRE™ devices without external logic. A serial-strobe output allows direct connection to TMS320-family digital signal processors. The MAX148/MAX149 use either the internal clock or an external serial-interface clock to perform successive-approximation analog-to-digital conversions.The MAX149 has an internal 2.5V reference, while the MAX148 requires an external reference. Both parts have a reference-buffer amplifier with a ±1.5% voltage-adjustment range.These devices provide a hard-wired active-low SHDN pin and a software-selectable power-down, and can be programmed to automatically shut down at the end of a conversion. Accessing the serial interface automatically powers up the MAX148/MAX149, and the quick turn-on time allows them to be shut down between all conversions. This technique can cut supply current to under 60µA at reduced sampling rates.The MAX148/MAX149 are available in 20-pin PDIP and 20-pin SSOP packages.For 4-channel versions of these devices, see the MAX1248/MAX1249 data sheet.ApplicationsBattery-Powered InstrumentsData AcquisitionMedical InstrumentsPen DigitizersPortable Data LoggingProcess Control |
MAX1490±15kV ESD-Protected, Isolated RS-485/RS-422 Data Interfaces | Drivers, Receivers, Transceivers | 10 | Active | The MAX1480EA/MAX1480EC/MAX1490EA/MAX1490EB are complete, electrically isolated, RS-485/RS-422 data communications interface solutions in a hybrid microcircuit. The RS-485/RS-422 I/O pins are protected against ±15kV electrostatic discharge (ESD) shocks, without latchup. Transceivers, optocouplers, and a transformer provide a complete interface in a standard DIP package. A single +5V supply on the logic side powers both sides of the interface.The MAX1480EC/MAX1490EB feature reduced-slew-rate drivers that minimize EMI and reduce reflections caused by improperly terminated cables, allowing error-free data transmission at data rates up to 160kbps. The MAX1480EA/MAX1490EA driver slew rate is not limited, allowing transmission rates up to 2.5Mbps. The MAX1480EA/MAX1480EC are designed for half-duplex communication, while the MAX1490EA/MAX1490EB feature full-duplex communication.Drivers are short-circuit current limited and protected against excessive power dissipation by thermal shutdown circuitry that places the driver outputs into a high-impedance state. The receiver input has a fail-safe feature that guarantees a known output (RO low for the MAX1480EA/MAX1480EC, active-low RO high for the MAX1490EA/ MAX1490EB) if the input is open circuit.The MAX1480EA/MAX1480EC/MAX1490EA/MAX1490EB withstand 1260VRMS(1min) or 1520VRMS(1s). Their isolated outputs meet all RS-485/RS-422 specifications. The MAX1480EA/MAX1480EC are available in a 28-pin DIP package, and the MAX1490EA/MAX1490EB are available in a 24-pin DIP package.ApplicationsAutomated Test Equipment (ATE)HVAC/Building Control NetworksIndustrial Control Local Area NetworksIsolated RS-485/RS-422 Data InterfaceTelecomTransceivers for EMI-Sensitive Applications |
| Full, Half-Bridge (H Bridge) Drivers | 6 | Active | |
MAX14900EOctal, High-Speed, Industrial, High-Side Switch | Integrated Circuits (ICs) | 2 | Unknown | The MAX14900E is an octal power switch that features per-channel configuration for high-side or push-pull operation. Low propagation delay, high-rate load-switching makes the device suitable for next-generation highspeed PLC systems. Each high-side switch sources 850mA continuous current with a low 165mΩ (max) on-resistance at 500mA at TA= +125°C. The high-side switches feature 2μs (max) input-to-output propagation delay when driving resistive loads. Long cables can be driven with switching rates of up to 100kHz for PWM/PPO control in push-pull operation. Multiple high-side switches can be connected in parallel to achieve higher drive currents. The device features a wide supply input range of 10V to 36V.The MAX14900E is configured, monitored, and driven by an SPI and/or parallel interface. In parallel mode, eight logic inputs directly control the outputs and the serial interface can be used for configuration/monitoring. Serial mode utilizes the serial interface for both setting and configuration, and features CRC error detection to ensure robust SPI communication.Current limiting and per-channel thermal shutdown protect each switch/driver. The device features a global diagnostics output as well as per-channel diagnostics and monitoring through the serial interface.The MAX14900E is available in a 48-pin (7mm x 7mm) QFN-EP or standard 48-pin TQFN-EP package, and is specified over the -40°C to +125°C temperature range.ApplicationsHigh-Density Digital Output ModulesMotor ControllersProgrammable Logic ControllersPWM/PPO Control |
| Integrated Circuits (ICs) | 3 | Active | |
MAX1490EB±15kV ESD-Protected, Isolated RS-485/RS-422 Data Interfaces | Drivers, Receivers, Transceivers | 1 | Active | The MAX1480EA/MAX1480EC/MAX1490EA/MAX1490EB are complete, electrically isolated, RS-485/RS-422 data communications interface solutions in a hybrid microcircuit. The RS-485/RS-422 I/O pins are protected against ±15kV electrostatic discharge (ESD) shocks, without latchup. Transceivers, optocouplers, and a transformer provide a complete interface in a standard DIP package. A single +5V supply on the logic side powers both sides of the interface.The MAX1480EC/MAX1490EB feature reduced-slew-rate drivers that minimize EMI and reduce reflections caused by improperly terminated cables, allowing error-free data transmission at data rates up to 160kbps. The MAX1480EA/MAX1490EA driver slew rate is not limited, allowing transmission rates up to 2.5Mbps. The MAX1480EA/MAX1480EC are designed for half-duplex communication, while the MAX1490EA/MAX1490EB feature full-duplex communication.Drivers are short-circuit current limited and protected against excessive power dissipation by thermal shutdown circuitry that places the driver outputs into a high-impedance state. The receiver input has a fail-safe feature that guarantees a known output (RO low for the MAX1480EA/MAX1480EC, active-low RO high for the MAX1490EA/ MAX1490EB) if the input is open circuit.The MAX1480EA/MAX1480EC/MAX1490EA/MAX1490EB withstand 1260VRMS(1min) or 1520VRMS(1s). Their isolated outputs meet all RS-485/RS-422 specifications. The MAX1480EA/MAX1480EC are available in a 28-pin DIP package, and the MAX1490EA/MAX1490EB are available in a 24-pin DIP package.ApplicationsAutomated Test Equipment (ATE)HVAC/Building Control NetworksIndustrial Control Local Area NetworksIsolated RS-485/RS-422 Data InterfaceTelecomTransceivers for EMI-Sensitive Applications |