A
Analog Devices Inc./Maxim Integrated
| Series | Category | # Parts | Status | Description |
|---|---|---|---|---|
| Part | Spec A | Spec B | Spec C | Spec D | Description |
|---|---|---|---|---|---|
| Series | Category | # Parts | Status | Description |
|---|---|---|---|---|
| Part | Spec A | Spec B | Spec C | Spec D | Description |
|---|---|---|---|---|---|
| Part | Category | Description |
|---|---|---|
Analog Devices Inc./Maxim Integrated LTC1879EGN#TRUnknown | Integrated Circuits (ICs) | IC REG BUCK ADJ 1.2A 16SSOP |
Analog Devices Inc./Maxim Integrated LTC2208CUP#TRUnknown | Integrated Circuits (ICs) | IC ADC 16BIT 130MSPS 64-QFN |
Analog Devices Inc./Maxim Integrated ADP2108ACBZ-1.1-R7Obsolete | Integrated Circuits (ICs) | IC REG BUCK 1.1V 600MA 5WLCSP |
Analog Devices Inc./Maxim Integrated EV1HMC832ALP6GObsolete | Development Boards Kits Programmers | EVAL BOARD FOR HMC832ALP6GE |
Analog Devices Inc./Maxim Integrated LTC488ISWUnknown | Integrated Circuits (ICs) | IC LINE RCVR RS485 QUAD 16-SOIC |
Analog Devices Inc./Maxim Integrated LTC6946IUFD-2Obsolete | Integrated Circuits (ICs) | IC CLK/FREQ SYNTH 28QFN |
Analog Devices Inc./Maxim Integrated MAX5556ESA+TObsolete | Integrated Circuits (ICs) | IC DAC/AUDIO 16BIT 50K 8SOIC |
Analog Devices Inc./Maxim Integrated EVAL-FLTR-LD-1RZUnknown | Unclassified | EVAL BRD FOR AD800 SERIES |
Analog Devices Inc./Maxim Integrated | Development Boards Kits Programmers | BOARD EVAL FOR AD9963 |
Analog Devices Inc./Maxim Integrated LTC1296CCSW#TRUnknown | Integrated Circuits (ICs) | IC DATA ACQ SYS 12BIT 5V 20SOIC |
| Series | Category | # Parts | Status | Description |
|---|---|---|---|---|
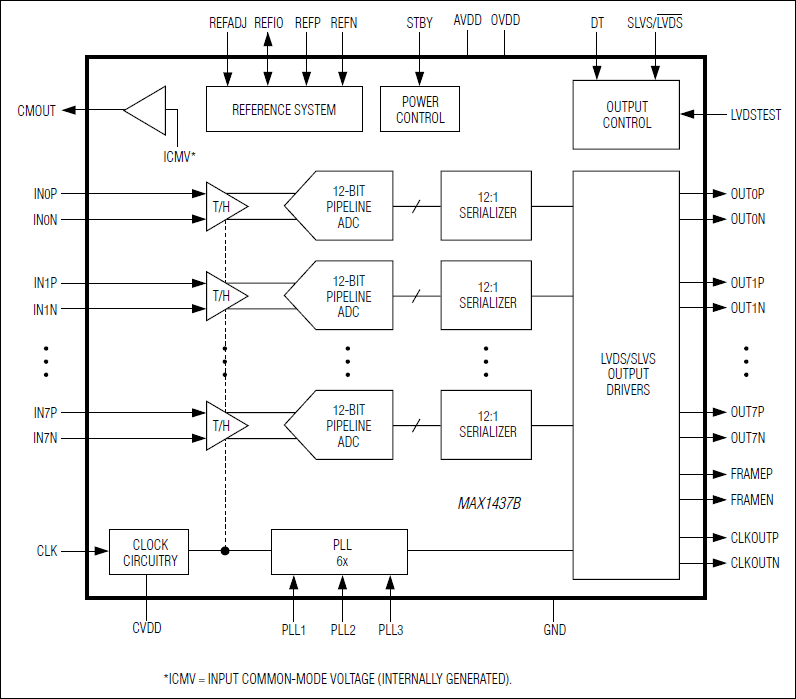
MAX1437BOctal, 12-Bit, 50Msps, 1.8V ADC with Serial LVDS Outputs | Data Acquisition | 1 | Unknown | The MAX1437B octal, 12-bit analog-to-digital converter (ADC) features fully differential inputs, a pipelined architecture, and digital error correction incorporating a fully differential signal path. This ADC is optimized for low-power and high-dynamic performance in medical imaging instrumentation and digital communications applications. The MAX1437B operates from a 1.8V single supply and consumes only 768mW (96mW per channel) while delivering a 70.2dB (typ) signal-to-noise ratio (SNR) at a 5.3MHz input frequency. In addition to low operating power, the MAX1437B features a low-power standby mode for idle periods.An internal 1.24V precision bandgap reference sets the full-scale range of the ADC. A flexible reference structure allows the use of an external reference for applications requiring increased accuracy or a different input voltage range. The reference architecture is optimized for low noise.A single-ended clock controls the data-conversion process. An internal duty-cycle equalizer compensates for wide variations in clock duty cycle. An on-chip phase-locked loop (PLL) generates the high-speed serial low-voltage differential signal (LVDS) clock.The MAX1437B has self-aligned serial LVDS outputs for data, clock, and frame-alignment signals. The output data is presented in two's complement format.The MAX1437B offers a maximum sample rate of 50Msps. This device is available in a small, 10mm x 10mm x 0.8mm, 68-pin TQFN package with exposed pad and is specified for the extended industrial (-40°C to +85°C) temperature range.ApplicationsInstrumentationMultichannel CommunicationsUltrasound and Medical Imaging |
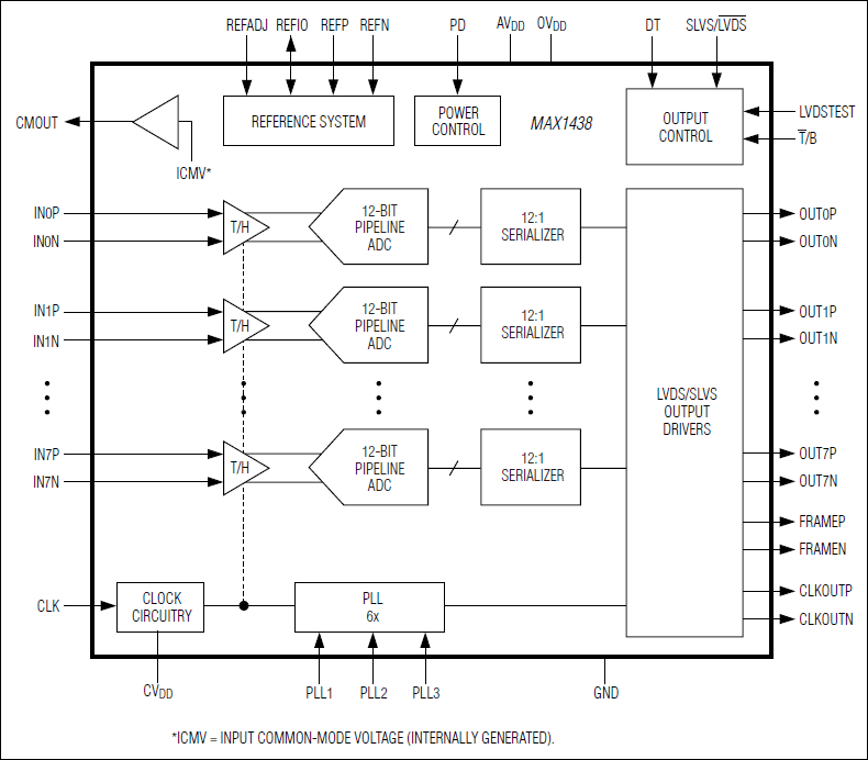
MAX1438Octal, 12-Bit, 64Msps, 1.8V ADC with Serial LVDS Outputs | Analog to Digital Converters (ADC) | 4 | Active | The MAX1438 octal, 12-bit analog-to-digital converter (ADC) features fully differential inputs, a pipelined architecture, and digital error correction incorporating a fully differential signal path. This ADC is optimized for low-power and high-dynamic performance in medical imaging instrumentation and digital communications applications. The MAX1438 operates from a 1.8V single supply and consumes only 913mW (114mW per channel) while delivering a 69.9dB (typ) signal-to-noise ratio (SNR) at a 5.3MHz input frequency. In addition to low operating power, the MAX1438 features a power-down mode for idle periods.An internal 1.24V precision bandgap reference sets the full-scale range of the ADC. A flexible reference structure allows the use of an external reference for applications requiring increased accuracy or a different input voltage range. The reference architecture is optimized for low noise.A single-ended clock controls the data-conversion process. An internal duty-cycle equalizer compensates for wide variations in clock duty cycle. An on-chip PLL generates the high-speed serial low-voltage differential signal (LVDS) clock.The MAX1438 has self-aligned serial LVDS outputs for data, clock, and frame-alignment signals. The output data is presented in two's complement or binary format.The MAX1438 offers a maximum sample rate of 65Msps. See thePin-Compatible Versionstable in the full data sheet for lower-speed versions. This device is available in a small, 14mm x 14mm x 1mm, 100-pin TQFP package with exposed pad and is specified for the extended industrial (-40°C to +85°C) temperature range.ApplicationsInstrumentationMultichannel CommunicationsUltrasound and Medical Imaging |
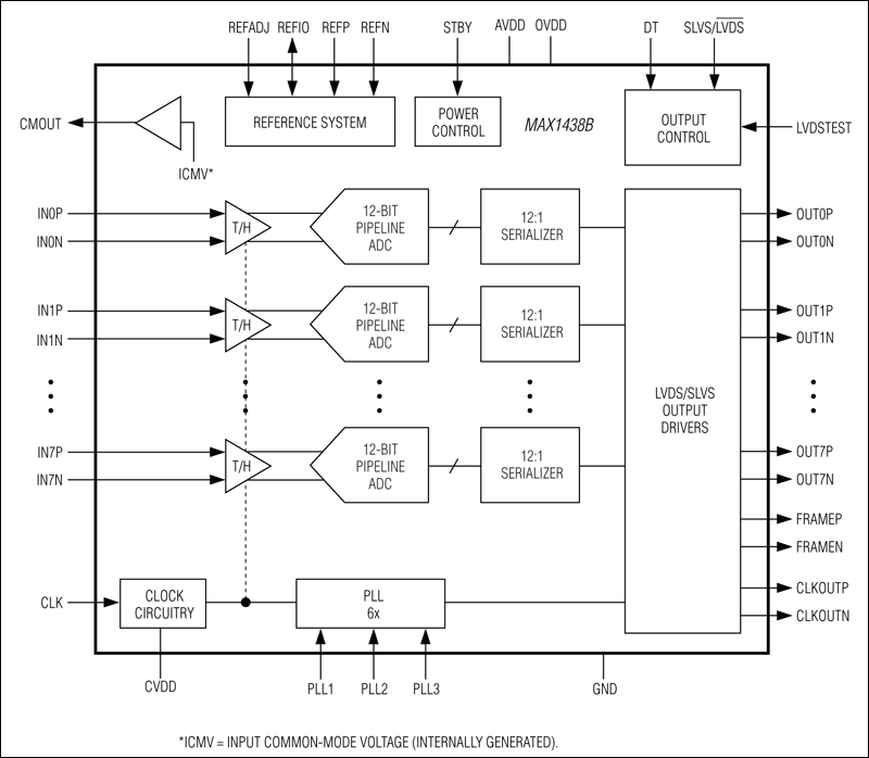
MAX1438BOctal, 12-Bit, 64Msps, 1.8V ADC with Serial LVDS Outputs | Integrated Circuits (ICs) | 1 | Active | The MAX1438B octal, 12-bit analog-to-digital converter (ADC) features fully differential inputs, a pipelined architecture, and digital error correction incorporating a fully differential signal path. This ADC is optimized for low-power and high-dynamic performance in medical imaging instrumentation and digital communications applications. The MAX1438B operates from a 1.8V single supply and consumes only 913mW (114mW per channel) while delivering a 69.9dB (typ) signal-to-noise ratio (SNR) at a 5.3MHz input frequency. In addition to low operating power, the MAX1438B features a low-power standby mode for idle periods.An internal 1.24V precision bandgap reference sets the full-scale range of the ADC. A flexible reference structure allows the use of an external reference for applications requiring increased accuracy or a different input voltage range. The reference architecture is optimized for low noise.A single-ended clock controls the data-conversion process. An internal duty-cycle equalizer compensates for wide variations in clock duty cycle. An on-chip phase-locked loop (PLL) generates the high-speed serial low-voltage differential signal (LVDS) clock.The MAX1438B has self-aligned serial LVDS outputs for data, clock, and frame-alignment signals. The output data is presented in two's-complement format.The MAX1438B offers a maximum sample rate of 64Msps. This device is available in a small, 10mm x 10mm x 0.8mm, 68-pin thin QFN package with exposed pad and is specified for the extended industrial (-40°C to +85°C) temperature range.ApplicationsInstrumentationMultichannel CommunicationsUltrasound and Medical Imaging |
| Analog to Digital Converters (ADCs) Evaluation Boards | 20 | Active | ||
| Sensor and Detector Interfaces | 2 | Obsolete | ||
| Isolators | 4 | Active | ||
| Isolators | 4 | Active | ||
| Digital Isolators | 3 | Active | ||
| Evaluation Boards | 5 | Active | ||
| Evaluation and Demonstration Boards and Kits | 3 | Active | ||