MAX1402+5V, 18-Bit, Low-Power, Multichannel, Oversampling (Sigma-Delta) ADC | Analog to Digital Converters (ADCs) Evaluation Boards | 5 | Active | The MAX1402 low-power, multichannel, serial-output analog-to-digital converter (ADC) features matched 200µA current sources for sensor excitation. This ADC uses a sigma-delta modulator with a digital decimation filter to achieve 16-bit accuracy. The digital filter’s user-selectable decimation factor allows the conversion resolution to be reduced in exchange for a higher output data rate. True 16-bit performance is achieved at an output data rate of up to 480sps. In addition, the modulator sampling frequency may be optimized for either lowest power dissipation or highest throughput rate. The MAX1402 operates from a +5V supply.This device offers three fully differential input channels that may be independently programmed with a gain between +1V/V and +128V/V. Furthermore, it can compensate an input-referred DC offset up to 117% of the selected full-scale range. These three differential channels may also be configured to operate as five pseudo-differential input channels. Two additional, fully differential system-calibration channels are provided for gain and offset error correction.The MAX1402 may be configured to sequentially scan all signal inputs and provide the results via the serial interface with minimum communications overhead. When used with a 2.4576MHz or 1.024MHz master clock, the digital decimation filter can be programmed to produce zeros in its frequency response at the line frequency and associated harmonics, ensuring excellent line rejection without the need for further post-filtering.The MAX1402 is available in a 28-pin SSOP package.ApplicationsLoop-Powered SystemsPortable Industrial InstrumentsPortable Weight ScalesPressure Sensors and Transducers |
MAX1403+3V, 18-Bit, Low-Power, Multichannel, Oversampling (Sigma-Delta) ADC | Development Boards, Kits, Programmers | 5 | Active | The MAX1403 18-bit, low-power, multichannel, serial-output analog-to-digital converter (ADC) features matched 200µA current sources for sensor excitation. This ADC uses a sigma-delta modulator with a digital decimation filter to achieve 16-bit accuracy. The digital filter's user-selectable decimation factor allows the conversion resolution to be reduced in exchange for a higher output data rate. True 16-bit performance is achieved at an output data rate of up to 480sps. In addition, the modulator sampling frequency may be optimized for either lowest power dissipation or highest throughput rate. The MAX1403 operates from +3V.This device offers three fully differential input channels that may be independently programmed with a gain between +1V/V and +128V/V. Furthermore, it can compensate an input-referred DC offset up to 117% of the selected full-scale range. These three differential channels may also be configured to operate as five pseudo-differential input channels. Two additional, fully differential system-calibration channels are provided for gain and offset error correction.The MAX1403 can be configured to sequentially scan all signal inputs and provide the results via the serial interface with minimum communications overhead. When used with a 2.4576MHz or 1.024MHz master clock, the digital decimation filter can be programmed to produce zeros in its frequency response at the line frequency and associated harmonics, ensuring excellent line rejection without the need for further postfiltering.The MAX1403 is available in a 28-pin SSOP package.ApplicationsLoop-Powered SystemsPortable Industrial InstrumentsPortable Weight ScalesPressure Sensors and Transducers |
MAX1406±15kV ESD-Protected, EMC Compliant, 230kbps, 3 Tx/3 Rx RS-232 IC | Integrated Circuits (ICs) | 14 | Active | The MAX1406 is an RS-232 IC designed to meet the stringent electrostatic discharge (ESD) requirements of the European community. All transmitter outputs and receiver inputs are protected to ±15kV using IEC 1000-4-2 Air-Gap Discharge, ±8kV using IEC 1000-4-2 Contact Discharge, and ±15kV using the Human Body Model.The MAX1406 has three RS-232 transmitters and three RS-232 receivers, and is optimized for operation in printer, modem, and telecom applications. It is guaranteed to run at data rates up to 230kbps, providing compatibility with popular software for communicating with personal computers. Power-supply current is less than 500µA for IDDand ISS, and less than 1mA for ICC.The MAX1406 is pin and functionally compatible with the industry-standard MC145406, so existing designs can instantly become Electromagnetic Compatibility (EMC) compliant. The MAX1406 is available in DIP and SO packages, and in a tiny SSOP that reduces board space.ApplicationsEquipment Meeting IEC 1000-4-2InstrumentsModemsPrintersTelecommunications |
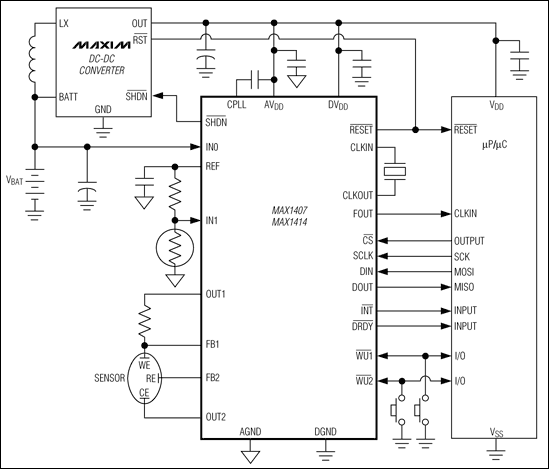
MAX1407Low-Power, 16-Bit Multichannel DAS with Internal Reference, 10-Bit DACs, and RTC | Data Acquisition | 1 | Active | The MAX1407/MAX1408/MAX1409/MAX1414 are low-power, general-purpose, multichannel data-acquisition systems (DAS). These devices are optimized for low-power applications. All the devices operate from a single +2.7V to +3.6V power supply and consume a maximum of 1.15mA in Run mode and only 2.5µA in Sleep mode.The MAX1407/MAX1408/MAX1414 feature a differential 8:1 input multiplexer to the ADC, a programmable three-state digital output, an output to shutdown an external power supply, and a data ready output from the ADC. The MAX1408 has eight auxiliary analog inputs, while the MAX1407/MAX1414 include four auxiliary analog inputs and two 10-bit force/sense DACs. The MAX1414 features a 50mV trip threshold for the signal-detect comparator while the others have a 0mV trip threshold. The MAX1409 is a 20-pin version of the DAS family with a differential 4:1 input multiplexer to the ADC, one auxiliary analog input, and one 10-bit force/sense DAC.The MAX1407/MAX1408/MAX1414 are available in space-saving 28-pin SSOP packages, while the MAX1409 is available in a 20-pin SSOP package.ApplicationsAutomated Test Equipment (ATE)Data AcquisitionIndustrial Control SystemsMedical InstrumentsPortable EquipmentRobotics |
| Integrated Circuits (ICs) | 2 | Active | |
| Data Acquisition | 2 | Obsolete | |
MAX141304-Channel, 1kVRMS, and 2.75kVRMS, Digital Isolators | Digital Isolators | 2 | Active | The MAX14930–MAX14932 are a family of 4-channel 2.75kVRMSdigital isolators utilizing Maxim’s proprietary process technology. The MAX14130–MAX14131 are 4-channel 1kVRMSdigital isolators in smaller footprint QSOP packages. For applications requiring 5kVRMSof isolation, see the MAX14934–MAX14936. The MAX14930–MAX14932 family transfers digital signals between circuits with different power domains at ambient temperatures up to +125°C.The MAX14930–MAX14932 family offers all three possible unidirectional channel configurations to accommodate any 4-channel design; including SPI, RS-232, RS-485, and digital I/O applications. For applications requiring bidirectional channels, such as I2C, see the MAX14933.Devices are available with data rates from DC up to 1Mbps, 25Mbps, or 150Mbps. Each device is also available in either a default high or default low configuration.The default is the state an output goes to when its input is unpowered. See the Product Selector Guide and Ordering Information for the suffixes associated with each option.Independent 1.71V to 5.5V supplies on each side of the isolator also make the devices suitable for use as level translators.The MAX14930–MAX14932 are available in both a 16-pin wide body (10.3mm x 7.5mm) and narrow body (9.9mm x 3.9mm) SOIC package. The MAX14130–MAX14131 are available in a 16-pin (6mm x 5mm) QSOP package. All devices are rated for operation at ambient temperatures of -40°C to +125°C.ApplicationsBattery ManagementFieldbus Communications for Industrial AutomationGeneral Multichannel Isolation ApplicationsIsolated SPI, RS-232, RS-485/RS-422Medical Systems |
| Isolators | 4 | Active | |
MAX1414Low-Power, 16-Bit Multichannel DAS with Internal Reference, 10-Bit DACs, and RTC | ADCs/DACs - Special Purpose | 3 | Active | The MAX1407/MAX1408/MAX1409/MAX1414 are low-power, general-purpose, multichannel data-acquisition systems (DAS). These devices are optimized for low-power applications. All the devices operate from a single +2.7V to +3.6V power supply and consume a maximum of 1.15mA in Run mode and only 2.5µA in Sleep mode.The MAX1407/MAX1408/MAX1414 feature a differential 8:1 input multiplexer to the ADC, a programmable three-state digital output, an output to shutdown an external power supply, and a data ready output from the ADC. The MAX1408 has eight auxiliary analog inputs, while the MAX1407/MAX1414 include four auxiliary analog inputs and two 10-bit force/sense DACs. The MAX1414 features a 50mV trip threshold for the signal-detect comparator while the others have a 0mV trip threshold. The MAX1409 is a 20-pin version of the DAS family with a differential 4:1 input multiplexer to the ADC, one auxiliary analog input, and one 10-bit force/sense DAC.The MAX1407/MAX1408/MAX1414 are available in space-saving 28-pin SSOP packages, while the MAX1409 is available in a 20-pin SSOP package.ApplicationsAutomated Test Equipment (ATE)Data AcquisitionIndustrial Control SystemsMedical InstrumentsPortable EquipmentRobotics |
MAX141516-Bit, Low-Power, 2-Channel, Sigma-Delta ADCs | Data Acquisition | 6 | Active | The MAX1415/MAX1416 low-power, 2-channel, serial-output analog-to-digital converters (ADCs) use a sigma-delta modulator with a digital filter to achieve 16-bit resolution with no missing codes. These ADCs are pin-compatible upgrades to the MX7705/AD7705. The MAX1415/MAX1416 feature an internal oscillator (1MHz or 2.4576MHz), an on-chip input buffer, and a programmable gain amplifier (PGA). The devices offer an SPI™-/QSPI™-/MICROWIRE™-compatible serial interface.The MAX1415/MAX1416 are available in 16-pin PDIP, SO, and TSSOP packages.ApplicationsFlow and Gas MetersIndustrial InstrumentsLoop-Powered SystemsMedical InstrumentationPressure TransducersRTD MeasurementsStrain-Gauge MeasurementsThermocouple MeasurementsWeigh Scales |