A
Analog Devices Inc./Maxim Integrated
| Series | Category | # Parts | Status | Description |
|---|---|---|---|---|
| Part | Spec A | Spec B | Spec C | Spec D | Description |
|---|---|---|---|---|---|
| Series | Category | # Parts | Status | Description |
|---|---|---|---|---|
| Part | Spec A | Spec B | Spec C | Spec D | Description |
|---|---|---|---|---|---|
| Series | Category | # Parts | Status | Description |
|---|---|---|---|---|
| Data Acquisition | 2 | Active | ||
MAX1288150ksps, 12-Bit, 2-Channel Single-Ended, and 1-Channel True-Differential ADCs | Analog to Digital Converters (ADC) | 1 | Active | The MAX1286–MAX1289 are low-cost, micropower, serial output 12-bit analog-to-digital converters (ADCs) available in a tiny 8-pin SOT23 and an 8-pin TDFN. The MAX1286/MAX1288 operate with a single +5V supply. The MAX1287/MAX1289 operate with a single +3V supply. The devices feature a successive-approximation ADC, automatic shutdown, fast wakeup (1.4µs), and a high-speed 3-wire interface. Power consumption is only 0.5mW (VDD= +2.7V) at the maximum sampling rate of 150ksps. AutoShutdown™ (0.2µA) between conversions results in reduced power consumption at slower throughput rates. The MAX1286/MAX1287 provide 2-channel, single-ended operations and accept input signals from 0 to VREF. The MAX1288/MAX1289 accept true-differential inputs ranging from 0 to VREF. Data is accessed using an external clock through the 3-wire SPI™-/QSPI™-/MICROWIRE™-compatible serial interface. Excellent dynamic performance, low power, ease of use, and small package size make these converters ideal for portable battery-powered data-acquisition applications, and for other applications that demand low power consumption and minimal space.ApplicationsFlow MetersLow-Power Data AcquisitionPortable Temperature MonitorsTouch Screens |
| Data Acquisition | 6 | Active | ||
| Analog to Digital Converters (ADC) | 11 | Active | ||
| Interface | 3 | Active | ||
| Data Acquisition | 8 | Active | ||
| Data Acquisition | 10 | Active | ||
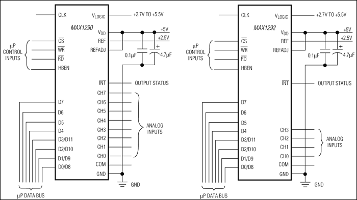
MAX1293250ksps, +3V, 8-/4-Channel, 12-Bit ADCs with +2.5V Reference and Parallel Interface | Integrated Circuits (ICs) | 6 | Active | The MAX1291/MAX1293 low-power, 12-bit analog-to-digital converters (ADCs) feature a successive-approximation ADC, automatic power-down, fast wake-up (2µs), an on-chip clock, +2.5V internal reference, and a high-speed, byte-wide parallel interface. They operate with a single +3V analog supply and feature a VLOGICpin that allows them to interface directly with a +1.8V to +5.5V digital supply.Power consumption is only 5.7mW (VDD= VLOGIC) at the maximum sampling rate of 250ksps. Two software-selectable power-down modes enable the MAX1291/MAX1293 to be shut down between conversions; accessing the parallel interface returns them to normal operation. Powering down between conversions can cut supply current to under 10µA at reduced sampling rates.Both devices offer software-configurable analog inputs for unipolar/bipolar and single-ended/pseudo-differential operation. In single-ended mode, the MAX1291 has eight input channels and the MAX1293 has four input channels (four and two input channels, respectively, when in pseudo-differential mode).Excellent dynamic performance and low power, combined with ease of use and small package size, make these converters ideal for battery-powered and data-acquisition applications or for other circuits with demanding power consumption and space requirements.The MAX1291/MAX1293 tri-states active-low INT when active-low CS goes high. Refer to MAX1261/MAX1263 if tri-stating active-low INT is not desired.The MAX1291 is available in a 28-pin QSOP package, while the MAX1293 is available in a 24-pin QSOP. For pin-compatible +5V, 12-bit versions, refer to the MAX1290/MAX1292 data sheet.ApplicationsData Acquisition SystemsData LoggingEnergy ManagementIndustrial Controls SystemsPatient MonitoringTouch Screens |
MAX12930Two-Channel, Low-Power, 3kVRMSand 5kVRMSDigital Isolators | Isolators | 9 | Active | The MAX12930/MAX12931 are a family of 2-channel, 3kV/5kVRMSdigital galvanic isolators using Maxim’s proprietary process technology. These devices transfer digital signals between circuits with different power domains while using as little as 0.65mW per channel at 2Mbps with 1.8V.The two channels of the MAX12931 transfer data in opposite directions, and this makes the MAX12931 ideal for isolating the TX and RX lines of a transceiver. The MAX12930 features two channels transferring data in the same direction.Both devices are available with a maximum data rate of either 25Mbps or 150Mbps and with the default outputs that are either high or low. The default is the state the output assumes when the input is not powered, or if the input is open-circuit. See the Ordering Information and Product Selector Guide for suffixes associated with each option. Independent 1.71V to 5.5V supplies on each side of the isolator also make the devices suitable for use as level translators.The MAX12930/MAX12931 are available in an 8-pin, narrow-body SOIC package. In addition, the MAX12931 is available in a 16-pin, wide-body SOIC package. The package material of the 8-pin narrow-body SOIC package has a minimum comparative tracking index (CTI) of 400, which gives it a group II rating in creepage tables. The package material of the 16-pin wide-body SOIC package has a CTI of 600, which gives it a group I rating in creepage tables. All devices are rated for operation at ambient temperatures of -40°C to +125°C.ApplicationsBattery ManagementFieldbus Communications for Industrial AutomationGeneral Isolation ApplicationIsolated RS232, RS-485/RS-422, CANMedical Systems |
MAX12931Two-Channel, Low-Power, 3kVRMSand 5kVRMSDigital Isolators | Digital Isolators | 16 | Active | The MAX12930/MAX12931 are a family of 2-channel, 3kV/5kVRMSdigital galvanic isolators using Maxim’s proprietary process technology. These devices transfer digital signals between circuits with different power domains while using as little as 0.65mW per channel at 1Mbps with 1.8V.The two channels of the MAX12931 transfer data in opposite directions, and this makes the MAX12931 ideal for isolating the TX and RX lines of a transceiver. The MAX12930 features two channels transferring data in the same direction.Both devices are available with a maximum data rate of either 25Mbps or 150Mbps and with the default outputs that are either high or low. The default is the state the output assumes when the input is not powered, or if the input is open-circuit. See the Ordering Information and Product Selector Guide for suffixes associated with each option. Independent 1.71V to 5.5V supplies on each side of the isolator also make the devices suitable for use as level translators.The MAX12930/MAX12931 are available in an 8-pin, narrow-body SOIC package. In addition, the MAX12931 is available in a 16-pin, wide-body SOIC package. The package material of the 8-pin narrow-body SOIC package has a minimum comparative tracking index (CTI) of 400V, which gives it a group II rating in creepage tables. The package material of the 16-pin wide-body SOIC package has a CTI of 600V, which gives it a group I rating in creepage tables. All devices are rated for operation at ambient temperatures of -40°C to +125°C.ApplicationsBattery ManagementFieldbus Communications for Industrial AutomationGeneral Isolation ApplicationIsolated RS232, RS-485/RS-422, CANMedical Systems |
| Part | Category | Description |
|---|---|---|
Analog Devices Inc./Maxim Integrated LTC1879EGN#TRUnknown | Integrated Circuits (ICs) | IC REG BUCK ADJ 1.2A 16SSOP |
Analog Devices Inc./Maxim Integrated LTC2208CUP#TRUnknown | Integrated Circuits (ICs) | IC ADC 16BIT 130MSPS 64-QFN |
Analog Devices Inc./Maxim Integrated ADP2108ACBZ-1.1-R7Obsolete | Integrated Circuits (ICs) | IC REG BUCK 1.1V 600MA 5WLCSP |
Analog Devices Inc./Maxim Integrated EV1HMC832ALP6GObsolete | Development Boards Kits Programmers | EVAL BOARD FOR HMC832ALP6GE |
Analog Devices Inc./Maxim Integrated LTC488ISWUnknown | Integrated Circuits (ICs) | IC LINE RCVR RS485 QUAD 16-SOIC |
Analog Devices Inc./Maxim Integrated LTC6946IUFD-2Obsolete | Integrated Circuits (ICs) | IC CLK/FREQ SYNTH 28QFN |
Analog Devices Inc./Maxim Integrated MAX5556ESA+TObsolete | Integrated Circuits (ICs) | IC DAC/AUDIO 16BIT 50K 8SOIC |
Analog Devices Inc./Maxim Integrated EVAL-FLTR-LD-1RZUnknown | Unclassified | EVAL BRD FOR AD800 SERIES |
Analog Devices Inc./Maxim Integrated | Development Boards Kits Programmers | BOARD EVAL FOR AD9963 |
Analog Devices Inc./Maxim Integrated LTC1296CCSW#TRUnknown | Integrated Circuits (ICs) | IC DATA ACQ SYS 12BIT 5V 20SOIC |