Zenode.ai Logo
Beta

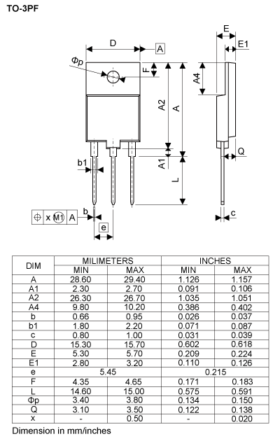
R6035KNZ4 Series

600V 35A TO-247, High-speed switching Power MOSFET

Manufacturer: Rohm Semiconductor

Catalog

600V 35A TO-247, High-speed switching Power MOSFET

Key Features

Low on-resistance, Fast switching speed, Gate-source voltage (VGSS) guaranteed to be ±20V, Drive circuits can be simple, Parallel use is easy, Pb-free lead plating ; RoHS compliant

Description

AI
The R6xxxKNx series are high-speed switching products, Super Junction MOSFETs, that place an emphasis on high efficiency. This series products achieve higher efficiency via high-speed switching. High-speed switching makes it possible to contribute to higher efficiency in PFC and LLC circuits.