8302001Octal D-Type Transparent Latches with 3-state Outputs | Integrated Circuits (ICs) | 1 | Active | These octal transparent D-type latches feature 3-state outputs designed specifically for driving highly capacitive or relatively low-impedance loads. They are particularly suitable for implementing buffer registers, I/O ports, bidirectional bus drivers, and working registers.
While the latch-enable (LE) input is high, the Q outputs follow the data (D) inputs. When LE is taken low, the Q outputs are latched at the logic levels set up at the D inputs.
A buffered output-enable (OE)\ input can be used to place the eight outputs in either a normal logic state (high or low) or a high-impedance state. In the high-impedance state, the outputs neither load nor drive the bus lines significantly. The high-impedance state and the increased drive provide the capability to drive bus lines without interface or pullup components.
OE\ does not affect internal operations of the latches. Old data can be retained or new data can be entered while the outputs are off.
These octal transparent D-type latches feature 3-state outputs designed specifically for driving highly capacitive or relatively low-impedance loads. They are particularly suitable for implementing buffer registers, I/O ports, bidirectional bus drivers, and working registers.
While the latch-enable (LE) input is high, the Q outputs follow the data (D) inputs. When LE is taken low, the Q outputs are latched at the logic levels set up at the D inputs.
A buffered output-enable (OE)\ input can be used to place the eight outputs in either a normal logic state (high or low) or a high-impedance state. In the high-impedance state, the outputs neither load nor drive the bus lines significantly. The high-impedance state and the increased drive provide the capability to drive bus lines without interface or pullup components.
OE\ does not affect internal operations of the latches. Old data can be retained or new data can be entered while the outputs are off. |
8302202Synchronous 4-Bit Binary Counters | Integrated Circuits (ICs) | 1 | Active | These synchronous, presettable, 4-bit decade and binary counters feature an internal carry look-ahead circuitry for application in high-speed counting designs. The SN54ALS162B is a 4-bit decade counter. The \x92ALS161B, \x92ALS163B, \x92AS161, and \x92AS163 devices are 4-bit binary counters. Synchronous operation is provided by having all flip-flops clocked simultaneously so that the outputs change coincidentally with each other when instructed by the count-enable (ENP, ENT) inputs and internal gating. This mode of operation eliminates the output counting spikes normally associated with asynchronous (ripple-clock) counters. A buffered clock (CLK) input triggers the four flip-flops on the rising (positive-going) edge of the clock input waveform.
These counters are fully programmable; they can be preset to any number between 0 and 9 or 15. Because presetting is synchronous, setting up a low level at the load (LOAD\) input disables the counter and causes the outputs to agree with the setup data after the next clock pulse, regardless of the levels of the enable inputs.
The clear function for the \x92ALS161B and \x92AS161 devices is asynchronous. A low level at the clear (CLR\) input sets all four of the flip-flop outputs low, regardless of the levels of the CLK, LOAD\, or enable inputs. The clear function for the SN54ALS162B, \x92ALS163B, and \x92AS163 devices is synchronous, and a low level at CLR sets all four of the flip-flop outputs low after the next clock pulse, regardless of the levels of the enable inputs. This synchronous clear allows the count length to be modified easily by decoding the Q outputs for the maximum count desired. The active-low output of the gate used for decoding is connected to CLR\ to synchronously clear the counter to 0000 (LLLL).
The carry look-ahead circuitry provides for cascading counters for n-bit synchronous applications without additional gating. ENP and ENT inputs and a ripple-carry (RCO) output are instrumental in accomplishing this function. Both ENP and ENT must be high to count, and ENT is fed forward to enable RCO. RCO, thus enabled, produces a high-level pulse while the count is maximum (9 or 15, with QAhigh). The high-level overflow ripple-carry pulse can be used to enable successive cascaded stages. Transitions at ENP or ENT are allowed, regardless of the level of CLK.
These counters feature a fully independent clock circuit. Changes at control inputs (ENP, ENT, or LOAD\) that modify the operating mode have no effect on the contents of the counter until clocking occurs. The function of the counter (whether enabled, disabled, loading, or counting) is dictated solely by the conditions meeting the stable setup and hold times.
The SN54ALS161B, SN54ALS162B, SN54ALS163B, SN54AS161, and SN54AS163 are characterized for operation over the full military temperature range of \x9655°C to 125°C. The SN74ALS161B, SN74ALS163B, SN74AS161, and SN74AS163 are characterized for operation from 0°C to 70°C.
These synchronous, presettable, 4-bit decade and binary counters feature an internal carry look-ahead circuitry for application in high-speed counting designs. The SN54ALS162B is a 4-bit decade counter. The \x92ALS161B, \x92ALS163B, \x92AS161, and \x92AS163 devices are 4-bit binary counters. Synchronous operation is provided by having all flip-flops clocked simultaneously so that the outputs change coincidentally with each other when instructed by the count-enable (ENP, ENT) inputs and internal gating. This mode of operation eliminates the output counting spikes normally associated with asynchronous (ripple-clock) counters. A buffered clock (CLK) input triggers the four flip-flops on the rising (positive-going) edge of the clock input waveform.
These counters are fully programmable; they can be preset to any number between 0 and 9 or 15. Because presetting is synchronous, setting up a low level at the load (LOAD\) input disables the counter and causes the outputs to agree with the setup data after the next clock pulse, regardless of the levels of the enable inputs.
The clear function for the \x92ALS161B and \x92AS161 devices is asynchronous. A low level at the clear (CLR\) input sets all four of the flip-flop outputs low, regardless of the levels of the CLK, LOAD\, or enable inputs. The clear function for the SN54ALS162B, \x92ALS163B, and \x92AS163 devices is synchronous, and a low level at CLR sets all four of the flip-flop outputs low after the next clock pulse, regardless of the levels of the enable inputs. This synchronous clear allows the count length to be modified easily by decoding the Q outputs for the maximum count desired. The active-low output of the gate used for decoding is connected to CLR\ to synchronously clear the counter to 0000 (LLLL).
The carry look-ahead circuitry provides for cascading counters for n-bit synchronous applications without additional gating. ENP and ENT inputs and a ripple-carry (RCO) output are instrumental in accomplishing this function. Both ENP and ENT must be high to count, and ENT is fed forward to enable RCO. RCO, thus enabled, produces a high-level pulse while the count is maximum (9 or 15, with QAhigh). The high-level overflow ripple-carry pulse can be used to enable successive cascaded stages. Transitions at ENP or ENT are allowed, regardless of the level of CLK.
These counters feature a fully independent clock circuit. Changes at control inputs (ENP, ENT, or LOAD\) that modify the operating mode have no effect on the contents of the counter until clocking occurs. The function of the counter (whether enabled, disabled, loading, or counting) is dictated solely by the conditions meeting the stable setup and hold times.
The SN54ALS161B, SN54ALS162B, SN54ALS163B, SN54AS161, and SN54AS163 are characterized for operation over the full military temperature range of \x9655°C to 125°C. The SN74ALS161B, SN74ALS163B, SN74AS161, and SN74AS163 are characterized for operation from 0°C to 70°C. |
83022022Synchronous 4-Bit Binary Counters | Integrated Circuits (ICs) | 1 | Active | These synchronous, presettable, 4-bit decade and binary counters feature an internal carry look-ahead circuitry for application in high-speed counting designs. The SN54ALS162B is a 4-bit decade counter. The \x92ALS161B, \x92ALS163B, \x92AS161, and \x92AS163 devices are 4-bit binary counters. Synchronous operation is provided by having all flip-flops clocked simultaneously so that the outputs change coincidentally with each other when instructed by the count-enable (ENP, ENT) inputs and internal gating. This mode of operation eliminates the output counting spikes normally associated with asynchronous (ripple-clock) counters. A buffered clock (CLK) input triggers the four flip-flops on the rising (positive-going) edge of the clock input waveform.
These counters are fully programmable; they can be preset to any number between 0 and 9 or 15. Because presetting is synchronous, setting up a low level at the load (LOAD\) input disables the counter and causes the outputs to agree with the setup data after the next clock pulse, regardless of the levels of the enable inputs.
The clear function for the \x92ALS161B and \x92AS161 devices is asynchronous. A low level at the clear (CLR\) input sets all four of the flip-flop outputs low, regardless of the levels of the CLK, LOAD\, or enable inputs. The clear function for the SN54ALS162B, \x92ALS163B, and \x92AS163 devices is synchronous, and a low level at CLR sets all four of the flip-flop outputs low after the next clock pulse, regardless of the levels of the enable inputs. This synchronous clear allows the count length to be modified easily by decoding the Q outputs for the maximum count desired. The active-low output of the gate used for decoding is connected to CLR\ to synchronously clear the counter to 0000 (LLLL).
The carry look-ahead circuitry provides for cascading counters for n-bit synchronous applications without additional gating. ENP and ENT inputs and a ripple-carry (RCO) output are instrumental in accomplishing this function. Both ENP and ENT must be high to count, and ENT is fed forward to enable RCO. RCO, thus enabled, produces a high-level pulse while the count is maximum (9 or 15, with QAhigh). The high-level overflow ripple-carry pulse can be used to enable successive cascaded stages. Transitions at ENP or ENT are allowed, regardless of the level of CLK.
These counters feature a fully independent clock circuit. Changes at control inputs (ENP, ENT, or LOAD\) that modify the operating mode have no effect on the contents of the counter until clocking occurs. The function of the counter (whether enabled, disabled, loading, or counting) is dictated solely by the conditions meeting the stable setup and hold times.
The SN54ALS161B, SN54ALS162B, SN54ALS163B, SN54AS161, and SN54AS163 are characterized for operation over the full military temperature range of \x9655°C to 125°C. The SN74ALS161B, SN74ALS163B, SN74AS161, and SN74AS163 are characterized for operation from 0°C to 70°C.
These synchronous, presettable, 4-bit decade and binary counters feature an internal carry look-ahead circuitry for application in high-speed counting designs. The SN54ALS162B is a 4-bit decade counter. The \x92ALS161B, \x92ALS163B, \x92AS161, and \x92AS163 devices are 4-bit binary counters. Synchronous operation is provided by having all flip-flops clocked simultaneously so that the outputs change coincidentally with each other when instructed by the count-enable (ENP, ENT) inputs and internal gating. This mode of operation eliminates the output counting spikes normally associated with asynchronous (ripple-clock) counters. A buffered clock (CLK) input triggers the four flip-flops on the rising (positive-going) edge of the clock input waveform.
These counters are fully programmable; they can be preset to any number between 0 and 9 or 15. Because presetting is synchronous, setting up a low level at the load (LOAD\) input disables the counter and causes the outputs to agree with the setup data after the next clock pulse, regardless of the levels of the enable inputs.
The clear function for the \x92ALS161B and \x92AS161 devices is asynchronous. A low level at the clear (CLR\) input sets all four of the flip-flop outputs low, regardless of the levels of the CLK, LOAD\, or enable inputs. The clear function for the SN54ALS162B, \x92ALS163B, and \x92AS163 devices is synchronous, and a low level at CLR sets all four of the flip-flop outputs low after the next clock pulse, regardless of the levels of the enable inputs. This synchronous clear allows the count length to be modified easily by decoding the Q outputs for the maximum count desired. The active-low output of the gate used for decoding is connected to CLR\ to synchronously clear the counter to 0000 (LLLL).
The carry look-ahead circuitry provides for cascading counters for n-bit synchronous applications without additional gating. ENP and ENT inputs and a ripple-carry (RCO) output are instrumental in accomplishing this function. Both ENP and ENT must be high to count, and ENT is fed forward to enable RCO. RCO, thus enabled, produces a high-level pulse while the count is maximum (9 or 15, with QAhigh). The high-level overflow ripple-carry pulse can be used to enable successive cascaded stages. Transitions at ENP or ENT are allowed, regardless of the level of CLK.
These counters feature a fully independent clock circuit. Changes at control inputs (ENP, ENT, or LOAD\) that modify the operating mode have no effect on the contents of the counter until clocking occurs. The function of the counter (whether enabled, disabled, loading, or counting) is dictated solely by the conditions meeting the stable setup and hold times.
The SN54ALS161B, SN54ALS162B, SN54ALS163B, SN54AS161, and SN54AS163 are characterized for operation over the full military temperature range of \x9655°C to 125°C. The SN74ALS161B, SN74ALS163B, SN74AS161, and SN74AS163 are characterized for operation from 0°C to 70°C. |
8400002Dual J-K Negative-Edge-Triggered Flip-Flops With Clear And Preset | Integrated Circuits (ICs) | 1 | Active | These devices contain two independent J-K negative-edge-triggered flip-flops. A low level at the preset () or clear () inputs sets or resets the outputs, regardless of the levels of the other inputs. Whenandare inactive (high), data at the J and K inputs meeting the setup-time requirements is transferred to the outputs on the negative-going edge of the clock pulse (CLK). Clock triggering occurs at a voltage level and is not directly related to the fall time of the clock pulse. Following the hold-time interval, data at the J and K inputs may be changed without affecting the levels at the outputs. These versatile flip-flops can perform as toggle flip-flops by tying J and K high.
The SN54ALS112A is characterized for operation over the full military temperature range of -55°C to 125°C. The SN74ALS112A is characterized for operation from 0°C to 70°C.
These devices contain two independent J-K negative-edge-triggered flip-flops. A low level at the preset () or clear () inputs sets or resets the outputs, regardless of the levels of the other inputs. Whenandare inactive (high), data at the J and K inputs meeting the setup-time requirements is transferred to the outputs on the negative-going edge of the clock pulse (CLK). Clock triggering occurs at a voltage level and is not directly related to the fall time of the clock pulse. Following the hold-time interval, data at the J and K inputs may be changed without affecting the levels at the outputs. These versatile flip-flops can perform as toggle flip-flops by tying J and K high.
The SN54ALS112A is characterized for operation over the full military temperature range of -55°C to 125°C. The SN74ALS112A is characterized for operation from 0°C to 70°C. |
8401101Dual Positive-Edge-Triggered D-type Flip-Flops With Clear And Preset | Integrated Circuits (ICs) | 1 | Active | These devices contain two independent positive-edge-triggered D-type flip-flops. A low level at the preset () or clear () inputs sets or resets the outputs regardless of the levels of the other inputs. Whenandare inactive (high), data at the data (D) input meeting the setup-time requirements are transferred to the outputs on the positive-going edge of the clock (CLK) pulse. Clock triggering occurs at a voltage level and is not directly related to the rise time of CLK. Following the hold-time interval, data at the D input can be changed without affecting the levels at the outputs.
The SN54ALS74A and SN54AS74A are characterized for operation over the full military temperature range of -55°C to 125°C. The SN74ALS74A and SN74AS74A are characterized for operation from 0°C to 70°C.
These devices contain two independent positive-edge-triggered D-type flip-flops. A low level at the preset () or clear () inputs sets or resets the outputs regardless of the levels of the other inputs. Whenandare inactive (high), data at the data (D) input meeting the setup-time requirements are transferred to the outputs on the positive-going edge of the clock (CLK) pulse. Clock triggering occurs at a voltage level and is not directly related to the rise time of CLK. Following the hold-time interval, data at the D input can be changed without affecting the levels at the outputs.
The SN54ALS74A and SN54AS74A are characterized for operation over the full military temperature range of -55°C to 125°C. The SN74ALS74A and SN74AS74A are characterized for operation from 0°C to 70°C. |
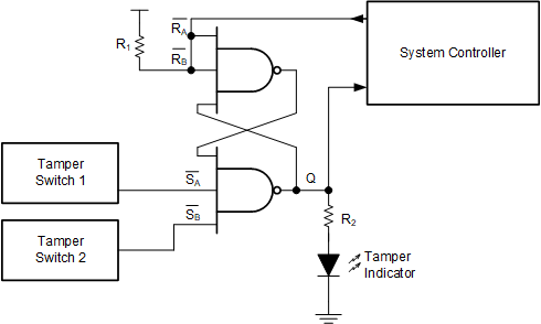
8403801DAMilitary 3-ch, 3-input, 2-V to 6-V 5.2 mA drive strength NAND gate | Integrated Circuits (ICs) | 1 | Active | This device contains three independent 3-input NAND gates. Each gate performs the Boolean function Y =A ● B ● Cin positive logic.
This device contains three independent 3-input NAND gates. Each gate performs the Boolean function Y =A ● B ● Cin positive logic. |
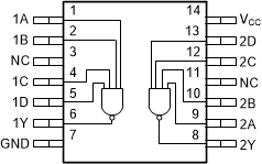
8403901CAMilitary 2-ch, 4-input, 2-V to 6-V 5.2 mA drive strength NAND gate | Logic | 1 | Active | This device contains two independent 4-input NAND gates. Each gate performs the Boolean function Y =A ● B ● C ● Din positive logic.
This device contains two independent 4-input NAND gates. Each gate performs the Boolean function Y =A ● B ● C ● Din positive logic. |
84042012AMilitary 3-ch, 3-input, 2-V to 6-V 5.2 mA drive strength NOR gate | Logic | 1 | Active | This device contains three independent 3-input NOR gates. Each gate performs the Boolean function Y =A + B + Cin positive logic.
This device contains three independent 3-input NOR gates. Each gate performs the Boolean function Y =A + B + Cin positive logic. |
8404801CAMilitary 3-ch, 3-input, 2-V to 6-V 5.2 mA drive strength AND gate | Integrated Circuits (ICs) | 1 | Active | This device contains three independent 3-input AND gates. Each gate performs the Boolean function Y = A ● B ● C in positive logic.
This device contains three independent 3-input AND gates. Each gate performs the Boolean function Y = A ● B ● C in positive logic. |
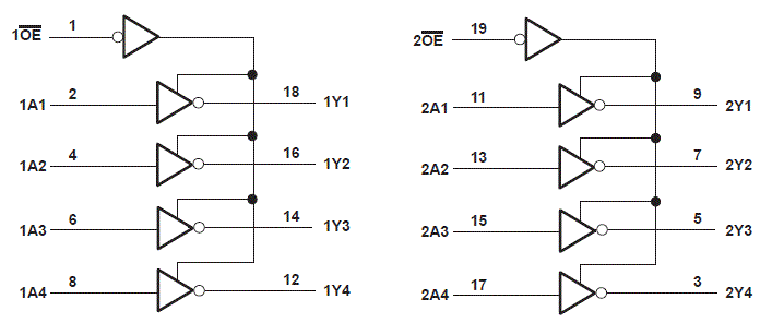
84074012Military 8-ch, 2-V to 6-V inverters with 3-state outputs | Integrated Circuits (ICs) | 1 | Active | These octal buffers and line drivers are designed specifically to improve both the performance and density of 3-state memory address drivers, clock drivers, and bus-oriented receivers and transmitters. The ’HC240 devices are organized as two 4-bit buffers/drivers with separate output-enable (OE) inputs. When OE is low, the device passes inverted data from the A inputs to the Y outputs. When OE is high, the outputs are in the high-impedance state.
These octal buffers and line drivers are designed specifically to improve both the performance and density of 3-state memory address drivers, clock drivers, and bus-oriented receivers and transmitters. The ’HC240 devices are organized as two 4-bit buffers/drivers with separate output-enable (OE) inputs. When OE is low, the device passes inverted data from the A inputs to the Y outputs. When OE is high, the outputs are in the high-impedance state. |