MSP430F1101A8 MHz MCU with 1KB Flash, 128B SRAM, timer, comparator | Embedded | 9 | Active | The Texas Instruments MSP430 family of ultralow power microcontrollers consist of several devices featuring different sets of peripherals targeted for various applications. The architecture, combined with five low power modes is optimized to achieve extended battery life in portable measurement applications. The device features a powerful 16-bit RISC CPU, 16-bit registers, and constant generators that attribute to maximum code efficiency. The digitally controlled oscillator (DCO) allows wake-up from low-power modes to active mode in less than 6µs.
The MSP430x11x1 series is an ultralow-power mixed signal microcontroller with a built-in 16-bit timer, versatile analog comparator and fourteen I/O pins.
Typical applications include sensor systems that capture analog signals, convert them to digital values, and then process the data for display or for transmission to a host system. Stand alone RF sensor front end is another area of application. The I/O port inputs provide single slope A/D conversion capability on resistive sensors.
The Texas Instruments MSP430 family of ultralow power microcontrollers consist of several devices featuring different sets of peripherals targeted for various applications. The architecture, combined with five low power modes is optimized to achieve extended battery life in portable measurement applications. The device features a powerful 16-bit RISC CPU, 16-bit registers, and constant generators that attribute to maximum code efficiency. The digitally controlled oscillator (DCO) allows wake-up from low-power modes to active mode in less than 6µs.
The MSP430x11x1 series is an ultralow-power mixed signal microcontroller with a built-in 16-bit timer, versatile analog comparator and fourteen I/O pins.
Typical applications include sensor systems that capture analog signals, convert them to digital values, and then process the data for display or for transmission to a host system. Stand alone RF sensor front end is another area of application. The I/O port inputs provide single slope A/D conversion capability on resistive sensors. |
MSP430F1111A8 MHz MCU with 2KB Flash, 128B SRAM, timer, comparator | Embedded | 8 | Active | The Texas Instruments MSP430 family of ultralow power microcontrollers consist of several devices featuring different sets of peripherals targeted for various applications. The architecture, combined with five low power modes is optimized to achieve extended battery life in portable measurement applications. The device features a powerful 16-bit RISC CPU, 16-bit registers, and constant generators that attribute to maximum code efficiency. The digitally controlled oscillator (DCO) allows wake-up from low-power modes to active mode in less than 6µs.
The MSP430x11x1 series is an ultralow-power mixed signal microcontroller with a built-in 16-bit timer, versatile analog comparator and fourteen I/O pins.
Typical applications include sensor systems that capture analog signals, convert them to digital values, and then process the data for display or for transmission to a host system. Stand alone RF sensor front end is another area of application. The I/O port inputs provide single slope A/D conversion capability on resistive sensors.
The Texas Instruments MSP430 family of ultralow power microcontrollers consist of several devices featuring different sets of peripherals targeted for various applications. The architecture, combined with five low power modes is optimized to achieve extended battery life in portable measurement applications. The device features a powerful 16-bit RISC CPU, 16-bit registers, and constant generators that attribute to maximum code efficiency. The digitally controlled oscillator (DCO) allows wake-up from low-power modes to active mode in less than 6µs.
The MSP430x11x1 series is an ultralow-power mixed signal microcontroller with a built-in 16-bit timer, versatile analog comparator and fourteen I/O pins.
Typical applications include sensor systems that capture analog signals, convert them to digital values, and then process the data for display or for transmission to a host system. Stand alone RF sensor front end is another area of application. The I/O port inputs provide single slope A/D conversion capability on resistive sensors. |
| Embedded | 2 | Active | |
MSP430F1121A8 MHz MCU with 4KB Flash, 256B SRAM, timer, comparator | Integrated Circuits (ICs) | 7 | Active | The Texas Instruments MSP430 family of ultralow power microcontrollers consist of several devices featuring different sets of peripherals targeted for various applications. The architecture, combined with five low power modes is optimized to achieve extended battery life in portable measurement applications. The device features a powerful 16-bit RISC CPU, 16-bit registers, and constant generators that attribute to maximum code efficiency. The digitally controlled oscillator (DCO) allows wake-up from low-power modes to active mode in less than 6µs.
The MSP430x11x1 series is an ultralow-power mixed signal microcontroller with a built-in 16-bit timer, versatile analog comparator and fourteen I/O pins.
Typical applications include sensor systems that capture analog signals, convert them to digital values, and then process the data for display or for transmission to a host system. Stand alone RF sensor front end is another area of application. The I/O port inputs provide single slope A/D conversion capability on resistive sensors.
The Texas Instruments MSP430 family of ultralow power microcontrollers consist of several devices featuring different sets of peripherals targeted for various applications. The architecture, combined with five low power modes is optimized to achieve extended battery life in portable measurement applications. The device features a powerful 16-bit RISC CPU, 16-bit registers, and constant generators that attribute to maximum code efficiency. The digitally controlled oscillator (DCO) allows wake-up from low-power modes to active mode in less than 6µs.
The MSP430x11x1 series is an ultralow-power mixed signal microcontroller with a built-in 16-bit timer, versatile analog comparator and fourteen I/O pins.
Typical applications include sensor systems that capture analog signals, convert them to digital values, and then process the data for display or for transmission to a host system. Stand alone RF sensor front end is another area of application. The I/O port inputs provide single slope A/D conversion capability on resistive sensors. |
| Microcontrollers | 5 | Active | |
MSP430F11328 MHz MCU with 8KB Flash, 256B SRAM, timer, 10-bit ADC, SPI/UART | Microcontrollers | 4 | Active | The Texas Instruments MSP430 family of ultralow-power microcontrollers consist of several devices featuring different sets of peripherals targeted for various applications. The architecture, combined with five low power modes is optimized to achieve extended battery life in portable measurement applications. The device features a powerful 16-bit RISC CPU, 16-bit registers, and constant generators that attribute to maximum code efficiency. The digitally controlled oscillator (DCO) allows wake-up from low-power modes to active mode in less than 6µs.
The MSP430x11x2 and MSP430x12x2 series are ultralow-power mixed signal microcontrollers with a built-in 16-bit timer, 10-bit A/D converter with integrated reference and data transfer controller (DTC) and fourteen or twenty-two I/O pins. In addition, the MSP430x12x2 series microcontrollers have built-in communication capability using asynchronous (UART) and synchronous (SPI) protocols.
Digital signal processing with the 16-bit RISC performance enables effective system solutions such as glass breakage detection with signal analysis (including wave digital filter algorithm). Another area of application is in stand-alone RF sensors.
The Texas Instruments MSP430 family of ultralow-power microcontrollers consist of several devices featuring different sets of peripherals targeted for various applications. The architecture, combined with five low power modes is optimized to achieve extended battery life in portable measurement applications. The device features a powerful 16-bit RISC CPU, 16-bit registers, and constant generators that attribute to maximum code efficiency. The digitally controlled oscillator (DCO) allows wake-up from low-power modes to active mode in less than 6µs.
The MSP430x11x2 and MSP430x12x2 series are ultralow-power mixed signal microcontrollers with a built-in 16-bit timer, 10-bit A/D converter with integrated reference and data transfer controller (DTC) and fourteen or twenty-two I/O pins. In addition, the MSP430x12x2 series microcontrollers have built-in communication capability using asynchronous (UART) and synchronous (SPI) protocols.
Digital signal processing with the 16-bit RISC performance enables effective system solutions such as glass breakage detection with signal analysis (including wave digital filter algorithm). Another area of application is in stand-alone RF sensors. |
MSP430F1228 MHz MCU with 4KB Flash, 256B SRAM, timer, comparator, SPI/UART | Embedded | 4 | Active | The Texas Instruments MSP430 family of ultralow power microcontrollers consist of several devices featuring different sets of peripherals targeted for various applications. The architecture, combined with five low power modes is optimized to achieve extended battery life in portable measurement applications. The device features a powerful 16-bit RISC CPU, 16-bit registers, and constant generators that attribute to maximum code efficiency. The digitally controlled oscillator (DCO) allows wake-up from low-power modes to active mode in less than 6µs.
The MSP430F12x series is an ultralow-power mixed signal microcontroller with a built-in 16-bit timer and twenty-two I/O pins.The MSP430F12x series also has a built-in communication capability using asynchronous (UART) and synchronous (SPI) protocols in addition to a versatile analog comparator.
Typical applications include sensor systems that capture analog signals, convert them to digital values, and then process the data and display them or transmit them to a host system. Stand alone RF sensor front end is another area of application. The I/O port inputs provide single slope A/D conversion capability on resistive sensors.
The Texas Instruments MSP430 family of ultralow power microcontrollers consist of several devices featuring different sets of peripherals targeted for various applications. The architecture, combined with five low power modes is optimized to achieve extended battery life in portable measurement applications. The device features a powerful 16-bit RISC CPU, 16-bit registers, and constant generators that attribute to maximum code efficiency. The digitally controlled oscillator (DCO) allows wake-up from low-power modes to active mode in less than 6µs.
The MSP430F12x series is an ultralow-power mixed signal microcontroller with a built-in 16-bit timer and twenty-two I/O pins.The MSP430F12x series also has a built-in communication capability using asynchronous (UART) and synchronous (SPI) protocols in addition to a versatile analog comparator.
Typical applications include sensor systems that capture analog signals, convert them to digital values, and then process the data and display them or transmit them to a host system. Stand alone RF sensor front end is another area of application. The I/O port inputs provide single slope A/D conversion capability on resistive sensors. |
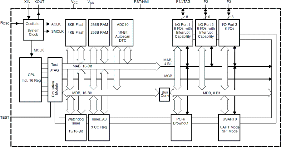
MSP430F12228 MHz MCU with 4KB Flash, 256B SRAM, timer, 10-bit ADC, SPI/UART | Integrated Circuits (ICs) | 5 | Active | The Texas Instruments MSP430 family of ultralow-power microcontrollers consist of several devices featuring different sets of peripherals targeted for various applications. The architecture, combined with five low power modes is optimized to achieve extended battery life in portable measurement applications. The device features a powerful 16-bit RISC CPU, 16-bit registers, and constant generators that attribute to maximum code efficiency. The digitally controlled oscillator (DCO) allows wake-up from low-power modes to active mode in less than 6µs.
The MSP430x11x2 and MSP430x12x2 series are ultralow-power mixed signal microcontrollers with a built-in 16-bit timer, 10-bit A/D converter with integrated reference and data transfer controller (DTC) and fourteen or twenty-two I/O pins. In addition, the MSP430x12x2 series microcontrollers have built-in communication capability using asynchronous (UART) and synchronous (SPI) protocols.
Digital signal processing with the 16-bit RISC performance enables effective system solutions such as glass breakage detection with signal analysis (including wave digital filter algorithm). Another area of application is in stand-alone RF sensors.
The Texas Instruments MSP430 family of ultralow-power microcontrollers consist of several devices featuring different sets of peripherals targeted for various applications. The architecture, combined with five low power modes is optimized to achieve extended battery life in portable measurement applications. The device features a powerful 16-bit RISC CPU, 16-bit registers, and constant generators that attribute to maximum code efficiency. The digitally controlled oscillator (DCO) allows wake-up from low-power modes to active mode in less than 6µs.
The MSP430x11x2 and MSP430x12x2 series are ultralow-power mixed signal microcontrollers with a built-in 16-bit timer, 10-bit A/D converter with integrated reference and data transfer controller (DTC) and fourteen or twenty-two I/O pins. In addition, the MSP430x12x2 series microcontrollers have built-in communication capability using asynchronous (UART) and synchronous (SPI) protocols.
Digital signal processing with the 16-bit RISC performance enables effective system solutions such as glass breakage detection with signal analysis (including wave digital filter algorithm). Another area of application is in stand-alone RF sensors. |
| Integrated Circuits (ICs) | 5 | Active | |
MSP430F12328 MHz MCU with 8KB Flash, 256B SRAM, timer, 10-bit ADC, SPI/UART | Integrated Circuits (ICs) | 4 | Active | The Texas Instruments MSP430 family of ultralow-power microcontrollers consist of several devices featuring different sets of peripherals targeted for various applications. The architecture, combined with five low power modes is optimized to achieve extended battery life in portable measurement applications. The device features a powerful 16-bit RISC CPU, 16-bit registers, and constant generators that attribute to maximum code efficiency. The digitally controlled oscillator (DCO) allows wake-up from low-power modes to active mode in less than 6µs.
The MSP430x11x2 and MSP430x12x2 series are ultralow-power mixed signal microcontrollers with a built-in 16-bit timer, 10-bit A/D converter with integrated reference and data transfer controller (DTC) and fourteen or twenty-two I/O pins. In addition, the MSP430x12x2 series microcontrollers have built-in communication capability using asynchronous (UART) and synchronous (SPI) protocols.
Digital signal processing with the 16-bit RISC performance enables effective system solutions such as glass breakage detection with signal analysis (including wave digital filter algorithm). Another area of application is in stand-alone RF sensors.
The Texas Instruments MSP430 family of ultralow-power microcontrollers consist of several devices featuring different sets of peripherals targeted for various applications. The architecture, combined with five low power modes is optimized to achieve extended battery life in portable measurement applications. The device features a powerful 16-bit RISC CPU, 16-bit registers, and constant generators that attribute to maximum code efficiency. The digitally controlled oscillator (DCO) allows wake-up from low-power modes to active mode in less than 6µs.
The MSP430x11x2 and MSP430x12x2 series are ultralow-power mixed signal microcontrollers with a built-in 16-bit timer, 10-bit A/D converter with integrated reference and data transfer controller (DTC) and fourteen or twenty-two I/O pins. In addition, the MSP430x12x2 series microcontrollers have built-in communication capability using asynchronous (UART) and synchronous (SPI) protocols.
Digital signal processing with the 16-bit RISC performance enables effective system solutions such as glass breakage detection with signal analysis (including wave digital filter algorithm). Another area of application is in stand-alone RF sensors. |